Themabewertung:
  • 0 Bewertung(en) - 0 im Durchschnitt
  • 1
  • 2
  • 3
  • 4
  • 5
4 Wege Experimente mit Ripol
#61
Vielen Dank für den Zuspruch :prost:
Ich bin sehr froh über die Unterstützung - man hat ja leider keinen in der Nähe der das einem mal einfach zeigen könnte.
Zitieren

#62
Zu den Fragen Nahfeldmessungen gibt es hier Info:
https://www.diy-hifi-forum.eu/forum/show...en-mit-REW


Zum Subwoofer Phase messen und zum Ripol messen habe ich hier etwas angefangen:
https://www.diy-hifi-forum.eu/forum/show...einstellen
https://www.diy-hifi-forum.eu/forum/show...post320314

Das hat einige Unsicherheit beseitigt Smile wenn Zeit ist, stelle ich dort noch Messdaten ein, falls Interesse da ist.
Zitieren

#63
Also den Raum freigeräumt, den Drehpunkt jetzt auf Schallwandfront, Mikrofon auf Höhe HT in Höhe 155 cm.
Das Gute ist, das Dachzimmer hat eine hohe Decke > 3,5m.
Wandabstand war rundum >= 1.5 m
Das Fenster konnte so bis auf 6 ms erweitert werden, allerdings:
Bei 3 ms waren minimale Wellen im Impuls, die mit ca. 30cm Basotect auf Boden oder ab Winkel 60° (grösse Störung) an der Seitenwand verschwunden sind ?! Sad
Nach dem Hochtöner-Sweep ist noch kurz ein Flatterecho beim abklingen hörbar - könnte das irgendwie reinspucken?
Ich lade gleich nach dem Frühstück noch Bilder hoch...
Zitieren

#64
Hier die Messung des Hochtöners auf 90°

[ATTACH=CONFIG]64650[/ATTACH]
Ich würde ja noch mehr hochladen, aber das hochladen bricht beim 2. Bild ab, es erscheint nichts in der Voransicht Sad


Angehängte Dateien Thumbnail(s)
   
Zitieren

#65
Jetzt mit IrfanView auf Breite 800px verkleinert, geht das nur so umständlich?
[ATTACH=CONFIG]64651[/ATTACH]


Angehängte Dateien Thumbnail(s)
   
Zitieren

#66
puhh, nach 30 min jetzt erst das 3. Bild geschafft - das hochladen im Dateimanager klappt leider nicht, das betrifft wohl nur die Screenshots (Auschneiden und skizzieren, format png)

EDIT: Das ist der 0° Grad Winkel. In der Impulsdarstellung sieht man eine minimale Welligkeit ab 3.5 ms. Es führt offenbar zu dieser Störung:
Könnte das vom Flatterecho stammen, der Raum ist nicht sonderlich bedämpft (breite Fensterfront)?
Die Seite könnte ich das nächste Mal testweise abdämpfen und schauen ob es besser wird.

[ATTACH=CONFIG]64675[/ATTACH]
EDIT: Hinzugefügt:
[ATTACH=CONFIG]64674[/ATTACH]


Angehängte Dateien Thumbnail(s)
       
Zitieren

#67
Mit Smoothing 1/ 6 Oct kann man die relativ geringe Welligkeit glätten.
Das 6ms Fenster geht bis 170 Hz runter.

Beim TT habe ich die Winkelmessungen für die Filter Bafflestep 500 Hz und Pegelanstieg 1500 Hz genommen und unterhalb 300Hz für die Modenkorrektur die gewedelte am Hörplatz reingeladen und hier zusätzliche Filter gesetzt.
Für den Sub nur die gewedelte Messung genommen.


[ATTACH=CONFIG]64654[/ATTACH]
[ATTACH=CONFIG]64655[/ATTACH]


Angehängte Dateien Thumbnail(s)
       
Zitieren

#68
Also nicht böse gemeint.
Aber du vermischst halt permanent zwei Philosophien.
Entweder du entwickelst einen Lautsprecher.
Oder du entwickelst eine Raumkorrektur.

Du hast halt deinen Lautsprecher noch nicht zu Ende entwickelt, korrigierst da aber schon Raum mit rein.
Die
Ich würde die Subwoofer außen vor lassen. Den Gesamtlautsorecher entsprechend der Fensterung so tief wie möglich messen. Dann den Mitteltieftöner noch im Nahfeld fügen.
Wenn das dann schön passt, dann könntest du noch Raumkorrekturen machen. Wobei ich persönlich da nicht viel von halte. Abgesehen vom Bereich unter 100hz.
Wenn man ohne Raumeinfluss hören möchte, nimmt man Kopfhörer :p
Zitieren

#69
Ja, das ist unschön. Der Grund dafür wäre folgender:
Also der miniDSP hat nur 5 Input Filter, die reichen nicht zur ordentlichen Raumkorrektur, deshalb sind die Moden in den Einzelzweigen TT und SUB korrigiert.
Aktuell bevorzuge ich dem Raum eine Lösung ohne PC, deshalb der miniDSP.
Die Modenkorrektur im Bereich 100..250 Hz war bei mir sehr eindrücklich erfolgreich Smile

Sieht es so für dich besser aus?
[ATTACH=CONFIG]64665[/ATTACH][ATTACH=CONFIG]64666[/ATTACH][ATTACH=CONFIG]64667[/ATTACH][ATTACH=CONFIG]64668[/ATTACH][ATTACH=CONFIG]64669[/ATTACH]


Angehängte Dateien Thumbnail(s)
                   
Zitieren

#70
Durchaus.
Ich denke grundsätzlich stehst du da jetzt gut da. Beim Messen hast dir auch mehr Mühe gegeben, wie ich Big Grin

Ab hier kannst du jetzt nach Geschmack oder Empfinden agieren.
Ich würde mir in jedem Fall die Senke im HT Bereich nochmal vornehmen. Bei den Winkelnmess siehst du schön, wie der Pegel auf Achse fällt, zum Teil auf das Niveau der 30° Messung. Liegt vermutlich an der Kantendiffraktion. Wenn man davon ausgeht, dass das Gehäuse baulich nicht veränderbar ist könnte man eben drum herum schiffen.
Manchmal ist es sinnig den TMT höher laufen zu lassen. Muss man probieren und ist auch Geschmackssache.
Zitieren

#71
Upps, die Phase vom HT war verstellt, jetzt sieht es besser aus Smile

EDIT: Trotzdem gibt es zwischen 2 und 3 kHz den Anstieg auf Winkel 30 und 40°.
Mir ist der Klang oft zu aggressiv um 3 kHz herum gewesen um hab dann aus der Not den Pegel absenkt (-2dB@3kHz Q2.7)

Der Mitteltöner steigt auf diesen Winkeln bei 2.5 kHz aber auch etwas an.
[ATTACH=CONFIG]64678[/ATTACH]
Also für mich sind das Bastelboxen - ich würde auch die Schallwand modifizieren, falls damit Probleme zu erwarten sind.
Die Rundungen sind nur aufgeklebte Kartonröhren (Durchmesser ca. 85mm)


[ATTACH=CONFIG]64676[/ATTACH]

Hier dazu der EFG
[ATTACH=CONFIG]64677[/ATTACH]

Sollte man versuchen, den ganzen EFG im Bereich 3..7 kHz um 1 dB abzusenken, oder 1,8 kHz auffüllen?
Also EFG linear fallend und auf Achse möglichst eben ist hier vermutlich das Ziel.


Angehängte Dateien Thumbnail(s)
           
Zitieren

#72
Hier mal etwas feinjustiert und mit Filter 2500 kHz, -1.5 dB.
Könnte man das so schon lassen?
(Also der Abfall unter 1 kHz muss natürlich noch weg)
[ATTACH=CONFIG]64679[/ATTACH]
[ATTACH=CONFIG]64680[/ATTACH]


Angehängte Dateien Thumbnail(s)
       
Zitieren

#73
Mir wäre die Senke so zu arg. Da geht sicherlich einiges an Information verloren. Das kann aber natürlich trotzdem angenehm klingen aufs erste Ohr.
Du hast doch die Tafal, da kannst ganz gut vergleichen.
Zitieren

#74
Moin Nils,

schau Dir mal genau Deine vielen Filter an, was da passiert.

z.B. Im Eingangsfilter hast bei 500Hz angehoben und beim Bass senkst Du das wieder ab, oder anders rum. Irgendwie nicht so sinnvoll.

Filter, wo Du lediglich 0,5dB oder 1dB absenkst oder anhebst, würde ich grundsätzlich erst mal rauswerfen. Aalglatte Frequenzgänge klingen meist kühl und steril, das bringt nix. Ganz oft stellen sich nach einer Filterung auch Fehler im Winkelfrequenzgang ein, dann wird ein Konstruktions-Fehler noch deutlicher, bzw. schlimmer.

Als ich mein miniDSP neu hatte, hatte ich auch möglichst alle Filter gesetzt und hätte am Liebsten noch mehr gehabt. Jetzt fahre ich das System meist nur mit 2-3 Filter je Kanal.

Bevor ich gegen die Raummoden Filter setze, schiebe ich Lautsprecher und Hörplatz. meist sind es nur ein paar cm und es geht ohne oder mit wenig Filtereinsatz.

Bei mir ist es z.B. so das ich, wenn ich viel Bass möchte mich einfach näher an die Rückwand setze, wo mich die tiefe Raummode gut durchmassiert und wenn ich es linearer möchte 50cm nach vorne rücke. Ich muss meine beiden Tiefbässe auch separat einstellen, da sie unterschiedlich den Raum anregen.

Viel Erfolg, Hartmut
Zitieren

#75
Hallo Hartmut Smile
vielen Dank für den interessanten Bericht - ich werde versuchen, die Empfehlungen umzusetzen.

Ganz so schlimm ist es nicht - im Blockschaltbild sind alle Filter mit dem fetten Strich hindurch inaktiv (kurzgeschlossen).
Aber das sind wohl für einen ersten Simulationsentwurf trotzdem zu viele Filter.

In der Zwischenzeit habe ich noch die Winkelmessungen MT und TT mit dem Nahfeld (inklusive Baffle Diffraction) gefügt.

Wie wäre das weitere Vorgehen für die nächsten Schritte? z.B.

1) Simulation mit minimaler Filterung. Pegel auf Achse im Band 100 Hz ... 10 kHz innerhalb Schlauch mit Breite 2 dB.
EDIT: Drivers, Smoothing: Würde ich auf 1/3 oct setzen, um sich nicht in kleinen, schmalbandigen Abweichungen zu verlieren

2) Messung auf 0° Achse: Endstufen einpegeln, Phasen abgleichen. Bei Abweichung zur Simulation ggf. Weiche und Filter nachjustieren.

3) Wedelmessung am Hörplatz:[INDENT]3.1) 20...ca. 300 Hz (Schröderfrequenz): Ggf. Modenfilter für Sub und TT einfügen[/INDENT]
[INDENT]3.2) Evtl. Weiche und Filter nachjustieren[/INDENT]


4) Nach subjektiven Klangempfinden optimieren
Zitieren

#76
Hier ein Entwurf, wo ich versucht habe, mit weniger Filtern auszukommen:

[ATTACH=CONFIG]64788[/ATTACH][ATTACH=CONFIG]64784[/ATTACH][ATTACH=CONFIG]64785[/ATTACH][ATTACH=CONFIG]64786[/ATTACH][ATTACH=CONFIG]64787[/ATTACH]

[ATTACH=CONFIG]64789[/ATTACH][ATTACH=CONFIG]64790[/ATTACH]

Sehr Ihr hier grundsätzliche Fehler oder Optimierungsansätze?
Die Spitze bei 12,5 kHz habe ich stehen lassen, es ist auf Winkel 20° optimiert.
Bislang sieht noch jeder Entwurf anders aus Sad
Die Bedienbarkeit und dass alle Kurven sofort aktualisiert werden, finde ich schon super Smile


Angehängte Dateien Thumbnail(s)
                       
   
Zitieren

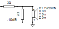
#77
Um das Rauschen zu reduzieren und die Bit-Auflösung im miniDSP zu erhöhen, würde ich eine Pegelabsenkung um -10 dB passiv vornehmen:

[ATTACH=CONFIG]64791[/ATTACH]
(5 Stück 1Ohm/1W Widerstände: 3x in Reihe in die Zuleitung und 2x in Reihe parallel zum Hochtöner geschaltet)

Die Impedanzkurve für den Hochtöner habe ich aus dem Datenblatt eingelesen.
In der Simulation sieht man keinen Unterschied zwischen aktiver und passiver Dämpfung.

Gibt es in der Realität irgendwelche negative Auswirkungen durch den Spannungsteiler?
Hinter der Endstufen-Ausgangsimpedanz von 0,01 Ohm wird da ein um mehr als Faktor 100 größerer Widerstand hinzugefügt.
Ist die Impulswidergabe dadurch verändert oder sind davon grundsätzlich nur Tieftöner betroffen (geringere Dämpfung)?


Angehängte Dateien Thumbnail(s)
   
Zitieren

#78
Alle drei Wege haben ein Delay - aber wo ist deine Referenz?
Logisch gesehen hätte der Tieftöner eigentlich keines...
Zitieren

#79
Ja, der Tieftöner sollte eigentlich auf 0 stehen.
Wenn ich dann den Sub hinzufüge, wäre dieser auf 0 zu setzen.
Die Delay Differenzen in den 3-Wegen hatte ich zumindest eingestellt.
Es wäre an der Stelle wohl gut, den Sub wieder in die Simulation aufzunehmen.
Zitieren

#80
Der Spannungsteiler schadet nicht.
Aber kannst du nicht einfach die Endstufe runter regeln?
Zitieren



Möglicherweise verwandte Themen…
Thema Verfasser Antworten Ansichten Letzter Beitrag
  2-Wege - geschlossen - klassisch - GROSS a.j.h. 25 41.501 17.10.2025, 17:45
Letzter Beitrag: Chlang
  NoMOMO 2-Wege universell ArLo62 4 2.264 16.05.2025, 17:27
Letzter Beitrag: ArLo62
  Rom II - 4 Wege, ähnlich, aber doch anders... Christoph Gebhard 73 84.982 12.04.2025, 07:13
Letzter Beitrag: High5
  Projekt DynaLigth-MK2 2024 , Open Baffle, 2,5 Wege , Dynavox Chassis Olaf_HH 0 5.834 19.08.2024, 16:27
Letzter Beitrag: Olaf_HH
  Konzept für einen drei-Wege geschlossenen Lautsprecher xblax 22 10.794 23.01.2024, 00:53
Letzter Beitrag: xblax
  4 Wege Aktiv alexanderdergroße 13 6.327 07.01.2024, 13:36
Letzter Beitrag: Gaga
  Open Baffle Ellipse 2-Wege, mit SUB dipoluser 2 2.114 07.10.2023, 13:49
Letzter Beitrag: Tojoko
  2 Wege, 2 Weichenteile ArLo62 63 11.537 23.08.2023, 14:38
Letzter Beitrag: Franky
  Onkel Titus kommt - 2 Wege mit SiCA Zeuch tiefton 24 8.358 10.07.2023, 10:58
Letzter Beitrag: mechanic
  2 Wege, Fountek FW168K / Beyma TPL 75 Sepp 17 4.325 10.07.2023, 08:55
Letzter Beitrag: ArLo62

Gehe zu:


Benutzer, die gerade dieses Thema anschauen:
1 Gast/Gäste

Deutsche Übersetzung: MyBB.de, Powered by MyBB, © 2002-2026 Melroy van den Berg.