14.11.2024, 17:09
So langsam gewinne ich wieder etwas Zeit für mein Hobby und daher soll mein 12" Zwei-Wege Projekt sich auch endlich materialisieren.
Idee dazu: Statt einem Kompressionstreiber und einem fertigen Horn, selber was basteln. Und dabei auch gleich eine Kalotte als Treiber einsetzen (ein Pärchen Vifa DX25TG-04 liegen bei mir rum, ein Paar SB26ADC sind auf dem Weg zu mir).
Klar könnte man einfach ein fertiges Horn kaufen und einen Kompressionstreiber nehmen. Aber warum einfach, wenn es auch kompliziert geht?
Der Lautsprecher soll etwa so aussehen:
[ATTACH=CONFIG]76166[/ATTACH]
Das Horn ist zweiteilig. Der vordere Teil wird CNC in die 26mm Front gefräst. Der hintere ist 3d Druck.
Bevor ich aber jetzt massenweise Holz zerspanen lasse, wollte ich einen Eindruck bekommen was mein Zufallsprodukt so an Potenzial hat. Daher habe ich einen teil der Front (in zwei Teilen) ebenfalls gedruckt und angefangen zu messen. In dem Wissen, dass die Kalotte mit der breiten Sicke eine Ankopplung an das Horn nicht einfach machen würde...
So schaut das Produkt jetzt aus:
[ATTACH=CONFIG]76167[/ATTACH][ATTACH=CONFIG]76168[/ATTACH][ATTACH=CONFIG]76169[/ATTACH]
Eine erste Messung bei 4°C im Garten ergab das folgende Bild (10° Schritte):
![[Bild: attachment.php?attachmentid=76172&d=1731599558]](https://www.diy-hifi-forum.eu/forum/attachment.php?attachmentid=76172&d=1731599558)
Das Horn lädt ganz ordentlich. Die Einschnürung oberhalb von 10kHz ist doof.
In VituixCAD importiert sieht das Projekt dann so aus:
![[Bild: attachment.php?attachmentid=76170&d=1731599532]](https://www.diy-hifi-forum.eu/forum/attachment.php?attachmentid=76170&d=1731599532)
Hier sieht man die Problemstelle bunt und in Farbe.
Egal, ich wollte trotzdem mal sehen was man passiv beschaltet daraus machen kann. Folgendes kam dabei raus (Referenzwinkel ist hier 10°, da die Lautsprecher deutlich eingewinkelt stehen sollen):
![[Bild: attachment.php?attachmentid=76171&d=1731599542]](https://www.diy-hifi-forum.eu/forum/attachment.php?attachmentid=76171&d=1731599542)
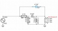
Und das wären die Bauteile dafür.
![[Bild: attachment.php?attachmentid=76173&d=1731599574]](https://www.diy-hifi-forum.eu/forum/attachment.php?attachmentid=76173&d=1731599574)
Selbst in dieser Beschaltung bleiben bei 2,83V noch knapp 97dB übrig. Das sollte ganz gut mit dem geplanten Partner (Fane Souvereign 12-300) zu verheiraten sein, wenn denn die Bündelung des Horns jetzt nicht sogar zu stark geworden ist.
Ich will mit dem Projekt noch etwas weiter spielen. Erstens soll noch ein Phaseplug im Horn probiert werden. Zweitens kämen die SB26ADC Kalotten zum testweisen Einsatz.
Meinungen und Verbesserungsvorschläge zum Projekt sind willkommen
Idee dazu: Statt einem Kompressionstreiber und einem fertigen Horn, selber was basteln. Und dabei auch gleich eine Kalotte als Treiber einsetzen (ein Pärchen Vifa DX25TG-04 liegen bei mir rum, ein Paar SB26ADC sind auf dem Weg zu mir).
Klar könnte man einfach ein fertiges Horn kaufen und einen Kompressionstreiber nehmen. Aber warum einfach, wenn es auch kompliziert geht?

Der Lautsprecher soll etwa so aussehen:
[ATTACH=CONFIG]76166[/ATTACH]
Das Horn ist zweiteilig. Der vordere Teil wird CNC in die 26mm Front gefräst. Der hintere ist 3d Druck.
Bevor ich aber jetzt massenweise Holz zerspanen lasse, wollte ich einen Eindruck bekommen was mein Zufallsprodukt so an Potenzial hat. Daher habe ich einen teil der Front (in zwei Teilen) ebenfalls gedruckt und angefangen zu messen. In dem Wissen, dass die Kalotte mit der breiten Sicke eine Ankopplung an das Horn nicht einfach machen würde...
So schaut das Produkt jetzt aus:
[ATTACH=CONFIG]76167[/ATTACH][ATTACH=CONFIG]76168[/ATTACH][ATTACH=CONFIG]76169[/ATTACH]
Eine erste Messung bei 4°C im Garten ergab das folgende Bild (10° Schritte):
Das Horn lädt ganz ordentlich. Die Einschnürung oberhalb von 10kHz ist doof.
In VituixCAD importiert sieht das Projekt dann so aus:
Hier sieht man die Problemstelle bunt und in Farbe.
Egal, ich wollte trotzdem mal sehen was man passiv beschaltet daraus machen kann. Folgendes kam dabei raus (Referenzwinkel ist hier 10°, da die Lautsprecher deutlich eingewinkelt stehen sollen):
Und das wären die Bauteile dafür.
Selbst in dieser Beschaltung bleiben bei 2,83V noch knapp 97dB übrig. Das sollte ganz gut mit dem geplanten Partner (Fane Souvereign 12-300) zu verheiraten sein, wenn denn die Bündelung des Horns jetzt nicht sogar zu stark geworden ist.
Ich will mit dem Projekt noch etwas weiter spielen. Erstens soll noch ein Phaseplug im Horn probiert werden. Zweitens kämen die SB26ADC Kalotten zum testweisen Einsatz.
Meinungen und Verbesserungsvorschläge zum Projekt sind willkommen


