Themabewertung:
  • 0 Bewertung(en) - 0 im Durchschnitt
  • 1
  • 2
  • 3
  • 4
  • 5
Mal wieder MFB - aber Praxis !
#81
capslock schrieb:Kann das Datenblatt leider kaum lesen (dunkelgrau auf schwarzem Grund). Der liefert aber ein Ortssignal, das Du noch 2x ableiten musst, um die Beschleunigung zu erhalten. Verwendung sehe ich eher darin, ein Servo für die Nullage zu bilden, falls das mal notwendig sein sollte.
Nullage sollte doch eigentlich sowieso kein Problem sein .... solange der Verstärker keine DC-Kopplung hat ....oder habe ich da was nicht verstanden. Du hast recht, Beschleunigungssensoren sollten einfacher zu verarbeiten sein.

phase_accurate schrieb:Da auch bei der Schallerzeugung bei den Piezos die Massenträgheit ausgenutzt wird, ist das umgekehrt auch hier auch der Fall. Wobei nicht auszuschliessen ist, dass andere Effekte auch noch hineinspielen wenn auch nur schwach.

M.M.n wäre, zumindest theoretisch, diejenige Regelung am effektivsten, welche denn auch die Grösse misst, welche geregelt werden soll: Den Schalldruck
[..........]
Wie bei allen Regelungen und Gegenkopplungen geht auch hier die Nichtlinearität des Rückwärtspfades voll in das Endergebnis ein.
Ich denke auch, das bei MFB die Massenträgheit genutzt wird ....genau deswegen habe ich mich ja gefragt in wiefern dieser simple Sensor nicht auch als Mikro funktioniert und eine Mischung aus beidem erzeugt ...was schlecht wäre. Bei deiner Aussage, das Schalldruck geregelt werden soll stimme ich dir nicht so ganz zu. .... eigentlich will ich genau die Beschleunigung zu jedem Zeitpunkt korrigieren.... damit erfasse ich doch genau den Antrieb und wenn der stimmt, stimmt doch am Ende alles. .... ok, den Einfluss der Membran ist nicht so richtig mit drin.
Herzliche Gruesse
Michael
Zitieren

#82
Jaja, die Regelung. Der heilige Gral der Lautsprechertechnik.

Und nun die ketzerische Frage: welches Problem wollt ihr damit beheben?

Es gibt beim elektrodynamischen Lautsprecher exakt 2 kritische Probleme sofern kein Defekt vorliegt:
1) den DC-Offset
2) die mechanische Begrenzung.

Problem 1) führt oft genug zu Problem 2), besonders bei ventilierten Lautsprechern, weil der Bassport asymmetrisch komprimiert. Das heißt, selbst ein Chassis, welches in der Klippel-Offset-Messung ziemlich gut da steht, kann durch einen unzureichend bemessenen Bassport* deutlich aus seiner Ruhelage geschoben werden. Die Folge sind unerwartet hohe Verzerrungen, weil das Chassis nicht mehr im linearen Teil des BLs arbeitet, sondern auf einer seiner beiden Flanken.
Problem 2) führt zB zu Anschlaggeräuschen oder massiven Verzerrungen durch Progression der Aufhängung, beides definitiv hörbar.

Problem 1) lässt sich wegregeln aber NUR, wenn die Auslenkung geregelt wird. Geschwindigkeit und Beschleunigung (die ist proportional zum Schalldruck) sind Ableitungen des Auslenkung und können daher per Mathematik keinen DC-Offset darstellen. Es hilft dann auch nicht, eine dieser beiden Größen aufzunehmen und ein- oder zweimal zu integrieren. Was hilft ist, mit diesen beiden Größen ein nicht-lineares Modell zu füttern, dessen Parameter vorher mit einer Klippel-Messung bestimmt wurden oder welches sich selbst anlernt.
Da die wenigsten dazu in der Lage sind muss die Auslenkung direkt aufgenommen werden. Mein ehemaliger Arbeitgeber hatte dazu in den 80ern einen Plastikkeil hinten an die Membrane geklebt der durch die Polkernbohrung ragte. Durch die Keilform wurde eine "Lichtschranke" auslenkungsabhängig abgeschattet. Die Auslenkung der Mitteltöner wurde kapazitiv aufgenommen. Die Regelung erfolgte über ein Modell mit Beobachter im Zustandsraum. Aussage des damaligen Entwicklers: eigentlich funktionierte es ohne immer besser.

Problem 2) lässt sich nicht wegregeln, nur durch Einsatz von Limitern beheben.

* irgendwann wird jeder Bassport unzureichend
Zitieren

#83
phase_accurate schrieb:M.M.n wäre, zumindest theoretisch, diejenige Regelung am effektivsten, welche denn auch die Grösse misst, welche geregelt werden soll: Den Schalldruck !
Bei den Meyer X-10 Monitoren ist das der Fall. Dort befindet sich ein Mikrophon vor der Woofer Membran. Meyer gibt einen Wert von 1% Klirr bei 120 dB/1m an, was schon mal nicht schlecht ist. Das Problem wird sein, ein geeignetes Mikro zu finden. Wie bei allen Regelungen und Gegenkopplungen geht auch hier die Nichtlinearität des Rückwärtspfades voll in das Endergebnis ein.

das ist ein Problem

[Bild: attachment.php?attachmentid=70523&d=1684138545]


rechts Infineon IM70A135 max. Schalldruck ca. 132dB / 1%Thd. Das ist das Mikro das Sven (SNT) in seinem Stick verbauen will.

links (Arta Handbuch) der Schalldruck bei Nahfeldmessungen. zB. ein 32cm Tieftöner 100dB/1m ergibt ca. 122dB im Nahfeld
somit wäre eine Regelung 100-110dB/1m (je nach Chassisdurchmesser) möglich
ein Mic mit 140dB max. Schalldruck wäre nice, aber das muss man erstmal finden Sad

trotz allem scheint die Regelung mit Mikro (für uns Hobbyisten) nicht schlecht u. relativ einfach umzusetzen
und die MEMS Mikro's sind nicht wirklich teuer

@Jfa wir reden hier ja eigentlich über geschlossene Gehäuse.
Aber ich spinne mal rum. Wäre es nicht auch möglich eine Regelung für ventilierte Gehäuse zu basteln (ein Mic für's Chassis u. eins für den Port) ?
wenn da das Problem mit dem DC-Offset nicht wäre


Grüße Udo
Zitieren

#84
Natürlich geht das. Es muss dann nur in der Regelung die abbremsende Wirkung des Bassports berücksichtigt werden. Einen Sensor am Port benötigt es dazu nicht.

Der DC-Offset ist in geschlossenen Gehäusen immer noch vorhanden, aber deutlich weniger. Auch das Problem der mechanischen Begrenzung wird verringert, weil es keinen Betrieb in "free air" mehr gibt. Wo wir dann wieder zum eigentlichen Kern des Ganzen kommen: wozu der Aufriss?

Wenn ihr es doch unbedingt wollt: statt eines irgendwie hingedingsten Sensors an die Membran zu basteln, messt den Strom (einfacher Shunt reicht), baut ein Modell, welches euch aus dem Eingangssignal den Sollstrom ausspuckt (im einfachsten Fall ein Serienwiderstand und ein RLC-Schwingkreis), die Differenz der beiden ist die Fehlergröße.
Zitieren

#85
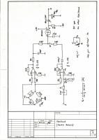
Dann beteilige ich mich mal am OT Big Grin. Kann mir einer sagen, was das hier ist, bzw. macht ?

[ATTACH=CONFIG]70524[/ATTACH]

Hat mir Joachim Gerhard vor 40 Jahren beim Bier auf den Deckel gekritzelt. Ich habe es abgemalt und aufgebaut, fand ich damals (ohne jede Messmöglichkeit) ganz ansprechend am Ohr. Näheres dazu habe ich damals schon nicht verstanden bzw. inzwischen vergessen ...


Angehängte Dateien Thumbnail(s)
   
Gruß Klaus

Meinen tut der, der zum Wissen zu faul und zum Glauben zu schwach ist (Lisa Eckart)
Zitieren

#86
Sieht m.E. aus wie eine Messbrücke, die die Impendanz des Lautsprechers gegen einen rein ohmschen Widerstand gegenüber stellt. Die Abweichung erzeugt über den TL072 eine Differenzspannung die den FET ansteuert. Edit: Die 2.Hälfte ist ein Verstärker. Kann das sein das der ein gegenphasiges Signal an denAusgang liefert? Bin mal gespannt wer es richtig erläutern kann.
Gruß
Arnim

Ein rein verstandesmäßiges Weltbild ganz ohne Mystik ist ein Unding. Erwin Schrödinger.
Zitieren

#87
In der Messbrücke wird links die Spannung über einen Spannungsteiler, rechts der Strom über einen Shunt abgegriffen. Mit dem Poti P1 wird der Ausgang vom oberen OP bei DC-Eingangsspannung auf idealerweise 0 V (min. Offset) abgeglichen. Über die Frequenz betrachtet hat der Ausgang des oberen OPs ein Minimum bei der Resonanzfrequenz des Lautsprechers. Im Grunde wird da die Impedanz gemessen, allerdings invertiert und ohne DC-Anteil (also Re), entspricht somit der invertierten Membrangeschwindigkeit (die Impedanz eines Lautsprechers ist die Summe des Gleichstromwiderstandes der Schwingspule und der frequenzabhängigen "Impedanz" durch die Gegen-EMK).

Beim unteren OP bin ich mir nicht sicher, wozu der da ist.

Edit: ja, der FET ist ein Verstärker. Heutzutage würde man vielleicht noch einen OP nehmen, aber ein simpler FET tut es auch.
Zitieren

#88
JFA schrieb:wozu der Aufriss?
Also ich kann ja nur für mich sprechen. Erstmal ist es natürlich einfach technisches Interesse und die Frage, warum sich das eigentlich nicht deutlicher durchgesetzt hat (nachdem es das ja schon solange gibt .....) .

Mich interessieren eigentlich nur Bässe mit großem Hub in sehr kleinen geschlossenen Gehäusen und das dann mit der Reglung doch noch gerade zu ziehen.

Das Argument mit der nicht hinreichenden Hörbarkeit des Klirrfaktors überzeugt mich dabei nicht, weil ich das Volumen ja im Zweifelsfall immer gerne noch weiter verringern würde, wenn ich könnte...irgendwann werden aber die Kehrseiten/Klirrfaktoren eines zu kleinen Volumens hörbar und die Reglung damit Interessant

Die Reglung einer Bassreflexbox wie oben angesprochen finde ich eine widersinnige Idee, weil ich bei einer Bassreflexbox ja sowieso akzeptiere, dass das Volumen größer wird um am Ende mehr/tieferen Bass zu haben und ich das ja auch mache um den Hub im Antrieb zu reduzieren. Und der Bassreflex braucht eh seine korrekte Auslegung um die Resonanz in den richtigen Bereich zu kriegen. Gut ...vielleicht kann man dann am Ende mit Reglung doch noch was verbessern .... aber da bin ich auch skeptisch, dass das dann noch viel bringt.

Die Schaltung könnte in der Tat sowas sein, wie es JFA in seinem letzten Beitrag beschreibt. Wäre natürlich elegant, wenn man die normale Stromzufuhr zum Chassis auch gleich zum Sensor machen könnte.

Nachtrag: Ich frag mich gerade ob ein reiner Stromverstärker ... also einer, der den Strom steuert nicht genau den Fehler des Chassis schon kompensiert ..... aber irgendwie übersteigt das gerade meine Fähigkeiten.
Herzliche Gruesse
Michael
Zitieren

#89
Der von mir erwähnte Meyer X-10 Studiomonitor mit Mikrofonbasierter Gegenkopplung IST eine Reflexbox. Das gilt auch für Anwendungen von Powersoft Ipal mit dem Differenzdrucksensor.

Gruss

Charles
Zitieren

#90
phase_accurate schrieb:Der von mir erwähnte Meyer X-10 Studiomonitor mit Mikrofonbasierter Gegenkopplung IST eine Reflexbox.
mmmhhh ...neuer Gedanke .... wie funktioniert das jetzt? Also bei einer Bassreflexbox reduziert sich ja die Membranbewegung deutlich im Bereich der Resonanzfrequenz. Wenn ich jetzt mit einer Reglung nur den Basslautsprecher zwinge genauso weiter zu machen als wäre es kein Bassreflex, kann das eigentlich nicht funktionieren. Wenn ich den Output vom Rohr irgendwie hinzufüge kriege ich die Phasendrehung mit .... also wie man das zum funktionieren bringen kann ???????

Ich finde geschlosse Boxen mit Reglung übersichtlicher .....
Herzliche Gruesse
Michael
Zitieren

#91
newmir schrieb:Also ich kann ja nur für mich sprechen. Erstmal ist es natürlich einfach technisches Interesse und die Frage, warum sich das eigentlich nicht deutlicher durchgesetzt hat (nachdem es das ja schon solange gibt .....) .

Spieltrieb ist ja Ok.

Warum hat es sich nicht durchgesetzt? Weil Aufwand zum Ertrag in keinem Verhältnis stehen. Kleine Gehäuse mit Tiefbass? Geht auch ohne Regelung, nur mit EQ. Die dafür notwendige Verstärkerleistung braucht es so oder so. Das bisschen Extraklirr durch die zunehmend nichtlineare Luftkennlinie ist nicht schlimm. Macht noch nicht einmal nennenswert IMD. Die Regelung kann das besser, weil sich nichts im Laufe der Zeit verschiebt, aber mir ist bisher nicht bekannt, dass das als schwerwiegendes Problem erkannt wurde. Und wenn es ganz extem wird mit der Gehäusegröße kann eine Regelung auch besser sein, aber meistens treten andere Limitierungen auf, bevor das Gehäuse extrem klein wird.

Zitat:Nachtrag: Ich frag mich gerade ob ein reiner Stromverstärker ... also einer, der den Strom steuert nicht genau den Fehler des Chassis schon kompensiert ..... aber irgendwie übersteigt das gerade meine Fähigkeiten.

Ein reiner Stromverstärker killt alle Verzerrungen durch Le(x,i) und der Temperatur der Schwingspule. Dafür muss halt auch ein EQ her, um die Überhöhung bei der Resonanzfrequenz zu glätten.
Eine Regelung kann zusätzlich noch Kms(x) und BL(x) korrigieren.
Zitieren

#92
Ein Stromverstärker killt nicht nur die Verzerrungen durch Le(x,i), sondern killt auch den Tiefpass Pol, welcher durch Le hervorgerufen wird. Das kommt definitiv der Stabilität des Regelkreises zu Gute. Mit der Resonanzüberhöhung schlägt sich dann die Regelung herum ...


Gruss

Charles.
Zitieren

#93
JFA schrieb:Ein reiner Stromverstärker killt alle Verzerrungen durch Le(x,i) und der Temperatur der Schwingspule. Dafür muss halt auch ein EQ her, um die Überhöhung bei der Resonanzfrequenz zu glätten.
Eine Regelung kann zusätzlich noch Kms(x) und BL(x) korrigieren.

Den Teil musste ich mir erst übersetzen:

x ist die Auslenkung?
Le(x,i) ist die Induktivität der Spule .... aber was ist hier i (strom?)
BL(x) ist die Veränderung des Kraftfaktors in Abhängigkeit von der Auslenkung .....
Was ist Kms?

Spieltrieb: Stimmt ......Vielen Dank für Dein Verständniss .... Big Grin.
Herzliche Gruesse
Michael
Zitieren

#94
Kms (x) = 1 / Cms (x) = Mms * w^2

Gruß
Heinrich
Zitieren

#95
newmir schrieb:Den Teil musste ich mir erst übersetzen:

x ist die Auslenkung?
Le(x,i) ist die Induktivität der Spule .... aber was ist hier i (strom?)

Genau, der Strom. Durch den Strom in Spule bzw das resultierende Magnetfeld wird der Fluss durch den Permanentmagneten moduliert. Selbst bei einem perfekt linearen ur führt das zu K2, und weil ur normalerweise abhängig von der Flussdichte ist kommen noch höhere Klirrkomponenten hinzu.

Kms ist der Kehrwert von Cms.

@Charles: ja, stimmt, guter Punkt
Zitieren

#96
Wo finde ich denn da bitte eine Schaltung? Finde ausser blabla nichts zu im Netz. Kann ja kein großer Unterschied zu einem klassischen Schaltungslayout sein
Gruß
Arnim

Ein rein verstandesmäßiges Weltbild ganz ohne Mystik ist ein Unding. Erwin Schrödinger.
Zitieren

#97
Wovon jetzt genau?
Zitieren

#98
Hi! Schaltungsprinzip Stromverstärker :prost:
Gruß
Arnim

Ein rein verstandesmäßiges Weltbild ganz ohne Mystik ist ein Unding. Erwin Schrödinger.
Zitieren

#99
Einfachste Form: den Impedanzwandler am Ausgang weglassen. Der knifflige Teil ist, trotzdem hohen Strom bei akzeptabler Bandbreite liefern zu können.

Erste Anlaufstelle: https://de.m.wikipedia.org/wiki/Transkon...%C3%A4rker
Zitieren

Das "einfachste" Prinzip eines Verstärkers, der einen Strom liefert, ist eine nicht invertierende Konfiguration, bei welcher der Spannungsteiler der Gegenkopplung aus einem Shunt gegen Masse und der Last (in unserem Fall der LS) besteht. Ich schreibe deshalb einfachste in Anführungszeichen, weil das Ganz doch auch knifflig sein kann wegen HF Stabilität.

Da man ja den Einfluss von Le bei MFB nur reduzieren will um den Loop stabiler zu machen, muss auch die Stromlieferfähigkeit zu hohen Frequenzen hin nicht allzu hoch sein. Dem ganzen Loop ist ja auch noch die Weiche vorgeschaltet.

Gruss

Charles
Zitieren



Möglicherweise verwandte Themen…
Thema Verfasser Antworten Ansichten Letzter Beitrag
  Rom II - 4 Wege, ähnlich, aber doch anders... Christoph Gebhard 73 86.333 12.04.2025, 07:13
Letzter Beitrag: High5
  No Brain, no Budget, no Room, no Tools aber Lautsprecher bauen wollen ... Zonfeld 12 5.574 09.07.2023, 22:45
Letzter Beitrag: Zonfeld
  ChlangFun5 - mal wieder Spaß haben Chlang 43 19.642 01.01.2023, 18:05
Letzter Beitrag: Chlang
  Es klont wieder: LS3/5 mit AL130 und 'was von SEAS mtthsmyr 92 48.225 13.10.2022, 21:45
Letzter Beitrag: mtthsmyr
  Wieder ein U-Frame OB SUB dipoluser 10 4.824 11.04.2021, 11:14
Letzter Beitrag: dipoluser
  Erster Eigenbau - "Ecksub", der Newbie mal wieder mit seinen Fragen und Gedanken Sebastian81, 22 8.341 09.04.2021, 12:21
Letzter Beitrag: miwa
  Schon wieder ein Quarantäne-Lautprecher: Coax-19 LarsNL 27 10.656 22.06.2020, 10:41
Letzter Beitrag: LarsNL
  Was könnte ich mal wieder bauen? ax3 23 6.782 12.03.2020, 14:16
Letzter Beitrag: ArLo62
  Suche lauten aber erschwinglichen Hochtöner wus 66 24.793 25.06.2019, 16:40
Letzter Beitrag: fosti
  Bob - wieder 2 Wege tiefton 13 7.480 12.04.2019, 17:02
Letzter Beitrag: tiefton

Gehe zu:


Benutzer, die gerade dieses Thema anschauen:
1 Gast/Gäste

Deutsche Übersetzung: MyBB.de, Powered by MyBB, © 2002-2026 Melroy van den Berg.