Themabewertung:
  • 0 Bewertung(en) - 0 im Durchschnitt
  • 1
  • 2
  • 3
  • 4
  • 5
Neue Treiber Thread 2
#41
Mal was aus den heimischen Landen, einmal ein dicker 10'ner mit angeblich 13mm X-Max und dann ein 8'ter mit 8mm. Beides als Subs ausgelegt und dementsprechend motorisiert.

https://reckhorn.com/car-hifi/d-250-subw...25cm?c=120

https://reckhorn.com/car-hifi/d-200-subw...20cm?c=120

Schade ein wenig das er keine Impdedanzkurven veröffentlicht, dann hätte man mal schon ohne einen nötigen Test ein wenig herumsimulieren können Rolleyes.



Gruß Swany
Zitieren

#42
kwesi schrieb:Wohl nicht ganz neu, ist mir aber erst jetzt wirklich aufgefallen:
https://faitalpro.com/en/products/LF_Lou...=101010110
Finde ich sexy als MT für ne Box mit Power/Wirkungsgrad, der Hersteller-Frequenzgang sieht bis >>3kHz sehr clean aus...
Rein größenmäßig konkurriert er ja mit dem M5N8-80, welcher wiederum wohl nicht so tief trennbar sein wird, wie der 5PR160. Dafür gibt's mehr Kennschalldruck.

Swany schrieb:Schade ein wenig das er keine Impdedanzkurven veröffentlicht, dann hätte man mal schon ohne einen nötigen Test ein wenig herumsimulieren können .
TSP gibt's ja schon mal, also gehen zumindest Gehäusesimulationen. Oder wolltest du dich in einem Programm wie VituixCAD mit mittels SPL-Trace gewonnenen Daten an das Entwerfen von passiven Beweichungen machen?

Viele Grüße,
Michael
Zitieren

#43
Top, dank Dir! Die Reckhorn hatte ich noch nicht gesehen, werde mal warten bis die ersten Messungen vorhanden sind..


Ansonsten für mich neu der Audax PR240M6-V:

Zitat:Neue Version mit ventilierter Kalotte! Dadurch Reduzierung der mechanischen Verluste um ca. 50%

[action]=details&index[shop_articles][data][shop_articles_id]=70]Proraum Vertriebs-GmbH | Shop | AUDAX PR240M6-V (Vented) NEU! (audax-speaker.de)
Zitieren

#44
Zitat:TSP gibt's ja schon mal, also gehen zumindest Gehäusesimulationen. Oder wolltest du dich in einem Programm wie VituixCAD mit mittels SPL-Trace gewonnenen Daten an das Entwerfen von passiven Beweichungen machen?

Was? Nö...aber ein wenig mit Aj Horn herumspielen. Das bei denen nicht mehr als Bass heraus kommt ist mir schon klar Smile.

Zitat:Ansonsten für mich neu der Audax PR240M6-V

Sehr fein, sieht schön "retro" aus! Ein wenig ungewohnt zwar heutzutage einen neuen, großen Treiber mit Schaumstoffsicke zu sehen, aber der soll ja denke ich eh nur daheim spielen Big Grin.
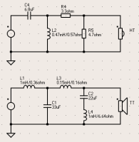
Wasserfalldiagramm hätten sie ein wenig feiner auflösen und vielleicht auch mit einer Skala versehen können. Aber ansonsten macht der in 70 Litern eine ganz passable Figur.
Jedenfalls mit den Werten die sie bei Proraum stehen haben.

[ATTACH=CONFIG]65919[/ATTACH]

Gruß Swany


Angehängte Dateien Thumbnail(s)
   
Zitieren

#45
Whohoo...:eek:Big Grin

https://www.beyma.com/speakers/Fichas_Te...10NMFS.pdf
[ATTACH=CONFIG]66209[/ATTACH]


https://www.beyma.com/speakers/Fichas_Te...-8NMFW.pdf
[ATTACH=CONFIG]66210[/ATTACH]


https://www.beyma.com/speakers/Fichas_Te...-6NMFW.pdf
[ATTACH=CONFIG]66211[/ATTACH]

Das gefällt! Smile :prost:


Angehängte Dateien Thumbnail(s)
           
"Science is about what is, Engineering is about what can be"
Neil Armstrong
Zitieren

#46
Swany schrieb:Mal was aus den heimischen Landen...

:prost: Vielen Dank für die Info! Ich finde die neuen Chassis super interessant Smile
Grüße
Simon
Zitieren

#47
Die Beyma sehen gut aus, bauen aber alle recht tief.
Reckhorn ist nur der Firmensitz "heimisch", die Treiber sind natürlich aus China.
Zitieren

#48
BiGKahuunaBob schrieb:Die Beyma sehen gut aus, bauen aber alle recht tief.
Reckhorn ist nur der Firmensitz "heimisch", die Treiber sind natürlich aus China.

Ja schade auch für mich…Beyma hätte mich schon gereizt.

Gruß von Sven
AUDIY LIFE auf YT
Zitieren

#49
Der Reckhorn hat 24 mm Wickelhöhe bei 8 mm Plattenhöhe. Wie kommt man damit auf ein x-lin von +/- 13 mm? Selbst mutige PA-Anbieter addieren nur hg /4 bis hg/3 dazu. Und ein XLB^2 wird es ja nicht sein?

https://reckhorn.com/media/pdf/53/3c/cb/...r-25cm.pdf
Zitieren

#50
capslock schrieb:Der Reckhorn hat 24 mm Wickelhöhe bei 8 mm Plattenhöhe. Wie kommt man damit auf ein x-lin von +/- 13 mm? Selbst mutige PA-Anbieter addieren nur hg /4 bis hg/3 dazu. Und ein XLB^2 wird es ja nicht sein?

https://reckhorn.com/media/pdf/53/3c/cb/...r-25cm.pdf

Da steht nur 13 mm, nicht +-13 mmm.... 24-8 wären 12, dann noch etwas draufschlagen, 13 mm x_max p2p
wissen ist macht. nicht wissen macht auch nichts.
Zitieren

#51
Slaughthammer schrieb:...24-8 wären 12...

Äh, ich finde das ist diskussionswürdig... :denk: Wink
Gruß

Jesse Cool Good Vibration




Die Realität ist in Wirklichkeit etwas komplizierter.
Zitieren

#52
Jesse schrieb:Äh, ich finde das ist diskussionswürdig... :denk: Wink

Jetzt wo du das so sagst... Da hatte ich gestern aber einen ordentlichen Knoten im Hirn.
wissen ist macht. nicht wissen macht auch nichts.
Zitieren

#53
kwesi schrieb:Whohoo...:eek:Big Grin

https://www.beyma.com/speakers/Fichas_Te...10NMFS.pdf
https://www.beyma.com/speakers/Fichas_Te...-8NMFW.pdf
https://www.beyma.com/speakers/Fichas_Te...-6NMFW.pdf
Das gefällt! Smile :prost:

Mehr Infos, es gibt auch noch neue Hochtöner Smile:
https://audioxpress.com/news/beyma-launc...cer-series
http://www.beyma.com/nmf/
"Science is about what is, Engineering is about what can be"
Neil Armstrong
Zitieren

#54
kwesi schrieb:https://www.beyma.com/speakers/Fichas_Te...-8NMFW.pdf
[ATTACH=CONFIG]66210[/ATTACH]

Bassreflex, 2-Wege, kW-Verstärker, glücklich sein.

Die Hochtöner sind auch nicht uninteressant, da müsste noch eine andere Front (tieferer WG) vor, dann läuft das.
Zitieren

#55
Vorsicht. Nur weil "Professional" in der Broschüre steht und er eine dicke Spule hat kann der noch lange nicht mechanisch ab, was rein elektrisch-thermisch geht. Xmax ist bei dem Ding in sinnvoller BR-Abstimmung schon bei um die AES-Belastbarkeitsangabe erreicht.

Rein in PA-Anwendungen macht die überdimensionierte Spule & Kühlung Sinn. Ein kleines Fullrange-Top mit der Bestückung, vll. auch in doppelter Ausführung, ist dann auch im Sommer, in der prallen Sonne, trotz limitierter Wärmeabfuhr des kleinen Gehäuses, Dauervollgas-fähig.
Zitieren

#56
stoneeh schrieb:Xmax ist bei dem Ding in sinnvoller BR-Abstimmung schon bei um die AES-Belastbarkeitsangabe erreicht.

Für die Zuhause-Spaß-Box sollten die 200W ausreichen.

stoneeh schrieb:Rein in PA-Anwendungen macht die überdimensionierte Spule & Kühlung Sinn. Ein kleines Fullrange-Top mit der Bestückung, vll. auch in doppelter Ausführung, ist dann auch im Sommer, in der prallen Sonne, trotz limitierter Wärmeabfuhr des kleinen Gehäuses, Dauervollgas-fähig.

Und zuhause freut man sich auch drüber.
Zitieren

#57
Die sind auch nicht für PA gedacht, sondern für Kleinraumbeschallung, d.h. Studio und Heim.
Der Entwickler kommt ja von SEAS, von daher ist die Zielgruppe auch klar.
Beyma musste sich nach 2 Jahren Pandemie halt was einfallen lassen, als PA nicht mehr lief...
Zitieren

#58
Joah, kommt hin - unter bestimmten Annahmen. Bei Abstimmung 40 Hz, 85 dB in 1 m Abstand und Anselm-Görtz-Gedächtnis-Multiton komme ich auf ca. 2,5 mm Auslenkung. Dabei braucht der ca. 1 W RMS und 16 W Peak. Um auf die 9 mm zu kommen bräuchte man die 3,6fache Spannung, also ca. 13fache Leistung. Sind im Peak 208 W.

Das gilt aber nur, wenn BL und Cms da noch Nominalwerte haben. Haben sie sicherlich nicht. BL vielleicht 70%? Nochmal Faktor 2 an Leistung. Cms auf die Hälfte runter? Nochmal das 4fache an Leistung. Du verstehst ungefähr, worauf ich hinaus will?
Zitieren

#59
Kleinsignalparameter (welche TSP prinzipbedingt sind) kann man freilich nicht 1:1 auf Großsignalverhalten hochrechnen. Die Größe der eben von dir angenommenen Diskrepanzen ist aber doch etwas extrem. Bitte um eine Quellenangabe zu entsprechenden empirischen Untersuchungen.

Koaxfan schrieb:Und zuhause freut man sich auch drüber.

Ditto. Der einzige Vorteil für zuhause der großen Spule & überdimensionierten Kühlung wäre eine geringere elektrisch-thermische Kompression (Powercompression). Dass diese selbst bei klassischem HiFi-Tiefmitteltönern jemals in den hörbaren Bereich ansteigen würde sollte man belegen können.

Wenn nicht, ist das ein Materialaufwand, für den der Kunde bezahlt, der ihm keinen Vorteil bringt.
Zitieren

#60
stoneeh schrieb:Kleinsignalparameter (welche TSP prinzipbedingt sind) kann man freilich nicht 1:1 auf Großsignalverhalten hochrechnen. Die Größe der eben von dir angenommenen Diskrepanzen ist aber doch etwas extrem. Bitte um eine Quellenangabe zu entsprechenden empirischen Untersuchungen.

Im Ernst jetzt? Du rechnest mit Kleinsignalparametern auf die Großsignalfestigkeit hoch, ich schreibe, dass das mit anderen Annahmen ganz anders aussieht, und jetzt willst du "empirische" Untersuchungen dazu? Dann nimm doch BL mit 80% und Cms mit 70% an, was ändert das? Oder nimm das Xvar von B&C, 50% BL oder 50% Cms. Es ist völlig egal, die 200 W sind auf jeden Fall völlig unterdimensioniert, um den in BL an sein Xmax von 9 mm zu bringen.
Zitieren



Möglicherweise verwandte Themen…
Thema Verfasser Antworten Ansichten Letzter Beitrag
  Treiber-Alternative/n gesucht ... monoton 7 2.346 18.06.2025, 16:33
Letzter Beitrag: monoton
  LEMS- Treiber ohne Sicke und Spinne TomBear 7 3.360 19.03.2025, 18:51
Letzter Beitrag: newmir
  Coole oder neue Entwicklungen rumd um das Thema Lautsprecher hesinde2006 8 2.767 19.12.2024, 15:10
Letzter Beitrag: ArLo62
  8" Treiber Fragen - BG20/8MI100/8FE200 ... Oder ??? saddevil 33 8.557 13.10.2024, 19:17
Letzter Beitrag: saddevil
  Treiber für JBL 2344 Kalle 194 64.110 30.09.2024, 16:15
Letzter Beitrag: Kalle
  Unbekannter Visaton Treiber der 12" Klasse Hitower 4 1.773 17.11.2023, 13:16
Letzter Beitrag: Hitower
  Etwas spezielle Treiber (mglw. Sammelthread?) Azrael 14 3.275 10.11.2023, 20:29
Letzter Beitrag: horr
  Vd realisiert durch große Treiber vs. durch viele kleinere Azrael 10 4.353 30.08.2023, 07:21
Letzter Beitrag: JFA
  Wieder eine neue(?) Methode Verzerrungen zu bewerten? kboe 1 1.797 09.05.2023, 12:59
Letzter Beitrag: JFA
  Horn / Treiber Messungen 4711Catweasle 135 46.502 16.03.2023, 10:41
Letzter Beitrag: Kalle

Gehe zu:


Benutzer, die gerade dieses Thema anschauen:
1 Gast/Gäste

Deutsche Übersetzung: MyBB.de, Powered by MyBB, © 2002-2026 Melroy van den Berg.