Themabewertung:
  • 0 Bewertung(en) - 0 im Durchschnitt
  • 1
  • 2
  • 3
  • 4
  • 5
DIVA Simone
#1
Ich möchte hier einen neuen Lautsprecher vorstellen der von Monacor initiiert und vom Forenuser Sonicfury umgesetzt und aufgebaut wurde.

Es handelt sich um einen schlanken wohnraumfreundlichen 3 Wege Standlautsprecher mit der Chassisbestückung

2 x SPH-145HQ
1 x MSH-115HQ
1 x RBT-10

Jens hat die Lautsprecher aufgebaut und die Chassis gekonnt miteinander verheiratet. Das war schon etwas kniffelig wie ich der Weichenschaltung entnehmen konnte. Herausgekommen ist eine Box mit einem Wirkungsgrad um 85dB mit einem sehr linearem Frequenzgang. Das Bändchen zeigt auf Achse einen Hochtonanstieg der unter einem Abhörwinkel von 30° verschwindet. Wem das zuviel des Guten ist kann das leicht mit einem Widerstand einstellen.

Ich hatte die Boxen heute im Messraum und musste einiges neu aufbauen da es erhebliche Transportschäden gegeben hat.

Bilder, Messungen sowie Baupläne usw. werde ich in Kürze hier einstellen.

Jens, Du darfst auch gerne was schreiben!
Zitieren

#2
Hi Franky,

na das hört sich doch nach einem LS nach meinem "Geschmack" an! Und wenn sonicfurby seine Hände da mit im Spiel hatte, bin ich sicher, dass das ein tolles Teil geworden ist.

Viele Grüße,
Christoph
Zitieren

#3
Ist eigentlich eine witzige Geschichte. Ich kenne ihn nur aus Beiträgen aus Foren und das schon ziemlich lange. War früher wohl auch ein recht streitbarer Geselle und hatte sich glaube ich im Audiotreff einige Scharmützel mit meinem Vorgänger Thorsten Günther geliefert.
So Leute mag ich und wir haben dann irgendwie Kontakt bekommen. Er wollte eigentlich was mit dem SPH-100C, dem Tiefbasswunder, machen - aber ich habe ihn dann auf den SPH-145HQ umgeswitcht. Bin sehr zufrieden mit dem Ergebnis.

Vielleicht lernt man sich auch mal persönlich kennen.
Zitieren

#4
Hi

Zunächstmal Blackdevil danke für die Vorschusslorbeeren, die Weiche hat sich noch ein Stück geändert seit der Version, die du kennengekernt hast (noch zum besseren). Ferner hat FRank ein Impedanzentzerrer noch etwas anders gesetzt, was sicherlich richtiger war (aber die BBC Senke etwas weniger ausgeprägt ... ). Das Bändchen wird sehr steil aber früh rangenommen (18dB). Man scheint damit wegzukommen, auch wenn FRank und ich da so unsere Bedenken haben und beide den Klirr mit Argusaugen angeschaut haben.

Dickes Kompliment aber an Frank. Die LS wurden beim Transport recht heftig hin und her geschmissen. Ich hätte die Dinger auf eine Europallette und mit Zurrgurten drumherum und Tonnen Verpackungsmaterial schicken sollen. Die wurden dermassen herumgeschmissen auf dem Transport, das Frank etliches an "Wiederaufbau und Reparatur" leisten musste bzw geleistet hat!
Zitieren

#5
Ich werde auf jeden Fall beide Versionen vorstellen. Die leichte Senke so bei 3-4Khz dürfte den allermeisten Hörern sogar besser gefallen. Sind auch nur 2 Bauteile die es betrifft.

Gibt noch 2 Stellschrauben wo man noch was machen kann - aber das alles ab Montag.
Zitieren

#6
Übrigens ist das ein offizieller Bauvorschlag von Monacor und auch so von Anfang an mit dem Entwickler Sonicfury besprochen.

Das war doch mal Intention dieses Forums - oder etwa nicht mehr? Hab da was munkeln gehört.
Zitieren

#7
Hä? Was meinst du?
Es gibt für die Vorstellung ja extra ne ecke, hat bisher ja auch immer geklappt :-)
Ich hab sie damals bei Jens auch gehört und der Bereich um 1-3khz qar mir damals etwas zu präsent-ich finds Konzept aber gut und wenns da ein paar Stellschrauben gibt ists ja prima.
Auf jeden Fall sehr mehrheitsfähig und gefällig, auch in der Form. Die bekommt man gut unter.
Viele Grüße, Thomas

Es ist genug, wenn es genug ist.

Zitieren

#8
Scheint ein Einzelschicksal gewesen zu sein.

Morgen gibts paar Bilder und Messungen aus dem RAR
Zitieren

#9
Hier mal ein erstes Bild aus dem Messraum.

Die Box hat die Abmessungen 97 x 20 x 33 cm (H x B x T)


Angehängte Dateien Thumbnail(s)
   
Zitieren

#10
Hi Franky, guten Morgen,
das Foto lässt mich vor Ehrfurcht erschauern! Da merkt man den Vollprofi, der sein Hobby zum Beruf gemacht hat! :dance:
Herzlichen Gruß Gabriel
Der Raum und die Aufstellung werden im Allgemeinen unterbewertet!
[URL="http://www.igdh.eu"]
[IMGNR]http://www.igdh.eu/logo_igdh_mini.png[/IMGNR]
[/URL]
Zitieren

#11
Hi Gabrie

Das Gehäuse hat maßgeblich "unser" Holzwurm Clause (audiovirus) gebaut, aber wg der Transportschäden und CO hat Frank mächtig böse zu arbeiten (wiederaufbau, ausbessern)gehabt.

Aber danke, das Kompliment für die Pläne, den Entwurf/ Design usw. nehme ich gerne an. Was die Holzwurmarbeit angeht gebühren die Lorbeeren jedoch allein Claus und Frank.

Zum LS selber:

Wohnzimmerfreundlichkeit stand ganz oben, somit war die Größe der Woofer bereits automatisch begrenzt. Ich wollte eigentlich 4* den SPH 100 C nehmen, aber die neuen SPH's boten sich natürlich auch an. Die vier 100Cs wären einen ganzes Stück teurer geworden...

Trotz Bändchen und damit automatisch höherer Trennfrequenz habe ich natürlich versucht, ein gutartiges Rundstrahlverhalten hinzubekommen.

Der LS ist auf 15- 30 Grad Abhörwinkel ausgelegt.

Den LS insgesamt und die Weiche selber würde ich erst dann weiter kommentieren, wenn Frank beizeiten Messungen und so weiter parat hat. Meine Messungen sind im "normalen" Raum entstanden. Seine Messungen werden im RAR durchgeführt und die somit alles wesentliche auch besser abbilden. Ergo ein wenig Gedulg....
Zitieren

#12
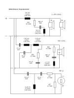
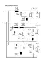
Ich kann ja schon einmal die Zeichnung und den Originalweichenentwurf anfügen.
Da Monacor zum Teil Bauteile mit etwas anderen Werten im Angebot hat werde ich hier und da noch Kleinigkeiten ändern.


Angehängte Dateien Thumbnail(s)
       
Zitieren

#13
Heute bin ich dann mal mit der Diva fertig geworden. Gehäuse mit groben Transportschäden wieder instandzusetzen ist fast mehr Arbeit wie neu zu bauen.

Jens hatte ja Weichenbauteile verwendet die nicht von Monacor stammten. Daher musste ich einige Werte der Weiche ändern.

Hier der geänderte Weichenplan als PDF Datei.


Angehängte Dateien
.pdf   Diva-Simone_weiche_Monacor.pdf (Größe: 27,94 KB / Downloads: 217)
Zitieren

#14
Hier ein paar Messungen

Frequenzgang in ca. 1,2 Metern gemessen. Die zweite Messung zeigt die Wirkung des Vorwiderstands von 1,5Ohm vor der Hochtonweiche. Da kann man von 0 - 3 Ohm spielen. Jens hat ja auf 30° abgestimmt und da ist die Box auch ohne Vorwiderstand sehr linear.

Als nächstes die Weichenzweige, Winkelmessung und Impedanz. Die Senke bei 100Hz kommt durch die Bodenreflexion in unserem Messraum.

Die Abstimmfrequenz des Bassreflexgehäuse liegt bei 40Hz.

Es wurde eine Impedanzlineariesierung des zweiten Bassreflexhöckers eingebaut.

Ich finde das Jens da eine super Arbeit abgeliefert hat. Ich habe nur einen Saugkreis vor dem Mitteltöner etwas geändert. Anstelle von 5R6 und 15µF habe ich da 10R und 8,2µF eingebaut. Jens hatte da einen schönfärberischen Dip im Frequenzgang vorgesehen. Ich habs etwas linarer gemacht. Kann ja jeder selber ausprobieren was einem besser gefällt.


Angehängte Dateien Thumbnail(s)
               
Zitieren

#15
Namd Franky "Schönfärberisch" Big Grin Stimmt wohl, klang aber damit recht schick Wink Danke für die Blumen.
Zitieren

#16
Hier ist veranschaulicht was mit dem Dip gemeint ist. Wenn man sich die obigen Winkelmessungen ansieht kann es durchaus sinnvoll sein genau da etwas Energie herauszunehmen.


Angehängte Dateien Thumbnail(s)
   
Zitieren

#17
Big Grin
So isses. Am besten halte ich es im Nachhinein übrigens mit kleinem Vorwiderstand vor dem HT und dem "Dip" zu arbeiten. Aber das ist Geschmackssache.
Zitieren

#18
Hier noch Nahfeldmessungen vor den Tieftönern und der rückwärtigen Bassreflexöffnung. Scheint jetzt noch etwas zu tief abgestimmt zu sein - aber Rohre kürzen kann man ja immer noch.


Angehängte Dateien Thumbnail(s)
   
Zitieren

#19
Hallo,

... mal nach gefragt wenn ich mir die Weichenzweige in #15 so ansehe, ist die Filterung nicht ein wenig flach ?
Ich sehe da eine breiten Überlappungsbereich von TT und MT
und auch der Schnittpunkt zwischen TT + HT liegt "nur" 15 dB unter den Durchschnittspegel ...
Hat das keine Nachteile ?
Ich habe bisher eine möglichst steile Trennung zwichen den einzelnen Chassis bevorzugt / realisiert.

VG Dirk
Zitieren

#20
Die Tieftöner laufen ja im Parallelbetrieb und somit 4 Ohm. Der Mitteltöner hat 8 Ohm. Würde man die Tieftöner steiler trennen bekäme man Pegelprobleme im Mitteltonbereich. Da schieben die Tieftöner also noch ein wenig mit.
Der Hochtöner ist ja mit einem 18dB Filter getrennt. Das das trotzdem so flach aussieht liegt am Übertragungsverhalten des RBT-10. Der ist um 1800Hz deutlich lauter wie bei 4000Hz.

Hier der Frequenzgang in Normschallwand.


Angehängte Dateien Thumbnail(s)
   
Zitieren



Möglicherweise verwandte Themen…
Thema Verfasser Antworten Ansichten Letzter Beitrag
  Contest 2013 - KG.DiVA 4.2 Gnom52 39 19.766 15.11.2013, 18:38
Letzter Beitrag: Gnom52

Gehe zu:


Benutzer, die gerade dieses Thema anschauen:
1 Gast/Gäste

Deutsche Übersetzung: MyBB.de, Powered by MyBB, © 2002-2026 Melroy van den Berg.