Themabewertung:
  • 1 Bewertung(en) - 5 im Durchschnitt
  • 1
  • 2
  • 3
  • 4
  • 5
A project to be ..
#41
Wie immer super interessant! Vielen Dank :prost:
Ich freue mich schon auf weitere Updates Smile
Grüße
Simon
Zitieren

#42
Danke für die netten Worte Simon :prost:. Wenn wer den Content nutzen bzw. ihm Wert abgewinnen kann, freut mich das. Bis demnächst.
Zitieren

#43
Danke für deinen Erfahrungsbericht.

Interessant wäre jetzt wirklich mal, ob man mit dem Sperrkreis auch die "Klangsignatur" von typischerweise heftig aufbrechenden (Alu)-Hartmembranern etwas entschärfen kann. Oder anders gesagt: Kann man Alu dann so neutral wie Beryllium klingen lassen? Gerade die baugleichen Bliesmas würden sich für so einen Test anbieten. Allerdings könnte man so einen Test - streng genommen - nur unter reflexionsfreien Bedingungen durchführen, da sich das Abstrahlen der Membranmaterialien auch etwas unterscheidet....
Zitieren

#44
Geile Sache, Danke für die Messungen! :thumbup: Schön, wenn die Theorie auch funktioniert! :prost:


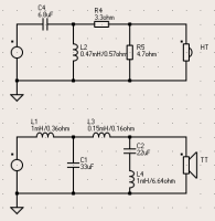
stoneeh schrieb:Ich wurde gewarnt, dass diese Schaltung zu hohen Frequenzen einen Kurzschluss verursache. Ganz nachvollziehen kann ich das nicht;

Ich auch nicht - im Gegenteil, durch die Spule in Reihenschaltung wird bei höheren Frequenzen die Impedanz am Verstärker ja immer größer...

stoneeh schrieb:Höreindruck und sonstige Praxisüberlegungen: rein durch den Vorwiderstand beschaltet konnte ich keinen Unterschied wahrnehmen. Die Schaltung zur Bedämpfung der Membranresonanzen, insb. kombiniert mit Vorwiderstand, hat jedoch einen signifikanten Unterschied bewirkt.


Mmh, inwiefern hat der Vorwiderstand dann doch einen positiven Einfluss auf die Kombination mit der Schaltung bzw. der Spule?

Christoph Gebhard schrieb:Interessant wäre jetzt wirklich mal, ob man mit dem Sperrkreis auch die "Klangsignatur" von typischerweise heftig aufbrechenden (Alu)-Hartmembranern etwas entschärfen kann. Oder anders gesagt: Kann man Alu dann so neutral wie Beryllium klingen lassen? Gerade die baugleichen Bliesmas würden sich für so einen Test anbieten. Allerdings könnte man so einen Test - streng genommen - nur unter reflexionsfreien Bedingungen durchführen, da sich das Abstrahlen der Membranmaterialien auch etwas unterscheidet....

Ich zitiere mich mal selbst:

kwesi schrieb:Bzgl. der Diskussion zur Wirksamkeit eines Sperrkreises auf die Membranaufbruchsresonanz ausserhalb des Hörbereichs hatte ich noch eine schöne Erläuterung von Neumann/Klein&Hummel finden können, welche in die gleiche Richtung zielt und die zumindest mich etwas erhellt hat: https://www.google.com/url?sa=t&rct=j&q=...G9ohgC-nPv

kwesi schrieb:In dem Fall werden die Resos halt durch Klirr im Hör-/Nutzbereich angeregt, und die potentielle Lösung ist hat ein Sperrkreis, um bei der Resonanz auf "Stromsteuerung" zu gehen und den Effekt zu bedämpfen.
Ich meine auch das zu hören, speziell beim Messen das nackten Treibers mit "schnellen" Sinussweeps (allerdings bis >40kHz also voll angeregt, 96kHz Abtastfrequenz). Ohne Sperrkreis ist da für mich was "scharfes/spratzliges" im "Abgang", mit Sperrkreis ist das weg. Beim Bliesma erahnbar, beim Seas DXT z.B. für mich eindeutig. Beim Seas sind die "Vorechos" im Klirr dann (gemessen) auch verschwunden...


Viele Grüße
Peter
"Science is about what is, Engineering is about what can be"
Neil Armstrong
Zitieren

#45
Hallo kwesi, Christoph.

Peter, nochmal vielen Dank für deine Unterstützung. Erstmal hätte ich diese Maßnahme ohne dich gar nicht auf dem Radar gehabt, zweitens, selbst wenn, wäre die Implementierung für mich aktuell nicht möglich gewesen.

Kurz zu deinen Anmerkungen / Fragen: die Kurzschluss-Warnung hatte ich wohl ich mit einer anderen Schaltungsvariante (der mit zum anderen Pol rübergeschalteten Kondensator; 2nd Order Lowpass) verwechselt gehabt. Ja hast recht, seh ich auch in der Simu, Impedanz wird mit Spule & Vorwiderstand zu höheren Frequenzen größer. Somit hat die Kombination mit der aktiven Trennung hier zmd. den weiteren Vorteil, dass die Spule obenrum nicht soviel Leistung wegfiltern muss (-> geringere Belastung / Erwärmung des Bauteils).
Zum Höreindruck Vorwiderstand in Kombination mit Spule - ich hatte mehrere Schaltungsvarianten probiert, und die, über die ich berichtet habe, die halt auch nen Vorwiderstand drin hat, macht sich aktuell am besten. Das ist alles, was ich damit sagen wollte - was sich und ob sich was von der subjektiv empfundenen Verbesserung auf den Vorwiderstand zuweisen lässt, kann ich nicht beurteilen.
Zitieren

#46
Weiter geht's.

Wie zu Beginn des Threads, als auch im Verlauf, zu erlesen, war (ist?) dieser Build keine fixe Sache. Der Plan steht eigtl. schon seit ca. einem Jahrzehnt; die Umsetzung kann aber nicht garantiert werden. Aber, angenommen es wird durchgezogen, hatte ich angekündigt es würde sich so nach und nach herauskristallisieren, was genau es wird.

Der Zeitpunkt für eine weitere Offenlegung ist gekommen: das System wird in keinem Weg, pro Seite, nur 1 Chassis beherbergen. Konkret wird die Mittelhochtonsektion ein (Quasi-?)Linienstrahler.


Designziele:

a) Erhöhung des Wirkungsgrads, als auch Hand in Hand des Maximalpegels, durch Vervielfachung der Chassisanzahl
b) ggfalls. weitere Erhöhung des Pegels durch Nahfelderweiterung
c) breite horizontale, enge vertikale Abstrahlung

Details / Background: grundsätzlich ergibt die Verdoppelung der Anzahl von (an der Hör-/Messposition) phasengleich spielenden, mit je der gleichen Leistung angesteuerten Punktschallquellen identer Übertragungsfunktion eine Pegeladdition von 6 dB SPL; +3 dB für die Verdoppelung der schallabstrahlenden Fläche, +3 dB für doppelte zugeführte Leistung. (Anm., das habe ich in der Vergangenheit an anderen Testobjekten bereits messtechnisch überprüft / verifiziert; d.h. Tatsache, nicht unbelegte Behauptung / Spekulation.)
Ob der mit steigenden Frequenzen immer kürzer werdenden Schallwellen wird es allerdings immer schwieriger, diese Phasengleichheit zu gewährleisten - sehr geringe bis gar keine Abstände und Winkel der Schallquellen zueinander werden Voraussetzung. Damit landet man zwangsweise beim Linienstrahler; bzw., bei den Mitteltönern wäre in der Praxis auch noch horizontales Clustering möglich, was aber die horizontale Abstrahlung einschränkt.

Die Nahfelderweiterung findet laut Literatur (zB: Link) frequenzabhängig statt. Im Nahfeld beträgt der Pegelverlust 3 dB, im Fernfeld 6 dB SPL pro Entfernungsverdoppelung.
Deswegen ist es im Public Address wichtig, dass sich das gesamte Publikum entweder im Fernfeld oder Nahfeld befindet - ansonsten wären Frequenzgangänderungen über die zu beschallende Distanz die Folge. Aufgrund der eher geringen Länge dieses Builds ist hier ersteres das Ziel.
Für den wie gesagt ebenso angepeilten Heimbetrieb würde dann schlicht aktiv auf eine fixe Hörposition entzerrt werden; die Verteilung der restlichen in den Raum eingebrachten Energie ist dann bei mir nicht mehr so kritisch, da gut bedämpfte Hörumgebung.

Enge vertikale Abstrahlung wird prinzipbedingt durch die Linienquelle gewährleistet - (gleichmäßig verlaufend) breite horizontale Abstrahlung durch entsprechend kleine Schallquellen & Schallwand, plus passend gewählte Trennfrequenzen.
Diese Eigenschaften bedingen eine Positionierung des Lautsprechers auf oder geringfügig oberhalb Ohrhöhe, nicht oder nur leicht zum Hörer / Publikum angewinkelt.


Praxisüberprüfung:

Insb. die Koppelung der Schallquellen nach Distanz / Winkel dieser zueinander, als auch die Nahfelderweiterung bei Linienquellen nach Frequenz, soll untersucht werden. Zu diesen Fragestellungen finde ich in der einschlägigen Literatur zwar Angaben / Formeln, jedoch keine bis lediglich rudimentäre empirische Untersuchungen (Messreihen). Selbst wenn, ist die Übertragbarkeit von einem Testobjekt aufs nächste nicht immer 100% gegeben, bzw. finden sich Feinheiten, die der Autor, oder man selbst, nicht bedacht hat, also überprüfe ich so oder so nochmal für mich selbst.

Es wird also, wie üblich, ein Prototyp gebaut, gemessen, und gehört.

Skizze Testobjekt, fast entsprechend der finalen Mitteltonsektion, Frontansicht. Vier Stück 6" Chassis in Linienanordnung sind verbaut, in einer Schallwand, die kaum über die Korbmaße hinausgeht. Als Kreise eingezeichnet sind die Membrane, gemessen von Sickenmitte zu Sickenmitte (-> effektive schallabstrahlende Fläche). Der Durchmesser dieser ist 130mm, die Distanzen der Zentren zueinander je 164mm. Die Skizze ist exakt - 1 Pixel entspricht einem mm Realmaß:

[ATTACH=CONFIG]68915[/ATTACH]


Testaufbau #1, Skizze, Seitenansicht. Die Membranen sind wieder von Sickenmitte bis Sickenmitte eingezeichnet. Die roten Linien stellen die jeweiligen Positionierungen des Mikrofons dar. Die horizontale Positierierung ist realgetreu, die vertikale aus Darstellungsgründen nicht - es wird nämlich deutlich weiter weg, in ca. 1m Distanz, gemessen. Ums in Worte zu fassen, es wird einmal in der Mitte des Arrays, einmal zwischen den äußeren beiden Chassis, einmal ganz am oberen / unteren Ende des Gehäuses der Frequenzgang abgenommen:

[ATTACH=CONFIG]68916[/ATTACH]

Testaufbau #1, Lichtbild (Chassis aus den in Post #35 genannten Gründen "anonymisiert"):

[ATTACH=CONFIG]68917[/ATTACH]

Testaufbau #1, Ergebnis; schwarz Differenz von Position Mitte zu "leicht seitlich", rot Differenz Mitte zu "ganz seitlich":

[ATTACH=CONFIG]68918[/ATTACH]

Kommentar: einwandfreie Koppelung (Frequenzgänge unabhängig von Abnahmepunkt ident) bis ~500 Hz, entsprechend 1/4 Lambda Distanz der Membranmitten. Akzeptable Koppelung (leichter Abfall zu den Seiten) bis ~1 kHz, entsprechend 1/2 Lambda Distanz der Membranmitten.


Testaufbau #2: es wird eine Bodenmessung (GPM) in verschiedenen Distanzen vom Array, als auch einzelnen Chassis in separatem Gehäuse, auf Achse und leicht vertikal gewinkelt, durchgeführt, und verglichen. Messumgebung ist Outdoor, (rauer) Asphalt - Höhendämpfung ab ca. 5-10 kHz zu erwarten (siehe hier & hier).

Als Referenz zuerst das einzelne Chassis; schwarz Differenz 2m zu 8m (skaliert), rot 8m 0° vs. ~15°:

[ATTACH=CONFIG]68919[/ATTACH]

Interessanterweise wird der Lautsprecher im Mittelhochton auf Distanz ein Eck lauter. Insg. ist aber im beurteilbaren Frequenzbereich zwischen allen Messungen nicht riesig was um; insb. die Winkeländerung bewirkt bis 5 kHz, weit außerhalb des angepeilten Einsatzbereichs, quasi gar nichts.

Line Array; v.l.n.r. Differenz 1m zu 2m, 2m zu 4m, 2m zu 8m; auf Achse, skaliert:

[ATTACH=CONFIG]68920[/ATTACH] [ATTACH=CONFIG]68921[/ATTACH] [ATTACH=CONFIG]68922[/ATTACH]

Im geplanten Einsatzbereich, 200-2000 Hz, spielt das Mitteltonarray essentiell ab 1m im Fernfeld - kaum Unterschied von 1 auf 8m.

Differenz Single Chassis vs. Array, 8m. Vorweg, das Array hat pro Chassis etwas weniger Gehäusevolumen, was einen Teil des Unterschieds ausmacht. Siehe dazu als Anhaltspunkt eine WinISD Simu links - blau Single, rot Array; rechts die Messung (skaliert):

[ATTACH=CONFIG]68923[/ATTACH] [ATTACH=CONFIG]68924[/ATTACH]

Bis ~100 Hz tritt der erwartete Pegelverlust durch das kleinere Gehäusevolumen ein.
Von 100 bis 500 Hz zeigt sich ein Wirkungsgradgewinn des Arrays, der den auf die Volumensdifferenz zurückzuführenden klar übersteigt - gibt es in diesem Frequenzbereich, in welchem die einzelnen Schallquellen perfekt koppeln, doch eine leichte Nahfelderweiterung, d.h. Wirkungsgradgewinn auf Distanz ggüber der Punktschallquelle?
Ab 500 Hz verschwindet die Differenz im groben Schnitt wieder, der Verlauf wird jedoch wellig - was indiziert, dass die Chassis im Array hier wieder einzelne Punktschallquellen werden, die a) sich aufgrund der selbst auf diese Messdistanz noch vorhandenen leichten Laufzeitunterschieden nach Frequenz / Wellenlänge abwechselnd marginal addieren / auslöschen b) wie die einzelne Punktschallquelle keine Nahfelderweiterung aufweisen.
Ab ~7 kHz tritt starke Bündelung und Phasing ein.

Zu guter Letzt, Line Array 8m 0° vs. vertikal ~15°:

[ATTACH=CONFIG]68925[/ATTACH]

An der oberen Trennfrequenz fast schon kritisch "einschnürende" Abstrahlung. Vertikale 15° Winkel zur Hörposition wird das Array eh nie sehn - eher max. 5-10° - somit vollkommen akzeptabel.


Erste Hörtests lassen auf nähere Distanz ein gewisses Phasing, was ja auch messtechnisch so festzustellen war, erkennen. Angesichts dessen kann's sein, dass der Plan des Einsatzes auch als Home-HiFi-System verworfen wird, und ich mir stattdessen zusätzlich klassische Punktschallquellen bastle, welche bei ~100 Hz getrennt mit je zmd. einem der Subs gut harmonieren, und ich zusätzlich als Highest-End-Kleinbeschallung oder Monitoring verwenden kann. Chassisrecherche preliminär, die ich diesmal offen nenne, weil's a) eh noch in Schwebe steht b) es mir in dem Fall sch...egal ist, ob's mir wer nachahmt: Purifi PTT8.0X08-NAB-02, Mundorf AMT25CM1.1R.


Na dann. Wieder ein Eck klüger geworden. Aktuell warte ich, nachdem der alte seinen Geist aufgegeben hat, auf meinen neuen DSP, als auch einen der (hofftl.) finalen Hochtöner; dann kann auch mal halbwegs amtlich probegehört werden. Die ganzen Erkenntnisse gut und schön, aber die sind um so schöner wenn man ihre Anwendbarkeit in der Praxis erlebt - auf Deutsch, ich möchte mir mit der Kiste schön langsam mal high-fidel die Ohren wegblasen Big GrinBig GrinBig Grin
Aktuell leidet das Testsystem im Hochton noch unter entweder der im Threadverlauf zu sehenden Audax Kalotte, die ganz okay Pegel macht, dafür klanglich nix kann, oder alternativ einem inzwischen zum Spaß / Neugier angeschafften Dynavox AMT-2, welcher gut klingt, aber unübertrieben ca. 30 dB früher ins Limit geht als das Mitteltonarray Smile


Angehängte Dateien Thumbnail(s)
                       
                   

Zitieren

#47
Die letzte Zeit war dicht gespickt mit Aktivität und Erkenntnissen, und ein paar Feinheiten sind dabei im Bericht auf der Strecke geblieben. Holen wir diese kurz nach:


stoneeh schrieb:Differenz Single Chassis vs. Array, 8m. Vorweg, das Array hat pro Chassis etwas weniger Gehäusevolumen
...
Von 100 bis 500 Hz zeigt sich ein Wirkungsgradgewinn des Arrays, der den auf die Volumensdifferenz zurückzuführenden klar übersteigt - gibt es in diesem Frequenzbereich, in welchem die einzelnen Schallquellen perfekt koppeln, doch eine leichte Nahfelderweiterung, d.h. Wirkungsgradgewinn auf Distanz ggüber der Punktschallquelle?

Bafflestep (Einfluss der verschiedenen Schallwandgrößen) gab's genau genommen noch zu berücksichtigen. Macht zwischen zwei Lautsprechern dieser Größenordnung das Kraut nicht fett; <1 dB im Frequenzbereich in Frage. Die gemessene Differenz erklärt es also nicht; aber trotzdem eine Erwähnung wert:

[ATTACH=CONFIG]68960[/ATTACH] [ATTACH=CONFIG]68961[/ATTACH]


stoneeh schrieb:Konkret wurde also ... beim Mitteltöner eine elektrische Bedämpfung der Membranresonanzen, umschrieben in der entsprechenden Purifi Tech Note, jedoch in abgewandelter Form, als auch ein Vorwiderstand zum verringern des Einflusses der Schwingspulenerwärmung, umfangreich getestet (vermessen & gehört).

Anbei noch ein genauerer Klangeindruck: Die subjektive Verbesserung war weniger dass der Mitteltöner mit der Beschaltung beim gleichen Pegel weniger "spitz" klingt, was ich eher Klirr zuordnen würde (harmonische addieren sich zur fundamentalen -> Tonalität wird heller / höhenlastiger). Davon merkt man eigtl. generell, unabhängig von Pegel, bei dem Chassis wenig.

Vorteil ist eher, dass das Chassis bisher bei hohen Pegeln tendenziell "kratzig" wurde. Ich dachte offen gesagt schon an einen leichten Defekt aufgrund Volllastbetrieb in der Vergangenheit. Aber, dem nicht so.
Ein Beispiel - bei Creed - Who's got my back now?, 4:35, wurde das laute / geschriene "NOOOW" ziemlich kratzig / unklar / nervig. Das hat sich mit der Schaltung deutlich verbessert; allgemein wird das Chassis subjektiv, tonal, klanglich nun erst etliche dB später nervig / aufdringlich. Insb. für (anspruchsvollen) PA-Betrieb ist das natürlich ein großer Mehrwert.


Zu guter letzt standen neben den vorangegangenen qualitativen noch quantitative Messungen des Mitteltonarrays aus. Somit wurde vorgestern noch ein mal, das letzte mal für diesen Schritt des Projekts, "ausgerückt" - d.h. an meine Weingartenlocation am örtlichen Berg / Hügel gefahren, um diesmal echt 4pi, DUT & Mic auf Stativ, zu messen. 4pi (Vollraum) Daten sind für die Mitteltonsektion schlussendlich am wichtigsten / aussagekräftigsten, da das Top ja nicht auf dem Boden betrieben wird, sondern auf Höhe gebracht.

Anbei, weil's eh schon so viel war, nur die lauteste der bis jetzt durchgeführten Messungen. Gemessen auf 2m Höhe, 4m Distanz, zurück skaliert auf 1m. Inkl. passiver Beschaltung plus aktivem Bandpassfilter 200-2000 Hz, plus Entzerrung auf flachen Frequenzgang innerhalb dieses. Graph smoothed, zur Rausmittelung der Bodenreflexion:

[ATTACH=CONFIG]68962[/ATTACH]

Es floss für die Messung, Anregung mit Sinussweep, um 1 Kilowatt Verstärkerleistung, d.h. je 0,5kW an Vorwiderstand und Treiber - was schon Richtung elektrisch-thermische Belastbarkeit der Komponenten geht. Musiksignal weist jedoch im Mittelton eine vielfach niedrigere Energiedichte als ein Sinus auf - also in der Praxis, bei Musik, ist das noch etliche dB vor dem Limit.
Die Verzerrungswerte liegen hier auf jeden Fall noch im entspannten Bereich - anerkannt amtliche, teure, größere und schwerere Beschallungswaffen wie zB ein d&b V10P erreichen im Vergleich bei ~130 dB im Mittelton bereits um 10% THD (Test PP, Goertz).

Zielsetzung für die Mitteltonsektion, steht fest, wurde also mehr als erreicht. Es darf weitergehn.


Angehängte Dateien Thumbnail(s)
           
Zitieren

#48
Nette Schallkanone, 130dB in "glasklar" ist schon ne Ansage! :eek: Big Grin :ok:

Wollt ihr jeweils eine von den Kisten pro Seite betreiben, oder sind längere "Bananen" aus mehreren solcher Modulen geplant?

Und was ist eigentlich "obenrum" angedacht? 5 Stk. von den "üblichen" Line Array Waveguides mit Kompressionstreiber neben den TMTs??

Viele Grüße :prost:
Peter
"Science is about what is, Engineering is about what can be"
Neil Armstrong
Zitieren

#49
Ich war offen gesagt auch überrascht von den Werten, Peter. Ein Modul hat grad mal die Membranfläche eines 12" einzelnen Chassis. Aber gut, im Mittelton kommt's halt viel weniger auf Membranfläche / Verschiebevolumen an als die Wertigkeit des Antriebs.
Die Klirrmessung ist jetzt aber mal mehr ein Anhaltspunkt zum Stand der Dinge - d.h. ob das Ziel grob erreicht wurde, und es in der Entwicklung weitergehen darf, als eine finale Bewertung. Diese erfolgt dann zusätzlich via Multiton-Verzerrungsmessung, und natürlich am wichtigsten, Hörtest. Aber ja, man kann trotzdem definitiv bereits festhalten, dass sich die paar hundert Stunden, die rein in Konzept und Chassiswahl der Mitteltonsektion geflossen sind, schonmal gelohnt haben Smile

Ein Modul pro Seite reicht, vom Pegel her. 130 dB @ 1m sind 100 dB @ 30m. Als RMS-Wert (merke: die Klirrmessung erfolgte mit Anregung durch Sinus, entspricht also einem RMS-Mittel) ist selbst der 30m-Wert noch verdammt laut. Auf eine quadratische Fläche gerechnet, mit den üblichen im Schnitt bis 5 Personen pro m², kommt das auf eine mittlere vierstellige Personenanzahl. Unsere VAs gehen aber bis dato über mittlere dreistellige Personenanzahlen nicht hinaus, und werden es wohl auch in Zukunft nicht.
(Vertikale) Abstrahlung ist ein anderes Thema, aber auch eins das mit einem Modul pro Seite klappen sollte. Im Moment sehe ich den Mittelpunkt der Tops 50-100cm über Ohrhöhe vor, wahrscheinlich leicht nach unten gewinkelt; durchschnittlicher Winkel zum Publikum, Ohrhöhe, über die gesamte zu beschallende Distanz, im niedrigen einstelligen °-Bereich. Das sollte nur marginal Phasing und Höhenabfall produzieren - aber mal schaun.

Hochtonsektion wird bzw. werden was mit Folie Wink Stichworte zur Machbarkeit: Crestfaktor von Musik im Hochton, Energieverteilung nach zB EIA-426B.

Schönen Abend & WE.
Zitieren

#50
A project to be, a project is... weiter geht's Wink


Paar Gedanken noch zur Linienquelle und Abstrahlung; bei der Mitteltonsektion hab ich nach dem messen noch bisl herumsimuliert:

[ATTACH=CONFIG]69088[/ATTACH] [ATTACH=CONFIG]69089[/ATTACH] [ATTACH=CONFIG]69090[/ATTACH]

Deckt sich recht gut mit den Messungen bzw. meiner Interpretation dieser - bis ~1000 Hz sind die einzelnen Membranen essentiell Kugelstrahler, und koppeln dementsprechend, wenn direkt angrenzend in der Schallwand montiert, nahezu perfekt. Bei 2000 Hz ist bereits deutlich Bündelung / Keulenbildung zu erkennen, was erklärt warum in den Messungen a) Phasing innerhalb der Länge / Höhe des Arrays b) Auslöschung / Abfall zur Seite zu sehen ist.

Abstrahlung der Hochtonsektion wird eine hochkomplexe Aufgabe. Kommentar dazu spare ich mir für später; Lösungsansätze sind aber zmd. bereits im Kopf.


Ansonsten, wie kürzlich lamentiert war ich ohne DSP und mit einem zu leisen Hochtöner gestrandet. Beides hat sich inzwischen geändert.

DSP:

[ATTACH=CONFIG]69093[/ATTACH] [ATTACH=CONFIG]69094[/ATTACH]

Hochtöner:

[ATTACH=CONFIG]69091[/ATTACH]

Was soll man sagen - die Weirdness setzt sich fort. Der Tieftöner war zB ein absoluter Treffer ins schwarze ohne viel Recherche - ist mir so quasi in den Schoss gefallen und hat von Anfang an gepasst - feinzeichnend, straff, knackig, punchig, druckvoll, laut, nicht irre schwer und darüber hinaus noch preislich absolut i.O. Und den abgebildeten Hochtöner hatte ich im vorhinein anhand penibler Recherche, d.h. Studie / Vergleich einer zwei- bis dreistelligen Anzahl an Messungen Dritter (Klirr, Ausschwingverhalten, Frequenzgang, ...) als meinen Favoriten auserkoren, und was soll man sagen - der wird's nicht. Quantität vorhanden, aber auch nicht so souverän, wie ich es erhofft hatte, und qualitativ okay, aber keinesfalls was ich mir erwartet hätte.

Kein Drama aber. Ist ein Langzeitprojekt. (Material-)Alternativen gibt's zuhauf. Ich bin nach intensiver Recherche der letzten Zeit sowieso von der Fixierung auf Folie abgekommen. Die langen bieten als Faustregel guten Tiefgang und Verzerrungswerte, aber dafür katastrophales vertikales Verhalten bereits einzeln, geschweige denn im Array. Die kleineren AMTs sind da weniger kompliziert, als essentiell Punktschallquellen, bieten aber dafür weder ausreichend Tiefgang noch tolle Verzerrungswerte.


Unabhängig davon hab ich jetzt aber trotzdem mal halbwegs angemessen probehören können. Eindrücke: erstmal, Peter hat die Mitteltonsektion sehr treffend als "Schallkanone" bezeichnet. Ich hab nie mehr als -10 dB dieser gefordert, und bei dem Pegel ist das schon das akustische Äquivalent davon, was Zeugen von Atombombentests berichten, dass das Licht Fleisch und Knochen durchdringt - man wird quasi vom Schall "durchleuchtet". So blumig diese Beschreibung wirken mag, sie ist keine Übertreibung - so fühlt sich's an. Angesichts dessen weiß ich auch echt nicht ob ich mir die finale Version ins Zimmer stellen mag - wenn, dann nur an einstelligen Watt Verstärkerleistung.
Positiv sonst, dass mit mittig angebrachtem Hochtöner Phasing bei geringen Änderungen der Hörposition kaum mehr auszumachen ist. Evtl. für diesen Zweck noch ein bisl tiefer getrennt, sagen wir bei 1,5 statt 2 kHz, wär's in der Hinsicht absolut wohnraumtauglich.
Die Mitteltonsektion spielt zudem mit der Tieftonsektion wunderbar aus einem Guss.


Klirrmessung Gesamtsystem aktueller Stand; ein 15" Sub, ein 4x6" Array, und der neue (provisorische) AMT-Hochtöner; Trennfrequenzen 200 & 2000 Hz; Indoor, Stativ 1m, auf Achse; ~110 dB:

[ATTACH=CONFIG]69095[/ATTACH]


So weit mal.


Angehängte Dateien Thumbnail(s)
                       
   
Zitieren

#51
Der neue DSP ist, wie der Name schon sagt, FIR-fähig. Ich glaube man muss anhand des Threadverlaufs nicht explizit erwähnen, dass weder quantitativ noch qualitativ Potential liegen gelassen werden soll; dementsprechend wird auch die Möglichkeit einer phasenlinearen Trennung / Entzerrung mitgenommen.

Gute, praxisnahe Erörterungen der Thematik von Forenmitgliedern:
http://hannover-hardcore.de/infinity_cla...wegern.pdf
Phasenverzerrungen durch Frequenzweichen und wie man sie (nicht) behebt (diy-hifi-forum.eu)

Das t.racks FIR DSP 408 (welches übrigens Testsystem-exklusiv bleibt - im Produktbetrieb sind "Chinaböller" keine gute Idee) bietet laut BDA 4096 Taps - welche aber die gesamte Rechenleistung des DSP umfassen, mit welcher auch IIR Filter und sonstiges berechnet werden müssen. In der Praxis ist man daher auf 2048 Taps begrenzt. Gottseidank wird zmd., wenn die gleiche Filterfunktion auf mehrere Kanäle angewendet wird, keine zusätzliche Rechenleistung fällig.
Als Filter Designer habe ich RePhase verwendet.

Resultate von heute; beide Varianten grundsätzlich mit IIR (akustisch je LR24 beidseitig bei ~200 und 2000 Hz) getrennt, in schwarz zusätzlich mit Phasenentzerrung via FIR:

[ATTACH=CONFIG]69124[/ATTACH]

Mit den zur Verfügung stehenden 2048 Taps war also Phasenentzerrung bis in den oberen Bassbereich möglich. Ich hatte auch noch die untere Flanke probiert gehabt, aber da war mit dieser eingeschränkten Rechenleistung dann Ende im Gelände.

Höreindruck: im Schnitt entsprechend denen, die man online zur Thematik findet - ein marginaler Unterschied, wenn überhaupt hörbar. Ich bilde mir ein, dass die Musik nun etwas schlüssiger, ehrlicher, "selbstverständlicher" wirkt - aber im Blindtest könnte ich das auch an meinem besten Tag nicht heraushören. Wie dem auch sei, viele für sich alleine wenig relevante Kleinigkeiten addieren sich auf ein großes ganzes.

Gedanken zur Latenz: die FIR-Berechnung, als auch die dadurch erreichte Phasenverschiebung, geht zu Kosten der Latenz des Gesamtsystems. Ich hatte bei der gezeigten Entzerrung ein plus von um die 10 ms ermittelt. Bei Musikwiedergabe von Datenträger ist Latenz natürlich egal, bei Film / Kino und Livemusik, d.h. Bands oder DJs, kann es mitunter ein Problem werden. Die meiste Latenz fällt für die Entzerrung im Bassbereich an, d.h. in kritischen Anwendungen würde man tendenziell nur den Mittelhochton phasenentzerren.


Angehängte Dateien Thumbnail(s)
   
Zitieren

#52
Hallo Marcus,

schön und danke, dass du uns deine Entwicklung hier vorstellst.
Eine Anmerkung zur FIR- Latenz:
Zitat:Gedanken zur Latenz: die FIR-Berechnung, als auch die dadurch erreichte Phasenverschiebung, geht zu Kosten der Latenz des Gesamtsystems. Ich hatte bei der gezeigten Entzerrung ein plus von um die 10 ms ermittelt. Bei Musikwiedergabe von Datenträger ist Latenz natürlich egal, bei Film / Kino und Livemusik, d.h. Bands oder DJs, kann es mitunter ein Problem werden. Die meiste Latenz fällt für die Entzerrung im Bassbereich an, d.h. in kritischen Anwendungen würde man tendenziell nur den Mittelhochton phasenentzerren.
Bei TV/Film stellt das meist auch kein Problem dar, wenn man eine Vorstufe bzw. AVR benutzt, die Bild und Ton einstellbar verzögern kann. Vielleicht können das auch manche TVs (einstellbar). Denn die Bildverbesserer, die heutzutage in den Geräten werkeln, verursachen eine nicht unerhebliche Bild-Latenz, die sowieso ausgeglichen werden muss. Die Frage ist nur, ob eine Lipsync Einstellung verfügbar ist.

VG
Michael
Zitieren

#53
Das man bei AVRs den Ton verzögern kann, war mir bekannt, aber geht das tatsächlich auch mit dem Bild? Ich bin ein bisschen raus aus der aktuellen AVR-Materie, darum weiß ich es wirklich nicht. Bei meinem jetzigen AVR (Yamaha RX-V665) geht das jedenfalls nicht, allerdings kam der auch 2009 auf den Markt.

Meines Wissens nach kann auch Lipsync lediglich den Ton verzögern, um wie gesagt die Bildlatenz eines Fernsehers mit zugeschalteten DSP-Bildverbesserern auszugleichen. Ok, dann nimmt man statt Lipsync eben FIR.....Big Grin

Viele Grüße,
Michael
Zitieren

#54
Hi,

wie oben geschrieben verzögern die TVs das Bild von alleine. Siehe z.B:
[ATTACH=CONFIG]69174[/ATTACH]
aus:
https://www.cnet.com/tech/home-entertain...gaming-tv/


Angehängte Dateien Thumbnail(s)
   
Zitieren

#55
Ja, dass die Latenz bei einem TV je nachdem recht hoch sein kann, ist mir auch klar.
Micha_HK schrieb:Bei TV/Film stellt das meist auch kein Problem dar, wenn man eine Vorstufe bzw. AVR benutzt, die Bild und Ton einstellbar verzögern kann.
Die Frage war, ob es tatsächlich Vorstufen bzw. AVRs gibt, die auch das Bild verzögern können. Könnte ja auch mal sein, dass man FIR je nach vorhandener Rechenleistung auch noch bei deutlich tieferen Frequenzen verwenden möchte und dann die Latenz eines TVs vielleicht nicht mehr reicht, erst recht, wenn man die diversen Bildverbesserer mglw. gar nicht nutzen will. Da wäre so ein Bildverzögerer ja sehr hilfreich. Gibt es sowas also tatsächlich?

Viele Grüße,
Michael
Zitieren

#56
Hi,

für ne Bildverzögerung brauchst du viel Speicher, also eine PC-Lösung in der Art von http://videoprocessor.org (zusammen mit nem passenden Videorenderer).

Ist in Marcus' Thread aber total OT…
Zitieren

#57
Micha_HK schrieb:Ist in Marcus' Thread aber total OT…
Nicht ganz, weil im Zusammenhang mit dem hier verwendeten FIR Bildverzögerung ja zu einem Feature werden kann. Smile

Aber meine Frage ist ja beantwortet: Vorverstärker oder AVRs mit Bildverzögerung gibt es denn also eben wohl doch (noch? Rolleyes) nicht.

Viele Grüße,
Michael
Zitieren

#58
Also ich find's grad viel schlimmer dass man mich mit c statt k schreibt Rolleyes

Ernsthaft aber, hallo und thx für den Tipp Micha! Kino ist derweil eher ein Randgedanke bei dem System, aber ja, ist nicht auszuschließen dass es sowohl bei mir zuhause als auch öffentlich mal Filme abspielen wird. Ich hab jetzt gegooglet - der von mir dafür bevorzugte VLC Player kann positives als auch negatives Audio Delay - also mit genug Taps könnte man prinzipiell sogar das System komplett phasenentzerren, d.h. vom Infraschall an 0° Phase und konstanter Gruppenlaufzeit, mit gewährleisteter Synchronisation zwischen Ton und Bild.

Pre-Ringing ist ein weiterer Aspekt der Sache, welcher meiner Recherche bis jetzt nach hauptsächlich bei "extremen" Einsatz von FIR, d.h. zB sehr steilflankingen Filtern und PEQs hoher Güte, zum (hörbaren) Problem wird. Aber da bin ich erst am Anfang, und die Thematik wird im Laufe der Zeit sicher noch klarer werden, und wohl dann mit den gewonnenen Erkenntnissen die Trennung und Entzerrung optimiert. Ressourcen gibt's auf jeden Fall zuhauf; selbst in diesem Forum, seh ich grad, scheint das Thema schon x-mal abgehandelt worden zu sein.
Zitieren

#59
Oh, sorry Markus, hatte mir irgendwie eingebildet du würdest mit c geschrieben. Sad
:prost:
Zitieren

#60
Kein Thema, bin's gewohnt Smile
Zitieren



Gehe zu:


Benutzer, die gerade dieses Thema anschauen:
5 Gast/Gäste

Deutsche Übersetzung: MyBB.de, Powered by MyBB, © 2002-2026 Melroy van den Berg.