Themabewertung:
  • 1 Bewertung(en) - 5 im Durchschnitt
  • 1
  • 2
  • 3
  • 4
  • 5
A project to be ..
#21
Wos? Direktschall, Diffusschall, Energiefrequenzgang? Was denn das? ConfusedRolleyes

Wer meint mir die Basics beibringen zu müssen, danke. Nach 25 Jahren bewusstem hören kann man mit bisl rummarschieren vorm Lautsprecher (auf hochdeutsch: wechselnde Hörpositionen, wechselnder Abstand, wechselnde Winkel), was bei mir ganz selbstverständlich und nebenbei passiert, so ganz leicht einschätzen was vom Raum kommt, was vom Lautsprecher, und ob ein Hörtest überhaupt Sinn macht. War hier der Fall - sonst hätt ich ihn weder durchgeführt, noch darüber berichtet.

Aber, ja, natürlich, war nur ein erstes preliminäres probehören, anhand dessen noch keine Entscheidungen gefällt werden. Korrekt, wie von mir bereits gesagt: Outdoor wird's erst wirklich aussagekräftig.
Zitieren

#22
Gestern war ein produktiver Tag.

Vormittags wurde eine Schallwand für den Hochtöner gebastelt. Als Breite wurde die des Mitteltongehäuses gewählt, dass es keine scharfen Übergänge / Kanten gibt an denen Reflektionen / unerwünschte Diffraktionseffekte entstehen können. Aus dem gleichen Grund wurde die Schallwand auf jeder Seite ebenfalls leicht abgerundet.

Nachmittags wurde das Testsystem spontan auf eins meiner land-/forstwirtschaftlichen Grundstücke (am Waldrand) befördert. Neben dem probehören stand wieder etwas Grundlagenforschung an. Und ich hatte auch länger mal geplant einen derartigen Soundcheck etwas hochwertiger, nicht nur per Handy oder handgehaltener Kamera, zu filmen.


Mitschnitt des Soundchecks mit diversen Soundsamples - Umgebung, Aufbau, etc. sind denke ich gut genug zu erkennen. Aufgenommen mit Rode Videomic; SPL 90-95 dB (unbewertet, kurzfristiges Mittel) @ 5m:

[video=youtube;ueQ63Msv1B0]https://www.youtube.com/watch?v=ueQ63Msv1B0[/video]


Erkenntnisse: nichts neues - die selben Qualitäten meines derzeitigen Favoriten unter den Mitteltönern (offen, klar, neutral), als auch den Hochtöners (näselnd, ..) stachen durch. Outdoor klingt's halt stets ein Eck sauberer, plastischer; die grundsätzlichen klanglichen Eigenheiten der jeweiligen Lautsprecher blieben eigtl. ident.

Diesmal wurde ebenfalls ein zweites Paar Ohren genutzt. D.h. es wurde zu zweit gehört. Meinem guten Bekannten hatte ich bisher nur grob etwas vom System erzählt, und absolut nichts von meinem Eindruck davon. Mit Absicht - ich habe Dritte beim probehören gerne so wenig informiert wie möglich, sodass sie ungefiltert und unbeeinflusst ihre Eindrücke mitteilen können. Manchmal lernt man da doch noch was neues, bzw. bemerken andere etwas das einem selbst nicht gleich aufgefallen war.
Resultat: er hat, analog zu meinem Eindruck, recht bald erwähnt dass er den Mitteltöner sehr klar und neutral spielend findet. Und während er keine starke Kritik an irgendeinem Teil des Systems hatte, befand er doch klar den Hochtöner als die Schwachstelle.


Klirr Gesamtsystem mit 6ND430 Outdoor @ ~90, 95 dB, 5m Messabstand, Mikro ca. auf Höhe Hochtöner (500 Hz Auslöschung mit Bodenreflexion):

[ATTACH=CONFIG]63772[/ATTACH]


Unter den ersten drei Mitteltönern gibt's nun also bereits einen klaren Favorit. Ein guter Zeitpunkt, denn heute ist der vierte eingetroffen:

[ATTACH=CONFIG]63773[/ATTACH]


Schönen Abend allerseits. Bis bald.


Angehängte Dateien Thumbnail(s)
       
Zitieren

#23
Update:

Die Tage wurde der fünfte Mitteltöner getestet. Zwei wurden bereits wieder veräussert, und zwei weitere sind aktuell ebenso wieder herzugeben.
Während ich aktuell einen Favoriten habe, ist das Gefühl "der ist es" noch nicht eingetreten. Von meiner finalen Wahl erwarte / erhoffe ich mir noch ein Eck mehr verzerrungsfreien (eigtl. -armen) Pegel.
Im PA, trotz dass ich dort das Ende der Fahnenstange bereits hier hatte oder habe, gab's das nicht - die klingen mir alle bereits ab ~50w, ca. 110 dB / 1m / 4pi, THD im Bereich <2%, zu unsauber.

Das ursprüngliche Testgehäuse wurde, da sich trotz starker Bedämpfung Gehäuseresonanzen nicht ganz eliminieren liessen, was wohl der Würfelform geschuldet war, verworfen. Es wurde ein neues gebaut, bei dem sich keine Seitenlängen decken - Breite 16, Höhe 19, Tiefe 22 cm. Das ergibt nun ein etwas größer als angedachtes Volumen, was aber das geringste Übel ist; in jedem Fall wird so verhindert dass sich stehende Wellen überlagern und zu einer "Super-Mode" führen. (Beim finalen Gehäuse wird im übrigen eine Trapezform o.ä. zur Brechung der stehenden Wellen zum Zuge kommen.)

Das Testgehäuse hat zwei Kammern, für je einen Mitteltöner. Aktuell verfüge ich über vier DSP-, wie auch vier Amp-Kanäle. Kanal A wird nun für den Subwoofer, B für einen Mitteltöner, C für einen Mitteltöner, und D für den Hochtöner, verwendet. Jeder Mitteltöner hat sein eigenes Setup am DSP, d.h. ist für sich eingemessen / eingepegelt. Mittels dem muten eines und gleichzeitigem unmuten je eines Kanals kann nun am DSP A-B zwischen zwei Mitteltönern umgeschaltet werden.

Im A-B Vergleich konnten keine stark unterschiedlichen Erkenntnisse als zuvor gewonnen werden - die bisher verwendete Methode "Vergleich mit zuvor im Kopf abgespeicherten Höreindrücken" funktioniert ebenso sehr gut. Ich werde aber sagen, das raushören von feinsten Nuancen für jedes Musikstück ermöglicht der A-B Vergleich deutlicher und einfacher.


Pics neues Testgehäuse - 1. erste Lage Dämmwolle 2. Chassis rein 3. zweite Lage Dämmwolle 4. Dackel drauf:

[ATTACH=CONFIG]64327[/ATTACH] [ATTACH=CONFIG]64328[/ATTACH] [ATTACH=CONFIG]64329[/ATTACH] [ATTACH=CONFIG]64330[/ATTACH]


Kann sein dass jetzt lange kein Update mehr kommt. Oder gar keins mehr. Als nächstes kommen mir irgendwann in absehbarer Zeit die Top-HiFi-6(,5)-Zöller ins Haus. Kann sein dass auch die meine Erwartungen nicht erfüllen - dann fällt die Sache sowieso flach. Oder wenn ich mir einen geeigneten finde, wird's ab dort wahrscheinlich richtig teuer - und wie gesagt, reines Luxusprojekt - dauert dann wohl ne Weile dass ich mir das (im Vollausbau) gönne.


Angehängte Dateien Thumbnail(s)
               
Zitieren

#24
stoneeh schrieb:Nach einsehen von Messdaten Dritter einer dreistelligen Anzahl an Chassis haben sich acht Kandidaten von 5 bis 6,5" Durchmesser herauskristallisiert.

stoneeh schrieb:Während ich aktuell einen Favoriten habe, ist das Gefühl "der ist es" noch nicht eingetreten. Von meiner finalen Wahl erwarte / erhoffe ich mir noch ein Eck mehr verzerrungsfreien (eigtl. -armen) Pegel.
Im PA, trotz dass ich dort das Ende der Fahnenstange bereits hier hatte oder habe, gab's das nicht - die klingen mir alle bereits ab ~50w, ca. 110 dB / 1m / 4pi, THD im Bereich <2%, zu unsauber.

Kann sein dass jetzt lange kein Update mehr kommt. Oder gar keins mehr. Als nächstes kommen mir irgendwann in absehbarer Zeit die Top-HiFi-6(,5)-Zöller ins Haus. Kann sein dass auch die meine Erwartungen nicht erfüllen - dann fällt die Sache sowieso flach.

Wahrscheinlich wirst Du bei Deinen Ansprüchen nicht wesentlich weiter kommen, wenn Du die beiden Anforderungsparameter Fläche und Verschiebevolumen nicht nach oben korrigierst.
Eine Grenzfrequenz zum HT hast Du nicht erwähnt (oder ich habe sie überlesen), aber auch mit größeren Membrandurchmessern kommst Du doch noch in gesunde Trennfrequenz-Bereiche, die auch für viele "normale" Hochtöner noch gut darstellbar sind.

6.5" >>> 2.672Hz
8" >>> 2.105Hz
10" >>> 1.658Hz
Zitieren

#25
Hallo stonhee, danke für die Messungen.

Es ist allerdings nur mühsam nachvollziehbar, welche Treiber du eigentlich getestet hast (6ND430, 6NTLW2000, WAN061.80, auf einem Bild sind noch ein Peerleess und ein Blechkorb-Treiber?) und zumindest für mich leider nicht erkennbar welcher denn nun warum am besten abgeschnitten hat. Magst du die verglichenen Treiber und dein letztendliches "Ranking" nochmal aufzeigen? Smile Ausserdem wäre ich neugierig welche "Top-Hifi-Treiber" du noch im Auge hast, die bisherigen sind ja schon recht exklusiv, da wird es schwierig was besseres zu finden.... Rolleyes Danke! :prost:

Viele Grüße
Peter
"Science is about what is, Engineering is about what can be"
Neil Armstrong
Zitieren

#26
stoneeh schrieb:Klirr Gesamtsystem mit 6ND430 Outdoor @ ~90, 95 dB, 5m Messabstand, Mikro ca. auf Höhe Hochtöner (500 Hz Auslöschung mit Bodenreflexion):

[ATTACH=CONFIG]63772[/ATTACH]
Das sieht doch schon mal sehr gut aus, finde ich. Bezogen auf 1m Messabstand entspricht das dann ja 104, 109 dB. Dass er dabei weitgehend noch unter 1% bleibt legt nahe, dass der Treiber auch noch für deutlich höhere Pegel gut sein müsste (was er nach Datenblatt und Belastbarkeitsangaben ja auch sein soll - aber Papier ist ja bekanntlich geduldig).

Positiv fällt auf, dass der Klirr auch unter 100 Hz nur moderat ansteigt. Scheint wirklich ein sehr potenter TMT zu sein.

Wenn sich die Pegelfestigkeit bestätigt könnte es u.U. schwierig werden, eine ausreichend potente Kalotte dazu zu finden. Eine lt. Datenblatt potente - und im Gegensatz zur Bliesma noch bezahlbare - Kalotte, die ich gerne mal gehört hätte, wäre noch die Ciare PT 383 (Test in der HH 3/2010). Kennst Du die?

Noch eine Frage zur Freiluftmessung: woher kriegst Du da den Strom?

stoneeh schrieb:Unter den ersten drei Mitteltönern gibt's nun also bereits einen klaren Favorit. Ein guter Zeitpunkt, denn heute ist der vierte eingetroffen:

[ATTACH=CONFIG]63773[/ATTACH]
stoneeh schrieb:Die Tage wurde der fünfte Mitteltöner getestet.
Da fehlten mir jetzt zuerst mal die Messwerte des 4. Kandidaten. Wie hat sich der LaVoce geschlagen?

Und wer oder was ist oder war der 5. Kandidat?

stoneeh schrieb:die klingen mir alle bereits ab ~50w, ca. 110 dB / 1m / 4pi, THD im Bereich <2%, zu unsauber.
Was für einen Amp verwendest Du, hast Du dessen Klirr mal gemessen? Günstigere Class D Endstufen sind da keineswegs generell über alle Zweifel erhaben.

Interessieren würde mich auch noch wie Du die 4pi Messung gemacht hast. We hoch über dem Boden hast Du gemessen? Womit kriegst Du die schwere Box so hoch in die Luft, dass man wirklich von einer 4pi Messung sprechen kann?

stoneeh schrieb:Als nächstes kommen mir irgendwann in absehbarer Zeit die Top-HiFi-6(,5)-Zöller ins Haus.
Das wird spannend. Vor allem bei Pegeln wie Du sie anpeilst.
Grüße,
Wolfgang
Meine Website: www.wolfgangsphotos.de

leave nothing but footprints, take nothing but memories
Zitieren

#27
Hallo allerseits. Ich wollte hier schon länger wieder mal hochholen. Zu berichten gibt es genug. Und, da ich die letzten zwei Tage 18 Seiten ARTA Ringversuch-Auswertung runtergetippt habe, sind ein paar Zeilen hier auch noch drin Smile


Setzen wir zuerst fort, wo der glorreiche Einstieg in diesen Thread / dieses Vorhaben stattfand - Post #1, Resteverwertung Wink
Unter meinem Hochregal war zuletzt alles komplett vollgeräumt:

[ATTACH=CONFIG]67854[/ATTACH]

Die links stehenden zwei Infinity SM 125, "aktiviert" via Img AKB-115 (das letzte Klasse AB Aktivmodul am Markt), dienten uns lange Jahre treu zur Beschallung von Privatfeiern; sie werden spätestens mit dem neuen System obsolet.
Rechts davon ist das Dreiwege-Prototypen-Testsystem für den Mitteltöner-Vergleich zu sehen. Letzterer ist abgeschlossen (mehr dazu gleich), und somit ist zmd. der sperrige Subwoofer nicht mehr benötigt.
Sowohl SM 125 und Subwoofer wurden also zerlegt / ausgeschlachtet.

Die Leergehäuse der SM 125 - bald werden die Schallwände entfernt, Laden reingemacht, und sie für die Holzwerkstatt am Dachboden als Regale für diverses Kleinzeugs umfunktioniert:

[ATTACH=CONFIG]67855[/ATTACH]

Die Seitenwände des Testsystem-Subwoofers dienen seit heute bereits als Laden eines Regals, welches nun einen Teil des freigewordenen Platzes im Lagerraum einnimmt:

[ATTACH=CONFIG]67856[/ATTACH] [ATTACH=CONFIG]67857[/ATTACH]

Vor dem Regal hat dann ein Stück der finalen Tieftonsektion Platz, welches sowohl deutlich kleiner, als auch lauter, als der mit 15LB075 bestückte Testsystem-Subwoofer wird.


Zurück zum Mitteltöner-Vergleich: insgesamt wurden ~10 Stück verglichen. Ein Kandidat, der Purifi M, wäre planmäßig noch dran gewesen - ich habe aber schlussendlich realisiert, dass dieser, wenn auch mechanisch extrem wertig, nicht den nötigen Wirkungsgrad für dieses Projekt mitbringt.

Messdaten einiger neuer Pro Audio Chassis, wie La Voce MAN061.80, 18Sound 6NTLW2000, Ciare NDI6.50W, werde ich in absehbarer Zeit auf meinem Youtube Kanal online stellen.

Anbei noch die in STEPS, wie für mich üblich GPM, Freifeld, Fernfeld durchgeführte Max. SPL @ 3% THD Messung in schwarz meines aktuellen Favoriten, demonstrativ vs. in türkis einem unter den selben Bedingungen von mir vermessenen kommerziellen 10" (RCF Art 910-A), und in blau einem 12" (HK Linear 5 112X) PA Top:

[ATTACH=CONFIG]67858[/ATTACH]

Man erkennt denke ich, wo die Reise hingeht.


Nächstes Update dann wohl zur finalen Tieftonsektion.


Angehängte Dateien Thumbnail(s)
                   
Zitieren

#28
Es bleibt spannend! Big Grin:prost:
am Ziel
Zitieren

#29
Wurstfinger? Nein. Wurstsicke? Ja!

[ATTACH=CONFIG]67982[/ATTACH]


kboe schrieb:Es bleibt spannend! Big Grin:prost:

Yeah Cool


Angehängte Dateien Thumbnail(s)
   
Zitieren

#30
Nachtrag zum Post zuvor - Situation unterm Hochregal:

[ATTACH=CONFIG]68014[/ATTACH]

Schon wieder alles voll Big Grin

Sehr positive Gegebenheit - beim neuen Regal hinten im Eck war die Breite durch die wie gesagt wiederverwendeten Wände des Testsystem-Subs mit 15LB075 (s. Post #1) vorgeben. Die meisten dieser Platten waren zmd. in einem Maß 47 cm lang. Tja - das entspricht quasi einem 19" Rack. Somit stehen im Regal jetzt ein paar Amps und DSPs und passen fast perfekt rein. Man sieht sie am Bild gerade hinten leuchten. Das passierte komplett ungeplant - aber manchmal hat man einfach Glück Smile


Nun zur Tieftonsektion. Diese (bzw. das erste Stück) steht als Prototyp im obigen Bild im Vordergrund. Ist zwar schon wieder zerlegt, und ich habe heute bereits für Griffe und Terminal gefräst, etc. - aber bevor ich das finale Gehäuse angeh wird trotzdem stets einmal ein Prototyp gebaut, gemessen und gehört. Manche mögen in der Machtphantasie leben, dass man diesen Schritt der Entwicklung überspringen könne - ich nicht. In diesem Fall aber Entwarnung - alles wie anhand Simu erwartet / erhofft - Höreindruck als auch Messwerte sehr überzeugend.

Eckdaten:
15" Langhub Chassis (nach üblicher (Hg - Hvc)/2 + Hvc/4) Rechnung exakt 3cm / 30mm Xmax).
Gehäuse = CB, qtc 0,75.
Innen fast perfekt Würfelform mit 40cm Kantenlänge, d.h. Gehäusereso 1 Oktave oberhalb maximalen oberen Ende des angepeilten Übertragungsbereichs.
Fsc bei knapp über 40 Hz - perfekt, denn so liegt im Energieschwerpunkt von Musik (~50, 60 Hz) die Impedanz noch immer hoch, d.h. fließt bei vorgegebener Verstärkerspannung (für Vollauslenkung ein hoher zweistelliger bis niedriger dreistelliger Vrms-Wert) kein exorbitant hoher Strom, und wird die nicht gerade überdimensionierte (3") VC geschont -> Vorteile bei Output, Kompression, Haltbarkeit.

Vorläufige (Indoor, Nahfeld inkl. Bafflestep-Korrektur) Messwerte, gefiltert mit leichtem Lowshelv und Tiefpass LR24 @ 200 Hz:

[ATTACH=CONFIG]68015[/ATTACH] [ATTACH=CONFIG]68016[/ATTACH]


Weitere Vorbereitungsarbeit anhand des Prototypen:

[ATTACH=CONFIG]68017[/ATTACH]

Wie zu Beginn des Threads angemerkt soll das System u.a. zur Beschallung dienen, d.h. transportabel sein. Damit das im Falle des Falles auch für einen Mann alleine möglich ist, ist dafür eine kompakte Gehäuseform wichtig - aber insb. auch die richtige Anbringung der Tragegriffe. Insb. der Schwerpunkt soll perfekt passen. Um diesen zu eruieren habe ich einfach das Gehäuse auf ein dünnes Stäbchen gestellt - dort, wo sich das Gehäuse von selbst in Balance hält, ist der Mittelpunkt für die richtige Position der Griffe.


Angehängte Dateien Thumbnail(s)
               
Zitieren

#31
[ATTACH=CONFIG]68026[/ATTACH]

Gehäusematerial für die Tieftonsektion ist 15mm Kiefer-MPX. Gewählt aufgrund Gewicht. Ad Verstrebung: nachdem ich über die Jahre etliche male deutlich größere Lautsprecher als diesen als unverstrebter Faserplattenprototyp zu stark verstrebtem Fertiggehäuse vergleich-gehört und -gemessen habe, hat sich meine Erwartungshaltung (die gleiche die wahrscheinlich jeder vor dem direktem Vergleich hat) effektiv aufgelöst, und ich gelernt in dem Punkt nicht zu viel Aufwand zu betreiben. Trotz dessen kam die übliche "obligatorische" doppelte Kreuzstrebe aus 22mm Quadratleiste, mit zusätzlicher Abstützung zur Rückwand, rein - die paar hundert g Holz tun beim Gesamtgewicht nun auch nicht mehr weh.

100% geschraubt, 0% geleimt.

Lack wurde das übliche - Warnex. Wer seine Beschallungsmöbel jedes WE dem Kunden in die Hand gibt sollte was anderes wählen - für meinen eigenen Gebrauch, mit angepeiltem sporadischen Verleih, jedoch ein ausreichender Schutz. Der Vorteil ist halt dass es super easy zu verarbeiten ist. Ich habe 2mal mit Schaffellrolle aufgetragen; dabei ging ca. 2/3 einer 1kg Dose auf.

Griffe und Terminals wurden versenkt, und mit doppelseitig klebendem Band abgedichtet (natürlich auch geschraubt). Damit das Gehäuse 100% dicht wird, muss zusätzlich, wenn nicht gerade zu einem weiteren Lautsprecher durchgeschleift wird, ein Leerstecker in die zweite Speakon-Buchse am Terminal - diese sind nämlich NICHT dicht.

Als letzter, noch folgender Schritt wird die Front durch Gitter & Schaumstoff geschützt.


Gemessener Impedanzverlauf im Gehäuse:

[ATTACH=CONFIG]68027[/ATTACH]


Heute Nachmittag hatte ich Gelegenheit, mit nochmal optimierter Entzerrung (f0 35 Hz, f3 30 Hz) einen Kanal einer TA 2400 MK-X an dem Sub (fast) auszufahren. D.h. an die 80 Vrms; entsprechend ca. -3 dB des Subs. Das Resultat hat mich, trotz dass ich ja das schlimmste des schlimmsten im PA gewöhnt bin (zB mal 20x18" Bandpasshorn auf eigener VA für 100m² Floor stehen gehabt Big Grin), nicht kalt gelassen. Bin schon sehr auf die Werte der Max. SPL @ THD Messung gespannt.


Angehängte Dateien Thumbnail(s)
       
Zitieren

#32
Ich lese hier auch fleißig mit Wink Bitte weiter so Big Grin
Grüße
Simon
Zitieren

#33
Am WE wurde das noch halbwegs annehmbare Wetter für eine Outdoor-Mess- und Hörsession genutzt. Wie immer, die Praxis lehrt. Der Sub wird nun nochmal umgebaut / verbessert. Meine Eindrücke schreibe ich trotzdem gerne nieder während sie frisch sind - also hier mal zum Resultat bis jetzt.

Vorweg ein paar Worte zum drumherum. Weil gefragt wurde, der Saft kommt von einem 3/6 kW Dauer-/Spitzenleistung 12->230V Vollsinus-Spannungswandler, gefüttert mit aktuell 150Ah Batteriekapazität, plus bei Bedarf 120A Lichtmaschine. Warum nachts - da üblicherweise weniger Umgebungsgeräusche & Wind. Beleuchtet wird mit einem 2x50w Front und 1x20w Rear LED-Strahler 4,5m Lichtstativ, unterstützt von Nitecore HU-60 Stirnlampe. Zur Location: wieso sieht man mich manchmal im Wald aufbauen, manchmal auf ländlicher Straße? Grundsätzlich bin ich lieber auf meinen eigenen Waldgrundstücken, da weitaus geringere Chance, gestört zu werden; auf die Straße muss ich nur, wenn ich eine glatte Oberfläche für Mittelhochtonmessungen benötige (-> Background).

[ATTACH=CONFIG]68066[/ATTACH] [ATTACH=CONFIG]68067[/ATTACH]


V.l.n.r. Frequenzgang / Wirkungsgrad GPM 2m (entsprechend 1m 4pi) 2,83V türkis ungefiltert, schwarz entzerrt; Ausschwingverhalten; Klirr ungefiltert @ ~110 dB; Gruppenlaufzeit türkis ohne, schwarz mit Entzerrung:

[ATTACH=CONFIG]68068[/ATTACH] [ATTACH=CONFIG]68069[/ATTACH] [ATTACH=CONFIG]68070[/ATTACH] [ATTACH=CONFIG]68071[/ATTACH]

Wirkungsgrad niedrig. Response & Tiefgang bereits unentzerrt brauchbar; mit Entzerrung dann auch für anspruchsvolleres. GLZ sehr niedrig, steigt mit Entzerrung - Optimierungspotential vorhanden. Gehäusereso wie berechnet bei ~400 Hz, mit nur leichtem nachschwingen - weder Dämmwolle noch Notch-Filter benötigt. K2-dominant im Frequenzkeller, im oberen Bassbereich erhöhter K3.


Mitschnitt Max. SPL @ 10% THD Messung (Achtung laut!):

[video=youtube;p9iD32H0too]https://www.youtube.com/watch?v=p9iD32H0too[/video]

Ergebnis schwarz, vs. zum Vergleich in türkis Eighteensound 18NTLW5000 in CB; Amping FP10000Q (105 Vrms):

[ATTACH=CONFIG]68072[/ATTACH]

Merke: das Ergebnis spiegelt lediglich das Verhalten der Lautsprecher bei dieser Messmethode wieder. Die Max. SPL @ THD Messung berücksichtigt nur stur den Gesamtklirr. Eine CEA2010 Max. SPL Messung zB beurteilt im Kontrast dazu jede Klirrkomponente individuell nach Hörbarkeit (s. Zwicker, Keele, Fielder, Benjamin) - dort würden die Resultate des K2-dominanten 15Zöllers vs. des hauptsächlich K3-dominanten Eighteensound anders aussehen.


Soweit derweil mal.


Angehängte Dateien Thumbnail(s)
                       
   
Zitieren

#34
stoneeh schrieb:Wurstfinger? Nein. Wurstsicke? Ja! Cool
Verrätst Du uns jetzt auch noch welches Chassis das ist?
Grüße,
Wolfgang
Meine Website: www.wolfgangsphotos.de

leave nothing but footprints, take nothing but memories
Zitieren

#35
In einer idealen Gesellschaft würde ich das. Da mir jedoch lediglich in den letzten 12 Monaten sowohl ein DIY Vorhaben, als auch ein Grundlagenartikel geklaut (also ziemlich 1:1 kopiert und als eigene Leistung veröffentlicht) wurde, und ich die letzten 1, 2 Monate mit zwei bekannten Beschallern / Veranstaltungsdienstleistern über das Projekt fachgesimpelt hatte, und die Reaktion dieser sehr schnell ein "hey das gefällt mir, das bau ich auch!" war, ist schmerzhaft klar geworden dass ich nichts veröffentlichen kann, was direkt den Nachbau des Systems erlaubt - sonst steht wahrscheinlich mind. 1 Kopie bereits im Vollausbau woanders, während ich selbst noch mitten am basteln bin. Ich weiß nicht was mit den Leuten falsch ist, aber viele scheinen in erster Linie nach "was kann ich ohne / mit den geringsten Konsequenzen bei anderen klauen / kopieren / nutznießen" zu funktionieren.


Wie dem auch sei, was nicht kritisch ist wird geteilt. So zB bin ich nun dieser Tage endlich zu folgendem lang angekündigten gekommen:

stoneeh schrieb:Messdaten einiger neuer Pro Audio Chassis, wie La Voce MAN061.80, 18Sound 6NTLW2000, Ciare NDI6.50W, werde ich in absehbarer Zeit auf meinem Youtube Kanal online stellen.

Nun online. Link: 18Sound 6NTLW2000 vs. La Voce MAN061.80 & WAN061.80 vs. Ciare NDI6.50W, quick measurements

Enjoy :prost:


Sonst gibt's zu berichten:

- der nette Peter / kwesi hat mich zuletzt sehr hilfreich zu passiven Schaltungen gecoached. In dem Bereich bin / war ich quasi Einsteiger; vor ~20 Jahren mal was damit zu tun gehabt, seitdem nie wieder gebraucht und 99% vergessen. Konkret wurde also seit meinem letzten Post beim Mitteltöner eine elektrische Bedämpfung der Membranresonanzen, umschrieben in der entsprechenden Purifi Tech Note, jedoch in abgewandelter Form, als auch ein Vorwiderstand zum verringern des Einflusses der Schwingspulenerwärmung, umfangreich getestet (vermessen & gehört).

- wo wir schon beim beichten sind, die Hochtonsektion des Prototypen-Systems hat eine weitere Wissenslücke offenbart, die inzwischen gutgemacht wurde. Der Hochtöner wäre ohne Schallwand besser aufgehoben gewesen, und wenn dann hätt ich dieser zmd. eine deutlich stärkere Rundung (der Kanten) verpassen müssen, und idealerweise den Hochtöner nicht mittig platzieren. Bei weiteren Prototypen und/oder im finalen System wird das natürlich alles beachtet.

- das Christkind war großzügig (naja, eigtl. hab ich mich selbst beschenkt, aber pscchhtt Rolleyes), und so ist aktuell einiges an Material auf dem Weg zu mir.


Nächstes Update, wenn's wieder was interessantes gibt.
Zitieren

#36
Du brauchst noch 9 Abos zu 1000 :-)
Wie beurteilst Du die Qualität der LaVoce Chassis so beim anschauen / angrabbeln ?
In Hamburg sagt man, Moin , LG Olaf_HH
Meine aktuellen Projekte auf IGDH:
Kondensatoren, gibt es klangliche Unterschiede ? - [B] M-L-W-R --Sherwood PM9800 --
[/B]Magnat MA900 Röhrentuning -- DynaLigth-MK2

Zitieren

#37
Alles pipifein Olaf. Die beiden getesteten sind ja auch unter den neueren und teureren Produkte (der Größe) der Marke, und dementsprechend ist mMn auch die Haptik. Messen sich auch beide recht gut, hören sich (für meine Ohren) bis sehr laut gut an - kann man besten Gewissens verbauen.
Zitieren

#38
Hi, Danke
Ich werde morgen ein Pärchen 4 Zöller WSN041.00 bei Wolfgang abholen, hatte die mal Blind bestellt und will testen ob die als MT funktionieren.
In Hamburg sagt man, Moin , LG Olaf_HH
Meine aktuellen Projekte auf IGDH:
Kondensatoren, gibt es klangliche Unterschiede ? - [B] M-L-W-R --Sherwood PM9800 --
[/B]Magnat MA900 Röhrentuning -- DynaLigth-MK2

Zitieren

#39
Bevor's an einem anderen Teil weitergeht noch kurz zum Sub. Dieser (1 Stück) ist nach Überarbeitung fertig. Während, vergleiche Inhalt von Post #31, alle anderen Basslautsprecher von mir und Dritten vergleichbarer Größe & Aufbaus, die ich hier hatte, komplett ruhig waren, hab ich bei diesem mit dieser Verstrebung bei sehr niederfrequenten Signalen bei Volllast nicht nur die Gehäusewand deutlich bewegen (durch Handauflegen) gespürt, sondern sogar gesehen. Vll. ist das verwendete Kiefersperrholz fürn A...., oder die großen Griffe und Terminals vermasseln die Steifigkeit, oder es gelten bei CB schlicht andere Regeln.. was immer es ist, ich hab's mit deutlich aufwendigerer Verstrebung behoben. 1, 2 kg mehr stehen nun auf der Waage, aber das Gesamtgewicht ist noch immer sehr komfortabel - nicht gewogen, aber laut Pi mal Daumen, und was mein Bizeps & Rücken sagt, liegt es so bei 25-30 kg. Das Gehäuse ist nun ruhig; Unterschied hören tu ich allerdings keinen, nichtmal zum ersten Prototypen komplett ohne Verstrebung.. aber Messwerte (siehe unten) sprechen eine geringfügig andere Sprache; und sonst, naja, für's gute Gewissen und so Wink Aja, und Chassis ist jetzt natürlich mit Einschlagmuttern drin; und Flansch für 35mm Distanzstange kam auch noch nachträglich ins Gehäuse.

Bilderserie Umbau & Fertigstellung:

[ATTACH=CONFIG]68847[/ATTACH] [ATTACH=CONFIG]68848[/ATTACH] [ATTACH=CONFIG]68850[/ATTACH] [ATTACH=CONFIG]68849[/ATTACH]

Ausschwingverhalten links alte vs. rechts neue Verstrebung. Wie man sieht, die Gehäusereso war vorhin durch das nicht ausreichend steife Gehäuse bedämpft; interessant, aber belanglos, da sowieso mehr als 1 Okt. außerhalb des angepeilten Einsatzbereichs:

[ATTACH=CONFIG]68851[/ATTACH] [ATTACH=CONFIG]68852[/ATTACH]

Max. SPL @ 10% THD blau alt, schwarz neu, türkis zum Vergleich nochmal der 18NTLW5000 @ CB; neue Messung war quick & dirty, mit Backup-Amp & -Mic, daher etwas wellig.. aber man sieht, schlechter is das Ergebnis auf keinen Fall geworden Wink :

[ATTACH=CONFIG]68853[/ATTACH]


Angehängte Dateien Thumbnail(s)
                       
   
Zitieren

#40
Heute fand eine große Messsession statt. Insb. folgendes wurde nochmal im Freifeld überprüft / dokumentiert:

stoneeh schrieb:Konkret wurde also ... beim Mitteltöner eine elektrische Bedämpfung der Membranresonanzen, umschrieben in der entsprechenden Purifi Tech Note, jedoch in abgewandelter Form, als auch ein Vorwiderstand zum verringern des Einflusses der Schwingspulenerwärmung, umfangreich getestet (vermessen & gehört).

Details: mein Mitteltöner hat eine ausgeprägte Membranreso @ 5,5 kHz, welche bei 1/3 dieser Frequenz erhöhten K3 verursacht. Mit dem von Purifi vorgeschlagenen seriellen Notch Filter wäre diese gut bedämpfbar. Es gibt dann aber auch noch eine Reso @ ~10 kHz, und vll. noch weitere, für die der Notchfilter nicht wirkt. Also habe ich, um auch die weiteren / höheren Membranresonanzen zu bedämpfen, die Bedämpfung via einem 1st Order Tiefpass, d.h. seriell geschalteter Spule realisiert.
Ich wurde gewarnt, dass diese Schaltung zu hohen Frequenzen einen Kurzschluss verursache. Ganz nachvollziehen kann ich das nicht; wie dem auch sei, wenn's so ist, das durch die Signalkette übertragene Signal wird via den üblichen Digitalformaten, Lowpassfiltern in DSP und Verstärker, etc., in der Praxis spätestens bei 20 kHz gekappt. Zudem wird das System grundsätzlich aktiv beschaltet / getrennt, d.h. kommt zu dem passiven 1st Order Tiefpass mind. noch ein aktiver But12 dazu, der die Spannung zu höchsten Frequenzen eh Richtung 0 steuert - und wo keine Spannung, da kann auch keine kurzgeschlossen werden.


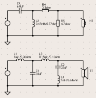
Schaltung, derweil noch offen zusammengefrickelt:

[ATTACH=CONFIG]68894[/ATTACH]


Messtechnischer Vergleich; Outdoor, 4pi (nicht fensterbar, daher mit sichtbarer Bodenreflexion); Großsignal; Bandpassfilter 200-2000 Hz, links rein aktiv, rechts aktiv & passiv realisiert; auf so gut wie möglich den gleichen Frequenzgang entzerrt:

[ATTACH=CONFIG]68895[/ATTACH] [ATTACH=CONFIG]68896[/ATTACH]

Die relevante Klirrstelle habe ich rot umrandet. Wie man sieht, da tut sich einiges - K3 zwischen 1 und 2 kHz ~10 dB niedriger.

Weiters zeigt sich in der Multiton-Verzerrungsmessung, die ich nicht extra poste (außer es wird explizit gewünscht), ruhigeres Verhalten um die Membranresonanz.


Kommen wir kurz zum Vorwiderstand. Dieser soll die Powercompression zu einem Grad kompensieren, indem er, bzw. die Schaltung aus Widerstand und Chassis / Schwingspule, so ich es verstehe, bei Schwingspulenerwärmung und dem dadurch entstehenden höheren Widerstand in der Spule, dieser relativ mehr Leistung zuführt. Dafür genehmigt er sich allerdings selbst laufend Verstärkerleistung.

Wie auch immer der theoretische Background, es funktioniert. Meine Testprozedur war eine akustische Pegelmessung, mit Anregung des DUT durch ein Signal einer Stärke, das zu Powercompression führt. Ein Dauersinus wurde gewählt. Bei niedrigen Verstärkerspannungen bleibt der entsprechende akustische Output konstant -> keine Verlustleistung in der Spule. Bei höheren Signalstärken ist festzustellen, dass der zu Beginn erzeugte Pegel nicht gehalten wird, sondern umgekehrt exponentiell (d.h. anfangs sehr rasch, dann rasch abflachend) abfällt. Ab ca. 30s Signaldauer ist der Pegel dann konstant und ändert sich auch langfristig nicht mehr, oder nur sehr wenig. Schön veranschaulicht ist dieses Verhalten in Thermal Simulation of Loudspeakers - Peter John Chapman, Bang & Olufsen, 1998, Seite 19, Fig. 10.
Ich wählte eine Anregungsstärke, bei der das Signal ohne Vorwiderstand nach den genannten ~30s um 1,5 dB abfiel, und sich darauf einpendelte. Danach wurde der Test mit Vorwiderstand (Impedanz des Widerstands entsprechend Schwingspulenimpedanz dimensioniert) wiederholt - mit entsprechend erhöhter, sodass an der Schwingspule (zu Beginn der Messung) die gleiche Spannung wie zuvor anliegt, als auch der gleiche akustische Pegel erzeugt wird. Nach ~30s lag mit Vorwiderstand der Pegel nur 0,7 dB niedriger als zu Beginn. Die Powercompression hat sich also um die Hälfte reduziert, oder, präziser ausgedrückt, wurde um die Hälfte kompensiert.
Während den Messläufen wurden Pausen eingelegt, um Schwingspule und Widerstand Gelegenheit zum abkühlen zu geben. Ebenfalls wurden beide Messläufe, wie bei mir üblich, zur Verifizierung je mehrfach wiederholt - mit Resultat, dass die Messwerte jedes mal ohne Toleranz / Abweichung reproduzierbar waren.

Achtung: Dauersinussignal ist nicht im geringsten mit üblichem Musiksignal vergleichbar. Das eben beschriebene war also nur ein Test, ob die Schaltung prinzipiell funktioniert. Die Praxisrelevanz wurde durch diesen Test rein gar nicht beurteilt.


Höreindruck und sonstige Praxisüberlegungen: rein durch den Vorwiderstand beschaltet konnte ich keinen Unterschied wahrnehmen. Die Schaltung zur Bedämpfung der Membranresonanzen, insb. kombiniert mit Vorwiderstand, hat jedoch einen signifikanten Unterschied bewirkt. Es sind nun deutlich höhere Pegel bei subjektiv wahrgenommen gleich starkem Verzerrungsgrad möglich. In andere Worte gefasst, die Schaltung hat aus dem eh schon potenten Chassis eine wahre Waffe gemacht.
Ich habe Temperaturmessungen am Vorwiderstand durchgeführt. Er erwärmt sich auch im Prügelbetrieb kaum. Ist plausibel, da die Signaldichte von Musik ab dem Mittelton wirklich niedrig ist. Der Vorwiderstand hat angesichts dessen wahrscheinlich in der Praxis auch keine Vorteile, aber he, er kostet (fast) nichts, und relevante Nachteile kann ich keine ausmachen, also wird er seinen Weg in das finale System finden. Auch die Spule, selbst als Luftspule, mit dem entsprechenden Drahtdurchmesser, fällt in Relation zu den Chassiskosten kaum ins Gewicht. Da sie einen deutlich hörbaren Unterschied bewirkt, ist ihr Preis-Leistung-Verhältnis wahrlich exzellent, und da auch sonst keine Nachteile festzustellen waren, wird auch sie natürlich ins finale System übernommen.


More soon.


Angehängte Dateien Thumbnail(s)
           
Zitieren



Gehe zu:


Benutzer, die gerade dieses Thema anschauen:
1 Gast/Gäste

Deutsche Übersetzung: MyBB.de, Powered by MyBB, © 2002-2025 Melroy van den Berg.