diy-hifi-forum.eu
PreamPi und Abletec Front-End - Druckversion

+- diy-hifi-forum.eu (https://diy-hifi-forum.eu)
+-- Forum: Archiv (https://diy-hifi-forum.eu/forumdisplay.php?fid=198)
+--- Forum: Elektronik (https://diy-hifi-forum.eu/forumdisplay.php?fid=8)
+---- Forum: Eigenentwicklungen (https://diy-hifi-forum.eu/forumdisplay.php?fid=88)
+---- Thema: PreamPi und Abletec Front-End (/showthread.php?tid=8247)

Seiten: 1 2 3 4 5 6 7 8 9 10 11 12 13 14 15


PreamPi und Abletec Front-End - TH_F73 - 09.11.2014

Nachdem in meinen ALC0300-1300 Monos hinter den Verstärker Platinen noch ausreichend Platz in den Gehäusen war, habe ich zuerst in die beiden Monos die Zusatzplatine eingebaut. Fotos dazu im Anhang.

Jetzt habe ich ein anderes Verhalten. Wenn zuerst die Monos eingeschaltet werden und dann der Vorverstärker bei bereits laufender CD dazu geschaltet wird, dann stottern die Monos am Anfang 2-3 mal mit etwa 1 Sekunde Abstand. Nach ca. 3 Sekunden ist alles bestens und die Kombi klingt allerbestens.

ConfusedConfusedConfusedConfused

Wenn zuerst der Preamp eingeschaltet wird und danach die Monos dazu geschaltet werden, habe ich kein stottern und die Monos spielen auf Anhieb sofort los.


LG Thorsten.


PreamPi und Abletec Front-End - TH_F73 - 09.11.2014

Ich habe noch schnell einen Test gemacht und die beiden Monos mit den Zusatzplatinen an einen Onkyo Surround Receiver mit einem Pre Ausgang angehängt. Hier ist alles bestens. Kein Stottern, kein Plopp.

Der Fehler muss daher wohl in meinem Aufbau vom Pre liegen.

Was auffällt. Auch der Onkyo schaltet mit einem Relais erst nach ein paar Sekunden ein (ca. 2-3). Also etwas später als der PreamPi. Kann es sein, dass der PreamPi etwas länger braucht bis die Spannung stabilisiert ist?

LG Thorsten.


PreamPi und Abletec Front-End - 2pi - 09.11.2014

Thorsten und ich haben ge-skyped (gute Idee, Thorsten !), um das Verhalten zu untersuchen und um zu checken, ob was kaputt gegangen ist.
Es scheint alles ganz geblieben zu sein.
Nachdem das Relais des Pre aufschaltet, ist da noch ein Rest DC von ca. 10...20mV, welcher dann rasch auf 0 geht. Vielleicht kommt das durch die lange Zeitkonstante der Elkos. Das scheint der ALC0300 allerdings für kurzes Rail-pumping zu reichen.
Komischerweise habe ich nichts dergleichen an der ALC0100 beobachtet, mit der ich alle Tests gemacht habe.

Jedenfalls versuchen wir, das noch zu verbessern, so daß die Einschaltreihenfolge egal ist.

Grüße


PreamPi und Abletec Front-End - TH_F73 - 09.11.2014

Danke dir auch nochmal dafür, dass du dir die Zeit fürs Skypen genommen hast. Und jetzt hat sich endlich mein Sortiment Metallfilm-Widerstände einmal bezahlt gemacht...

Wink

Zitat:Jedenfalls versuchen wir, das noch zu verbessern, so daß die Einschaltreihenfolge egal ist.

Mir ist nochmal wichtig zu betonen, dass der Pre einfach toll spielt. Super sauber und mit einer luftigen Leichtigkeit - traumhaft ! Die klanglichen Fortschritte sind so enorm, dass in meiner Kette der Einfluss der Zusatzplatine kaum ins Gewicht fällt bzw. ich nicht mehr beurteilen kann. Es wird aber keinesfalls schlechter durch die Zusatzplatine !

Diese Woche versuche ich in Etappen nach der Arbeit die Zusatzplatinen an den AMS1000 zu bringen. Dazu muss ich allerdings erst die Anordnung der Bauteile im Gehäuse ändern.

:bye:

LG Thorsten


PreamPi und Abletec Front-End - wischem - 12.11.2014

Hi,

man entschuldige meine Relative Unwissenheit im Bezug auf elektronische Schaltungen. Kenn das meiste nur als 0 und 1.
Da bei mir in relativer Nähe zum Pre auch ein rasp Pi arbeiten wird wollte ich fragen ob es möglich z.B. die freien Relaiskontakte um Eingangswahlboard für den Pi zu nutzen. Ich vermute man muss irgendwie die Spannungen vom Pi GPIO und dem Pre ausseinander halten aber ansonsten sollte das möglich sein oder?
Ferner sollte es auch möglich sein den Motorpoti für die Lautstärke über den Pi anzusteuern, oder?
Könnte man dann auch einen Motorpoti für die Quellenwahl nehmen?

Nochmal Entschuldigung für die "dummen" Fragen.


PreamPi und Abletec Front-End - 2pi - 12.11.2014

Also ich weiß nicht, was du genau vor hast und kenne mich mit Himbeerkuchen nicht aus. Vielleicht gibt es hier ja ein paar Eingeweihte.

Aber den Klinkenausgang kann man über ein Adapterkabel anschließen und die Kanalwahl ist definitiv geschaltet, nicht mit veränderbarem Widerstand = Poti.

Um ein Motorpoti anzusteuern, braucht man einen Motortreiber, der +- 4...6V kann und 150mA in jede Drehreichtung.

Grüße


PreamPi und Abletec Front-End - wischem - 12.11.2014

2pi schrieb:Also ich weiß nicht, was du genau vor hast und kenne mich mit Himbeerkuchen nicht aus. Vielleicht gibt es hier ja ein paar Eingeweihte.


Um ein Motorpoti anzusteuern, braucht man einen Motortreiber, der +- 4...6V kann und 150mA in jede Drehreichtung.

Tja,

ich will mir auf dem Display des PI anzeigen lassen welcher Input geschaltet ist und evtl. Volumio/ MPD so anpassen das man über das Webinterface die Lautstärke steuern kann. Luxus wäre noch die Umschaltung der Eingänge über den Pi aber das scheint wohl etwas aufwändig.


PreamPi und Abletec Front-End - wischem - 13.11.2014

2pi schrieb:...die Kanalwahl ist definitiv geschaltet, nicht mit veränderbarem Widerstand = Poti.

Um ein Motorpoti anzusteuern, braucht man einen Motortreiber, der +- 4...6V kann und 150mA in jede Drehreichtung.
Gibt es denn einen "motorisierten Umschalter"?

Und die freien Relaiskontakte beim Wahlboard sind Spannungsfrei oder? Sprich wenn ich da auf eine Seite 5V vom Pi hinleg dann greif ich die 5V beim schalten ab auf der anderen Seite? Wäre dann ja einfach.

Würde der L298 als Motortreiber funktionieren? Sieht nicht so kompliziert aus das Ganze.


PreamPi und Abletec Front-End - Woods - 13.11.2014

@wischem

Ich habe das gleiche vor wie du, bin aber leider ebenso fachfremd. Aber ich denke, dass mit etwas Hirnschmalz beides grundsätzlich möglich sein sollte.
Für den Motortreiber L298 gibt es diverse Tutorials für den Raspberry Pi. Grundsätzlich sollte daher in meinen Augen nichts dagegen sprechen, den Motor des Potis mit einem Pi zu steuern?!
Den 1Pol Drehschalter für die Quellenwahl mit dem Pi zu imitieren sollte dann auch noch machbar sein. Es gibt ja unzählige Erweiterungsplatinen auf die man im Zweifelsfall zurückgreifen kann.
Ich hoffe, wenn die Dinge mal vor mir liegen, werden mir die Dinge klarer.

@2Pi
Kannst du uns folgen, was wir im Sinn haben? Das geht natürlich etwas vom bloßen Aufbau des Pres weg und ich erwarte keine weitere Aufbauanleitung dazu von dir! Wink Ich hoffe es ist trotzdem i.O. wenn wir das hier mit in den Thread packen?

@2Pi und Helfer
Wollte mich schon lange bedanken, den Thread hier aber nicht mit Dankesbekundungen unübersichtlich werden lassen, daher jetzt: Vielen Dank für die tolle Sammelbestellung!


PreamPi und Abletec Front-End - wischem - 13.11.2014

Gut das ich noch "Gleichgesinnte" habe.
Sollen wir die Diskussion aus dem Thread hier rausnehmen?
Hat ja wie du schon sagst nicht direkt mit dem PreamPi Aufbau zu tun.


PreamPi und Abletec Front-End - Woods - 13.11.2014

Ich denke das soll 2Pi / Oliver entscheiden. Eventuell ist dies ja auch für andere interessant. Ein Raspberry Pi kostet deutlich weniger als der Fernbedienungs-Kit und könnte auch Internet-Radio, Wlan-Steuerung...etc bieten....und ausserdem passen Raspberry Pi und PreamPi bereits namentlich zusammen wie die Faust aufs Auge! Smile


PreamPi und Abletec Front-End - 2pi - 13.11.2014

Leute, ihr macht mich echt fertig Big Grin

Also, gegen die Lautstärkeregelung mit dem L298 spricht nichts. Probiert's aus mit dem Motorpoti aus dem Warenkorb.

Den Drehschalter könnte man mit einfachen Mosfets nachbilden (N-Kanal sperrend).
Dabei nimmt man z.B. einen 5V TTL Pegel (oder mehr) und legt ihn zwischen gate und source an.

Die source ist an Masse angeschlossen und drain statt des Schalters am Relais.

Wenn man die 5V anlegt, wird er leitend und das entsprechende Relais mit Masse versorgt. Der andere Anschluss des Relais liegt ja dauerhaft auf 12V.

Beim Umschalten sollte gewährleistet sein, daß der aktuelle 5V Pegel weg ist, bevor der nächste angelegt wird. Sonst schaltet ihr kurzfristig die Ausgänge eurer Quellen parallel, was man eigentlich vermeiden sollte.

Grüße

P.S. aus beruflichen Gründen kann ich allerdings hier nicht noch eine Dauerbaustelle aufmachen und ich würde auch gerne mal noch ein paar laufende Projekte fertig bekommen Wink


PreamPi und Abletec Front-End - Woods - 13.11.2014

Danke für dein Feedback! Fertig machen wollte ich dich eigentlich eben gerade nicht! Wink

Ja, so in etwa habe ich mir das vorgestellt. Google und ich haben da noch einige Dates! Wink
Aktuell wird das ganze bei mir aber erst um Weihnachten. Aber so wie es aussieht, steht einem PreamPi² nichts im Weg.
Falls die Beiträge dazu hier ausarten sollten (ich kann in naher Zukunft leider eh nicht viel dazu beitragen), bitte einfach Stopp rufen, du bist der Chef hier!


PreamPi und Abletec Front-End - TH_F73 - 15.11.2014

Es gibt gute Neuigkeiten für alle ALC0300 Besitzer. Wir haben den Einschaltplopp und das Stottern (rail pumping) der Endstufen beim Einschalten bei bereits laufender Quelle wegbekommen. Ursache waren die 20-30 mV Gleichspannung, die sich in ausgeschalteten Zustand am Ausgang des Pre aufgebaut haben.

Zwei Modifikationen haben wir ausprobiert:

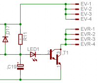
Eine Diode wurde gegen zwei Leds geopfert. 1-2 Leds auf dem Netzteilboard, um das Relais länger zu zuhalten. Mit zwei Leds schaltet es nach ca. 4 Sekunden auf. Diese Zeit genügt, damit sich die Gleichspannung am Ausgang abbauen kann. Mit dieser Maßnahme haben wir das rail pumping wegbekommen.

Dann haben wir noch einen Widerstand an den Pre Platinen zugefügt. Was die genau machen weiß ich nicht, aber der Plopp ist weg und die Membranen der Tieftöner sind jetzt beim Einschalten festgenagelt.

Die theoretischen Hintergründe muss uns 2Pi sicherlich noch genauer erklären. Ich habe nur die handwerkliche Durchführung beigesteuert und kann die Fotos hier zeigen.

Nachdem jetzt wirklich alles nach meinen Vorstellungen funktioniert, habe ich nochmal Zeit investiert und den Aufbau etwas aufgeräumter gestaltet.

Den Trafobrumm habe ich mit einem dickeren alten Fahrradschlauch unter dem Trafo in den Griff bekommen.

LG Thorsten.


PreamPi und Abletec Front-End - TH_F73 - 16.11.2014

Ich habe noch ein paar Infos zum finalen Aufbau und auch eine komplette Fotodokumentation für den Gehäuseaufbau begonnen...

http://www.felbi.at/wp/diy-vorverstaerker-von-2pi/

Möglicherweise hilfreich für weitere Nachbauer.

Wink

LG Thorsten


PreamPi und Abletec Front-End - 2pi - 16.11.2014

Erstmal vielen Danke an Thorsten, daß du geduldig mein verlängertes Multimeter und Lötkolben warst !

Warum ich nicht beobachtet habe, was du gesehen hast, wird Spekulation bleiben. Es gibt mehrere Theorien. Eine davon würde auf einem Flüchtigkeitsfehler meinerseits beruhen.
Letztlich ist es egal, denn die Modifikation ist simpel und billig.

Wie schon richtig geschrieben, wurde zuerst die Einschaltzeit der Relais verlängert. Hier wird eine herkömmliche Diode mit einer Vorwärtsspannung von 0,7V durch eine LED mit 2,2V ersetzt. Ob es jetzt leuchtet oder nicht, ist egal.

   

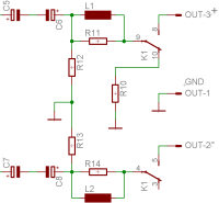
Der eigentliche Bringer ist aber, die Grenzfrequenz des Ausgangsfilters vorübergehend zu erhöhen bzw. die Zeitkonstante zu verkleinern:
C5+C6 haben ja einen Wert von 110uF. Mit R12 von 20K ist die Zeitkonstante Tau = R*c = 2,2 Sek. Wenn C5+C6 mit Gleichspannung voll geladen wären, würde es 5 Tau (11 Sek) dauern, bis die Spannung um 99,3% des Anfangswertes abgefallen wäre, die Cs also quasi leer wären.

Es gibt keinen Grund, warum die Cs sich voll laden sollten aber offensichtlich waren sie noch zu voll beim Aufschalten des Relais, was ursprünglich ca. 1 Sek gedauert hat.

Also haben wir einen Widerstand R10 eingefügt, der die Cs schneller entläd, und zwar schon bevor das Relais aufmacht.

   

Mit 1K Ohm ist die Zeitkonstante jetzt ca. 0,1 Sek. Also 0,5 Sek. bis leer. Bei nun etwa 2 Sek. Relaisverzögerung kann nichts mehr passieren.
Wenn das Relais auf ist, wird die Zeitkonstante wieder länger bzw. die untere Grenzfrequenz wieder tiefer, da der "kleine" Widerstand R10 durch das Umschalten des Relais nichts mehr beiträgt, erst wieder beim Abschalten.

Die Warenkörbe für das Netzteil bzw. den Pre und die Aufbauanleitung werde ich noch entsprechend anpassen.

Im Minus-Zweig muss man nichts machen, da es ja hier kein Signal, sondern nur Impedanzen gibt.

Beide Modifikationen gelten übrigens für alle (nicht nur für ALC0300 Besitzer) !

Grüße


PreamPi und Abletec Front-End - TH_F73 - 17.11.2014

Zitat:Erstmal vielen Danke an Thorsten, daß du geduldig mein verlängertes Multimeter und Lötkolben warst !

Es war mir eine große Freude und ich freue mich schon auf weitere gemeinsame Projekte - eine Idee haben wir ja schon und beim Christkind wurde ein Kopfhörer auf der Wunschliste platziert...

Big Grin

LG Thorsten


PreamPi und Abletec Front-End - Kleinhorn - 18.11.2014

Hi...
Ihr gebt Euch wirklich viel Mühe,uns, den Endusern, ein funktionierendes Produkt zur Verfügung zu stellen. Danke dafür..:thumbup:

Ich brenne natürlich darauf auch zu bauen...Smile
Wann kann man mit den Platinen rechenen ?

Gruß
Pedda


PreamPi und Abletec Front-End - 2pi - 18.11.2014

Also ich gehe im Moment davon aus, daß die Platinen noch diese Woche ihre Reise nach D per DHL Express antreten.

Grüße


PreamPi und Abletec Front-End - TH_F73 - 23.11.2014

Ich habe heute begonnen meinen AMS1000 mit den Front Ends von 2Pi aufzurüsten. Die Anschlusspins am Board haben mir wieder den letzten Nerv geraubt, aber wenn alles klappt kann ich morgen die ersten Ergebnisse und Fotos liefern.

Smile

LG Thorsten.