Themabewertung:
  • 0 Bewertung(en) - 0 im Durchschnitt
  • 1
  • 2
  • 3
  • 4
  • 5
DIY Platinenlayout 4-Wege-Endstufe
#1
Hallo liebe Aktivprofis,

es steht bei mir mal wieder eine neue Aktivbox im Projektheft. Es soll auch diesmal wieder eine Box werden in der die gesamte Elektronik in der Box verbaut wird. Bei meinen bisherigen Aktivprojekten habe ich dies mittels industrieller Halbfertigsachen Made in China realisiert. Dies führte jedoch zu einem mehr oder weniger wilden Kabelverhau in der Box mit entsprechender Brummanfälligkeit.

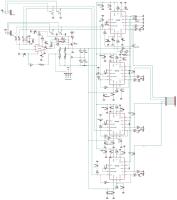
Diesmal wollte ich die Endstufen alle auf einer DIY-Platine unterbringen. Basis des Endstufenmoduls ist auch wieder das MosFet-Endstufen-IC TDA7293 von SI. Da ich in Punkto Platinenlayouts nicht allzu große Erfahrungen habe, würde gern die Meinungen der diesbezüglichen Profis zu meinem Endwurf erfahren.

[ATTACH=CONFIG]74248[/ATTACH]
[URL="https://winboxsimu.de/temp/4kanal/TDA-7293_4-Kanal2_brd.jpg"]Große Ansicht
[/URL]
Hier der Vollständigkeit haber noch der Schaltplan
[ATTACH=CONFIG]74247[/ATTACH]
[URL="https://winboxsimu.de/temp/4kanal/TDA-7293_4-Kanal2_sch.jpg"]Große Ansicht
[/URL]
Erstellt wurde die Platine mittels Eagle Cadsoft. Download der Eagle-projekt-Dateien hier.
Geplant ist zunächst 10 Platinen für Testaufbauten zu ordern.
Bin für jeden Hinweis und Tipp dankbar.

Und hier noch ein erstes Bild vom neuen Prototypen.
[ATTACH=CONFIG]74249[/ATTACH]

Grüße aus Berlin
Sven

Edit:

Hier noch die aus Eagle gewandelten Gerber-Dateien.


Angehängte Dateien Thumbnail(s)
           
Zitieren

#2
Bilder sind arg klein...

Wie ich die Dateien importiere (hier gerade: in Altium) habe ich auch noch nicht raus, mir scheint es fehlen die EAGLE-Bauteil-Bibliotheken
Zitieren

#3
Auch wenn Du auf "Grosse Ansicht" klickst?
Gruß
Arnim

Ein rein verstandesmäßiges Weltbild ganz ohne Mystik ist ein Unding. Erwin Schrödinger.
Zitieren

#4
Ah, da gibt es noch einen Link drunter Cool
Zitieren

#5
hi

Das Layout ist nicht wirklich gut... du kannst dir da auch Störungen einfangen.
als testballon geht das


Final würde ich da schon einiges ändern. auch den Schaltplan würde dazu nochmal ändern.
In Summe ist die Leiterführung zwar praktisch... aber signaltechnisch eher schlecht gelöst.

Ich würde davon vlt 2-3 PCBs bestellen - wenns funktioniert das ganze nochmal neu routen.
Zitieren

#6
Auf die Schnelle:

- Vorweg: Das Layout ist insgesamt ziemlich chaotisch. Im Datenblatt sind ein paar schöne Bilder zu sehen wie man es sehr kompakt und übersichtlich machen könnte.
Kritische Punkte in der Schaltung sind die Eingänge des TDAs und vom uPC (hohe Impedanz). Da gehört eigentlich von links und rechts wegen ein RC davor, ganz besonders beim TDA weil das Signal über eine längere Strippe kommt. Beim uPC ist da schon ein Elko nach den 4x 120kOhm, den vielleicht noch mit einem kleinen MKT oder sowas brücken (ideal: kleiner keramischer SMD). Weiter die Abblockung der Betriebsspannungen: An IC1 und IC4 hast du an plus und minus je 100uF vorgesehen, an den anderen beiden nicht. Im Datenblatt werden pro IC und pro Rail 1000 uF vorgeschlagen. Dann bräuchtest du IMHO die 4 10000 uF Kondensatoren nicht. Du könntest das Verhalten evtl. (aber da mag man oder das Datenblatt mir widersprechen) zwischen PWVS und VS einen kleinen Widerstand zur Entkopplung einbauen. Pro Rail kommt dann noch ein 100 nF MKT hinzu. Wenn die 8x 1000 uF aber nicht in den vorgegebenen Platz passen dann tun es die 4x 10000 uF aber auch.

- Es fehlen noch GND-Anbindungen von C111, C112 und C101 (ein Rules Check müsste das abfangen)
- C112, C212, C312, C412 und C411 sind viel zu weit weg von den Pins, welche sie abblocken sollen
- LS2 läuft ein Teilstück parallel zum Eingangssignal von IC4 -> erhöhtes Übersprechen!
- Fertigung: LS4 geht ganz nah am Rand entlang, wenn nicht sogar darüber hinweg. An etlichen Stellen hast du 90°-Knicke in den Leiterbahnen oder spitze Abzweigungen. Goldene Regel: den Winkel immer maximieren, das heißt bei Ablenkungen in 45° weg, bei Abzweigungen senkrecht. An manchen Stellen verjüngst du die Leiterbahn, dann bleibt vom dickeren Ende immer so ein Knubbel stehen. Bei EAGLE weiß ich es nicht, aber eigentlich müsste es da ein Tool geben um das zu verhindern.
- die so leicht schräg verlaufenden Segmente von VBplus sind ein Schöheitsfehler, aber nicht dramatisch

Irgendwas hatte ich noch, aber es zwischendurch wieder vergessen
Zitieren

#7
alternativ werfe ich gern den LM4780 in den raum wenns mehrkanalig sein soll
https://www.farnell.com/datasheets/1994371.pdf
oder auch im BTL mode für den Bass .. ist quasi ein dual LM3886


aber zum testen würde es ein knäul china platinen auch tun.
wenn du dann im grunde zufrieden bist ... können wir was amtliches daraus machen


- Die Treiberstufe und Leistungsteil sollte man entkoppeln.
- Feedback so kurz wie es geht , ggf kleiner kondensator mit drüber
- Fette pufferung ist sinnlos wenn man den strom nicht an den Pin bekommt und die LS leitung nicht weg vom Chip
- pufferung gehört so nah es geht an den Chip .. ggf was kleines am CHip + die fetten elkos am netzteil
- ....
- ...
- ..
Zitieren

#8
Hallo Sven,
der Liegestuhl steht. Als Layout-Erstling eine echte Herausforderung ! Ich habe mit meinen kleinen modifizierten TDA-Platinen aus einer uralten Elektor und einem Connex SMPS brummfreie Aktiveinschübe hinbekommen. Das (winzige) SMPS mit 320W Spitze versorgt eine Dreiwegeanordnung völlig ausreichend.
Frage: Wo ist übrigens der 4. Weg ?
Gruß Klaus

Meinen tut der, der zum Wissen zu faul und zum Glauben zu schwach ist (Lisa Eckart)
Zitieren

#9
saddevil schrieb:aber zum testen würde es ein knäul china platinen auch tun.

Geh mal auf seine Seite, das China-Knäul gibt es ja schon ...

... und das Modul in dem Link habe ich auch schon verbaut, da kann der Sven nix zu, das BRUMMT einfach ganz von alleine !
Gruß Klaus

Meinen tut der, der zum Wissen zu faul und zum Glauben zu schwach ist (Lisa Eckart)
Zitieren

#10
ok .. dann würde ich versuchen ganz ruhig nochmal neu zu planen.
aus dem plan da oben würde schon was rauskommen... ob das besser als das chinading ist wage ich aber zu bezweifeln
Zitieren

#11
2Pi hatte doch den Composite AMP mal hier vorgestellt und auch Platinen angeboten. M.E. waren die vom Design her sehr gut. Also nicht nur vom Platinen sondern auch vom Schaltungsdesign.
http://www.2pi-online.de/html/composite_chipamps.html
Vielleicht macht er nochmals einen Sack Platinen wenn es hier genug Nachfrage gibt. Man müsste nur mal schauen ob der LM3886 lieferbar ist.
Edit: https://www.reichelt.de/audioleistungsve...68601.html
Gruß
Arnim

Ein rein verstandesmäßiges Weltbild ganz ohne Mystik ist ein Unding. Erwin Schrödinger.
Zitieren

#12
saddevil schrieb:- Die Treiberstufe und Leistungsteil sollte man entkoppeln.

Das hatte ich ja auch geschrieben, aber im Datenblatt vom TDA wird das nichtmal ansatzweise erwähnt. Gibt es dafür irgendeinen Grund oder ist das Datenblatt nur wie alle anderen von ST: schlampig.
Zitieren

#13
Kaum mal einige Stunden nicht online und schon prasseln vielen Anregungen ein, ich danke schon mal.
In Mono habe ich die TDA-7293 schon brummfrei und sehr rauscharm in div. Amp erstellt. Auch mit parallel geschalteten TDAs habe ich schon brauchbar Ergebnisse erzielt. Allerdings neigen die TDAs bei Parallelschaltung recht schnell zum Schwingen, auf die auf ST-Layout.

Da nun im Bass vier Chassis zum Einsatz kommen, war daher die Überlegung für jedes Basschassis einen eigenen Verstärker zu nutzen und so ohne Parallelschaltungen (TDA und Chassis) auch zu der gewünschten (Gesamt-) Verstärkerleistung zu gelangen. Zudem kam hier dann auch die Idee auf gleich eine vielseitig verwendbare Platine die aktive DIY-Hifi-Boxen zu erstellen. Wenn ggf. nicht alle Verstärkerzüge benötigt werden bestückt man halt nicht alle Zweige der Platine.

@JFA
Platinenlayout ist nun nicht gerade mein täglich Brot, daher sind deine Hinweise für sehr hilfreich. Ich werde mal versuchen unter Beachtung deiner Hinweise die Platine / Schaltung umzugestalten. Leider ist der Autorouter von Eagle für mein Verstärkerprojekt nicht zu gebrauchen und so habe ich mich zum ersten Entwurf so durch gewurstelt. Der Platz auf der Platine, insbesondere die enge Lage der IC-Anschlüsse haben mir so einige Kopfschmerzen bereitet. Aufgrund des mangelnden Platzes in Nähe der IC habe ich die Blockelkos entgegen den Angaben von SI so stark verkleinert. Nun habe ich aber 10mm Elkos in 1000µ und 63V gefunden. Die Anschlüsse 7,8 des TDA habe nun über 100R (reicht das?) und 100nF versorgt. Mal sehen wie ich das sinnvoll noch auf die Platine unter bekommen.

[ATTACH=CONFIG]74253[/ATTACH]

Geänderte Schaltplan

Was ich allerdings nicht verstehe, weshalb die große Siebung und Pufferung im Netzteil nutzlos sei, wenn die direkten Blockelkos am IC kleiner als 1000 µF ausfallen?
Mögliche erhöhte Brumm- und/oder HF-Einstreuungen wären mir noch verständlich aber nutzlose NT-Siebung nicht.

Grüße aus Berlin
Sven


Angehängte Dateien Thumbnail(s)
   
Zitieren

#14
not0815 schrieb:Autorouter

Autorouter sind des Teufels. Oder anders: sie funktionieren dann gut, wenn du eine irrsinnige Anzahl an Regeln aufgestellt hast. In der Zeit hast du das aber schon selber geroutet, lohnt also nicht.

Bei Siebung gilt eigentlich je mehr umso besser. Aber, jeder Kondensator und erst recht jeder Elko hat einen Innenwiderstand, und der soll möglichst klein sein, weil sonst die Spannung zu sehr einbricht wenn der Verstärker Strom zieht. Dazu kommt noch die Leitungsimpedanz die umso größer wird, je weiter der Kondensator vom Pin des zu filternden ICs weg ist. Deshalb kann es besser sein, an jedes IC möglichst nahe dran einen Elko (und dann noch näher einen viel neiderohmigeren, also MKT oder keramisch) zu setzen. Bei einem Mehrkanalverstärker hat das den weiteren Vorteil, dass dann die Kanäle voneinander entkoppelt werden, also weniger Übersprechen. Ist in deinem Fall mit 4 gleich betriebenen Kanälen aber nicht relevant.

Zu dem Widerstand zwischen PWVS und VS:
PWVS versorgt die Stromverstärkerstufe (=Impedanzwandler), VS die Spannungsverstärkung. In der Regel hängt letztere von der Betriebsspannung stärker ab als erstere. Aber davon ab: die Ausgangsstufe (PWVS) zieht viel Strom, dadurch sinkt die Spannung in den Siebelkos ab. Ohne den Widerstand zwischen PWVS und VS sieht letztere genau diesen Spannungsabfall (gleicher Spannungsknoten). Mit diesem Widerstand wird das deutlich kleiner: wenn die Spannung im PWVS-Kondensator abfällt zieht der den Strom zum Einen aus dem Netzteil, zum Anderen aus dem VS-Kondensator. Vom Netzteil zu PWVS sind es normalerweise einige Milliohm bis wenige 10 Milliohm, das heißt schon mit 1-10 Ohm hast du den Strom aus dem VS-Kondensator und damit dessen Spannungsabfall deutlich reduziert. Natürlich könnte man jetzt denken "viel hilft viel", aber die Spannungsverstärkung zieht einen Biasstrom und der sorgt für einen konstanten Spannungsabfall über den Widerstand und dadurch reduzierst du die Aussteuerungsgrenze. In kurz: ich halte 100 Ohm für zu hoch. Aber das ist kein Problem, so aufbauen und dann mit dem Oscar prüfen wie schlimm es ist.

Noch was zum Layout:
es steht und fällt mit der Platzierung der Bauteile. Zb könntest du die Kondensatoren C121, C221, C321 und C421 alle abgehend vom Stecker parallel nebeneinander setzen. Das sieht schöner aus und du hast gleich Ordnung in den Leitungen. Wenn du dir vorher über so etwas Gedanken machst fällt nachher das Routing sehr viel leichter.
Zitieren

#15
@JFA
Danke für Deine AusführungenSmile

Ich werde das Layout mal vollständige neu aufbauen und dann hier berichten.

Grüße
Sven
Zitieren

#16
Mach es in Schritten:
1) Bauteile platzieren, herzeigen
2) Routen, herzeigen

Das sag ich den Studenten hier (und den Kollegen wenn die Zeit knapp ist) auch immer. Spart Arbeit und damit Zeit.

Mein Ex-Arbeitgeber hat früher gerne Bilder des Innenlebens veröffentlicht: https://www.ta-hifi.de/wp-content/upload...2019_D.pdf
Schau mal ab Seite 17, so müssen Layouts aussehen (nein, sind nicht von mir).
Zitieren

#17
Naja, Platinendesign in Fertiggeräten ist schon eine andere Nummer als hier im Hobby...
Wenn ich mir das erste Layout so ansehe, hab ich den Eindruck, dass versucht wurde den Schaltplan in das Layout zu übernehmen.
Ich würde mit den Ic's anfangen. Ich gehe davon aus, die sollen auf den gleichen Kühler. Spannungsversorgung auf die Seiten, nicht parallel nebeneinander verlegen. Die Widerstände erscheinen, wenn es THT sind, klein. Bei KiCad zB ist das Maß 10,16 mm.
Bei den Kondensatoren nehm ich ein Rastermaß von 5 mm, FKS/FKP2, 63 Volt. Damit passen die Folien oder Glimmer. Der Vorteil ist, dass man dann auch eine Leiterbahn mal durchlegen kann. Die Widerstände haben 0,5/0,6 Watt.
Bei Reichel kann man das Rastermaß prima nachlesen, auch von Elkos.

So ich gesehen und gefunden habe gibt es für die Ic's TDA7293/94 einige Platinenvorschläge. Daran kann man sich auch orientieren.

Ich versuche immer, ausgenommen Spannungsversorgung, die Leiterbahnen so breit zu machen, wie die Pads. So haben Transistoren 1mm Bahn. Widerstände 1,5-2mm, je nach Platz. Die Leiterbahnen der Spannungsversorgung sind 3 mm. Natürlich nur dann, wenn es möglich ist.

Auf einen Router verzichte ich allerdings auch. Winklige Verlegung nur dann, wenn nicht anders möglich, immer den kürzesten Weg.

Ich mache das auch nicht jeden Tag. Allerdings mußte ich feststellen, dass ich mehrere Anläufe brauche, um alles als "optimiert" zu betrachten. Das dauert dann schon mal ein paar Tage. Nicht dass ich den ganzen Tag nochmal daran sitze, aber ein Stündchen kann schon mal notwendig sein.

Ob der Krempel dann läuft muß sich nach der Bestückung zeigen.

Ich hänge mal ein Beispiel an...dann sieht man, was ich meine...[ATTACH=CONFIG]74268[/ATTACH]
Ich will nicht behaupten, dass mein Gewurstel optimal ist, zumindest funktioniert es bisher...Smile

Viel Erfolg...

Pedda


Angehängte Dateien Thumbnail(s)
   
Hier wird nix gewußt...
Zitieren

#18
Kleinhorn schrieb:Naja, Platinendesign in Fertiggeräten ist schon eine andere Nummer als hier im Hobby...

Warum? Ist da die Physik anders? Nutzen die andere Bauteile? Satellitentechnik?

Ein vernünftiges Layout sieht fast automatisch so aus. Du kannst im Hobbybereich natürlich ein paar Sachen Schludern, zB müssen die Bauteile nicht ganz so perfekt ausgerichtet sein wenn man dadurch ein paar Leiterbahnen leichter verlegen kann. Das ist aber selten der Fall.

Ansonsten gilt bei der Reihenfolge der Platzierung:
- Alles, was angeschraubt werden muss, also einen festen Platz hat, als erstes
- Dann kommen die Stecker, und zwar möglichst kompakt, nicht über die Platine verstreut
- Dann der Rest möglichst logisch setzen
Zitieren

#19
Dann muss man überlegen wo welche Signale lang gehen ohne das sie evtl beeinflusst werden können.

- Stromführende Signale entsprechend dimensionieren
- Masse am besten von der fetten Elkobatterie sternförmig zu jedem Chip und auch zum LS Terminal
- Kleinsignale möglichst weit weg von stromführenden Leiterbahnen
- bei 4 AMPs würde ich kleinere ELKOs an die Stromversorgung am Chip platzieren 220µ/470µ und einen Folienkondesator 100nF parallel
- die Trennung Vorstufe / Leistungsteil würde ich mit Capmultiplikator machen ( Transistor , Widerstand und Kondensator )
- möchte man klanglich noch was rausholen ist die Option mit dem vorgelagerten OPV im Feedback eine gute Wahl
- Widerstände im Signalweg / Feedback das Footprint so wählen das die DALE reinpassen würden
- Feedback so kurz wie es nur irgend geht
- Koppelkonsenator footprint so wählen das was größeres reinpasst ( vlt auch nur der WIMA )
- ggf Eingangswiderstand vergrößern um den Koppelkondensator kleiner wählen zu können
......
....
..
Zitieren

#20
Ich kann mir trotz gleicher Bauteile und gleicher Physik vorstellen, dass ein PCB Designer teilweise eine andere Sicht, Vorgehensweise, zum Medium Platine hat, als ein Hobbyist.
Ist halt nicht mein Beruf und ich erstelle nicht jeden Tag ein Layout....

Schönen Tag noch

Pedda
Hier wird nix gewußt...
Zitieren



Möglicherweise verwandte Themen…
Thema Verfasser Antworten Ansichten Letzter Beitrag
  mal wieder ... Equalizer/Dsp APO - 2xUSB-DAC für ein 2-Wege Stereo Setup Udo 17 3.781 08.01.2025, 23:41
Letzter Beitrag: Udo
  Technische Frage zum DC Blocker mit einer Endstufe... misux 3 1.784 20.11.2023, 17:00
Letzter Beitrag: gesperrter_benutzer_ct
  XTZ A2-300 - Icepower 300AS1 - Umbau zur Mono-Endstufe ala Emotiva PA-1 Brad Majors 1 2.138 23.03.2022, 23:18
Letzter Beitrag: Brad Majors
  Hypex UcD400 OEM 5-Kanal Endstufe - Aufbaufragen Tomax 51 12.137 18.12.2021, 12:03
Letzter Beitrag: Tomax
  Komplettlösung für 2 Wege mit DSP und Netzteil ArLo62 9 2.278 17.11.2021, 19:22
Letzter Beitrag: Azrael
  AVR an Endstufe - es brummt mal wieder Dale 24 8.739 03.06.2021, 08:45
Letzter Beitrag: Dale
  Passende Endstufe zum Horn RC23 74 19.358 18.03.2021, 15:27
Letzter Beitrag: gatedriver
  AVR mit aufteilbarer Vorstufe / Endstufe Dale 21 6.166 11.02.2021, 12:03
Letzter Beitrag: Dale
  Sitronik DSP mit 6 Kanal Endstufe PR54 15 9.171 24.11.2020, 15:43
Letzter Beitrag: Kalle
  Frage(n) zu Platinenlayout bzw Vorlage Kleinhorn 11 2.666 27.07.2020, 18:00
Letzter Beitrag: Kleinhorn

Gehe zu:


Benutzer, die gerade dieses Thema anschauen:
1 Gast/Gäste

Deutsche Übersetzung: MyBB.de, Powered by MyBB, © 2002-2026 Melroy van den Berg.