Ich habe mir gerade zwei Hypex UcD400HG Verstärkermodule, ein Hypex Netzteil SMPS1200A400 und dazu passendes Kabelset gekauft. Beide Verstärkermodule hängen an einem gemeinsamen Netzteil. Ich habe die Teile (zuerst nur ein Verstärker Modul) provisorisch nach bestem Wissen und Gewissen zusammengestöpselt und fotografiert
![[Bild: d7d3f835f02be31796600a5466f2cde2.jpg]](https://uploads.tapatalk-cdn.com/20170916/d7d3f835f02be31796600a5466f2cde2.jpg)
![[Bild: e47bb1dd5e928688ef2df7c87f446764.png]](https://uploads.tapatalk-cdn.com/20170916/e47bb1dd5e928688ef2df7c87f446764.png)
![[Bild: 40856c875725f149d47cce637e7f7783.jpg]](https://uploads.tapatalk-cdn.com/20170916/40856c875725f149d47cce637e7f7783.jpg)
Jetzt hätte ich dazu folgende Fragen zur Bestätigung meiner Annahmen:
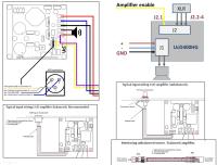
1. Ich nehme an, die Blau-/Braune-Kabel (J2) sind die Stromanschlüsse 230V und gehen an die Strombuchse (bzw. an einen dazwischen geschalteten Ein/Aus Schalter
2. Die Rot-/Schwarz-/Blau-Kabel (J1.2/J1.3/J1.5) gehen an +/GND/- des Verstärkermoduls. Da diese Kabel nur einfach ausgeführt sind, muss ich sie splitten, um beide Verstärkermodule anzuschliessen
3. Die restlichen drei Kabel (J1.1/J1,4/J1.6), die ich zusammengebunden habe, werden nicht genutzt
(wofür ist das "bootstrap driver voltage" J1.1 und J1.4)
4. Die zwei auf dem Foto davor liegenden nicht angeschlossenen Kabel (graues Flachband J4 und sieben schwarze Kabel J5) brauche ich ebenfalls nicht.
5. Das Vierer-Kabel an dem Verstärkermodul ist der Symmetrischer Anschluß an XLR und ein "loses" Kabel zum Einschalten des Moduls. Kann ich dieses lose Kabel ohne einen Schalter permanent mit GND verbinden, so dass sobald das Modul von dem Netzteil mit Spannung versorgt wird, sich das Modul einschaltet? (keine Verzögerung/Softstart notwendig)
Jetzt wird für mich etwas Komplizierter
6. Ich nehme an, dass auch das Netzteil sich sofort einschaltet, sobald es mit Strom/Spannung per Blau/Braun-Kabel versorgt wird. Oder geht es zuerst in Stand-By und muß durch einen zusätzlichen Schaltimpuls (durch bestimmte Verbindungen aus dem Siebener-Kabel (J5) von Stand-By aktiviert werden? Wenn das so ist, welche von den sieben schwarzen Kabel werden dazu benötigt?
Ich lese im Kapitel 5.4 von einem kontrollierten Plop-freien Ein-Ausschalten des Verstärkermoduls, wenn (so habe ich es interprätiert) das vierte, lose Kabel beim XLR-Kabel mit einem von den sieben Kabel (J5) verbunden wird. Ist es so, und wenn ja, mit welchem?
![[Bild: 872b903f28c1d6de73fa8a2100e0b9e6.png]](https://uploads.tapatalk-cdn.com/20170916/872b903f28c1d6de73fa8a2100e0b9e6.png)
![[Bild: d7d3f835f02be31796600a5466f2cde2.jpg]](https://uploads.tapatalk-cdn.com/20170916/d7d3f835f02be31796600a5466f2cde2.jpg)
![[Bild: e47bb1dd5e928688ef2df7c87f446764.png]](https://uploads.tapatalk-cdn.com/20170916/e47bb1dd5e928688ef2df7c87f446764.png)
![[Bild: 40856c875725f149d47cce637e7f7783.jpg]](https://uploads.tapatalk-cdn.com/20170916/40856c875725f149d47cce637e7f7783.jpg)
Jetzt hätte ich dazu folgende Fragen zur Bestätigung meiner Annahmen:
1. Ich nehme an, die Blau-/Braune-Kabel (J2) sind die Stromanschlüsse 230V und gehen an die Strombuchse (bzw. an einen dazwischen geschalteten Ein/Aus Schalter
2. Die Rot-/Schwarz-/Blau-Kabel (J1.2/J1.3/J1.5) gehen an +/GND/- des Verstärkermoduls. Da diese Kabel nur einfach ausgeführt sind, muss ich sie splitten, um beide Verstärkermodule anzuschliessen
3. Die restlichen drei Kabel (J1.1/J1,4/J1.6), die ich zusammengebunden habe, werden nicht genutzt
(wofür ist das "bootstrap driver voltage" J1.1 und J1.4)
4. Die zwei auf dem Foto davor liegenden nicht angeschlossenen Kabel (graues Flachband J4 und sieben schwarze Kabel J5) brauche ich ebenfalls nicht.
5. Das Vierer-Kabel an dem Verstärkermodul ist der Symmetrischer Anschluß an XLR und ein "loses" Kabel zum Einschalten des Moduls. Kann ich dieses lose Kabel ohne einen Schalter permanent mit GND verbinden, so dass sobald das Modul von dem Netzteil mit Spannung versorgt wird, sich das Modul einschaltet? (keine Verzögerung/Softstart notwendig)
Jetzt wird für mich etwas Komplizierter
6. Ich nehme an, dass auch das Netzteil sich sofort einschaltet, sobald es mit Strom/Spannung per Blau/Braun-Kabel versorgt wird. Oder geht es zuerst in Stand-By und muß durch einen zusätzlichen Schaltimpuls (durch bestimmte Verbindungen aus dem Siebener-Kabel (J5) von Stand-By aktiviert werden? Wenn das so ist, welche von den sieben schwarzen Kabel werden dazu benötigt?
Ich lese im Kapitel 5.4 von einem kontrollierten Plop-freien Ein-Ausschalten des Verstärkermoduls, wenn (so habe ich es interprätiert) das vierte, lose Kabel beim XLR-Kabel mit einem von den sieben Kabel (J5) verbunden wird. Ist es so, und wenn ja, mit welchem?
![[Bild: 872b903f28c1d6de73fa8a2100e0b9e6.png]](https://uploads.tapatalk-cdn.com/20170916/872b903f28c1d6de73fa8a2100e0b9e6.png)


![[Bild: d714fc766d679c472b2d7af3abdd5894.jpg]](https://uploads.tapatalk-cdn.com/20171103/d714fc766d679c472b2d7af3abdd5894.jpg)