Themabewertung:
  • 0 Bewertung(en) - 0 im Durchschnitt
  • 1
  • 2
  • 3
  • 4
  • 5
Preamp für Abletec
#21
Hallo Oliver,
sehr gut, dass würde mir genau passen. Auch die LME49710/20/40 Familie ist mir aus einigen, eigenen Selbstbauprojekten gut bekannt. Meine volle Unterstützung! :dance: - :danke:
Danke und Gruß Gabriel
Der Raum und die Aufstellung werden im Allgemeinen unterbewertet!
[URL="http://www.igdh.eu"]
[IMGNR]http://www.igdh.eu/logo_igdh_mini.png[/IMGNR]
[/URL]
Zitieren

#22
Danke, danke.
Aber macht es nicht an einem OP oder OP vs. kein OP fest. Es steckt viel mehr dahinter. Denn: die Schaltung ist, wenn man sich mit dem Thema nicht beschäftigt hat, auch nicht ohne weiteres zu verstehen. Vor wenigen Jahren hätte ich sie selber nicht so richtig verstanden. Es ist wahrscheinlich ein gänzlich ungewohntes Bild. Aber es ist alles richtig so.
Bruno Putzeys hat seine Variante übrigens auch vermessen. Ich kann die Ergebnisse gerne scannen und posten bei Nachfrage. Jedenfalls sind die Messwerte durchaus hervorragend im Vergleich zu meiner Ur-Variante Sokrates (bis auf die CMRR. Aber da habe ich auch "hoch ins Regal gegriffen", um das Machbare auszuloten).
Letztlich hilft nur eins: Aufbauen und selber urteilen.
Derzeit wüsste ich nicht, wie man es besser und noch günstiger machen könnte. Ich bin auch überzeugt davon, daß diese Schaltungstechnik bei Hypex und miniDSP verwendet wird. Alles andere würde meinen (auch unveröffentlichten) Messungen nicht entsprechen.

Grüße
Oliver

P.S. Ich kann gerne bei Bedarf auch erläutern, warum der Weg überhaupt lohnenswert ist.
Im DIY-Sinne von: "Wie entzerre ich einen Breiti" oder "warum ist es eine TML und kein Horn". Aber dazu benötigt man etwas Resonanz, um ein Gefühl für das Interesse zu bekommen.
Zitieren

#23
Hallo Oliver,

schöne Schaltung Smile

Aber warum nicht ein vorgefertigtes IC wie den OPA1632 ? Das IC ist für die Verarbeitung von symmetrischen Signalen und liefert beste Messwerte. Einziger 'Pferdefuß' für DIY ist das SMD-Gehäuse.

Gruß Patrick
スピーカ ist japanisch und heißt Lautsprecher
Zitieren

#24
Potis sind für Weicheier. Der Rocker verbindet den Wandler direkt mir der Endstufe :p
Zitieren

#25
スピーカ schrieb:Aber warum nicht ein vorgefertigtes IC wie den OPA1632 ? Das IC ist für die Verarbeitung von symmetrischen Signalen und liefert beste Messwerte.

Es gibt ja meistens mehrere mögliche Lösungen. Die hier ist über die Zeit gereift und ich sehe sie als die einfachste und günstigste mit Teilen, die man einfach besorgen kann.

Durch diese Art der Lautstärkeregelung verzichtet man auf Signalsymmetrie. Am neg. Ausgang kommt also nichts raus.

Aber die Ausgangsimpedanz ist exakt definiert, gleich der Impedanz am + Ausgang und geht gegen 0 Ohm (im Audiobereich). Das ist alles, was einen symmetrischen Eingang z.B. am Schaltverstärker interessiert.

Signalsymmetrie ist nur bei wirklich langen Kabeln von Vorteil.

Der OPA hat diese Signalsymmetrie. Also wäre die Lautstärkeregelung wieder für beide Signale pro Kanal zu machen.
Als reinen Ausgangstreiber könnte man ihn auch verwenden aber hier wird er für die typische Anwendung ebenfalls nicht wirklich gebraucht.

Es ist ein tolles Teil aber die Lösung wäre aufwendiger und somit teurer bei Vorteilen, die man nicht unbedingt nutzen kann.

Grüße
Oliver
Zitieren

#26
2pi schrieb:P.S. Ich kann gerne bei Bedarf auch erläutern, warum der Weg überhaupt lohnenswert ist.
Im DIY-Sinne von: "Wie entzerre ich einen Breiti" oder "warum ist es eine TML und kein Horn". Aber dazu benötigt man etwas Resonanz, um ein Gefühl für das Interesse zu bekommen.

Hallo,
ich hätte durchaus Interesse an einer entsprechenden Dokumentation. In deutscher Sprache findet man so etwas nur sehr selten Wink

Gruß
Marcel
Zitieren

#27
2pi schrieb:Es gibt ja meistens mehrere mögliche Lösungen. Die hier ist über die Zeit gereift und ich sehe sie als die einfachste und günstigste mit Teilen, die man einfach besorgen kann.
Ganz genau meine Philosophie. Smile Ich bin gespannt wie es weiter geht.

Wenn im Forum Interesse besteht, hätte ich ergänzend eine sehr einfache automatische Eingangswahlschaltung mit anschließendem Puffer, alles asymmetrisch und natürlich High End Wink

Gruß Patrick
スピーカ ist japanisch und heißt Lautsprecher
Zitieren

#28
Ich habe mal ein Layout mit bedrahteten Komponenten gemacht.

   

Allerdings habe ich die Widerstände nicht mehrfach ausgeführt. So sollten sie also gematcht werden, was sehr einfach ist.
Die Platine ist 5x9cm groß geworden. Doppelseitiges FR4 mit Lötstop und Positionsdruck würde die erste 12,40€ kosten und jede weitere 7€. Farbe kann man sich aussuchen (rot, grün, blau, schwarz, weiß).
Porto war bis jetzt immer 10€ vom Hoflieferant, egal, was ich bestellt habe Big Grin
Der Rest liegt an Euch.
Zitieren

#29
Hi,
herzlichen Dank für Deinen Fleiß! :danke:
Ich bin mit 2 Platinen dabei!
Kontonummer und Summe bitte per PM!
Dank nochmal und Gruß Gabriel
Der Raum und die Aufstellung werden im Allgemeinen unterbewertet!
[URL="http://www.igdh.eu"]
[IMGNR]http://www.igdh.eu/logo_igdh_mini.png[/IMGNR]
[/URL]
Zitieren

#30
Ha, ha, Moment Big Grin, das ist bis jetzt nur der "Verstärker".
es fehlen noch Netzteil und Eingangswahl.

Ich nehme das Fernsteuerset von Alps. Aber das heißt ja nicht, daß das die gewünschte Lösung ist.

Und eigentlich wäre es doch schön, wenn jemand eine mögliche Sammelbestellung übernimmt, der das auch bauen möchte Big Grin
Stücklisten bzw. Warenkorb und Doku würde ich natürlich übernehmen.
Zitieren

#31
Hi Oliver,
an meiner Diy-Röhrenvorstufe habe ich gar keine Fernbedienung, ein ziemlich mieses Kohlepoti und Umschaltung mit 2 Miniatur-Kippschaltern. Aber das funktioniert und klingt gar nicht so schlecht, - hm - eine schöne Netzteilplatine wäre schon ein toller Fortschritt. Big Grin -
Die Röhrenfreaks machen sowas am liebsten wild und frei verdrahtet. Cool
Wenn das ganze Modular bleibt, kann man ja jederzeit Um- und Auf-rüsten.
Gruß Gabriel
Der Raum und die Aufstellung werden im Allgemeinen unterbewertet!
[URL="http://www.igdh.eu"]
[IMGNR]http://www.igdh.eu/logo_igdh_mini.png[/IMGNR]
[/URL]
Zitieren

#32
Ein gutes Netzteil ist easy und alles liegt bereit. Aber es hängt von den möglichen weiteren Komponenten ab. Platinenfläche kostet halt auch. Deshalb sollte sie nicht halb unbestückt bleiben.
Zitieren

#33
ghostd schrieb:Hallo,
ich hätte durchaus Interesse an einer entsprechenden Dokumentation. In deutscher Sprache findet man so etwas nur sehr selten Wink

Gruß
Marcel

Ich habe gestern übrigens damit angefangen. Es gibt ein Inhaltsverzeichnis, das jetzt je nach Zeit, nach und nach mit Leben gefüllt wird.

Grüße
Zitieren

#34
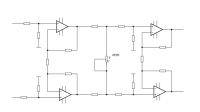
Hallo,

wenn schon 4 Opamp zum Einsatz kommen, dann wäre eine voll symmetrische Lösung auch einfach machbar. Wenn man keinen Wert auf eine schön logarithmische Potikennlinie legt, dann kann man ein normales Stereopot als Shuntregler für 2 Kanäle verwenden.
Falls der schwankende Eingangswiderstand auch egal ist, kann man sogar die Opamps am Eingang weglassen.

Gruß
Thomas


Angehängte Dateien Thumbnail(s)
   
Kick it up a notch !
http://www.akouo.at
Zitieren

#35
Servus Spiri,

die OP Stufen haben jeweils eine bauartbedingte Mindestverstärkung, richtig ?
Dann gäbe es demnach Verstärkung, Abschwächung und wieder Verstärkung. Wenn das stimmt, wäre es eine unvorteilhafte gain structure und der Geräuschspannungsabstand (SNR) würde leiden.

Grüße
Oliver
Zitieren

#36
Hallo Oliver,

Stimmt zum Teil.
Je nachdem, kann man den Eingangopamp oder Ausgangopamp auch nur als Buffer auslegen oder wie schon erwähnt am Eingang den OP ganz weglassen.
Alles niederohmig auslegen, dann ist der SNR auch nicht schlechter. Wenn es die maximale Aussteuerung zulässt ist vorher Verstärken und nach dem Poti nur ein Buffer wahrscheinlich die beste Lösung, denn Signal und Rauschen der ersten Stufe wird gleich weit abgeschwächt.
Eine Grundabschwächung ist ein Zugeständnis an diese Potentiometerbeschaltung, aber ich finde die Vorteile überwiegen.
Die OP-Stufen haben dann fixe Verstärkung und das Poti bestimmt nicht die Verstärkung. Besonders bei Stereopotentiometer ist der Gleichlauf und die unterschiedlichen Widerständen nicht ideal.
Die Symmetrie ist für mich der größte Vorteil dieser Schaltung.
Hatte solche 'Schuntpoti' mit Relais aber auch mit ALPs Pot immer wieder im Einsatz bis ich auf den Muses72320 gekommen bin.
Das ist für mich klanglich das beste.
Kick it up a notch !
http://www.akouo.at
Zitieren

#37
Hallo allerseits,

als Preamp werde ich diese hier verwenden =>

http://www.roe-hifi.de/de/Verstaerker/Vo...tAodchgAWw

Die Betriebsspannung ist 16V/500mA. Ein einfaches Netzteil ist dabei, jedoch möchte ich gerne alles in ein Gehäuse bauen.
Bestellt ist ein AMS1000-2600 Modul. Dieses liefert laut Datenblatt eine Hilfsspannung von 9-21 Volt/ 600 mA.

Macht es Sinn diese Hilfsspannung zu nutzen? Oder besser das hauseigene Netzteil von Pro Ject? Oder vielleicht gleich ein Schaltnetzteil verwenden????Confused

Vom Gefühl her würde ich tippen, dass das Netzteil für diese Vorstufe nicht wirklich den Klang beeinflusst ...... habe aber keine Erfahrung damit.

Vielleicht weiß jemand von euch Rat??

Gruß
Jörg
Zitieren

#38
je nach dem ob ich den Amp symmetrisch einspeise , würde ich
zB. auch diese Platine nehmen.
http://www.thel-audioworld.de/module/HQ-SYM/HQ-Sym.htm

Dieter
Die eigene Erfahrung hat den Vorteil völliger Gewißheit. #Schopenhauer#

Meine MusikQuelle.
http://http://www.di.fm/chillout/
Zitieren

#39
2pi schrieb:Ich habe gestern übrigens damit angefangen. Es gibt ein Inhaltsverzeichnis, das jetzt je nach Zeit, nach und nach mit Leben gefüllt wird.

Also ich habe jetzt 8 Seiten geschrieben mit Bildern. Es ist etwa Halbzeit. Ich hoffe, ich kann dadurch für etwas Aufklärung sorgen.

Grüße
Zitieren

#40
joe.man schrieb:...
Die Betriebsspannung ist 16V/500mA. Ein einfaches Netzteil ist dabei, jedoch möchte ich gerne alles in ein Gehäuse bauen.
Bestellt ist ein AMS1000-2600 Modul. Dieses liefert laut Datenblatt eine Hilfsspannung von 9-21 Volt/ 600 mA.

Macht es Sinn diese Hilfsspannung zu nutzen? Oder besser das hauseigene Netzteil von Pro Ject? Oder vielleicht gleich ein Schaltnetzteil verwenden????Confused

Vom Gefühl her würde ich tippen, dass das Netzteil für diese Vorstufe nicht wirklich den Klang beeinflusst ...... habe aber keine Erfahrung damit...

Wenn du die Versorgung der PreBox verbessern möchtest, musst du den im Gehäuse sitzenden Teil der Spannungsversorgung austauschen. Das Steckernetzteil macht lediglich die Grundversorgung, die Spannungen für FB-Teil und Pre werden erst im Gehäuse erzeugt.
Möchtest du nichts verbessern kannst du die interne Versorgung statt aus dem Steckernetzteil auch aus der Hilfsspannung des AMS speisen.

lg
Marcus
Zitieren



Möglicherweise verwandte Themen…
Thema Verfasser Antworten Ansichten Letzter Beitrag
  Vollvertstärker nur als PreAmp? TomBear 3 1.784 22.07.2023, 20:41
Letzter Beitrag: wgh52
  Suche Anschlussplan für LiTe MV04 Remote preamp board dy1026u 4 2.019 23.02.2020, 01:09
Letzter Beitrag: Olaf_HH
  Anaview Abletec AMS0100 / ALC0180 / ALC0240 Feldweg 6 5.301 06.05.2019, 11:44
Letzter Beitrag: vex
  Mehrkanal PreAmp - DIY oder Kommerz ? Mr.Zuk 5 2.475 29.12.2018, 21:22
Letzter Beitrag: Mr.Zuk
  Preamp mit Raspberry Pi 2 fernsteuern? waterburn 0 1.263 27.11.2018, 20:02
Letzter Beitrag: waterburn
  gainchooser preamp Chris1 0 1.162 20.04.2018, 20:26
Letzter Beitrag: Chris1
  Übertrager Preamp erwünscht josh_cpct 11 4.548 23.02.2018, 16:16
Letzter Beitrag: MatthiasP
  AV-Preamp gesucht, der nicht tief baut... Jonies Papa 12 3.400 18.08.2017, 10:10
Letzter Beitrag: nhs
  passiv Preamp mit Fernbedienung dieterschneider 1 1.535 23.11.2016, 22:50
Letzter Beitrag: Nolie
  Hifi Berry mit miniDSP als preamp HuBert0881 11 4.796 25.10.2016, 20:08
Letzter Beitrag: ansch

Gehe zu:


Benutzer, die gerade dieses Thema anschauen:
1 Gast/Gäste

Deutsche Übersetzung: MyBB.de, Powered by MyBB, © 2002-2026 Melroy van den Berg.