Themabewertung:
  • 0 Bewertung(en) - 0 im Durchschnitt
  • 1
  • 2
  • 3
  • 4
  • 5
DAC-7 Weiliang ist geliefert
#21
tja , da bin ich immer froh, dass ich keinen PC habe.

Wäre es da nicht besser, wenn man so eine Soundkarte mit
Optischen Toslink Ausgang einsetzt ?
http://www.amazon.de/CSL-Soundkarte-Surr...007CXE21Q/

Dieter...
der nach wie vor hin und weg vom DAC7 ist.
Toslink befeuert :-)
Die eigene Erfahrung hat den Vorteil völliger Gewißheit. #Schopenhauer#

Meine MusikQuelle.
http://http://www.di.fm/chillout/
Zitieren

#22
Hallo Dieter,
Das CM6631 USB-Modul läuft ja im DAC5 u.Dac9 !! Also Musik vom PC ist grundsätzlich nicht das Problem. Der X-MOS-Decoder läuft an meinem Windows XP PC nicht! Treiber?? Das XMOS Modul aus dem Sockel ziehen und ein anderes benutzen! - Das wäre die letzte Option!
Gruß Gabriel
Zitieren

#23
ja schade Gabriel ... ich kann dir leider nicht helfen.
blöde mensch...

Dieter
Die eigene Erfahrung hat den Vorteil völliger Gewißheit. #Schopenhauer#

Meine MusikQuelle.
http://http://www.di.fm/chillout/
Zitieren

#24
Hallo,
habe diese Luxus-Version des Sabre 9018 Weiliang DACs entdeckt:
http://www.ebay.de/itm/141088296880?ssPa...1423.l2649
ABER MIT CM 6631 USB MODUL !!
Habe in anderen Foren gestöbert: Der XMOS USB macht gelegentlich Probleme bei der Auto-Erkennung! :mad:
Gruß Gabriel
Zitieren

#25
ja Gabriel , diese Version hat es in sich :-)
mit Audio IC,s
mit USB Modul
mit 2 Trafos
mit Gehäuse
"we will test and turn it on for at least 48 hours before shipping."
Der Test vor dem versenden ist ja auch lobenswert !
"we can provide schematics if you need it"
Ist ja auch fein, dass die einem Schaltpläne zu senden, wenn gebraucht :-)
Was ich nicht ok finde, 43€ Versand....

Dieter
Die eigene Erfahrung hat den Vorteil völliger Gewißheit. #Schopenhauer#

Meine MusikQuelle.
http://http://www.di.fm/chillout/
Zitieren

#26
Hallo Dieter,
da das ja alles mit Luftpost kommt, und jedes Gramm zählt, ist das bei "about 4kg" = 2 x Trafo + sehr großes Gehäuse, schon sehr plausibel! Cool
Leider! - Aber ich habe noch was ganz anderes entdeckt:
http://www.ebay.de/itm/141036792639?ssPa...1423.l2649
Für knapp 100€ incl. Porto und den neuesten Windof`s Treibern, in meinem Fall: "EIN SCHNÄPPCHEN !!"
Herzlichen Gruß Gabriel !

Aber, dass der Luxus-Weiliang-DAC so einfach durch den Zoll flutscht, glaube ich auch nicht (+ca.56,-€ )!!
Zitieren

#27
Hallo zusammen,
ich habe den DAC 7 auch seit einigen Tagen bei mir laufen. Habe das fertig aufgebaute Modul auch deshalb gekauft, um mal wieder mit der Wandlertechnolgie in Berührung zu kommen (meiner ersten letzten Wandler habe ich 1997 gebaut) und zu üben. Als alter Analogfreak muss ich aber zu einigen Punkten etwas loswerden. Nebenher ist mir noch etwas am S/PDIF Eingang aufgefallen, was ich für hochinteressant halte. Aber mal der Reihe nach.

Die Platine selbst macht einen sehr hochwertigen Eindruck - wer also noch was nachträglich modifizieren möchte kann dies sorglos tun. Mit zwei getrennten RK-Trafos - einmal mit 2x15 Volt und einmal mit 2x9 Volt - verbunden konnte es gleich losgehen. Leider zeigte sich hier auch gleich die erste Hürde - dies lag aber nicht am DAC 7. Mein CD-Player, ein Cambridge Audio Azur 304C, wollte einfach nicht daran laufen. Es kamm einfach zu keiner Synchronisation, die rote LED blieb aus. Mein uralt DVD-Player von Philips lief dagegen tadellos. An meinem Interface - ein Motu Ultralite MKI - lief der Cambridge dagegen Fehlerfrei. Also Fehlersuche.
Da der 340C von mir nach den Vorgaben von Stefan Horwege - http://www.hoer-wege.de/ - modifiziert wurde, nebst einer neuen Masterclock und einer neuen analogen Ausgangsschaltung nach eigenen Ideen, habe ich diesen auch als erstes kontaktiert. Seine Aussage: "wenn der 340C nur mit dem Einen nicht „kann“, mit allen anderen aber, dann liegt es nicht am Kabel. [FONT=&quot][/FONT]
Dann ist der Ausgangs-Pegel vom 340C für den DAC zu niedrig.
S/P-DIF COAX fordert 0,5V pp an 75 Ohm. Manche Eingangs-Receiver funktionieren bereits mit 0,4V pp nicht mehr. Also einfach den Pegel erhöhen."

Pegel erhöhen?? Mein sportlicher Ehrgeiz verbot es mir noch weiter nach zu fragen. Also machte ich mich an die Recherche der Verschaltung des S/PDIF Ausganges. Dabei waren mir die Seiten von Beis ausgesprochen hilfreich. Beis ist ja nun jemand, welcher technisch alles mit der richtigen Gründlichkeit konzipiert. Und bei dessen AD-Wandlerbausatz ist die Konzeption eines S/PDIF Ausgangs auch wunderbar ablesbar. Dann habe ich als nächstes noch die Signalqualität der S/PDIF Ausgänge des 340C mit dem des DVD-Players von Philips verglichen. Und was ich gesehen habe hat mich doch glatt umgehauen. War das Signal am Philips DVD-Player ein sehr sauberes Rechteck, war das Signal am 304C nicht nur geringfügig schwächer, sondern auch komplett verformt. Das hatte mit einem Rechteck nun wirklich gar nichts mehr zu tun. Wie da ein Wandler was bei rauslesen kann ist mir völlig schleierhaft.
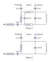
Jetzt habe ich erst mal die Schaltung am Ausgang unter die Lupe genommen (siehe Skizze1). Dabei fiele mir auf das ein Teilerwiderstand im Vergleich zu anderen Schaltungen recht niedrig war. 91 Ohm anstelle von 110 Ohm, welche so gut wie immer genommen wurden, auch von Beis. Und die mit 2x 330pF doch recht hohe Kapazität am Ausgang. Am Ausgang des Trennbausteins zwischen dem optischen Ausgang und S/PDIF lagen ca. 2,42 Volt an, macht mit der Spannungsteilung im 340C etwa 0,4 Volt mit 91 Ohm und 0,5 Volt mit 110 Ohm. Also auf 110 Ohm geändert, und das Signal wurde tatsächlich kräftiger, war aber immer noch verformt. Und es funktioniert immer noch nicht am DAC 7. Nachdem ich die beiden Spulen im Ausgang entfernt und die Kapazität von 2x 330 pF auf 1x 180 pF gesenkt habe (s. Skizze2), war das Signal plötzlich sehr sauber und der 340C lief am DAC einwandfrei! Und nicht nur das. Jetzt war der 340C als reines Laufwerk plötzlich deutlich besser als der Philips DVD-Player. Vorher war das immer so lala, anders, aber nicht unbedingt besser. Keine Klangunterschiede über S/DIF mittels Kabbel und/oder Signalqualität??? - denkste!!!

Fazit: der DAC 7 braucht ein sauberes, der Normvorgabe entsprechendes S/PDIF-Signal, ansonsten verweigert er einfach den Dienst.

Übrigens, der DAC 7 verwendet im Eingang den gleichen Signaltrafo, welchen Beis auch für seine S/PDIF Ausgänge verwendet. Ein Qualitätsplus? Ich denke schon.

Jedenfalls klingt der DAC 7 mit meinem 340C schon richtig gut. Inwiefern sich die oben beschriebene Problematik am USB Eingang bemerkbar machen kann, kann ich nicht sagen. Ich will den DAC 7 auch nicht per USB nutzen, sondern lediglich per S/PDIF. Und der opt. Ausgang am 340C dürfte in diesem Falle nicht betroffen sein. Testen konnte ich es allerdings nicht, da ich kein Glasfaserkabel im Hause hatte.

Im nächsten Teil folgt noch eine Abhandlung zur Spannungversorgung und dem analogen Ausgangsteil. Das wird auch noch mal spannend. Aber nicht zuviel auf einmal...Smile

Gruß

Loetheinz


Angehängte Dateien Thumbnail(s)
   
Zitieren

#28
Hallo, sehr sehr spannend!!!
Lässt das Rückschlüsse auf das hoer-wege tuning zu?
Viele Grüße, Thomas

Es ist genug, wenn es genug ist.

Zitieren

#29
tiefton schrieb:.....
Lässt das Rückschlüsse auf das hoer-wege tuning zu?

Hallo tiefton,
ich habe das Gerät ja selbst getunt, also Gehäusdämmung, bessere Siebung und einige Spannungsregler getauscht. Die Ausgangsstufe habe ich komplett neu entworfen mit eigener Filterarchtektur. Von Hoerwege stammt lediglich die Masterclock.

Ich habe Hoerwege auch nur wegen dem Tip erwähnt. Die digitale Ausgangssektion war ja bis dato noch unangetatstet. Inwieweit ein Original-Hoerwege-Tunning da hineinreicht weis ich somit nicht (ob die das also auch ändern). Insofern sehe ich hier keine Rückschlussmöglichkeit für deren tunning.

Die Tunning-Tips von deren Seite hatten es allerdings in sich. Hat sich gelohnt!

Allerdings geht es hier ja primär um den DAC 7.

Ich werde heute abend noch den Rest zur Spannungsversorgung und dem analogen Ausgangsteil schreiben. Ist nicht minder spannend.
Zitieren

#30
Hallo zusammen,
hier jetzt der versprochene Nachtrag zur Spannungsversorgung und zur analogen Ausgangs- und Filterstufe.

Seitens der Spannungsversorgung habe ich schon im Vorfeld gelesen das der DAC 7 ziemlich heiss wird. Nachdem ich einen Schaltplan vom DAC 7 gefunden habe - siehe PDF unten - fiel mir auf das die Spannungsregelung selbst diskret aufgebaut ist, was ja im Ansatz erst mal vielversprechned ist. Der qualitative Aufwand hält sich jedoch in Grenzen, und eine Spannungsregelung in Class-Technik ist allein noch nicht der Bringer. Die allgemeinen Bewertungen zum Klang - samtweich, hochauflösend, aber wenig Spritzigkeit - kann ich sehr gut nachvollziehen. Insgesamt klingt der DAC sehr angenehm und schön - Lebendigkeit vermisse ich jedoch auch. Somit habe ich den Versuch gestartet und erstmal die Kondensatoren vom Typ BC komplett getauscht gegen Elna SilmicII. Auf der Ebay Seite des Anbieters war von 10x 4.700 uF die Rede. Das stimmte natürlich nicht, es waren nur 2.200er drin. Macht aber nichts, diese reichen vollkommen aus, erst Recht als Elna SilmicII, ebenfalls in 2.200er Version. Danach habe ich noch die Spannungsreglelung entschlackt, gegen normale Spannungregler, jedoch vom Typ MC79xx und MC78xx. Wichtig! Keine LM Typen. Das Rauschen bei den MC Typen ist ca. 90% geringer und der Ausgangswiderstand auch um den Faktor 10 geringer. Das Ergebniss: das Klanggeschehen wurde sehr lebendig, aber ohne Schärfe. Die Differenzierung nahm speziell im Bassbereich noch deutlich zu - das war dann nicht nur schön, sondern schon richtig gut. Und die Wärmeentwicklung ging sehr deutlich zurück.

Zum analogem Ausgang: im Gegensatz zur Ebayanzeige waren keine OPA2604 verbaut, sondern lediglich 2x NE5532 und einmal TL072. Letzerer dient lediglich als aktive Masse und/oder Gleichspannungregelung. Nun ist der NE5532 ja nicht gerade die Creme de la Creme unter den OP-Amps, jedoch richtig konfiguriert kann man damit sehr erstaunliche Ergebnisse erreichen. Und das ist hier offensichtlich gelungen. Womit wir bei dem nächsten Thema wären - dem Austausch der OP-Amps. In linearen Schaltungen mag das gehen, jedoch halte ich das ganze in Filterschaltungen für ein absolutes NO-GO. Die OPs haben alle unterschiedliche Bandbreiten, Slew-Rates und Anforderungen an die passende Versorgungspufferung. Dem sollte beim OP-Amps Austausch Rechnung getragen werden. Die erzielbaren Werte bezüglich Phasenlinearität und Frequenzgang hängen ganz wesentlich von diesen Parametern ab. Man kann das wunderbar mit diesem Programm simulieren - http://www.softwaredidaktik.de/filter/ . In der Datenbank sind fast alle erhältlichen OPs enthalten. Die errechneten Werte und Ergebnisse bei gleichen Vorgaben unterscheiden sich zum Teil erheblich. Ich habe als erstes einen LME49720 im TO99 Gehäuse probiert - das Teil wurde kochend heiss - Schwingneigung!! Der Klang war eher bescheiden. Ich habe alles probiert - es lief nicht mit dem LME49720. Soviel zum Thema Austauschbarkeit. Ich habe jetzt die OPA2134 drin, leider noch nicht mit der neuen Filterarchtektur. Zur Zeit klingt es einerseits etwas flotter, aber nicht so homogen und ausgeglichen wie mit dem NE5532. Dafür sind die Klangfarben differenzierter, vielseitiger. Und die Klangfarben im Bass sind einfach umwerfend. Die Schaltung scheint mir auf den NE5532 ausgelegt. Ist aber auch ein sehr gutmütiger und einfach zu beherschender OP-Amp. Sobald ich das neue Filter drin habe, wird wieder neu berichtet.

Erwähnen möchte ich noch, das die Dimensionierung bezüglich der Gesamtimpedanz eine gänzlich andere ist als die von Wolfson empfohlene. Die empfehlen eine sehr niederohmige Architektur (ca. 200 Ohm) und beim DAC 7 sind es ca. 10 kOhm.

Jedenfalls ist der DAC 7 schon im Ausgangszustand sehr gut. Und durch seinen Aufbau in klassischer Technik - kein SMD, solide Platine - bietet er dem Tunning-Fan eine vielversprechende Spielwiese. Bin gespannt wieweit mich dieses Experiment noch bringt.

In diesem Sinne

Loetheinz


Angehängte Dateien
.pdf   DAC7_Schematic.pdf (Größe: 123,51 KB / Downloads: 187)
Zitieren

#31
hier meine Erfahrung DAC 7 via USB.
Ich bin sehr sehr glücklich mit dem DAC 7 via Toslink.
Eine wundervolle Räumlichkeit und druckvolle Tiefe,
ohne in den höhen aufdringlich zu sein, ein wirklich wertvoller DAC.
Ich muss sagen, dass er bei mir im Dauerbetrieb ist,
ich schalte ihn also nie aus.
Ich dacht via USB könnt ich dem noch einen drauf setzten.
Weit gefehlt ....:
http://macde.macbay.de/XMOS_USB/page1/page1.html

Dieter

Ob der SABRE 32 ES9018 noch besser sein kann, werd ich hören.
Die eigene Erfahrung hat den Vorteil völliger Gewißheit. #Schopenhauer#

Meine MusikQuelle.
http://http://www.di.fm/chillout/
Zitieren

#32
Hallo Dieter,
mittlerweile hat es sich ja schon herumgesprochen das die USB-Module des DAC 7 nicht so der Bringer sind. Nun ja, ich denke für das Geld kann man nicht alles haben. Davon abgesehen finde ich selbst bei Audio-Interfaces die USB-Variante nicht so dolle - Firewire war qualitativ irgendwie besser - und Störungsfreier.

Was solls, beschränkt man sich halt auf S/PDIF coax und opt.

Mir ist aber aufgefallen, das der Controller des DAC 7 noch 3 weitere Eingänge frei hat. Da wäre also noch Platz für eine AES/EBU Variante - etwas für den Pro-Audio Bereich. Wenn das gelingt, wäre das schon ein weiteres Schmankerl.

Jetzt warte ich aber erst mal auf die Teile für die Neudimensionierung der Filterstufe mit dem OPA2134. Mal sehen was das bringt...
Zitieren

#33
tja Heinz, dann hoffe ich mal für dich, dass du
erreichst, was du haben möchtest.

Ich wüßte im Netz nicht, wo ich sonst noch berichte
vom DAC 7 lesen könnte ...

Dieter
Die eigene Erfahrung hat den Vorteil völliger Gewißheit. #Schopenhauer#

Meine MusikQuelle.
http://http://www.di.fm/chillout/
Zitieren

#34
Hallo,
muß dann mal nachtragen!
Da die Lieferung aus China ja zum Teil sehr lange brauchen (unser Zoll ist da nicht unschuldig!), schleppt sich das Ganze bei mir auch nur mühsam dahin. Fahre den DAC 9 mit Coax-Eingang am Denon DCD 1560 und habe dort einen deutlichen Sprung nach vorne gemacht! Der AK4399 mit X-MOS USB Converter:
http://www.ebay.de/itm/141036792639?ssPa...1423.l2649
ist eingetroffen. Dito neue Windows-Treiber. Warte noch auf ein spezielles Gehäuse(siehe Anschlüsse!) und kleine Silentblocks:
http://www.ebay.de/itm/251057846866?ssPa...1497.l2648
für den Trafo!
Der DAC 5 läuft mit CM6631A USB-Modul mittlerweile an Windows 7! Hier sehr zufrieden stellend!
Gruß Gabriel
Zitieren

#35
ja klanglich ist das CM6631A USB-Modul sehr gut.
Nur meins hat den Fehler, dass in den Pausen zwischen
den Musikstücken, er aus der Synchronisation raus und
beim nächsten Stück sich wieder einschaltet.
Und das mit einem zischen :-(
Also mein CM6631A USB-Modul ist da falsch programmiert.
Oder ich müßt die Firmware updaten ...

Dieter
Die eigene Erfahrung hat den Vorteil völliger Gewißheit. #Schopenhauer#

Meine MusikQuelle.
http://http://www.di.fm/chillout/
Zitieren

#36
Hallo,
habe jetzt das 1. mal Zoll für Post aus China bezahlt! Das Gehäuse für:
http://www.ebay.de/itm/141036792639?ssPa...1423.l2649
ist eingetroffen und knapp 8,50€ mussten bei DHL gestern Abend entrichtet werden! Trafo ist auch vorhanden und werde wohl heute Abend "Fertich"=Vollzug verkünden können!
Gruß Gabriel
Zitieren

#37
schön Gabriel !!!
für das Gehäuse habe ich auch mal was bezahlt.
-
Für alle die noch aus dem fernen Osten Sendungen erwarten,
habe ich von einem in China erfahren, dass viele im
Frühlingsfest Urlaub sind !!!


Mit dem CM6631A USB-Modul Versender bin ich wegen der
fehlenden ständigen Rastung zwischen CM6631A und DAC
im Gespräch.
Ob man Soft oder Firmware updaten kann zB.
Nötig wäre es ja...

Ich habe im diyhifishop.com den ES9018 geordert...
ich bin gespannt, ob der dem DAC7 noch einen drauf setzen kann :-)
[Bild: ES9018a.png]
Der ES9018 DAC hat 8 interne Kanäle,
4-Kanal in einer parallelen Konfiguration für jeden Stereo Kanal.
Auf der Platine sind viele Volt Prüfpunkte mit Voltzahl auf gedruckt.
Also richtig klasse , wenn mal was sein sollte.
Symetrische Audio Ausgänge sind auch vorhanden.
[Bild: ES9018board.jpg]

http://diyhifishop.com/es9018-32bit-192k...p-106.html

Dieter
Die eigene Erfahrung hat den Vorteil völliger Gewißheit. #Schopenhauer#

Meine MusikQuelle.
http://http://www.di.fm/chillout/
Zitieren

#38
Hallo,
habe jetzt alle Bohrungen im Gehäuse! - und Trafo u. HAUPTPLATINE(5 mm statt 10 mm Distanzbolzen, wie im DAC 5 UND DAC 9!!) im Gehäuse eingebaut. Big Grin Es fehlen noch Sicherungshalter und Verkabelung. Hoffe, heute Abend noch "Fettich"= Vollzug melden zu können! Muss aber gleich noch mal aus dem Haus! :mad: Arzt-Termin !! Obwohl, - mir geht es ganz gut Wink !
Gruß Gabriel
Zitieren

#39
Hallo zusammen,
ich wundere mich auch warum einige über die momentane Situation bei "minishow" meckern. In der Ebay Anzeige steht groß und breit das der Verkäufer zur Zeit abwesend ist und sich die Abwicklung deshalb hinzieht. Nun ja, Geduld ist die Mutter der Porzellankiste...

@Dieter: den Sabre hatte ich auch im Auge. Letztendes habe ich mich für die günstigere Variante entschieden weil es für mich doch lediglich ein Übungsprojekt ist. Der Vergleich zwei Wolfson 8741 gegen einen Sabre9018 dürfte spannend ausfallen

Ansonsten habe ich an meinem DAC 7 mit der "unfertigen" Ausgangsstufe (nicht OP-Spezifische Filterdimensionierung) ein sonderbares Eigenleben im Bereich ab 12 kHz am Osziloskop (100MHz HP, analog) entdeckt. Bin gespannt ob es besser wird wenn die Filterdimensionierung stimmt. Die Ausgangsstufe im Cambridge 340C, welche ich richtig abgestimmt habe, arbeitet völlig sauber bis 20kHz (auch mit OPA134). Das witzige ist, das man das auch hören kann, das da irgendwas nicht stimmt. So klingen Aufnahmen mit viel Hall (Kirchenakustik) irgendwie unstimmig und sonderbar (Jan Garbareck, Officium). Morgen bekomme ich die Teile und am WE wird die Filterstufe fertiggestellt.

Bis dann

Loetheinz
Zitieren

#40
Bin auch mal auf den China 9018 gespannt. Bisher hört man bei "billigen" Implementierungen nur von massenweisen Problemen.

Aber ich drück dir die Daumen dieter.
(Und damit gleichzeitig uns :-) )
Zitieren



Möglicherweise verwandte Themen…
Thema Verfasser Antworten Ansichten Letzter Beitrag
  phono pre in Schallgeschwindigkeit geliefert High5 15 3.421 03.02.2024, 18:58
Letzter Beitrag: stefankhh
  ESS - ES9018 Weiliang DAC Gabrie 130 47.442 13.02.2017, 12:44
Letzter Beitrag: kampfameise
  Welche OP-Amps in Weiliang-DACs ? Gabrie 15 5.217 19.09.2013, 20:56
Letzter Beitrag: Gabrie
  WEILIANG DAC-05 Tuning dieterschneider 0 2.610 12.01.2013, 19:36
Letzter Beitrag: dieterschneider

Gehe zu:


Benutzer, die gerade dieses Thema anschauen:
1 Gast/Gäste

Deutsche Übersetzung: MyBB.de, Powered by MyBB, © 2002-2026 Melroy van den Berg.