Themabewertung:
  • 4 Bewertung(en) - 5 im Durchschnitt
  • 1
  • 2
  • 3
  • 4
  • 5
L15D und stärker Digital Audio Amp mit IRS2092
Hallo,
ich habe 2 von diesen :
YZ-IRAUD200 Momo Class D Power amplifier board IRFB4227 IRS2092S

angeschlossen. der eine hat ein DC-Offset von 10mv
aber der andere 180 mv und das LS-Schutzmodul schaltet dann nicht!
Hat das Board ein defekt ? Kann man was ändern? widerstand tauschen oder so?

hab schon an Along geschrieben, kommt aber keine Antwort.
Grüße:
Denis
Zitieren

Hallo Saarmichel
Wäre es sinnvoll Die ClassD- Module am Ausgang mit einem hochohmigen Wiederstand abzuschließen?
Ich wollte damit eine Schwingneigung bei offenem Ausgang vermeiden. Dachte da an 400 ohm und 10 Watt.
Oder ist meine Gedanke Unfug.
berny
Zitieren

rst1 schrieb:Aber was war denn eigentlich das Problem, welches zu dem Ausfall führte? Sollten diese Module nicht quasi plug&play sein? Ist denn da noch was einzustellen?


Was war denn bei dir in dem Fall unnormal?

Hallo,

wie Simon (User P.A.M) schon geschrieben hat, war der Ruhestrom wohl "etwas" zu hoch eingestellt. Wenn die max. Temperatur eines Halbleiters überschritten wird, dann verliert er seine Halbleitfähigkeit ( Isolator/Leiter ) und er wird meist zum Leiter, wohl leider seltener- bis gar nicht, zum Isolator. Die Leitfähigkeit wird dann nicht mehr von einem Steuerstrom gesteuert, sondern ist permanent vorhanden. Dabei erwärmt sich der Halbleiter wohl immer schneller, es fließt dann wohl immer mehr Strom, was dann noch mehr Wärme erzeugt, usw, usw. Dieser Teufelskreis geht wohl ab einen gewissen Punkt dann ganz, ganz schnell.

Der Ausfallgrund war in diesem Fall wohl ganz klar ein überhitzen durch zu hohe Ruhestromeinstellung. Die anfallende Abwärme konnten die Kühlkörper nicht mehr abführen.

Das Board hat zum einstellen des Ruhestromes ein Poti verbaut.

Ist so ähnlich wie bei den AudioCreativ Class A/B Amps. Siehe: http://www.audiocreativ.com/download/Ruhestrom.pdf

Allerdings kommte man an den beim Thai-Amp verbauten 0,22 Ohm Emitterwiderständen gar keinen Spannungsabfall messen, egal ob min- oder max-Stellung am Poti. Ich habe dann den Spannungsabfall an einem der MOX-Widerständen- direkt neben dem Poti gessen. Ursprünglich war dort 1250 mV zu messen, die habe ich auf 1500 mV hochgedreht hatte. Ich war mir, da ich auch keinen Schaltplan habe, nicht sicher was ich da messe. Die Differenz erschien mir aber nicht allzu groß und vertretbar, da ich den Verstärker auch eigentlich genaustens im Auge behalten wollte- eigentlich.....

Wie schon geschrieben, tat sich auch die erste 1/2 Std. relativ wenig. Ich kann nur vermuten, dass der Ruhestrom dann irgendwann ins driften geraten ist und quasi eine Kettenreaktion auslöste. Von gut "handwarm" bis zu "schweineheiß" der beiden Kühlkörper, vergingen höchstens 15-20 min. und das gleichzeitig an beiden Kanälen.

Es war ein Fehler ohne genaue Schaltplankenntnisse und Anleitung zur Ruhestromeinstellung, da überhaupt was einzustellen zu wollen.

Dieser Fehler war ja schon ziemlich waghalsig und dumm. Das ich dann aber den Amp bei allem Zweifel- unter diesen Betriebsbedingungen nicht besser überwacht habe, war ein noch deutlich größerer Fehler. Mein Infrarot-Thermometer und Energieverbrauchanzeigegerät hätten mich, hätte ich die zu Kontrollzwecken eingesetzt, sicherlich noch rechtzeitig warnen können. DAS alles, könnte ich ja noch unter "dumm gelaufen" verbuchen.

Aber das ich das deutlich kostspieligere Hypex SMPS1200A700, durch eine total unüberlegte Aktion noch gleich hinterher mit geschrottet habe, dass ist wirklich unverzeihlich.

Ich verbuche es als schmerzhaftes Lehrgeld :o

Gruß

Michael
Zitieren

Moin,

danke. Die eigentliche Frage ist allerdings immer noch: _muss_ man da was einstellen (sprich: die kommen optimal geliefert) oder _kann_ man (sprich: man kanns optimieren, muss aber nicht, es wird einem durch nicht vorhandenen Doku aber auch nicht einfach gemacht)?

(nein, ich möchte da nicht weiter in deinen Wunden stochern, mich interessierts nur, wirklich Smile )
Viele Grüße,
Ralf
Zitieren

Ich hab mir das Thai SMPS von Narin bestellt. Die 24Volt, die da auch verfügbar sind, reichen die für die Schutzschaltung von Along? Das Modul will ja eigentlich 12V AC haben, aber die Relais sind ja 24 Volt Relais. Hat Jemand Erfahrungen mit der Kombi?
Zitieren

Saarmichel schrieb:Wenn die max. Temperatur eines Halbleiters überschritten wird, dann verliert er seine Halbleitfähigkeit ( Isolator/Leiter ) und er wird meist zum Leiter, wohl leider seltener- bis gar nicht, zum Isolator. Die Leitfähigkeit wird dann nicht mehr von einem Steuerstrom gesteuert, sondern ist permanent vorhanden. Dabei erwärmt sich der Halbleiter wohl immer schneller, es fließt dann wohl immer mehr Strom, was dann noch mehr Wärme erzeugt, usw, usw. Dieser Teufelskreis geht wohl ab einen gewissen Punkt dann ganz, ganz schnell.

So ist es, schön erklärt ! Smile Wiki hat dazu wieder ein schönes Diagramm. Da sieht man auch die Temperaturen und ab wann die Eigenleitung anfängt: http://upload.wikimedia.org/wikipedia/co...ter_DE.svg
Wie man sieht, geht das exponentiell ! Also etwas mehr Temperatur kann VIEL mehr strom bedeuten.....
Ist übrigends bis zu einem gewissen Punkt reversibel wenn man dann wieder abkühlt. Meistens wird das durch den positiven Temp.koeffizienten allerdings ein Teufelskreis und der Halbleiter wird noch weitaus heisser. Dabei gibts dann Diffusionsprozesse und P und N dotierte Halbleiterschichten "mischen" sich und das wars dann endgülltig. Der Transistor ist dann dauerhaft nur noch ein "echtes" Stück Metall Sad
MOSFETS, vor allem die modernen HEXFETS sind hier noch weit empfindlicher.


Die Sache mit dem Ruhestrom ist mir jetzt völlig klar nachdem ich einen Blick auf deine Platine geworfen habe.
Sehe ich richtig, dass NUR die Endtransistoren auf dem dicken Kühlkörper sind ?

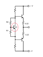
Eine typische Ruhestromstabilisierung sieht so aus. Das ist ein sog. VBE-Multiplier
[Bild: attachment.php?attachmentid=8001&stc=1&d=1429549922]

Rechts sind die beiden Endtransistoren mit ihren 0.22er Emitterwiderstände. Diese Widerstände (Stromgegenkopplung) alleine reichen nicht um dem Temperaturdrift ein Ende zu setzten.
Der Trick ist der Dritte Transistor (rot umkreist) welcher auf dem selben Kühlkörper wie die Endtransistoren sitzen muss !

Was macht der ?
Der Transistor ist "geklemmt" von zwei Widerständen welche zur negativen und positiven Betriebsspannung gehen. Bildet also einen Spannungsteiler. Im kalten Zustand liegen an seinem Emitter und seinem Kollektor etwa 1.4V an.
Werden die Endtransistoren heiss und immer mehr Ruhestrom fließt, dann wird auch der VBE-Multiplier heiss. Das heisst der rot umkringelte Transistor leitet ebenfalls besser, in Folge sinkt also die Spannung über ihm ! Dadurch sinkt die Basisspannung der Endtransistoren und geht von 1.3V auf 1.2V etc.. Damit wird aktiv gegengeregelt. Alle diese aktiven "Gegenregler" nennt man Bias servo. Ein Googeln offenbart noch einige mehr

Genau DAS ist der Grund wieso du bei vielen Verstärkern oft einen dritten/fünften bzw eine ungerade Anzahl an Transistoren auf dem Kühlkörper siehst. Beispiel der hier:
[Bild: DSC00076.JPG]
(Quelle: http://www.hdamp.com/T300.html)
Der mittlere Transistor ist eben jener VBE-Multiplier. (Die daneben sind Treiber für die Dicken daneben)

Bei deinem Verstärker scheint dies nicht der Fall zu sein. Du bist also drauf angewiesen, dass dein Kühlkörper auch einen "Runaway" mitmachen muss.

Mehr erfährst du bei Rod Elliot: http://sound.westhost.com/amp_design.htm

Sein P3A Verstärker ist übrigends auch ein richtig Guter.

Wenn du "tiefer" einsteigen willst, lege ich dir das Buch von Bob Cordell und von Douglas Self ans Herz:

http://www.amazon.de/Designing-Audio-Pow...Amplifiers

http://www.amazon.de/Audio-Power-Amplifi...ier+design

Wenn dich die Bücher interessieren, schreib mir einfach eine PM.


Angehängte Dateien Thumbnail(s)
   
Gruß, Simon
Zitieren

Hallo Leute,

erstmal Gratulation zu diesem überaus aufschlussreichen, wenn auch langsam unübersichtlich werdenden Thread, den ich schon seit einiger Zeit verfolge.

Mittlerweile bin nun auch von Class D Virus befallen und "muss" mir nun mal so ein Kistchen bauen.
Habe heute meine ersten L15D erhalten und gerade näher begutachtet. Ich habe zwar keine perfekte Verarbeitung erwartet, allerdings sehen ein Paar der Lötstellen aus wie meine ersten Gehversuche mit dem Lötkolben.

Habt ihr damit ähnliche Erfahrungen gemacht?

[Bild: imag03897mu2n.jpg]

Gruß Max
Zitieren

Servus,

ja habe auch alle verdächtigen Lötstellen nachgearbeitet und dann auch gleich die Terminals ausgelötet und die Cinch uns LS Leitungen direkt drangelötet.

Wundert mich dass ich das noch nie hier gelesen habe Smile

Hat jemand einen Tip für einen AV Vorverstärker der alle aktuellen Formate beherrscht? Muss mal den Harman Ruhestromboliden in Rente schicken :p

Greetz
Jonathan
Zitieren

@kishu

Klingt vernünftig. Bin zwar grad erst frisch mit den Amps, da ich mir aber ein Gehäuse im Maßstab 60 x 30 x 18 zulegt hab um verschiedene aktive Ausbaustufen inkl. carbon geschirmter Netzteilsektion zu testen, macht dass das "Kraut auch nicht mehr Fett" Wink

Gruß aus Oberfranken

Max
Zitieren

rst1 schrieb:Die eigentliche Frage ist allerdings immer noch: _muss_ man da was einstellen (sprich: die kommen optimal geliefert) oder _kann_ man (sprich: man kanns optimieren, muss aber nicht, es wird einem durch nicht vorhandenen Doku aber auch nicht einfach gemacht)?

Hallo Ralf,

meine beiden Platinen hatten beide eine identische Ruhestromeinstellung. Gemessen hatte ich am auserkorenen "Messwiderling" 1250 mV und 1265 mV. Auch die Erwärmung unter hoher Last, war mit 60 Grad absolut identisch. Dabei zog der Amp Stereo wie schon weiter oben geschrieben, bis zu 700 Watt aus dem Netz.

@Simon

"Danke", Dein Beitrag war wirklich sehr erleuchtend.

Die von Dir erläuterte und offensichtlich nicht vorhandene Ruhestrom-Temperatur-Korrektur, erklärt mir im nachhinein so einiges, vor allem das das Ganze dann so schnell aus dem Ruder gelaufen ist.

Da sollte man deshalb besser nicht herumschrauben. Das neue 2,5 KW SMPS und zwei Amp-Platinen wurden heute versendet ( die Thais hatten erst mal thailändischen Neujahr gefeiert ), deshalb die ungewohnte Sendungsverzögerung.

Macht allerdings nichts aus. Mein Gehäuse hat auch 2-3 Wo Lieferzeit.

http://www.audiophonics.fr/fr/boitiers-1...-4178.html

3HE und 2x 400mm lange Kühlkörper ( 400x120x40 ) dürften thermisch auf alle Fälle ausreichend sein. Mein Versuchsverstärker musste nämlich mit lediglich 300x80x40 großen ( oder kleinen ) Kühlkörper auskommen.

http://www.audiophonics.fr/fr/kits-modul...-5184.html

Bei normalen Betrieb blieben diese Kühlkörper eigentlich kalt, bei forcierter Lautstärke wurden diese Kühlkörper gerade mal handwarm.

Die thermischen Reserven, die ich mit den deutlich größeren Gehäusekühlkörper dann habe, nehme ich nach der Erfahrung, aber wirklich gerne mit.


Gruß

Michael
Zitieren

Moin,
vielen Dank Simonund Michael für eure sehr gute und verständliche Grundlagenauffrischung und Michael besonders für seine Bestätigung aus der Praxis, dass dem tatsächlich so ist :-) Wieder mal so quasi nebenbei was gelernt hier.
Viele Grüße,
Ralf
Zitieren

@Lars
Das SMPS hat doch 2 Ausgänge 12+24 Volt.
Ich meine 1A in erinnerung zu haben.
Welche Schutz-Schaltung hast Du denn ?

Pedda
Zitieren

Kleinhorn schrieb:@Lars
Das SMPS hat doch 2 Ausgänge 12+24 Volt.
Ich meine 1A in erinnerung zu haben.
Welche Schutz-Schaltung hast Du denn ?

Pedda

Die hier: http://www.ebay.de/itm/30A-Stero-Power-a...0525973790

Wenn ich hinter der Gleichrichtung anlöte, sollte es ja dann passen. Aber ich meine irgendwo hier im Thread hat Jemand gepostst, dass das Thai SMPS nicht wirklich 24V an dem Anschluss liefert. Ich finde es nur nicht mehr, welcher Post das war - da sind so viele.
Ansonsten benutze ich halt den, den ich für die Trafovariante meiner L15D vorgesehen hatte...
Vielen Dank Pedda!
Zitieren

Die Thai-SMPS hat 2 mal 12V.
Du kannst die 12V direkt an die LS-Schutzmodule anschließen, habe ich auch so gemacht.

Gruß Michael
Zitieren

Oh...
Für die Platine gibt es noch einen Trick...
Ich hoffe, ich darf das...irgendwo hier ist das Bild eh zu sehen...
Die Schutzschltung ist ja für AC 12 Volt...sollte das Ding nicht laufen dann siehe Bild...
Dann aber auch nur 12 Volt anschliessen...

Pedda


Angehängte Dateien Thumbnail(s)
   
Zitieren

Here you go...

LG Thorsten.


TH_F73 schrieb:Schon wieder eine pauschalierte Aussage, die so nicht korrekt ist. Ich habe auch ein Speaker Protection Board, das eigentlich für 12VAC vorgesehen ist. Jedoch bedeutet das nicht, dass es nicht auch mit VDC funktioniert. An den Markierungen der Elkos kann man erkennen wo VDC+ und VDC hin muss. Dann schalten die Relais prima...

Cool

Ich habe die Spannungen nochmal gemessen:

Das Board liefert 54,4VDC im Leerlauf für die Amp Boards.
Die in Reihe geschalteten 12V liefern rund 24VDC im Leerlauf. Das bedeutet, dass der Aufdruck mit 24VDC auf dem Thai SMPS definitiv falsch ist und auch nur 12VDC ausspuckt!

Mit 12VDC schalten die Relais nicht, da vermutlich die anliegende Spannung nicht ausreicht.
Mit den 25VDC schalten die Relais wie gesagt einwandfrei und werden auch nicht heiß.

Für mich gibt es keinen Grund, warum ich eine separate 12VAC Stromversorgung nur für das Schalten der Relais einbauen sollte. Wer aber nur damit ruhig schlafen kann, der kann das natürlich machen.


LG Thorsten
Zitieren

...oder noch viel besser vom Meister persönlich beschrieben:

Saarmichel schrieb:Hallo Thorsten,

erinnerst Du Dich nicht mehr was ich Dir damals in einer PM, zu den AUX-Spannungen und dem LS-Schutzboard geschrieben habe ???.

Ich füge es mal hier als Zitate ein.






Den kleinen- wackeligen Kühlkörper habe ich übrigens damals auch gleich mit einigen UHU-Universal Leimtropfen fixiert.

Mein Thai-Chi Amp läuft auch nach etlichen Monaten völlig problemlos. Ein Kumpel hatte den Amp. sogar ca. 2 Monate quasi ununterbrochen am Netz- auch völlig ohne das kleinste Problemchen.

Der Zuverlässigkeit kann ich also bisher gute Noten zugestehen.

Gruß

Michael
Zitieren

TH_F73 schrieb:...oder noch viel besser vom Meister persönlich beschrieben:

Hallo Thorsten,

ja-ja, mit zitieren von Zitaten ist das so eine Sache :p

Zitat von Saarmichel

Hallo Thorsten,

der 24 Volt Aufdruck auf dem SMPS ist eigentlich irreführend. Bei mir haben die beiden +>- Pins jeweils eine Spannungsdifferenz von ca. 13 Volt Leerlaufspannung, isoliert gegen GND. Einfach mal mit dem Multimeter nachmessen. Gehe aber mal davon aus, dass es bei Dir auch so ist.

Die beiden 12 Volt Spannungen kannst Du dadurch wie zwei Batterien einfach in Reihe schalten. Also Plus (Minus Plus) Minus. Die in Klammer gesetzten Plus-Minus ( die beiden inneren Pins ) werden gebrückt / verbunden. Spannung an den äußeren Pins abgegriffen. Die 12 Volt für die Schalter-LED, habe ich dann einfach an einer der beiden 12 Volt Ausgänge parallel abgegriffen, an welchen ist egal.


Zitat von Saarmichel

Hallo Thorsten,

ich habe die beiden 12 Volt Gleichspannungen des Thai-SMPS in Reihe geschaltet, dadurch ergibt sich 24 Volt. + -+ -. Einfach die mittleren Pins verbinden und die Spannung an den beiden äußeren Pins abgreifen. Das LS-Protections Board läuft problemlos mit Gleichspannung. Man muss natürlich richtig polen, da auf dem Board ein Gleichrichter verbaut ist.

Eigentlich reicht auch die einfache 12 Volt Gleichspannung. Dann muss man allerdings den Gleichrichter überbrücken. Das ist beim Audiophonics-Board mit zwei kleinen Lötpunkten auf der Platinenrückseite, ganz schnell erledigt.

Zitat Saarmichel Ende Big Grin
Zitieren

Ah vielen Dank, hatte das schon mal gelesen, aber nicht wiedergefunden Sad
Ok, wenn es zwei mal 12 Volt sind, dann ist das Problem ja quasi erledigt. Werde aber trotzdem an der Gleichrichtung vorbei das anlöten, denn sonst fehlen ja 0,7 Volt und ich weiss nicht wie gut das auf Dauer für die Relais ist. Also die Lösung von Pedda.
Zitieren

Moin,

hat dann doch ne Woche länger gedauert, hab erstmal den Vorverstärker ein-/aufgebaut (allerdings läuft der leider noch nicht... Mal schauen...).

Wie man sieht, zur Erinnerung:

4 L15D mit 1000VA Trafo 2x36V

Verkabelung ist noch ein bisschen wild, aber das ist quasi "Absicht"... Man will ja beim basteln auch immer was lernen, weswegen ich nach und nach mal ein paar Verbeserungen durchführen/einbauen werde. Eigentlich "glaube" ich nicht an Verstärkerklang, wenn man nicht im Grenzbereich ist und ich glaube mit den Leistungen der L15D komme ich wohl hin (zumindest fürs erste Wink). Aber der Mensch kann sich ja irren, weswegen ich beispielsweise die Kabel noch verdrillen werde, einen DC-Filter für den Trafo, Netzfilter, WIMA Kondis im Eingang, etc. einbauen werde. Diese Einflüsse wird man vermutlich eher messen als hören können, aber ich werde es hoffentlich herausfinden Smile

Ansonsten gibt gerne mal Kritik, laufen tut der kleine schon mal, allerdings habe ich bislang nur mit Testlautsprecher gehört und daher möchte ich zu Störgeräuschen noch nicht so viel sagen RolleyesBig Grin Habe so jedoch noch nichts vernommen.

(Achja: die beiden unterschiedlichen Siebungsplatinen... Das darf ich auch den netten ebay-Chinesen schieben. Bestellt hatte ich 2 100V-Platinen, gekommen ist eine 100V und eine 80V... Sollte beides dicke reichen, also kein Problem Wink)

MfG
Steffen


Angehängte Dateien Thumbnail(s)
   
Zitieren



Möglicherweise verwandte Themen…
Thema Verfasser Antworten Ansichten Letzter Beitrag
  Kleiner Guide: CamillaDSP plus Audio Injector Octo 6x8 Interface an Raspberry Pi 4 Malik 13 55.275 06.09.2025, 11:04
Letzter Beitrag: Malik
  Powerstation für Audio? capslock 2 1.709 23.03.2025, 18:12
Letzter Beitrag: capslock
  Digital-Amps: Eigenheiten und Besonderheiten (im Bezug auf BG20 und Gehäusekonzept) TomBear 29 4.790 01.10.2024, 10:30
Letzter Beitrag: TomBear
  Audio Technica HA 5000 Klon Kleinhorn 0 1.271 02.07.2023, 16:10
Letzter Beitrag: Kleinhorn
  suche USB Soundkarte digital out dy1026u 28 6.740 16.05.2023, 21:34
Letzter Beitrag: dipoluser
  Camilla und div. Mini-DSPs digital vermessen: Rauschen im Basszweig capslock 1 1.290 27.02.2023, 09:28
Letzter Beitrag: spendormania
  Bluetooth LE Audio Yogibär 9 3.197 25.11.2022, 17:24
Letzter Beitrag: Slaughthammer
  Jemand Erfahrungen mit Audio Switches? MrFlorian 22 4.675 08.08.2022, 12:27
Letzter Beitrag: ArLo62
  Arylic Up2Stream Wireless Audio Module Sparrow 67 34.064 14.04.2022, 12:05
Letzter Beitrag: Koaxfan
  Audio Signal symmetrieren mit TCB-22 Franky 0 1.357 25.03.2022, 11:40
Letzter Beitrag: Franky

Gehe zu:


Benutzer, die gerade dieses Thema anschauen:
2 Gast/Gäste

Deutsche Übersetzung: MyBB.de, Powered by MyBB, © 2002-2026 Melroy van den Berg.