» Veranstaltungen
» Navigation
» über uns
|
-
Die "Dukes of Hazzard" oder GHP-Subs mit dem Omnesaudio SW12HEX
Hier mal ein kleiner Baubericht von mir über meine neuen Subwoofer.
Im Grunde reichte mir der Bass meiner Standlautsprecher (SB417 ADW) immer aus – auch beim Filme schauen. Nach dem Umzug ins neue Heim stehen die großen Lautsprecher aber in einer Nische – irgendwie so gar nicht Artgerecht. Also keimt im Bastlerherz gleich die Idee der Veränderung. Da sich die Lebenssituation im Laufe der Jahre ebenfalls geändert hat ist der Wunsch nach hohen Pegeln ebenfalls eher in den Hintergrund gerückt – zumindest im Wohnbereich. Dort konzentriert sich die Nutzung eher auf Filme & Serien am Abend als auf echten Musikgenuss.
Ich werde mir also im Laufe der Zeit ein kleines aber feines Surround-System im Wohnzimmer installieren. Ganz simpel – 5 Satelliten + 2 Subwoofer – so die Idee.
Die Jungs von Omnesaudio hatten zu der Zeit der ersten Ideen soeben die SW12Hex auf den Markt gebracht. Ein stattliches 12“ Chassis mit tollen Parametern – das sich sowohl im geschlossenen Gehäuse als auch im BR wohl fühlt. Der Preis war ebenfalls heiß, so dass ich mir zwei Exemplare gesichert hatte. Darf ich vorstellen? Luke & Bo, besser bekannt als die Dukes of Hazzard!




Martin aka Herr der Ringe hatte hier im Forum zu dem Chassis schon einige Empfehlungen abgegeben. Am interessantesten für mich war die GHP Empfehlung. Geschlossen mit Hochpass hatte ich noch nie gehört, und die kleinen Gehäuse sind einfacher im Wohnzimmer zu integrieren. Über einen sehr netten Kontakt mit Martin per PN habe ich von seinem AJHorn-GHP-Tutorial erfahren und mich näher mit der Software auseinandergesetzt. Dank seiner Hilfe ist die Simu dann eigentlich Kinderleicht.
Wenn man im Web nach GHP sucht – lautet die Empfehlung meist eine Güte von 0,9 – 1 anzustreben und dann den Frequenzgang mit dem Kondensator wieder gerade zu biegen. Das entspricht beim SW12HEX rund 25 Liter. Das passt für Subwoofer aber wohl nur bedingt. Ich gönne dem Lautsprecher ein wenig mehr Luft und spendiere ihm rund 34 Liter Netto. Das bringt nochmal ein paar Hz mehr Tiefgang. Als Hochpass-Kondensator schalte ich 3 x 220 uF Elcaps sowie einen MKT-Cross Cap mit 22 uF parallel. Rechnerisch also 682 uF. Gemessen mit nem Fluke 117 DMM sind es sogar rund 745 uF.


Damit ergibt sich dann folgender Frequenzgang im Vergleich zum 60 Liter geschlossenen Gehäuse:

Das Design:
Das Lautsprecherchassis ist solide Verarbeitet und wirkt äußerst wertig. Um die Chassis vor Neugierigen Fingern zu schützen und um den Subs einen unauffälligen Look zu verleihen möchte ich die Lautsprecher „unsichtbar“ montieren. Da ein ordentlicher Bespannrahmen gar nicht so einfach zu realisieren ist, wollte ich bei diesem Projekt mal ein Gitter ausprobieren. Entschieden habe ich mich für das Monacor SG-300. Schlicht, engmaschig und trotzdem Preiswert.

Aus mir unverständlichen Gründen gibt es aber keine technischen Zeichnungen von Monacor. Nicht einmal ein Hinweis ist zu finden, auf welche Chassis das Gitter passt. Naja… ich hab einfach mal 2 Stück geordert um mir selbst ein Bild zu machen. Eine kleine Skizze könnte ich Nachreichen für die, die es interessiert. Der Lochkreis des Gitters passt natürlich nicht zu dem des Subs (D= 296 / 302 mm), weshalb ich die Löcher des Gitters dann zu Langlöchern aufgefräst habe.

Leider hat auch der Korb des Chassis außen einen überstehenden Rand – dadurch ist ein Rückseitiger Einbau nicht eben einfach zu bewerkstelligen. Naja – muss man eben einen zusätzlichen Ring fräsen. Gesagt – getan. Damit das Gitter dann nicht übersteht, hab ich die Front einfach aufgedoppelt.



Durch die Rückseitige Montage kann man kein Versteifungskreuz einbauen. Aber ich denke, das Gehäuse wird auch so ausreichend Stabil. Einschraubrahmen & Co sind aus gehobelten „Dachlatten“. Hier mal eine Skizze…

Als nächstes habe ich mir dann Gedanken zu den Gehäusedimensionen gemacht. Da gibt es ja verschiedene Ansichten (Auslegung nach dem „goldenen Schnitt“ etc…). Ich denke im Subwooferbetrieb ist das weniger relevant als beim TMT / MT aber es beruhigt das Gewissen. Ich habe mich letztendlich nach dem Lesen dieses Threads https://www.diy-hifi-forum.eu/forum/...l=1#post247686 hier im Forum für ein Verhältnis von 1:0,95:0,9 entschieden. Das erzeugt eine hohe Modendichte, diese sind aber weniger ausgeprägt. Das erforderliche Volumen ist ja mehr oder weniger durch die Simulation gesetzt. Hinzu kommt noch die Verdrängung des Chassis sowie von den Verstrebungen. Ich hab jetzt mal ca. 4 Liter für das Chassis & 3 Liter für Verstrebungen etc. gerechnet. Bei Außenabmessungen von BxTxH 360x400x400 mm erreiche ich Brutto ca. 324x346x364 mm was ungefähr dem angestrebten Verhältnis von 1:0,95:0,9 entspricht. Das macht rund 40,8 Liter abzüglich 7 Liter >> also Netto 33,8 Liter. Auf den letzten Liter kommt´s da auch nicht an…
Den Holzzuschnitt habe ich bei DaBenMo bestellt. An dieser Stelle herzlichen Dank für den netten & kompetenten Kontakt. Absolut empfehlenswerte Arbeit zum fairen Preis. Die Gehrungsschnitte etc. hab ich dann selbst Erledigt. Hier mal ein paar Bilder vom Aufbau:


Um den Subwoofer auch mal Wand nah platzieren zu können und aus ästhetischen Gründen habe ich mich bei den Subs dazu entschieden die Lautsprecheranschlüsse bzw. das Terminal im Gehäuse zu versenken. Der Markt gibt natürlich einige Lösungen her, aber ich habe mich auch hier für einen Eigenbau entschieden. Eine 6mm starke Aluminium Platte bildet die Basis, den Kontakt stellen 4 mm Sicherheits-Laborbuchsen von Hirschmann her. Auch diese habe ich mittels einer Flachsenkung in der Platte versenkt. Die Terminals habe ich dann von hinten in der Rückwand verschraubt. Mir gefällt´s gut!


Soweit erst einmal…
Hier noch ein paar Bilder vom aktuellen Stand:



Ich hoffe natürlich das waren jetzt nicht zu viele Bilder und Euch gefällt was ich hier zeige. Anregungen & Kritik sind natürlich trotzdem erwünscht... 
Das Projekt dauert nun schon eine Weile, aber ich werde euch auf dem Laufenden halten - allerdings ganz ohne Eile...
Stay tuned! 
Köter
-
-
Sieht schick aus.
Ich habe vier von den Tönern hier und warte noch auf meinen Schreiner. GHP gibt es aber bei mir nicht, ich biege den Frequenzgang im DSP gerade.
Dein LS hat noch einen Fehler, der sich aber zum Glück nicht klanglich auswirkt: Ein einzelnes Chassis hat keine Anschlüsse für links und rechts. Auf dem Terminal müsste + und - stehen.
-
Musik an - Welt aus
Richtig klasse sehen die versenkten Gitter aus !!!
Edith sagt zu "phantasix" - aber wenn doch "-" der linke und "+" der rechte Anschluß am Chassis ist ...
Es ist einfacher die Leute zu täuschen,
als sie davon zu überzeugen,
dass sie getäuscht wurden. (Mark Twain)
Audioviele Grüße,
Matthias
-
Hallo Köter,
sieht sehr chic aus und gut durchdacht. Das gefällt mir sehr.
ich spiele im Augenblick mit dem Gedanken , einen impulskompensierten Bass mit diesen Chassis zu bauen, also zwei Stück Rücken an Rücken.
Da ich bei BP kein Maßblatt finde, frage ich Dich mal nach der Einbautiefe des Chassis, also von der Korbringauflage bis zur Polplatte des Magneten
viele Grüße und weiterhin viel Erfolg
Thomas
-
Chef Benutzer
-
Hallo Köter,
sehr schön dokumentiert und handwerklich sauber umgesetzt.
Eine Frage habe ich zu den GHP-Kondensatoren. Nach meiner Logik geht das Signal durch alle 4 Kondensatoren gleichzeitig durch, was bewirkt dann der MKP 22 µF? Ich habe so was schon öfter gesehen, aber ich kann mir die Funktionsweise nicht erklären.
Gruß
Werner
-
 Zitat von Yogibär
Da ich bei BP kein Maßblatt finde, frage ich Dich mal nach der Einbautiefe des Chassis, also von der Korbringauflage bis zur Polplatte des Magneten
Thomas
Die Einbautiefe ist 15,1 cm. Wegen der Polkernbohrung würde ich aber den Abstand zwischen den Magneten nicht zu klein wählen.
 Zitat von Azrael
ich bin aber echt am überlegen, ob ich mir nur für den Fall der Fälle nicht ein Paar von den SW12HEX zulegen soll. Man weiß ja nie..... 
Nicht zu lange überlegen. Hier ein Zitat von Nick aus dem oaudio-Forum:
Zu guter Letzt habe ich so viele verkauft, dass ich Stammkunden von großen Mengen (Heimkino Ausstatter) absagen musste.
Es sind (heute, 04.04.2019) noch ca. 30 auf Lager.
 Zitat von Pollton
Nach meiner Logik geht das Signal durch alle 4 Kondensatoren gleichzeitig durch, was bewirkt dann der MKP 22 µF? Ich habe so was schon öfter gesehen, aber ich kann mir die Funktionsweise nicht erklären.
Nennt sich Bypasskondensator. Soll die klanglichen Vorteile von teuren Folienkondensatoren auch bei großen Elkos ermöglichen. Hab ich auch schon bei großen Netzteilen gesehen.
-
Rez tu neb
スピーカ ist japanisch und heißt Lautsprecher
-
-
Hallo zusammen,
danke für die Massangaben. Der Hinweis auf die Polkernbohrung ist berechtigt, ich habe mir auch schon Gedanken gemacht, wieweit die Magnete voneinander entfernt sein müssen. Ich denke, eine Betrachtung der Atmungsquerschnitte ist ganz nützlich, oder was sagt die Fachwelt dazu?
Viele Grüße
Thomas
-
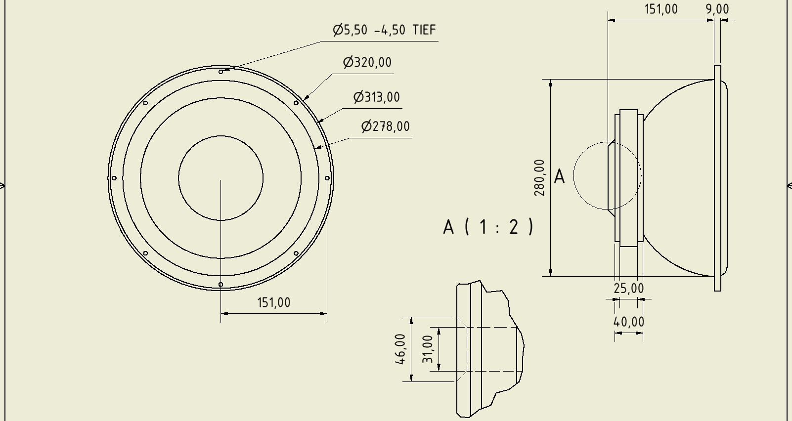
Hi Thomas,
hier die Skizze von den Subs:

Polkernbohrung hat 31 mm Durchmesser und ist großzügig angefast. Siehe Schnitt A (1:2)
Eine fachliche Empfehlung zum Abstand kann ich dir allerdings nicht geben. So aus dem Bauch heraus würde ich 50 bis 60 mm anpeilen...
Viel Spaß bei der Umsetzung deines Projektes!
Köter
-
Hallo Köter,
danke für das Massblatt, das ist wirklich hilfreich.
Meine Überlegung ist folgende:
Die Polkernbohrung hat eine Querschnittsfläche von 755 mm^2.
Die Fortführung dieses Querschnitts würde einen höheren Strömungswiderstand zur Folge haben, also sollte sich der Querschnitt stetig vergrößern. Dies geschieht schon durch die Fase. An deren Rand bei 46 mm Durchmesser beträgt die Fläche bereits 1660 mm^2.
Wenn ich jetzt den Querschnitt im weiteren Verlauf auf 2500 mm^2 vergrößere, sollte dies genügen. Damit ergibt sich ein Abstand zur virtuellen Wand von:
2500 / 46 / pi (Umfang am Ende der Fase) = 17,3 mm . Ich wähle mal 20 mm, was bei Impulskompensationsanordnung (Rücken an Rücken) 40 mm Abstand zwischen den Chassis bedeutet.
viele Grüße
Thomas
-
-
Boxen mit Charakter
Viele Grüße
Bernhard aka Tiff
Schreibfehler liegen in der Natur der Sache und werden grundsätzlich nicht korrigiert.
-
Musik an - Welt aus
Also mir gefällts !!! Aus 'nem rel. kleinen Volumen trotz CB richtig Tiefbass und dann auch noch handwerklich klasse umgesetzt. Wie haste die Gehrungsschnitte gemacht / oder machen lassen (nein, nicht das Moosgummi ... ) ?
Geändert von MOD olnima (16.04.2019 um 19:58 Uhr)
Es ist einfacher die Leute zu täuschen,
als sie davon zu überzeugen,
dass sie getäuscht wurden. (Mark Twain)
Audioviele Grüße,
Matthias
-
Moin Matthias,
was Werkzeuge betrifft bin ich glücklicherweise ganz gut vernetzt...
Der Plan war eigentlich, dass ich die Gehrungsschnitte auf der alten Mafell Erika von meinem Opa machen wollte. Allerdings gibt´s für die Maschine wohl keinen passenden Anschlag für so breite Schnitte. Ich habe die Gehrungsschnitte daraufhin in einer befreundeten Zimmerei auf einer Altendorf Formatkreissäge gemacht...
Grüße,
Köter
-
Pfffff altendorf. Der wahre Könner macht das mit ner Budget Stichsäge.. Scherz, super Arbeit. Und falls gerungen öfter Anliegen, metabo Magnum. Passt prima in den Keller und ist extrem präzise.
Sauber, bin gespannt aufs polierte Ergebnis!
-
-
ist nix erfoderlich, außer du müsstest/wolltest aus irgendeinem grund das volumen virtuell vergrößern.
"Wer die Wahrheit sagt, braucht ein schnelles Pferd" (chinesisches Sprichwort)
grüße,
martin
Forumregeln
- Es ist dir nicht erlaubt, neue Themen zu verfassen.
- Es ist dir nicht erlaubt, auf Beiträge zu antworten.
- Es ist dir nicht erlaubt, Anhänge hochzuladen.
- Es ist dir nicht erlaubt, deine Beiträge zu bearbeiten.
-
Foren-Regeln
|