» über uns

Herbst-Winter-Projekt

Druckbare Version

  • 11.10.2020, 18:11
    olafk
    Liste der Anhänge anzeigen (Anzahl: 3)
    Herbst-Winter-Projekt
    Hallo zusammen,


    als Neuling mit Vattle-Erfahrung wollte ich mir für den Herbst/Winter ein Projekt mit einem etwas größeren Lautsprecher suchen. Er soll für den Wohnzimmerstandard (60 qm) reichen - Musik jeder Art, ein bisschen Fernseh-Heimkino, aber auch mal Partylautstärke. Da Jugend im Hause ist, muss untenrum was gehen :)


    Von der Form her hat mich schon immer dieser Typ angesprochen:

    Anhang 56887


    Ist zwar insgesamt aufwendiger, aber wenn man sich mal richtig vermacht, kann man die einzelnen Kistchen auch einzeln neu machen.


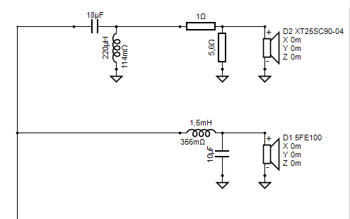
    Da ich für diesen Gehversuch erstmal finanziell im kleineren Rahmen bleiben wollte, habe ich gedacht, dass ich für die Tieftöner zwei W8-670Z 8 Ohm von Omnes Audio nehme. Mit ca. 70 l für je 2 Stück sollte das im Bassreflex nach dem Enclosure-Tool von VituixCad gut gehen. Hochtöner habe ich noch 2 Peerless XT25SC90-04, die müssen ja auch nicht im Regal verstauben. Mit einem preisgerechten TMT habe ich so meine Schwierigkeiten in der Auswahl - aber einen 5 Zoll Faital Pro SFE100 8 Ohm hätte ich da im Auge.
    Die Frequenzgänge des TMT und des Hochtöners habe ich mal mit dem SPL-Trace in VituixCad mit Standardfiltern nur zum Test zusammengeschmissen.
    Anhang 56888 Anhang 56889

    Ob das dann mit den zwei 8-Zöllern zusammenpasst weiß ich nicht. Vielleicht ein bisschen zu viel Bass? Einen Frequenzgang für die TT habe ich nicht gefunden.


    Daher hier die Bitte, ob mal jemand was dazu sagen kann. Ist ja bisher nur eine Überlegung. Nur die Hochtöner sind gesetzt, weil vorhanden.


    Vielen Dank schon mal im Voraus und noch einen schönen Sonntag.


    Grüße
    Olaf
  • 11.10.2020, 19:21
    Azrael
    Im Datenblatt zum W8-670Z gibt es einen Frequenz- und einen Impedanzgang zu sehen (Frage an die Runde: deutet so ein Impedanzgang auf Impedanzkontrollmaßnahmen hin? Das sieht oben raus so gerade aus....:denk:). Zumindest in der HobbyHifi (Ausgabe 5/16) ist der Treiber wohl auch vermessen worden, aber um die Ausgabe zu finden, müsste ich was länglicher suchen. :o

    Wie dem auch sei: die Trennung zum TMT wird zumindest vergleichsweise eher tief sein müssen, was vermutlich auch nicht so problematisch sein wird, weil der Faital ja eher ein Tiefmitteltöner, als ein dedizierter Mitteltöner ist. Wie willst du denn die Trennung zwischen TT und TMT durchführen? Passiv wird das dann halt zumindest ziemlich materialaufwendig.

    Die TTs wirst du dann ja wahrscheinlich seriell verschalten, weil der W8-670Z eine ziemlich niedrige Nennimpedanz hat. Oder willst du die insgesamt vier W8-670Z eines Stereopaars aktiv trennen und die TTs dann mit vier Endstufenkanälen betreiben? Ich finde serielle Verschaltungen jetzt nicht so ideal, aber vermutlich nicht so schlimm, wie manchmal kolportiert, wenn denn die TSP nicht zu arg streuen.

    Hast du beispielsweise mit WinISD mal ungefähr geprüft, wie zwei der Omnes Audios mit einem TMT wie dem FaitalAudio bzgl. der Pegelfestigkeit bei verschiedenen Trennfrequenzen zueinander passen?

    Das sind so ein paar Gedanken, die mir spontan eingefallen sind. Ich hoffe, das ist jetzt nicht zu viel auf einmal. :)

    Viele Grüße,
    Michael
  • 11.10.2020, 19:40
    Kalle
    Zitat:

    Zitat von olafk Beitrag anzeigen
    Er soll für den Wohnzimmerstandard (60 qm) reichen - Musik jeder Art, ein bisschen Fernseh-Heimkino, aber auch mal Partylautstärke. Da Jugend im Hause ist, muss untenrum was gehen :)

    Hallo Olaf,
    Wohnzimmerstandard sind eher 20 bis 30m² und keinesfalls 60:rolleyes:.
    Sorry, bei deinen Vorstellungen sind aber eher pro Kanal mindetens 2x10 Zöller angesagt, sonst geht untenherum gar nichts:).

    Jrooß Kalle
  • 11.10.2020, 19:44
    Azrael
    Ok, das mit den 60 m² hatte ich überlesen......:eek:

    Viele Grüße,
    Michael

    *edit*:
    Wenn dann noch die Begriffe "Jugend im Haus" und "Partylautstärke" auftauchen, wäre ich auch um's Überleben der geplanten Hochtöner besorgt......
  • 11.10.2020, 19:47
    olafk
    Hallo Michael,

    erstmal Danke für die Hinweise.

    Also mit dem Datenblatt scheine ich mich irgendwie blöd anzustellen. Ich sehe eine Seite mit den TSP und kann sonst nichts dazu finden.
    Ja, die TTs wollte ich in Reihe schalten.
    Ob aktiv oder passiv ist noch nicht raus. ich habe gerade EqApo mit einer externen 7.1-Soundkarte zum Laufen gebracht. Allerdings ist mir jetzt nicht ganz klar, wie ich in dieser Konfiguration messen soll. Bisher habe ich das passiv mit dem STIC gemacht und damit geht das ja denkbar einfach. Aber das ist eine andere Baustelle. Wenn ich es so hinbekäme, wäre das eine viel bessere Lösung. Verstärker habe ich genug :)

    Außer dem, was ich beschrieben habe und der kleinen 3D-Spielerei habe ich noch nichts weiter. Den Hinweis auf WinISD werde ich mir mal vornehmen.

    Oh, gerade noch nächsten Beitrag gelesen. Danke Kalle.

    2 x 10 Zoll? Daran soll es nicht liegen. Allerdings will ich mit dem Erstlingsprojekt preiswert bleiben. hast Du einen Vorschlag?

    Grüße
    Olaf
  • 11.10.2020, 20:06
    olafk
    Nochmal zu den 60 qm. Da die Aufstellung im Raum nicht in die Längsrichtung, sondern quer dazu geht, sind es eigentlich nur 30 ... 40 qm zu beschallende Fläche (also ca. 2/3 des Raums).

    Grüße
    Olaf
  • 11.10.2020, 20:15
    Azrael
    Es ist vielleicht ein bisschen schwierig, als Erstlingsprojekt, das möglichst preiswert sein soll, gleich einen Lautsprecher zu entwickeln, der solche Anforderungen erfüllen soll.

    Ich würde mich da vielleicht auch mal im PA-Bereich umsehen, da gibt's mehr HIFI-taugliches, als man denkt. :)

    Mir scheint auch, dass es leichter ist, geeignete 12-Zöller zu finden, die preiswert sind, als entsprechende 10-Zöller. Als 10-Zöller gefällt mir für Dreiweger dem Papier nach der Sica 10 S 3 CP sehr gut, der kostet halt aber wieder gleich 150,- €.

    Und wie angedeutet würde ich bei den Anforderungen und dieser Raumgröße vielleicht auch die HT-Lösung überdenken, auch wenn da Hochtöner schon vorhanden sind. Mir sind im Party-Einsatz einfach schon zu viele HTs gestorben. :(

    Viele Grüße,
    Michael
  • 11.10.2020, 20:20
    Kalle
    Hallo Olaf,
    wenn es preiswert bleiben soll fällt mir sowas wie die green machine ein:rolleyes:.
    https://www.lautsprechershop.de/hifi/green_machine.htm
    Mit dezentem Hifi-Möbel hat das nicht unbedingt was zu tun, erfüllt aber Jugend-und Kinotauglichkeit.
    Jrooß Kalle
  • 11.10.2020, 20:41
    olafk
    Hallo,

    der grüne Schrank ist völlig ausgeschlossen :D. Das erlaubt mir meine Frau niemals!!!
    Ich hätte da auch noch ein Pärchen Dayton DC28F-8 aus einem früheren Nachbau. Leistungsmäßig sollten wir für den HT damit doch klarkommen, oder?

    Bei den 12-Zöllern schaue ich nochmal. Da fällt mir eigentlich gleich der the box 12-280/8W von Thomann ein. Da hätte ich aber nur an einen gedacht, oder? Sollte ja auch bei dem Volumen gut gehen.
    Dann müsste ich vielleicht nochmal den TMT überdenken :denk:. Der Faital hatte mir optisch so gut gefallen. Ich sehe schon, das wird nicht so einfach.

    Grüße
    Olaf
  • 11.10.2020, 21:20
    Kalle
    Hallo Olaf,

    der 12-280/8W ist ein Schlammschieber:D, der geht nur bis maximal 250Hz sinnvoll hoch. Die Alternative wäre der 12-280/8A, der steht bei mir noch herum. Der ist nicht schlecht, kann aber nicht so richtig tief.
    Vielleicht ist so etwas ähnliches ja interessant,
    https://www.lautsprechershop.de/hifi/hifi_pa_2x8_2.htm
    ergänzt durch einen kräftigen Sub:D.

    Jrooß Kalle
  • 11.10.2020, 21:47
    olafk
    Das ist ein feiner Lautsprecher den Du da vorschlägst. Ich muss nochmal drüber nachdenken. Entweder ich nehme das Attribut Party raus oder greife etwas höher ins Regal :D.

    Ich zieh mich mal ins Kämmerchen zurück. Schon mal vielen Dank für die super Anregungen :thumbup:

    Grüße
    Olaf
  • 12.10.2020, 20:58
    Olaf_HH
    50 Liter, BR, Präziser Bass bis 40-45 Herz, max bis 175 Herz einsetzbar = Sica Z007931 :-)
    Und nicht so unpräzise wie der Thomann, aber mit 100 Euro etwas teurer
  • 12.10.2020, 22:11
    newmir
    Zitat:

    Zitat von Olaf_HH Beitrag anzeigen
    Und nicht so unpräzise wie der Thomann ......

    Zitat:

    Zitat von Kalle Beitrag anzeigen
    der 12-280/8W ist ein Schlammschieber:D, der geht nur bis maximal 250Hz sinnvoll hoch.

    Da habt ihr ja echt ein paar schöne Begriffe rausgehauen ...... die ich ja jetzt gerade garnicht mit meinem technischen Verständniss übereinander bringen kann. Also ich kann mir unter den Begrifflichkeiten schon was vorstellen und habe auch schon mal unpräzise und Schlamm gehört, aber das hatte nach meinen Erfahrungen bisher viel mit der Verwendung, dem Gehäuse und dem Raum zu tun und wenig mit dem Treiber selbst. Ich wüsste jetzt aber garnicht anhand welcher Messdaten/Kriterien ihr diesem Treiber diese Eigenschaften zuordnet. Also mal abgesehen davon, das manche Leute ;) alles unter 15 Zoll, ohne typische PA Auslegung und ohne mit entsprechend grosszügigem Volumenbedarf von 150 Liter Minimum für Schlammschieber halten :D. Mehr, für mehr Geld und mehr Volumen geht natürlich immer, aber weder sehe ich die Begrenzung bis 250Hz noch sehe ich zwangsläufig unpräzise im Datenblatt. Aber ihr könnt mich gerne erleuchten.
  • 12.10.2020, 22:55
    Olaf_HH
    der sica hat 3,7mh Induktivität und in der Messung fällt der oberhalb von 120 Herz stark ab.
    Der Thomann läuft auf jeden Fall höher, ich fand den aber Klanglich nicht so prall. Trotzdem, für das Geld 50€ ist der Super als 12er und kaum was besseres zu bekommen zu dem Preis
  • 12.10.2020, 22:59
    Kalle
    Hallo Michael,
    die Thomann bzw. Elder 12-280/8A bzw. 8B sind komplett andere Treiber. Sie werden schon lange verkauft, eingesetzt und sind zig mal gemessen worden. Die Elder Datenblätter sind nicht sehr gut nachzuvollziehen.
    Wenn du dir die sonstigen Messungen anguckst, wirst du feststellen, dass der 8W über 250Hz kaum noch zu brauchen ist, deshalb Schlammschieber, was keinesfalls abwertend gemeint ist, sondern den Einsatzbereich beschreibt. Er ist ein reiner Subbass. So wie auch der 8A nicht gerade tief hinunterreicht, er ist eher Mid- denn MidBass. Beiden gemeinsam ist, dass sie keinesfalls 150 l brauchen, sondern schon mit einem Drittel davon auskommen und eingesetzt werden.
    Ein Paar 12-280/8A habe ich im Augenblick wieder in der Mache und kenne seine Eigenschaften. Ich weiß nur, dass ein FaitalPro 15PR400 deutlich tiefer kommt und auch im Bereich oberhalb von 800Hz eine deutlich präzisere Wiedergabe ermöglicht. Ich lasse in jetzt bis 1100Hz laufen ... das Leben ist halt ein Kompromiss.
    Zitat:

    Zitat von Olaf_HH Beitrag anzeigen
    Trotzdem, für das Geld 50€ ist der Super als 12er und kaum was besseres zu bekommen zu dem Preis

    Jau:)
    Zitat:

    Zitat von newmir Beitrag anzeigen
    . Aber ihr könnt mich gerne erleuchten.

    Nöh, das ist hier kein Servicebetrieb:rolleyes:, lies in Jobst PA-Forum die vielen vielen Beiträge zu diesen Treibern.

    Jrooß Kalle
  • 13.10.2020, 16:14
    newmir
    Na, dann sind wir uns ja eigentlich einig .... mir kam der Thomann etwas zu schlecht weg in euren ersten Kommentaren. In Jobst Forum habe ich einbischen was gefunden, aber nix wirklich Horizont erweiterndes zum Thema "W" ..... zum A und B findet man viel. Der W wurde auch schon oft verwendet, aber ich habe nix wirklich spannendes an Messungen gefunden.
  • 13.10.2020, 18:29
    Kalle
    Hmmmh, wenn ich nicht so richtig weiß, was ich noch tun soll, verüpasse ich dem 8A Gummisicken. Das könnte spannend werden.
  • 13.10.2020, 21:05
    waterburn
    Hallo zusammen,

    mittlerweile seid ihr vom Ursprungsthema aber ganz schön weit abgedriftet.
    Ob ein 12er mit jeweils 2,5mm Schwingspulenüberhang im Bass wirklich ehr Luft bewegt als zwei 8er mit jeweils 8mm sei mal dahingestellt. In beiden Fällen sollte es aber auch fürPartys im privaten Rahmen ausreichen, wenn die „Jugend“ mal aufdreht. Wenn man man auf den 60qm mit 100 Leuten nen Rave veranstaltet wird es natürlich eng. Die meisten Privatparties kommen aber mit weniger Membranfläche zurecht. Aktiv kann man den W8 durchaus in einem 3 Weger einsetzen. Man sollte aber bedenken, dass der W8 zwar unheimlich viel Hubraum für‘s Geld bietet, aber nicht unbedingt einen klirrarmen Antrieb. Das vorgestellte Konzept finde ich aber ganz ansprechend.

    Alternativen im 8 Zoll Bereich wären der AW2000 von Mivoc oder der SP8/150Pro von Monacor. Meine Wahl wäre eindeutig letzterer, da er am meisten Spielraum bei der Trennfrequenz nach oben liefert. Er geht nicht Ultratief, hat aber genug Hubraum und ist ordentlich belastbar.

    Der Fatal 5 Zöller ist ein sehr ordentliches Chassis. Ich würde allerdings zum 5FE120 greifen. Der kostet nur wenig mehr, hat dafür aber einen Demodulationsring und den besseren Antrieb.

    Beim Hochtöner könnte es bei Partylautstärken allerdings wirklich eng werden. Da bin ich absolut bei Azrael. Von Sica gibt es pegelfeste Kalotten. Alternativ könnte ich mir aber auch den H26TG45 vorstellen, oder eine Metallkalotte. Die DXT dürfte außerhalb des Budgets liegen.

    Aktiv an einem AVR sollte da schon einiges möglich sein.

    Gruß

    waterburn
  • 14.10.2020, 10:41
    olafk
    Hallo zusammen,

    da sind ja eine Menge Infos zusammen gekommen. Mehr kann man nicht erwarten :)
    Vielen Dank! Dann gehe ich mal in mich und überlege mir was. Bin ja nicht im Zeitdruck.
    Momentan übe ich aktiv. Es läuft zwar noch ein wenig hakelig, aber so ein Setup am Rechner zusammenzubauen und vor allem zum Lernen einfach mal die Möglichkeiten durchzuspielen, finde ich schon genial.

    Viele Grüße
    Olaf
  • 14.10.2020, 11:59
    Kalle
    Hallo Olaf,
    aktive DSP Systeme haben schon was. Ich spiele mit REW und miniDSP, leicht zu bedienen und zu nutzen.
    Wenn das mein Projekt wäre, würde ich den 3. Weg streichen. Ich habe viele Jahre mit einem sehr guten wirkungsgradstarken Dreiwege-Systeme gehört. Seit langen begeistere ich mich für FAST (mit Manger) oder 2 Wegesysteme mit Horn. Gerade die Dynamik von PA-Systemen, gerade auch wenn man leise hört, ist für mich mittlerweile unverzichtbar, ja, der MSW kann das auch.
    Ich denke zu deinen Vorstellungen würden die SP8/150Pro( 52€ ) im Doppelpack gut passen, drüber ein Horn mit Celestion CDX1 1747 mit einem Visaton HT21 und einer Trennfrequenz leicht über 1kHz zum Beispiel. Deine anfangs geschilderten Designidee ähnlich Focal ließe sich dabei auch gut umsetzen. Wenn es etwas mehr sein darf, 2 PAW25( 72€ ) von Visaton vielleicht, oder einzeln als https://www.lautsprechershop.de/hifi/fast_n_loud.htm
    passt auch zum Gehäusekonzept.
    Probehören für das eine oder andere Konzept wäre vorher nicht schlecht.
    Just meine 2 Cents;).

    Schlimm:(, du hast die Qual:confused: der Wahl:D. Viel Erfolg!

    Jrooß Kalle
  • 14.10.2020, 13:00
    olafk
    Hi, im Ernst, darüber habe ich auch schon nachgedacht.
    Ich muss mir das wirklich mal genau überlegen. Der optische Faktor spielt ja auch eine gewisse Rolle :)
    Das übliche "Ich-will-eine-eierlegende-Wollsau-Problem" eben...

    Viele Grüße
    Olaf
  • 05.02.2021, 21:21
    olafk
    Liste der Anhänge anzeigen (Anzahl: 3)
    Hörnchen zugelaufen
    Hallo zusammen,


    leider bin ich ewig zu nichts gekommen und der Winter ist fast vorbei wenn man die Temperaturen so sieht.
    Aber jetzt sind mir ein paar Hörnchen zugelaufen und das hat zu neuen Ansätzen motiviert, zumal ja in den Hinweisen hier schon eine Lösung mit Hornbestückung sehr empfohlen wurde.

    Es sind die Treiber Lavoce 1Zoll DF10.10L und dazu die Hörner DF HD1004 1". Die Hörner passen nicht auf den Treiber, daher habe ich mir Adapter gedruckt. Alles passt ganz genau und die Simulation in Vituixcad mit den Werten aus den Datenblättern sieht mit zwei parallelen SP-8/150PRO (die ich auch schon hier rumliegen) so aus:


    Anhang 58941

    Ein Horn habe ich auf eine 30 x 30 cm Schallwand gebaut und gemessen. Das sieht so schön nicht mehr aus:

    Anhang 58942 Anhang 58943

    Als blutiger Anfänger, der noch nie ein Horn in der Hand hatte, wusste ich nicht, wie rum man das nun einbaut. Daher habe ich es sozusagen waagerecht und senkrecht gemessen :). Die Abstrahlung wird mit 90 x 60 Grad angegeben.
    An sich ist es nicht so schlecht, aber der Einbruch bei knapp über 2kHz. sieht schon mies aus.
    Kann mal jemand was dazu sagen - sowohl zur Messung als auch zur Idee, das (kleine) Horn mit zwei SP-8/150PRO zu verheiraten. Für die TT hatte ich mir so gemeinsam um die 80 Ltr. Bassreflex gedacht.

    Viele Grüße
    Olaf
  • 05.02.2021, 21:22
    olafk
    Liste der Anhänge anzeigen (Anzahl: 3)
    Ach so, hier noch ein paar Fotos vom Horn:

    Anhang 58944 Anhang 58945 Anhang 58946

    Bei der Gelegenheit habe ich festgestellt, dass ich das Fräsen von solchen Konturen wohl noch üben muss...

    Grüße
    Olaf
  • 05.02.2021, 22:04
    Azrael
    Was heißt zugelaufen?

    Aber auch, wenn's quasi geschenkt war: Ich würde mir für das Horn einen passenden Treiber oder für den Treiber ein passendes Horn zulegen.

    Viele Grüße,
    Michael
  • 05.02.2021, 22:17
    olafk
    Meinst Du, die Störung resultiert aus der nicht passenden Kombi?
    So teuer sind die Treiber ja nicht. Dann muss ich mir da nochmal was anderes überlegen.
    Aber das ist ja der Spaß an der Sache. Würde denn das in der Art prinzipiell mit den SP-8/150Pro Sinn machen?

    Grüße
    Olaf
  • 05.02.2021, 22:32
    Joern
    Hi Olaf

    Das sieht doch brauchbar aus mit den Horn.
    Wie breit ist die Schallwand ? Passt das mit der Kerbe bei 2k Hz ?

    Den DF10.10 gibt es mit drei Anschlüssen:
    - Den Du hast - wie die Sica-Hörner oder Coaxe

    - Als sog. Screw-Mount

    - Als "bolt-on" - das wäre der Anschluss für diese Horn gewesen.

    Endlich hats mal jemand gewagt mit diesem.
    Lavoce-Zeugs...😉

    Auf dem Papier gehen die nur bis 16kHz oder so - das sieht bei Dir anders aus 😉

    Für ca 60.-€ pro Seite isg das doch sehr akzeptabel.
    Wenn Du den Treiber nicht mehr tauschen kannst und die Schallwandbreite ausschliessen kannst, nimm den Einbruch nach dem Motto: "it' not a bug - thats feature" und trenne dort.
    80liter ist grosszügig - Timmermanns hat ein Doppel dieser Treiber in 70l verbaut - ich finde, das reicht.

    Bin gespannt wies weiter geht.
  • 05.02.2021, 22:34
    Azrael
    Ich habe gerade mal ins Datenblatt des Treibers reingesehen, da ist dieser Einbruch auch zu sehen. Es wird dort angegeben, dass es in einem 90x60 Grad Horn gemessen wurde, wahrscheinlich also auch mit dem HD1004.

    Ob jetzt das Horn oder der Treiber die Kerbe oberhalb von 2 kHz verursacht, vielleicht aber auch ein unglückliches Zusammenspiel beider Teile, müsste man eigentlich mal testen.....:denk:

    Aber das sind doch beides 1-Zoll-Komponenten, das hatte ich eben noch nicht geschnallt. Wofür ist dann der Adapter?

    Viele Grüße,
    Michael

    *edit*:
    Was Joern eben schrieb, dass es den Treiber mit verschiedenen Anschlussarten gibt, wusste ich allerdings nicht......

    *edit2*:
    Da sich die Kerbe ja auch im Datenblatt findet, scheint dein Adapter gut zu funktionieren, besser, als ich am Anfang gedacht habe. :thumbup:
  • 05.02.2021, 23:10
    olafk
    Ich werde die Kiste einfach mal bauen. Versuch macht kluch.
    Bin jetzt einfach neugierig.

    Grüße
    Olaf
  • 06.02.2021, 09:17
    Don Key
    Moin Olaf, erstmal vorweg, wie man bei Dir quasi zugucken kann, wie Du im Thema mit Siebenmeilenstiefeln vorankommst, ist einfach nur klasse, meinen größten Respekt dafür !!!

    Ansonsten bin ich da ganz bei Jörn, nutz' einfach die Kerbe zur Trennung, viel tiefer als 2kHz wird das Horn wohl eh nicht laden.
    Was Du evtl. noch versuchen solltest, ist den Übergang zw. Treiber und Horn mit irgend 'ner "Matsche" (SicaBond o.ä.) zu verstetigen und / oder die Dicke der Adapterplatte zu variieren.
    Evtl. ist hier noch etwas Verbesserungspotential vorhanden.
    Und wenn Du erstmal spielen willst, empfehle ich Dir den BG20, der Dir genug Spielraum zur Trennung bietet.

    Edit - sorry, eben erst gelesen, dass Deine Spielpartner schon bereitliegen.
  • 06.02.2021, 12:34
    olafk
    Vielen Dank.

    Ich werde das Gehäuse vielleicht etwas modular machen, so dass man Bass- und Hochtonabteil erstmal mit verschiedenen Varianten ausprobieren kann.
    In Corona-Zeiten macht das Bauen leider nur eingeschränkt Spaß.
    Mein Lieblingsbaumarkt hat für privat geschlossen, also habe ich mir mal bei Hornbach was zuschneiden lassen. Ich hatte schon überall Toleranzen vorgesehen, war aber doch nicht vorsichtig genug. Die Jungs dort haben das so clever hinbekommen, dass sich die Toleranzen beim Schneiden am ungünstigsten addiert haben. So muss ich also doch noch dranrumsägen...

    Na mal sehen.
    Ich werde berichten.

    Viele Grüße
    Olaf
  • 06.02.2021, 12:46
    4711Catweasle
    Zitat:

    Zitat von Azrael Beitrag anzeigen
    Ich habe gerade mal ins Datenblatt des Treibers reingesehen, da ist dieser Einbruch auch zu sehen. Es wird dort angegeben, dass es in einem 90x60 Grad Horn gemessen wurde, wahrscheinlich also auch mit dem HD1004.

    *edit2*:
    Da sich die Kerbe ja auch im Datenblatt findet, scheint dein Adapter gut zu funktionieren, besser, als ich am Anfang gedacht habe. :thumbup:

    Das denke ich auch.:prost:

    Habe das HD1004 ebenfalls liegen und könnte es mit RCF CD350 freistehend messen ???
    ich hätte Ja gern das HD 1003......aber das ist irgendwie nirgends verfügbar.:confused:

    Grüße
  • 06.02.2021, 13:04
    Azrael
    Zitat:

    Zitat von 4711Catweasle Beitrag anzeigen
    Habe das HD1004 ebenfalls liegen und könnte es mit RCF CD350 freistehend messen ???

    Das wäre hier sicher mal interessant, im Vergleich zu sehen. :cool:

    Viele Grüße,
    Michael
  • 06.02.2021, 13:34
    Joern
    Moin

    Zu den Lavoce-HT:
    Die sind am H1003 gemessen - "früher" stand das mal auf den ersten Datenblättern.
    Das ist ein Zwillingsbruder zum ME45 - also deutlich grösser und länger und lädt deswegen auch anders/mehr.

    Freu mich über h1004 Messung - meines ist irgendwie im Schnee stecken geblieben 🐧


    Olafs Projekt;
    Timmermanns hat in HH 3/2019 mit seiner Hifi-Pa 2x8/2 ein ganz ähnliches Konzept vorgestellt. Er trennt bei 2,5 kHz - und sowohl auf Achse als auch 30grad sieht das sehr ordentlich aus.

    Hat also Potential - viel Erfolg Olaf !
    :prost:
  • 06.02.2021, 13:38
    4711Catweasle
    Ich setze mich da heute Abend mal dran.
    Wollte eh noch das große D.A.S. Horn mit dem JBL messen.......:cool:

    Grüsse
  • 06.02.2021, 13:55
    Azrael
    Zitat:

    Zitat von Joern Beitrag anzeigen
    Zu den Lavoce-HT:
    Die sind am H1003 gemessen - "früher" stand das mal auf den ersten Datenblättern.

    Bist du dir da sicher? Im Datenblatt zum DF10.10L steht als Fußnote zur Kennschalldruckmessung:
    Zitat:

    (3) Driver mounted on 90° x 60° horn
    Das trifft auf das HD1004 zu, für das HD1003 werden die Abstrahlwinkel mit 90 x 40 angegeben.

    Dass die das Horn dann für die Frequenzgangmessung wechseln, ist zwar möglich, aber irgendwie halte ich das für unwahrscheinlich, zumal der FG im Datenblatt dem in der Messung von olafk ja dann doch recht ähnlich sieht. :denk:

    Viele Grüße,
    Michael
  • 06.02.2021, 19:00
    4711Catweasle
    Liste der Anhänge anzeigen (Anzahl: 1)
    Zitat:

    Zitat von Azrael Beitrag anzeigen
    Das wäre hier sicher mal interessant, im Vergleich zu sehen. :cool:

    Habe fertig.:D
    Größenvergleich der 2 Probanden:
    Anhang 58968
    Der JBL ist allein fast so groß wie die Lavoce HD1004 / RCF CD350 Kombi.:D

    Die hier interessante Kombi misst sich unbeschaltet freistehend so:
    https://www.diy-hifi-forum.eu/forum/...7&d=1612633463
    Wasserfall Achse:
    https://www.diy-hifi-forum.eu/forum/...6&d=1612633463

    Habe leider versäumt die Kombi zu drehen.....mußte für einen Kollegen noch ne Box beschalten...

    Edith meint: Das Horn ist imho für eine Trennung zwischen 2-2,5Khz zu gebrauchen.....zusammen mit einem 6 oder guten 8 Zöller dürfte das gut gehen.

    Grüße
  • 06.02.2021, 19:25
    Azrael
    Zwar nicht ganz so ausgeprägt, aber die Delle um 2 kHz, die man im Datenblatt zum DF10.10L und auch in Olafs Messung sieht, sieht man hier ja auch andeutungsweise.


    Jetzt müsste man den DF10.10L mal spaßeshalber an einem anderen Horn probieren, aber als jemand, der gerade mit dem Entwickeln beginnt, hat man vielleicht nicht so viele Hörne gerade rumfliegen, oder, Olaf....? :)

    Viele Grüße,
    Michael
  • 06.02.2021, 19:39
    olafk
    Liste der Anhänge anzeigen (Anzahl: 1)
    Nein, sorry.
    Ist mein Erstes und Einziges :D. Aber ich finde die Teile cool und bin unheimlich gespannt, wie das dann klingt.

    Mal ein erster Entwurf für ein Gehäuse. Einfach und geschmacklos...

    Anhang 58970

    Grüße
    Olaf
  • 06.02.2021, 20:38
    miwa
    Zitat:

    Zitat von olafk Beitrag anzeigen
    Mal ein erster Entwurf für ein Gehäuse. Einfach und geschmacklos...

    Anhang 58970

    Jo, derlei Geschmacklosigkeiten kenn ich https://www.diy-hifi-forum.eu/forum/...p?albumid=1788 :D

    Gruß Micha
  • 06.02.2021, 20:48
    olafk
    Zitat:

    Zitat von miwa Beitrag anzeigen
    Jo, derlei Geschmacklosigkeiten kenn ich https://www.diy-hifi-forum.eu/forum/...p?albumid=1788 :D

    Ja, bei dem ausgefallenen Design ist man halt nie der Erste :D

    Grüße
    Olaf
Powered by vBadvanced CMPS v4.3.0