» über uns

Vorstellung LJM L20.5 Amp

Druckbare Version

  • 21.12.2020, 17:48
    Kleinhorn
    Hi Simon,
    ich denk Du hast die LJM bestellt. Ich hab die, allerdings die Alte Version, seit Jahren im Einsatz. Da war bisher nix...das Relais ist in der neuen Version gleich geblieben....

    Man wird immer etwas Anderes finden. Was soll ich Dir raten ? Sollten die LJM irgendwann über den Jordan gehen, kann man sich umsehen...

    Pedda
  • 21.12.2020, 17:57
    kermit_nc
    Hi zurück,

    vielen Dank für die Info.
    Leider hat der Elektronik Händler um die Ecke leider geschlossen, daher werde ich die Kondensatoren für das Flip Flop bestellen müssen.
    Ich muss sowieso die Feedback Pfade der Endstufen nacharbeiten, da die China-Stückliste einen Fehler hatte bzw. ein Gain von 45 nicht praktikabel ist und ein Phase margin von 20° bei G=1 ein bisschen knapp ist.

    Die Platine unterhalb der SMPS ist ein Stromverteiler für die 4 Endstufen + zentrale Masse für die Endstufen und der Lautsprecher.
    Als Koppel-Cs habe ich noch 2x1500uF (lowESR@HF) + 0.1uF Wima drauf gepackt. Bei den Endstufen sind alle Elkos mit 0,1uF Keramik-Cs beschaltet. Elkos können bei hohen Frequenzen gerne mal warm werden, wenn ungeeignet. Sicherheitshalber kann ein kleiner FolienC Sicherheit bringen.

    Rechts daneben ist ein low noise 12V Netzteil für den DSP (miniDSP 2x4 HD). Die AC Versorgung (2x12V+2x15V) ist rechts neben dem SMPS (von Thel-Audioworld).

    Für die Coax Verbindungen innen kann ich SC-ONYX TYNEE von Sommer Cable empfehlen. Sehr leicht zu verlegen, da sehr dünn, flexibel, günstig und überraschend viel Kupfer im Innern. Auf der Suche nach einem Lieferanten für Transistoren zum matchen bin ich bei einer DIY Seite für Gitarren-Effekt-Geräte gelandet und dort wurde diese Koax-Leitung empfohlen.

    VG
  • 21.12.2020, 18:01
    SimonSambuca
    Hi,

    Ja die sind bestellt bzw Heute sogar in den Versand gegangen. Ich kenne die technischen Unterschiede ja nicht - hätte ja sein können das es bei der einen Lösung Verschleißerscheinungen gibt und bei der anderen nicht.

    Die ungenutzten ljm Module gleich wieder zu verkaufen wäre jetzt auch nicht das Probleme ;)
  • 21.12.2020, 18:07
    Kleinhorn
    Nur zur Info das upc1237 von NEC ist speziell für solche Schutzanwendungen entwickelt. Manchmal nachteilig ist, dass man es nicht immer einsetzen kann, da meist Ground gemeinsam ist. Bei Endstufen mit floating Ground wie die Anaview nicht zu gebrauchen.
    Am LJM 20.5 wird es funktionieren.
    Ich habe oft auch schon das Ding eigesetzt https://www.ebay.de/itm/30A-900W-Mon...-/184205099795
    Schrieb ich schon mal ? Überblick verloren...:D
  • 21.12.2020, 18:17
    Kleinhorn
    @kermit_nc
    ah, verstanden. Es stimmt, dass die SMPS auf kapazitive Lasten unwillig reagieren. Daher hab ich sowas tunlichst gelassen.
    Für den Ground zwar auch einen gemeinsamen Punkt gesetzt, aber Koppelkondensatoren nie eingesetzt.

    BTW als Leitung eignet sich auch RG 175 auch recht dünn, aber gut geschirmt. Ansonsten nehm ich Sommercable auch gern.
  • 23.12.2020, 09:04
    SimonSambuca
    Morn,

    ich hab mir noch vier solcher mono Module bestellt. Hattest Du schon zweimal im Thread verlinkt ;) Dachte aber das da der Platz fehlt, bzw. Da war nein Denken zu zweidimensional :rolleyes: Ich kann die ja auch hochkant oder übereinander anordnen.

    Die Ljm Module würde ich Dir dann schenken bzw. kostenlos zusenden - falls Du die brauchen kannst? Hab dich jetzt schon so viel Lebenszeit mit meinen dummen Fragen gekostet.. :o Bis ich da fertig bin kommen noch einige mehr dazu.

    Naja eigentlich hab ich jetzt schon wieder eine - Trafo: 2x ~330mA immer noch ausreichend oder soll ich lieber einen mit ~500 oder 800mA nehmen? Ob das jetzt 5 oder 15 Euro sind... Möglichkeit zum festschrauben wäre aber gut.

    https://www.reichelt.de/ringkerntraf...t=pos_12&nbc=1
  • 23.12.2020, 09:50
    kermit_nc
    Hallo,

    wenn es die Versorgung für die Schutzschaltung ist, ist es eigentlich egal.
    Ich selbst habe diesen Trafo schon fertig auf einer Platine gekauft. Ist zwar deutlich teurer aber dafür fertig und geprüft. Leider ist Thel-Audioworld im Winterurlaub und das bis min. 10. Januar. Auch wurde dort das Angebot laufend ausgedünnt ... :(

    Zu den JLM Module: Ich hatte tatsächlich daran gedacht, für mein Gehäuse nochmal 4 Kühlkörper zu kaufen und ein 20.5 upgrade durchzuführen. Bevorzugt als Bausatz, um die Eingangs-Transistoren matchen zu können.
    Audiocreativ hat nicht nur die Modus-Gehäuse sondern auch die Einzelteile dazu im Angebot.
    Wird aber frühestens Mitte 2021 oder sogar später, da die Endstufe im Wohnzimmer ständig im Gebrauch ist und ich bis dahin beruflich unter Wasser bin.

    VG
  • 23.12.2020, 10:42
    Kleinhorn
    Simon

    Du brauchst solch ein großen Trafo eigentlich nicht.Ein Relais der Schutzschaltung hat (Hongfa Angabe) 18 mA. Gerechnet über 660 Ohm und 12 Volt. Ich rechne, schrieb ich schon mal, mit 60mA beim Einschalten.
    Wären wir bei 240 mA. Dazu die Module von Funk. 2x 100 mA . Daher hattest Du mal 2 Trafos rausgesucht.
    Wenn Du nur einen Trafo setzen willst, ist der Ringkern ok...bisschen groß, schadet aber nicht. Die Nummer kleiner mit 2x18 Volt, 694 mA tät es auch.
    Zu Befestigung kann st Du Dir eine Lochrasterplatine, einseitig, GFK mitbestellen. Mit kleinen Winkeln kann man den Trafo auch hochkant setzen.https://www.reichelt.de/laborkarte-f...rch=lochraster

    Bestell Dir auch Sicherungshalter, für 5x20 und Sicherungen 5x20, 160mA und 0,4 A träge. Dann kannst du sekundär absichern und eine 160 mA vor den Trafo setzen.
    Halter für Sicherung https://www.reichelt.de/sicherungshalter-fuer-5-x-20-mm-250-v-6-3-a-stv-ptf-15-
    p243307.html?&trstct=pol_9&nbc=1

    https://www.reichelt.de/sicherungsha...t=pol_11&nbc=1
    2. Variante ist recht berührungssicher und es gibt eine Abdeckung, wenn man will

    Es gibt solche Montagewinkel fertig https://www.tube-town.net/ttstore/mo...0-x-11-mm.html
    Gibt es auch noch in anderen Shops.
  • 23.12.2020, 10:52
    Kleinhorn
    Simon

    Mach Dir keinen Kopf. Dafür ist ein Forum da, jedenfalls seh ich das so. Wenn ich helfen kann mit meinem Halbwissen, helfe ich gern...:)

    Mit den Modulen sehen wir mal, wenn Du fertig bist...

    Pedda
  • 23.12.2020, 11:00
    Kleinhorn
    @kermit_nc
    Zitat:

    Bevorzugt als Bausatz, um die Eingangs-Transistoren matchen zu können.
    Kann man versuchen, ist aber oft nicht so von Erfolg gekrönt. Ich hab das Mal versucht bei BCxx und auch Japantransen 2SCxx. Um richtig Gleiche zu finden braucht man schon reichlich Vorrat...
    Ich hab das über Hfe versucht mit einem Atlas-Tester, allerdings ohne Schreiber. Bei den kleinen Transistoren geht das..bei größeren, ob des fehlenden großen Messstrom, eher Schätzung.

    Meiner Ansicht nach wäre es wichtiger den gleichen Ruhestrom zu haben und ähnlichen Offset. Leider hab ich noch keinen Schaltplan gefunden und bei den guten Werten des 20.5 lass ich das alles unverändert...

    Pedda
  • 28.12.2020, 22:34
    SimonSambuca
    Guten Abend,

    Ich komme mal wieder mit einer Frage um die Ecke - wieviel Strom fließt da vermutlich über den Schalter? Kenne das von früher als die Ams0100 Module (3 Stück) die Kontakte verschweißt hat... (16mm Schalter 3A).

    Sind 250v 5A ausreichend bzw ein beleuchteter 19mm Druckschalter möglich?
    Oder ist das Problem quasi durch einen Softstart gelöst.

    Ach halt noch ne Frage: warum 160mA und 400mA Sicherungen? Vermutlich war das für zwei Trafos gedacht? Ich möchte den von mir verlinkten Ringkern mit 8xx mA nehmen - für den sollte die Sicherung wohl stärker sein?

    Merci und Grüße
  • 29.12.2020, 07:36
    Kleinhorn
    Hi Simon,
    die Sicherungsgröße vor dem Trafo bleibt mit 160 mA. So steht es im Datenblatt. Die 0,4 A T sek auch. Die sind der Tatsache geschuldet, dass der Strom der Relais nicht der Betriebsstrom ist. Im Einschaltmoment schnellt der Strom hoch, durch die Spule bedingt. Man kann die Sicherungen sek auch nach Nennstrom nehmen, dann wären es 600 mA. Da der Trafo etwas überdimensioniert ist, sind mit 400 mA die Geräte abgesichert. So hab ich das beurteilt.

    Ein 5 A Schalter sollte reichen. Das hat nicht mit dem Softstart zu tun. I= P/U = 3,5 Ampere. Der NTC ändert ja seinen Widerstand und wird kleiner. Irgendwann fliesst der gesamte Betriebsstrom. Der 3A bei den Anaview häte eigentlich halten müssen.
    Zur Sicherheit kann man ein 230 Volt Relais 2x8 A hinter den Schalter setzen. Dann kann man mit dem Schalter ansteuern und 2 Polig schalten. Ich nehm die von Schrack Typ RT 424730. Bei den Duck-Schaltern mit LED Ring sind die Kontakte vermutlich nicht sehr gross. Da erhöhe ich die Lebensdauer gern durch ein Relais. Verdrahtet wird das Ganze auf ein Stück Platine mit Printreihenklemmen. 1x drauf und 2x oder 3x ab mit L und N. 2pol Reihenklemme für Relaiseingang. Auf der Platine von unten verlötetet.
  • 29.12.2020, 21:48
    SimonSambuca
    Liste der Anhänge anzeigen (Anzahl: 1)
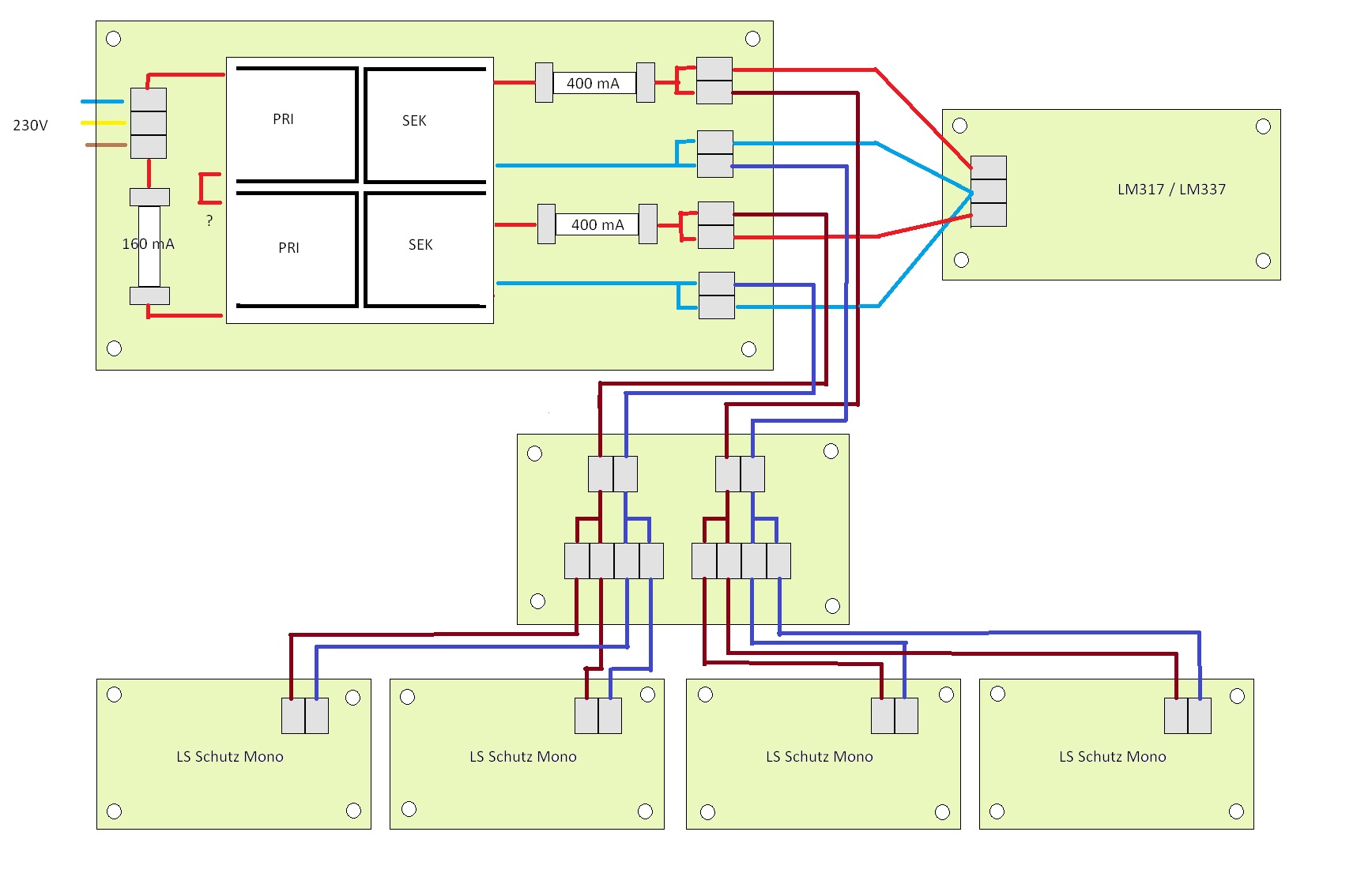
    Hi,

    Danke für die Hilfe! Hab mich auch optischen Gründen für den Druckschalter mit LED Ring entschieden (besser gesagt meine Frau...). Das Relais ist daher mal in den Warenkorb gewandert - Lochplatte, Printreihenklemmen und Co. auch.

    Die Anschlussplan Trafo -> Netzteil und LS Schutz hab ich mal versucht optisch in einem Bild festzuhalten - zumindest wie ich das verstanden habe (hoffentlich richtig).
    Da ich noch nie mit einem Trafo gearbeitet habe bin ich mir unsicher wie der anzuschließen ist, da aber 230V anstatt 115V vermute ich das man die Sekundär in Reihe anschließen muss - aber ist das richtig?
    Ich muss viele Sachen im Laufe des Projekts noch lernen (oder mich wieder dran erinnern). Da aber Netzanschluss bin ich da höchst besorgt und vorsichtig. Daher die vielen ... Fragen :o

    Nachtrag: Ist es vorteilhaft um den Trafo herum eine Schirmung (Kupfer oder Messing Blech ala "Tortenring" rundrum) anzubringen? Bzw. falls ja wie dick sollte das Material sein und wie weit über den Trafo schauen?
    Die Gleiche Frage würde mich im Bezug auf das SMPS, die LS Schutzschaltung und eigentlich den Rest interessieren?

    Anhang 57989
  • 29.12.2020, 22:32
    kermit_nc
    Liste der Anhänge anzeigen (Anzahl: 2)
    Sieht schon mal nicht schlecht aus.Anbei die Korrektur:

    Anhang 57991
    Da können die anderen auch mal drauf schauen, ob OK.

    Beim Einbau sicherheitshalber die Netzleitungen mit Spiralschlauch o.ä. doppelt isolieren.

    Zur Schirmung: Abstand reicht. Bei mir sind es mit 2 Trafos, 1 SMPS und 4 Endstufen ca. 90dB Störabstand, das reicht. Nach der Gain Modifikation sollten es dann sogar 95dB sein.

    Überlege dir wo die Leitungen laufen sollen und bilde Gruppen. Führe die Masse an einen zentralen Punkt. Bei mir ist die Masse, auch die der Lautsprecher, zentral nahe am Netzteil.
  • 30.12.2020, 06:29
    Kleinhorn
    Liste der Anhänge anzeigen (Anzahl: 1)
    Hi Simon,
    ich erachte Deinen Schaltplan für richtig. Du hast auch die Module in 2 Gruppen angeschlossen, so dass der Trafo symmetrisch belastet wird...
    Die Leitungsführung allerdings würde ich etwas anders machen. Ich hab mal was gezeichnet...der Unterschied ist, dass man mit nur 3 Adern arbeitet. Das ist nicht so verwirrend...aber jeder wie er mag...Die Klemmenanzahl bleibt gleich, man hat einen größeren 0 Stützpunkt.

    Anhang 57992

    Du verstehst was ich meine ?

    Pedda
  • 30.12.2020, 07:48
    Kamy
    :cool: Huiii,, oder juhu,, Grüße an alle,,
  • 30.12.2020, 08:28
    Kleinhorn
    Hab ich noch gar nicht erwähnt...
    Für die Versorgung der Schutzmodule reicht Leitung/Litze aus dem Modellbau. 0,14 mm². Sind ja keine langen Strecken und mit 60 mA im Anschaltmoment überschaubar. Dicker schadet nicht...muß aber nicht.
    RG 175 als Coax-Leitung geht. Ich nehm aber auch gern was von Sommer-Cable. Zum Absetzen ist das besser. Dünner Schrumpfschlauch für den Ground schadet nicht...
    Diese Dinger sind hilfreich https://www.amazon.de/KBP-2020-SW-Mo.../dp/B00BIOF4Z8
    Kabelbinder natürlich auch...

    Bald weiß ich nix mehr...:D
  • 30.12.2020, 08:41
    Kalle
    Zitat:

    Zitat von Kleinhorn Beitrag anzeigen
    Bald weiß ich nix mehr...:D

    Roter Draht an Klemme 10 geht immer;)
  • 30.12.2020, 09:12
    SimonSambuca
    Hallo Kamy, Willkommen im Forum :)

    Vielen Dank für die Hilfe von Euch :) Hab ich also doch einen Fehler eingebaut. Plus sekundär ist also jeweils Aussen und Minus auf den Pins in der Mitte.

    Ja ich versteh das man 0 zusammen legen kann. Hab nur recht viele 2er Reihen bestellt und wenig dreier daher hab ich das so aufgezeigt.

    Muss mal schauen was ich noch Alles an Kabel rum liegen hab. Etwas vom angesprochenem coax Sommer cable hab ich bestellt.

    Für das Relais versuch ich später auch noch mal so ein Schaubild zu machen :eek:
  • 30.12.2020, 09:43
    Kleinhorn
    Liste der Anhänge anzeigen (Anzahl: 1)
    Hi Simon,
    ein Fehler war das nicht. Du hattest 0 auf der Platine zusammengeführt. 3 Adern lassen sich besser verdrillen, was man bei Wechselspg immer machen sollte. Mittlerweile verdrille ich immer, da die Zuordnung einwandfrei ist und es auch sauber aussieht. Wüsten Drahtverhau mag ich nicht.

    Hier mal ein Plan für das Relais. Zur Relaisspule und zum Schalter reicht 0,5 mm² dicke. Da, wo die Relaiskontakte sind gehst Du mit min 1mm² drauf und ab. Setz das Relais in der Nähe Netz und SMPS. Dann brauchst die 230 Volt nicht durch Gehäuse zu führen, außer L zum Schalter und zurück. Der N geht ja auch zur Spule

    Anhang 57993
    So mal...
Powered by vBadvanced CMPS v4.3.0