» über uns

  • 03.09.2019, 12:56
    mtthsmyr
    Liste der Anhänge anzeigen (Anzahl: 1)
    Moin,

    Erst einmal gefreut hat mich natürlich, dass die Veränderungen am Mittelhochton den Lautsprecher auch aus Olafs Sicht nochmal nach vorne gebracht haben. Auch ist es irgendwie beruhigend, dass wir beide eine gewisse Präferenz für den Analogausgang des Pioneer-CD (PD-S 801, 90er Jahre Gerät) hatten gegenüber der Umleitung über den Cambridge DAC. :)

    Überrascht hat mich der Tausch des kleinen Parallelkondensators im Hochtonzweig, Superior-Z gegen einen winzigen MKT. Meine Erwartungshaltung war (siehe Bild unten): wenn man den tonalen Unterschied durch das RC-Glied überhaupt hört, bin ich schon froh. Den Unterschied durch den Kondensator wird man nie-nimmer hören. "Wir können es ja trotzdem machen..."
    Okay - bei diesen Dingen bin ich mir nie sicher, ob das, was ich höre, Einbildung ist. Aber der Eindruck war, wie Olaf schreibt, das es mit dem MKT auf einmal matter und flacher klang. Vielleicht hatten wir ja auch ein Kontaktproblem... :o

    Olaf hatte aufgrund der Internetmeinungen schon im Vorfeld den Verdacht gehabt, dass der Silver-Z als Hochtonkondensator nicht sein Ding sein würde. Zu "zpitzz" (scharfer Hamburger S-Laut). Zusammen mit dem Harwood AMT passte das aber ganz gut. Da konnte man auf den Tweak mit dem Bypass-Kondensator auch ganz gut verzichten.

    Hier jedenfalls die Auswirkungen des Bypass-RC-Gliedes (Grün="RC1", schwarz= "RC1"+plus Bypass-RC):
    Anhang 50462

    Leider ist es mir nicht gelungen Olaf von den Vorzügen der "gesoundeten" Version ("Art") zu überzeugen. Die hatte es auch etwas schwer, weil der Mittelhochton nicht so gründlich optimiert war und, gravierender, der Bass (<100Hz ) einfach zuviel war. Für mich klingt die gesoundete Version im Stimmbereich zumindest richtiger. Bei der Musik einer Mittelalterband - da war eine Frauenstimme dabei, die tonal einfach sehr realistisch herüberkam.

    Was auch interessant war, dass Olaf und ich unterschiedliche Ansätze mit der Testmusik haben. Aus meiner Sicht legt Olaf viel Wert auf gute Aufnahmequalität. Die Aufnahme sollte Dynamik haben, nicht totkomprimiert sein und eine tolle Räumlichkeit haben. Wir hatten gegen Ende mal das A-Ha Album "Cast in Steel" eingelegt - was Olaf gar nicht gefiel. "Komprimiert" und "Klangbrei" - würde ich auch eingestehen. Aus meiner Sicht ist es häufig gerade der Klangbrei, an dem Lautsprecher scheitern. Wenn das ganze Spektrum da ist, fällt jede Überhöhung sofort unangenehm auf. Die ganzen audiophilen Aufnahmen, wie z.B. auf der Inakustik Test-CD, die Olaf mir hier gelassen hat - die sind hervorrangend geeignet Lautsprecher zu präsentieren. Aber auch geeignet Fehler zu kaschieren. Auch "No Sanctuary Here" klingt fast immer irgendwie gut. Da muss man schon richtig Mist bauen, um das zu versemmeln. Die aus meiner Sicht typischen Problemstellen (100-400Hz) vieler Lautsprecher erscheinen mir bei den "audiophilen" Aufnahmen entschärft.

    Was mir über die Jahre immer wieder in Foren aufgefallen ist: Die Leute haben neue Lautsprecher und attestieren ihrem Neuerwerb stolz die Eigenschaft "so gut zu sein, dass sie gnadenlos zwischen schlechten und guten Aufnahmen unterscheiden" und nun CDs ausrangieren würden. Das ist aus meiner Sicht ein klares Zeichen für ein Lautsprecher, der echte Probleme hat. Die CDs, die ich als wirklich schlechte Aufnahmen beschreiben würde, sind längst bei Rebuy gelandet oder verstauben. Der Rest hat sich über Jahrzehnte auf verschiedenen Kopfhörern, gekauften und selbstgebauten Lautsprechern bewährt. Wenn da irgendetwas auf einem Lautsprecher nicht so gut klingt, ist es der Lautsprecher. Klar könnten gute Lautsprecher Produktionsfehler hörbar machen. Das sollte aber nichts an der Anhörbarkeit ändern.

    Das Thema mit der Grundtonabstimmung werde ich an meiner Fostexkiste weiterverfolgen. Da habe ich die gleichen Probleme. Da habe ich lange Zeit gedacht: "ist halt ein kleiner Lautsprecher", "ja, bafflestep muss ich noch optimieren", "kann halt kein Tiefbass". Die üblichen Ausreden halt ;). Aber nach der Erfahrung mit Olafs Lautsprecher vermute ich sehr, dass die Probleme auch da eher im Oberbass und Grundton zu suchen sind.

    Nächstes to-do für Olafs Lautsprecher wären aus meiner Sicht mehr Winkelmessungen. Horizontal, vertikal. 10° Schritte oder wenn der automatische Drehteller mal am Start ist auch gerne die 5°. Wir hatten zum Schluss nochmal eine Messung mit Olafs Messequipment gemacht. Wenn ich mir das Ergebnis anschaue, würde ich dem Hochtöner noch einen Sauger bei 4,5kHz spendieren. Das kann man im Bild oben auch gut sehen, warum. Aber ich würde da gerne auch noch vertikale Messungen sehen. Der zweite Punkt wären Hörplatzmessungen in Olafs Wohnzimmer.

    Soweit erst mal. VG, Matthias
  • 09.09.2019, 23:20
    Olaf_HH
    Liste der Anhänge anzeigen (Anzahl: 2)
    Kleines Lebenszeichen der Box.
    Am Rande des Contest letztes Wochenende hatte ich die Möglichkeit, die Lautsprecher Olli und Ronald vorführen zu können.

    Anhang 50680

    Aus diesen beiden Gesprächen ergeben sich weitere Ansatzpunkte, wo noch Raum für Verbesserungen sein könnte

    Tipp vom Olli, Für den großen Hörraum im Brieden Verlag wäre es sinnvoll das Gewicht an der PM zu verringern, hat was gebracht.
    Tipp von Ronald, er meint es würden Störungen im unteren Mitteltonbereich, vielleicht so 500-600 Herz sein, wow was für ein geschultes Gehör..

    Impedanz Messung ergab, ja, da sind bei starker Spreizung 3 Störungen zu sehen, die ungefähr der Höhe , Tiefe und Breite der Innenseiten der Box entsprechen.(Danke Olli fürs schnelle ausrechnen)
    Das Bondum ist da leider nicht effektiv in dem Bereich.
    Auch kann man die von Matthias erwähnte Störung knapp unter 2 Khz sehen, die sehr ausgeprägt ist

    Anhang 50681

    Somit sind neben der Optimierung des Hochton Volumen Bedämpfung auch noch die Internen Absorber für die Resonanzen angesagt. 25er Installationsrohre werden da vermutlich die Wahl sein :-)
    Irgendwie habe ich das überhaupt nicht beachtet bei den Planungen und Messungen.

    Weitere Änderung, mit der Wiedergabe Kette (Cambridge Vollverstärker und Denon CD Player) war der Kondensator parallel zum HT Vorwiderstand zu viel des guten. Alle Hörtest waren ohne diesen.
    Ich glaube fast das Matthias seine Kombi aus Atoll und Pioneer CD Pl. etwas Schmusiger spielt.
    Am WE kann ich hoffentlich endlich mit meiner Sony / Rotel / Blaupunkt Kombi testen.
  • 15.09.2019, 22:10
    Olaf_HH
    Liste der Anhänge anzeigen (Anzahl: 1)
    So sieht eine Impedanz Messung eines AM25 aus,
    eingebaut mit einem kleinem 10mm tiefen Volumen hinter der Membran.
    Bedämpfung mit 2mm Filz, 6mm Basotec und 2mm Filzteppich

    Anhang 50820

    Hatte heute ein paar Test's mit der Rückwärtigen Dämmung angestellt, diese Variante ist die Linearste, wobei die Unterschiede vor allem im Bereich um 2-3 KHZ waren.
    Die Aussage, ein AMT hat ne Imp wie mit dem Lineal gezogen, relativiert sich etwas :-)
  • 17.09.2019, 14:36
    mtthsmyr
    Moin,

    Bist Du eigentlich mit dem abfallenden Hochton oberhalb von 10 kHz weitergekommen?
    Und war das Betrachten der Impedanz fürs Tuning wirklich hilfreich?

    VG, Matthias
  • 17.09.2019, 16:54
    Olaf_HH
    Hi, ich wollte schauen, was sich mit Änderung der Dämmung ändert, was sich ja auch in der IMP gut ablesen lässt.
    Aktuell war ich gestern beim Kiefer Chirurgen und spüre gerade keine Lust am Mechanischen Arbeiten.
  • 28.12.2019, 22:09
    mtthsmyr
    Liste der Anhänge anzeigen (Anzahl: 5)
    Olaf war vorhin bei mir zu Besuch. Bei der Gelegenheit haben wir nochmal eine Messung gemacht. Aktuelle Version nenne ich mal RC2. 0/10/20/30° in 1m Entfernung:
    Anhang 52063

    und gemittelt:
    Anhang 52062

    Dann der Vergleich zur Version vom 2. Treffen ("RC1"):
    Anhang 52064
    Der Bafflestep ist 1dB abgesenkt. Nicht ganz so auffällig, der Energiefrequenzgang hatte vorher einen ganz leichen Hänger zwischen 1 und 2 kHz. Die Hochtonbalance ist jetzt leicht anders.

    Besser zu erkennen elektrisch (Pink=RC1, Grün=RC2):
    Anhang 52065

    Hier nochmal horizontal 20° + 30° isoliert - in dem Bereich liegt auch etwa der Abhörwinkel:
    Anhang 52066


    Erratum: in vorherigen Post war der Hochton überhöht dargestellt. Da muss ich irgendwann eine Pegelerhöhung von 2,5dB abgespeichert haben und den Fehler nicht mehr gemerkt haben. *hust* Zum Glück hat uns das nicht beirrt, da der Hochtonpegel nach Gehör festgelegt wurde. :o
  • 28.12.2019, 22:32
    mtthsmyr
    Liste der Anhänge anzeigen (Anzahl: 1)
    Nochmal der geupdatete Vergleich zu meiner Box (aktuell als "P3" bezeichnet, siehe https://www.diy-hifi-forum.eu/forum/showthread.php?19876-Es-klont-wieder-LS3-5-mit-AL130-und-was-von-SEAS aktuelle Version:1s), inkl. der Korrektur des oben genannten Simulationsfehlers:

    Anhang 52067
    "Mit Oberbassbuckel" ist die P3 (Blau/Schwarz), Grün/Türkis die MLWR.

    Ein paar Anmerkungen dazu:
    • Olafs Box ist 4 bis 5 dB lauter. Die Pegel wurden für die Darstellung entsprechend angepasst.
    • Nach wie vor: das Grundtonkonzept ist unterschiedlich. Ansonsten sind die Energiefrequenzgänge erstaunlich ähnlich.
    • Bei der MLWR muss man in Gedanken beim Energiefrequenzgang im Hochton etwas abziehen. Das vertikale Abstrahlverhalten des Hochtöners habe ich leider immer noch nicht gemessen. Wenn man das berücksichtigen würde, würde der scheinbare Anstieg bei 8 kHz sicher verschwinden.
    • die P3 kommt ohne die Absenkung auf Achse bei 3kHz aus. Stattdessen ist sogar eine leichte Betonung an der Stelle erforderlich, damit der Energiefrequenzgang bei 3kHz nicht zu sehr absackt.


    Für die Höreindrücke lass ich Olaf mal den Vortritt. :)
  • 28.12.2019, 23:47
    Olaf_HH
    Liste der Anhänge anzeigen (Anzahl: 1)
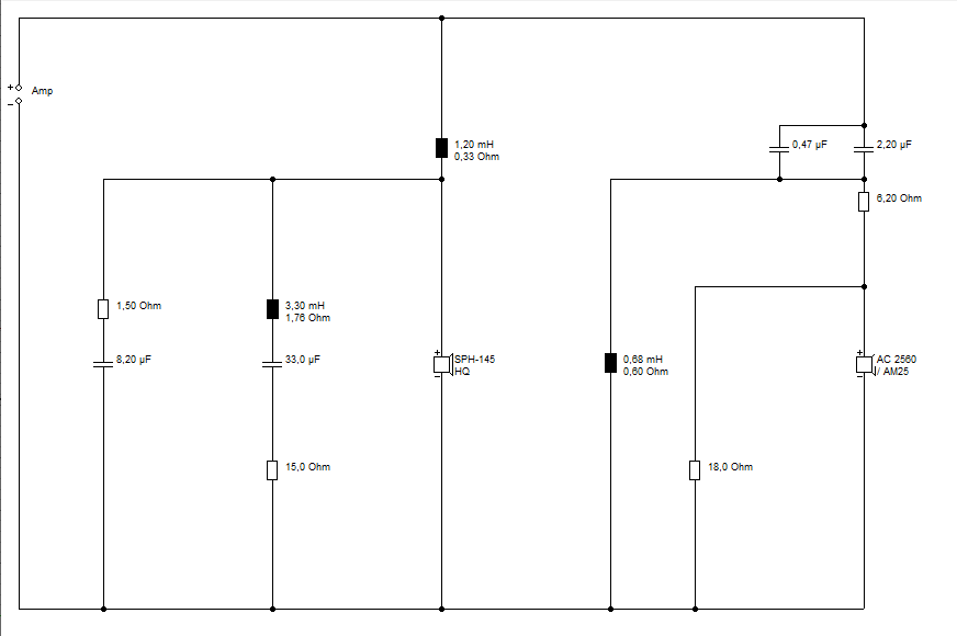
    Erst mal die aktuelle Weiche die heute zum Einsatz kam

    Anhang 52068


    "Meine"
    Höreindrücke....
    tja, was soll ich sagen, es ist immer schwierig, über die eigene Konstruktion was zu sagen.........

    Wir haben mit unterschiedlichen Musikrichtungen von Filmmusik bis Vangelis und Kraftwerk diverse Musikstücke angehört und getestet.
    Amp war ein Atoll A80 und ein Pioneer PDS CD Player (mit dem Plattenteller).

    Beide Boxen haben jeweils ihre eigene Interpretation der Musik, wobei beide auf einem ähnlichem Niveau spielen nur mit unterschiedlichen Betonungen.

    Die MLWR arbeitet im HT Bereich mehr die kleinen Feinheiten raus, unterscheidet mehr zwischen den Unterschiedlichen Instrumenten, bildet einen schönen weiten und tiefen Raum ab.
    Männerstimmen klingen schön sonor, Frauenstimmen fehlt es aber etwas an Klarheit, eher minimal zurückhaltender gegenüber der P3

    Matthias seine kleine P3 spielt etwas flächiger, mehr in der Tiefe und etwas weniger in der Breite im Vergleich zur MLWR.
    Wobei die Boxen auch etwas unglücklich standen, eventuell ist bei der Räumlichen Darstellung noch mehr möglich als zu dem Zeitpunkt wo wir beide Paare da stehen hatten

    Ich würde die kleine P3 sogar für Filmton der MLWR vorziehen, sie war da etwas direkter, anspringender und deutlich klarer bei Frauenstimmen.

    Bei Klassischer Musik, und akustischen Instrumenten würde ich aber eher meine Box präferieren, da z.B. Nachhall. Obertöne beim Klavier Anschlag oder der Glanz einer Trompete noch etwas feiner dargestellt wurden als bei Matthias seiner P3.

    Das spielt sich aber alles auf höchstem Niveau ab und ist auch persöhnliche Geschmacksfrage was einem mehr zu sagt.
    Eventuell könnte Mattias bei seiner 24 dB Weiche durch andere Kondensatoren auch noch mehr Feinheiten beim HT zu Tage bringen als mit den jetzt verwendeten einfachen in Reihe geschalteten Jantzen Cross Caps. (Wir wollen das testen :-))

    Deutliche Unterschiede gab es im Tieftonbereich, da regte meine Box mit der Passiv Membran und der Tieferen Abstimmung leider die Raummoden mehr an als die geschlossene P3 von Matthias.
    Aber, das muss man sagen, der AL130 ist ein super TMT, vielleicht sollte ich da mal drüber nachdenken den zu nehmen.........

    Matthias hatte mir auch noch mitgeteilt, das es mit dem AS2560, den ich ja verwende (Baugleich mit AM25) in den Staaten einige Qualitätsprobleme bei einigen Chargen gab. Der frühe HT Abfall zB ist bei der HH und der K&T so nicht gemessen worden. Ich denke drüber nach, 2 Ersatz Membranen zu kaufen, vielleicht löst das das Problem mit meinen Chassis. (Ich hatte die 2014 aus den Staaten Importiert)

    Wird fort geführt......…
  • 29.12.2019, 15:17
    Jesse
    Zitat:

    Zitat von Olaf_HH Beitrag anzeigen
    ...das es mit dem AS2560, den ich ja verwende (Baugleich mit AM25) in den Staaten einige Qualitätsprobleme bei einigen Chargen gab. Der frühe HT Abfall zB ist bei der HH und der K&T so nicht gemessen worden. Ich denke drüber nach, 2 Ersatz Membranen zu kaufen, vielleicht löst das das Problem...

    Hallo Olaf,

    Visaton treibt m.W.n. bei seinen Magnetostaten einen sehr hohen Aufwand beim Bedämpfen um optimale Messdaten zu erhalten.

    Ich kenne den Innenaufbau der AM25 nicht aber vielleicht ist das eine Stellschraube an der es sich zu drehen lohnt.

    Gruß
  • 29.12.2019, 18:25
    „Q”
    Hallo,

    habe das hier zum Teil mitverfolgt und bin gespannt wie es weitergeht mit der tollen Box und lese gerade vom Hochtonabfall. Frage aus Interesse und hoffe nicht das ich da jetzt etwas verwechsele oder durcheinander bringe und hoffe auch das meine Frage nicht zu dämlich ist. :o Damit ist das ab etwa 10khz gemeint? Das war mir hier auf den Bildern der Messergebnisse aufgefallen, konnte es aber nicht so recht einordnen.

    Frage deswegen, ich besitze drei dieser tollen AM25 Hochtöner die nach und nach zugekauft wurden. Diese messen sich soweit gleich und kann dort den HT Abfall auf Achse nicht feststellen. Das was ich mal hatte war bei früheren Messungen Probleme mit zu wenig gemessenem Hochton-Pegel. Nach Tausch auf ein besseres Messmikrofon war das beseitigt. Kann mir aber nicht vorstellen das das bei euch Profis so wäre. :)

    Wie alt sind Deine AM25?
    Habe zwei aus 2017 und der dritte ist Mitte 2019 gekauft worden.

    Fällt grade noch ein; was ein bisschen unglücklich am AM25 ist, das sich die Membran etwas nach oben und unten verschieben lässt. Könnte das damit etwas zu tun haben?
  • 29.12.2019, 18:38
    Olaf_HH
    Hi
    @Jesse, die sind nach hinten offen und ich habe im Abteil dahinter einiges an Bedämpfungen ausprobiert
    @"Q" , wie ich schon schrieb, 2014 aus den Staaten Importiert. Sind die Originalen Aurum Cantus AST2560, Baugleich mit den AM25.
    Ich verdächtige den Membraneinschub als Ursache.
    Da wir den Abfall mit 2 Unterschiedlichen Microfonen und arta Rechner messen, dürfte das am HT liegen.
  • 29.12.2019, 19:47
    „Q”
    ok das mit den Staaten hatte ich überlesen :o

    Vielleicht reicht es ja schon ein paar Messungen zu machen mit unterschiedlichen Positionen der Membran.
  • 29.12.2019, 19:57
    Olaf_HH
    @ Q, hatte ich gemacht :-)
  • 29.12.2019, 20:06
    „Q”
    Hab es gerade mal versucht nachzustellen. Mehr wie 1dB Unterschied hab ich nicht hinbekommen. Also eher kein Unterschied, dann muß es an etwas anderem liegen.
    Zumal wenn es an beiden gleich ist, auch eher ungewöhnlich.
  • 29.12.2019, 20:28
    mtthsmyr
    Was mir gerade auffällt: in dem Vergleichsbild mit der P3 fällt der AM25 ja schon sehr früh ab - unter 10kHz. In der Kontrollmessung (0/10/20/30°) hält er den Pegel bis 15kHz. Danach fängt das Mikro an zu schwächeln. Die SEAS-Kalotte verhält sich ja genauso. Das spricht sehr dafür, dass sich entweder zwischenzeitlich etwas geändert hat. Olaf hatte mal an mit der Bedämpfung etwas experimentiert. Oder die damalige Messung enthielt einen Messfehler. Was ich aber nicht glaube, denn Olaf hatte mit seinem Mikro ähnlich abfallende Kurven produziert, wenn ich das recht entsinne.

    Es sieht so aus, als wäre der Hochtonabfall jetzt plötzlich weg. Ich ärgere mich jetzt gerade doch ein wenig, dass wir gestern die zweite Box nicht mehr vors Mikro geholt haben.

    Seltsame Sache...

    VG, Matthias
  • 29.12.2019, 22:06
    Olaf_HH
    Klanglich war aber doch alles gut. Wo bleiben eigentlich deine Klangeindrücke von gestern ? :D:p:prost::cool:
  • 29.12.2019, 23:21
    mtthsmyr
    Ja, Olaf und ich waren uns gestern erstaunlich einig bei den Höreindrücken.

    Die MLWR ist der musikalischere Lautsprecher. Die Musik fließt mehr. Stimmen sind sonorer - das halte ich zwar für eine Färbung, die aber mittlerweile dezent ausfällt (war in RC1 auseprägter) und recht gefällig ist. Bei der Präsentation feiner Nebengeräusche hat der AMT eindeutig die Nase vorn. Wenn man die P3 isoliert hört, denkt man nicht, dass da im Hochton irgendetwas fehlen könnte. Schaltet man auf die MLWR rüber merkt man, dass da noch etwas geht. Die Frage: ist das allein der Hochtöner? Oder spielen die Kondensatoren hier eine Rolle?

    Die P3 ist wirklich eher die Heimkinobox. Wie haben das sehr schön an zwei Titeln von der "LOTR: Return-of-the-King"-CD herausgearbeitet. Titel 3+4 (Gandalfs Ankunft in Minas Tirith; die Kamerafahrt über die Leuchtfeuer in den Bergen) enthalten beide recht forsche Orchestertutti mit strahlenden Blechbläsern. Olaf erinnerte sich als man das vor gut 15 Jahren in den Kinos gehört hat, dass diese Passagen schon etwas weh tun können. Und auch müssen!
    Der AMT der MLWR gibt diese Passagen tendenziell entspannter wieder. Bei der P3 hingegen klingt es eher wie man es aus dem Kino erinnert. Kraftvoll, strahlend. Die kleine 19mm Kalotte strahlt sehr viel Energie in den Raum, der vertikale bündelnde AMT weniger - und das ist dann der Unterschied.

    Bühnenstaffelung in der Breite funktioniert bei beiden Lautsprechern hervorragend. Auf dem letzten Titel der "Joy Division - Unknown Pleasures" geht bei 0:50 links ein Glas zu boden. Und zwar noch links neben dem Lautsprecher. Das Geräusch kommt aus der Raumecke und auch am Fussboden lokalisiert. Beim ersten Mal dachte ich: ich hol mal das Kehrblech... :D

    Bei der Tiefenstaffelung war die MLWR deutlich überlegen. Wobei ich vermute, dass der MLWR sogar noch mehr kann. Unter besseren Abhörbedingungen. Bei der Abbildungsposition in der Tiefe enthalte ich mich. Ich habe zu selten wirklich in der Mitte gesessen.

    Der Vergleich AL130 gegen SPH145HQ hat im wesentlichen Bekanntes bestätigt: Der Visatöner ist neutraler, klarer. Der Monacor spielt charmant kolorierend und angenehmer. Mit den Pegelorgien ist die MLWR im Mittelton besser klargekommen. Da waren wir uns aber beide nicht sicher, ob das an den doch sehr unterschiedlichen Konzepten liegt. Bei der MLWR kommt viel aus den 14 Litern Gehäusevolumen und Passivmembran. Bei der P3 wird da elektrisch kräftig nachgeholfen, weswegen der Wirkungsgrad auch gut 5 dB niedriger ist. Der Vergleich ist wirklich schwer.

    Größte Überraschung war für mich der Vergleich der doch recht unterschiedlichen Grundtonabstimmungen. Weder hatte die MLWR ein auffälliges Oberbassloch, noch fiel die P3 durch ihren Oberbassbuckel auf. Die Zurückhaltung im Bass merkte man erst beim Umschalten auf den MLWR. Letztere spielt dadurch größer und gewaltiger. Der P3 fehlt ein etwas Tiefbass, bei der MLWR ist es je nach Titel üppig-aber-geil bis eine-Schippe-zuviel (für meinen Geschmack). "Kistenklang" würde ich der MLWR nicht mehr attestieren. Wobei ich nach wie vor der Meinung bim, dass die leichte Absenkung der P3 bei 300Hz in die richtige Richtung geht. Das ist nur ohne kompletten Reboot bei der Weiche beim MLWR nicht zu realisieren. Neben dem leiseren Bass ist diese Stelle ist meiner Meinung einer der Punkte, die die P3 etwas direkter und anspringender spielen lässt. Aber wie man in der Messung sieht: groß ist der Unterschied ohnehin nicht.

    Ein Titel ist mir noch in Erinnerung geblieben: "Keri Noble: Last Warning" von der Inakustik-CD. Da haben beide Lautsprecher noch eine gewisse Belegtheit gezeigt, Heiserkeit, Rauhheit. Die Stimme ist wirklich entlarvend, was das betrifft. Ich hatte die CD früher einige Male nur mit dem AL130 ohne Weiche gehört - mit voll durchschlagender Membranresonanz. Aber da gab es das Problem nicht. Ich vermute, dass wir da beide noch Probleme mit den Spulen haben. Bei der MLWR war es vermutlich die Hochtönerspule, bei der P3 eher der Tieftonzweig.

    Hat jedenfalls wieder richtig Spaß gemacht das Treffen! Die Frage kam noch auf, ob der MLWR reif für den Kondensatortest ist. Man könnte für den Test eine noch hochtonbetontere Abstimmung erwägen. Ideen habe ich immer, davon abgesehen ist der MLWR jetzt sehr stimmig. Das Teil kann definitiv so bleiben wie es ist.
    :ok:
    VG, Matthias
  • 04.01.2020, 23:39
    mtthsmyr
    "Renderburger Hörerlebnis-Nachmittag"
    Nabend,

    Olaf und ich waren heute bei Udo (hifi4fun) in Rendsburg und haben in seinem heimischen Hörraum die MLWR getestet. Udo selbst führte seine Tafal vor – allein für sich schon interessant, aber für Olaf und mich aktuell eben auch als Vergleichsmaßstab für die MLWR.

    Die Location:
    Gehört wurde über PC-Streamer => DIY-DAC =>Magnat Röhren-Amp. Der Hörraum war ein Kellerraum - geschätzt: 4,5 x 3,2m -, der auf den zweiten Blick aufwändig akustisch optimiert war: zwei große Eckabsorber in den beiden vorderen Ecken, ebenfalls raumhohe(!) Helmholtz-Absorber in den hinteren Ecken. Links und Rechts Regale mit Tonträgern (Expedit/Kallax) als Diffusoren. Zusätzliche DIY-Akustikpanele an der Front- und Rückseite, sowie der Decke. Die Frontpanele fielen sofort auf, der Rest wie gesagt erst auf den zweiten Blick. Insbesondere die Eckelemente konnte man trotz des Raumbedarfs von gut 2,5m³ gut übersehen. Aufgestellt wurden die Lautsprecher an der langen Wand. Das Ergebnis der raumakustischen Maßnahmen kann sich auf alle Fälle hören lassen. Keinelei auffälligen Moden im Bassbereich, scheinbar keine Probleme im Hochton durch zuviel Nachhall. Ich habe mich an die heimischen Verhältnisse ganz gut gewöhnt, aber Udos Hörraum hat sehr motiviert das Thema mal anzugehen.

    Zur Tafal:
    ich habe selbst mal einen halbherzigen Aufbau der Tafal gehabt. Halbherzig, weil Bedämpfung nicht okinal und BR-Rohr statt Passivmembran. Bei mir zuhause hat das in der relativen Wandnähe nicht so gut funktioniert (zuviel Bass/Grundton). Bei Udo in dem Raum hat alles gepasst. Er hat die Tafal rund 1m vor der Wand platziert, und stark eingewinkelt, so dass die Hochtönerachsen sich etwa eine Armlänge vor dem Hörer kreuzen. Die Bühnenbreite ist dadurch eher normal und erschien mir vor allem recht plastisch in der Tiefe. In Punkto Klarheit und stimmiger Tonalität wirklich eine Hausnummer.

    Ich will keine relative Bewertung der beiden Lautsprecher vornehmen im Sinne besser-schlechter.. Der Vergleich mit der Tafal bietet sich an, weil dieser Lautsprecher eine bekannte Koordinate ist.

    Was die MLWR anders macht bzw. auffiel:

    • Aufstellung war besser vor der Wand (16cm Luft nach hinten), nur leicht eingewinkelt. Auf der vorgezogenen, stark eingewinkelten Position verlor sie an Stimmigkeit. An ihrer Stammposition konnte die Tafal bei der Tiefenstaffelung punkten.
    • Die MLWR schiebt unten herum mehr. Das war in dem Raum keinesfalls zuviel und hat begeistert. Die starke Raumbedämpfung ließ die MLWR ausgewogener spielen als bei mir. Die Tafal kam mir anfangs fast "schlank" vor.
    • Die Koloration der MLWR fiel mir heute weniger auf. Einen Mangel an Klarheit ist mir nicht direkt aufgefallen. Dafür hätte man mehr umschalten und ich mehr bekanntes Material hören müssen. Was meine bisherigen Aussagen zu dem Thema ein wenig relativiert.
    • Die MLWR wirkte wie auch im Vergleich mit der P3 als Lautsprecher, der sanfter zu den Ohren ist. Bei "Keith don't go (live)" war sie überraschend bissig. Der Titel war anhörbar und hat gezeigt: Der Hochtonlevel ist genau richtig so. Gerade so eben noch nicht zuviel. Wäre interessant gewesen, das nochmal mit der Tafal zu hören.
    • Breitere Bühnenabbildung.
    • Die Energieverteilung ist anders - weniger direkt. Der Charakter der MLWR war allerdings weniger ausgeprägt als in meinem Hörraum. Die akustischen Maßnahmen scheinen die Unterschiede im Abstrahlverhalten ein wenig zu nivelieren – wäre eine plausible Erklärung. Während mir die MLWR in meinem Hörraum manchmal noch einen Tick zu gutmütig war, hätte ich das bei Udo vor Ort nicht mehr gesagt. Eventuell hat da auch die Elektronik mit hineingespielt.

    Die MLWR ist mittlerweile mit Jantzen-Rot im Hochton aufgerüstet worden. Auch die Tafal war mit mit Jantzen-Rot für den 1µF und irgendetwas von Mundorf für den 5,6µF modifiziert. Unteschiede im Auflösungsvermögen kann ich erst einmal nicht benennen – dafür hätte ich mehr bekanntes Material im direkten Vergleich hören müssen.

    Tonale Fehler oder Schwächen konnten wir keinem der beiden Lautsprecher attestieren. Es gab keine Aufnahme, die man irgendwie als "okay, das liegt ihm nicht so" eingeordnet hätte. Beim Treffen letzter Woche hatte ich noch ein Resonanzproblem bemerkt; dieses aber auf klappernde CD-Hüllen geschoben. Heute konnte dann das rechte Lautsprecher-Terminal als Schuldiger ermittelt werden. Die Teile werden dann über kurz oder lang ersetzt werden. Yay!

    Fazit:
    Unser Eindruck von letzter Woche, "das kann erst mal so bleiben", hat erst einmal keine Delle bekommen. Die MLWR hat sich bewährt bzw. für mich unter den Rahmenbedingungen noch einmal neue Stärken präsentiert. Für den Zweck als Abhöre im Kondensatortest gab es von Udos Seite erst einmal keine Einwände.

    Ich habe mich jedenfalls sehr gefreut, Udo kennenlernen zu dürfen und möchte mich nochmal herzlich für den schönen Nachmittag in Rendsburg bedanken!

    VG, Matthias
  • 05.01.2020, 01:21
    Olaf_HH
    @Udo und Matthias,
    erst einmal vielen Dank das ihr die Mühen auf euch genommen habt mir zu helfen, bzw die von Matthias und mir designete Box zu testen und zu beurteilen. :prost:

    Da ich mich beim Hören zurückgehalten hatte und eher abseits saß, möchte ich mich zur Tonalität beider Boxen nicht weiter äußern, aber ich denke mal, Matthias hat es ganz gut Beschrieben.

    Die von mir bisher verwendeten Dynavox Terminals verursachen vermutlich die Störung die wir auch immer wieder gemessen haben, und wo auch Jesse in Duisburg meinte, da wäre eine Störung.
    In Udos optimierten Raum war es so leise, das wir die Resonanzen schnell finden konnten.

    Zur Frequenzweiche, ich hatte die Hochton Spule gegenüber der letzten Woche getauscht, eine Intertechnik Silber gegen eine Standard Backlack Spule.

    Die Jantzen Rot waren aber bei unserem letzten Treffen bei Matthias schon drin.

    Der Magnat RV3 ist kein Röhren Amp, sondern ein Hybrid, also Röhrenvorstufe und Transistor Endstufe.
  • 05.01.2020, 10:09
    mtthsmyr
    Moin,

    Dass die roten Jantzen letztes Wochenende schon dabei waren, war mir klar - war aber missverständlich formuliert von mir. Udos Kette & Raum passt finde ich super zu der Abstimmung wie sie ist. Du hattest das ja auch schon vermutet, dass mein CD-Player da etwas softet. Das "mehr" gestern war dann zum Glück nicht zuviel, sondern genau das was noch gefehlt hat.

    Hattest Du eigentlich ein Stück MicroPor vor der Termnalplatte platziert?

    VG, Matthias
Powered by vBadvanced CMPS v4.3.0