» über uns

Acht Zoll Shoot Out

Druckbare Version

  • 26.03.2017, 16:04
    Gaga
    Moin Thomas,

    na ja, ich denke die DXT macht das schon richtig gut und ich erwarte nicht, dass sich deren Abstrahlverhalten durch 'Abrunden' der Stufen groß verbessern lässt (wenn ich Dich richtig verstanden habe).

    Was ich nicht verstehe, ist die Erklärung, die SEAS im Whitepaper zur 'DXT-Technologie' gibt:
    Zitat:

    From approximately 7 kHz the diffraction edges begin to work. At the very high frequencies the DXT® uses up to 3rd order diffraction to expand the sound field. At lower frequencies the DXT tweeter operates as a waveguide to narrow the mid-band dispersion.
    Die darüber stehende Abbildung zeigt denn auch die Diffraktion an den 3 äußeren Kanten zwischen den konischen Abschnitten der Schallführung. DIese 'Diffraction Edges' sollen nun irgendwie das CD-Verhalten erzeugen. :confused:

    Für mich ist es verständlicher, die DXT eher als eine von Keele vorgeschlagene CD-Schallführung zu betrachten (siehe hier), bei der eine konische Schallführung nach 2/3 der Hornlänge zum Mund hin abgeflacht wird (um den bekannten Einbruch auf Achse zu vermeiden). Bei der DXT ist diese 'Abflachung' eben geschickt in 2 Stufen ausgeführt.

    Wenn ich die von Dir gemessenen Maße der DXT-Schallführung nehme und annehme, dass die Schallführung unter der 44mm breiten Stufe noch ca 2 mm tief ist, errechne ich eine konische Schallführung mit 7,5mm Länge (oder Tiefe) und danach zwei flacher werdende Stufen mit zusammen 4mm Länge (Tiefe). Das passt ganz gut.

    Aus den Maßen lässt sich auch der Winkel der langen konischen Stufe errechnen - es ist ein Öffnungswinkel von 63,4°. Das passt ganz gut zum im Whitepaper gezeigten Sonogramm. Allerdings wird die (schön gleichmässige) Abstrahlung der DXT hier auch erst ab 3 kHz gezeigt. Kein Wunder, denn unter 3 kHz sieht's nicht mehr ganz so gleichmässig aus, da die Schallführung erst zwischen 2 und 3 kHz anfängt zu bündeln.

    Die zu niedrigen Frequenzen hin limitierte Bündelung ist - je nach gewünscter Anwendung - vielleicht der einzige Bereich der DXT, bei dem eine Verbesserung schön wäre.

    Die an LeCleach angelehnte Schallführung hat aus diesem Grund einen wesentlich größeren Durchmesser als die DXT (ca 190mm vs 104mm). Daher bündelt sie schon etwas früher zu tieferen Frequenzen hin. Das soll das Zusammenspiel mit einem 8-Zoll Chassis (hier der Dayton) einfacher gestalten. Wie sehr das die Abstrahlung in den Höhen beeinträchtigt, wird sich bei der Messung zeigen. Vielleicht braucht's hier eben einen kleinen Diffusor vor der Membran.

    Eine DXT-XL wollte ich bei Gelegenheit auch noch simulieren, (von nailhead) drucken lassen und messen. Aber ich habe leider sehr wenig Zeit im Moment, so dass das noch dauern kann...

    Grüße,
    Christoph
  • 31.03.2017, 23:44
    Gaga
    Die gedruckte Schallführung
    Moin zusammen,

    in Beitrag #39 hatte ich die Simulation einer Schallführung (verkürzte LeCleach-Kontur) gezeigt.

    Inzwischen habe ich von nailhead eine gedruckte Version (siehe hier) mit trickreicher Befestigung des SB26 bekommen - tausend Dank nochmal an dieser Stelle!:thumbup:

    Die Schallführung von vorne:
    http://www.diy-hifi-forum.eu/forum/p...ictureid=30331

    Der Befestigungs-'Rahmen' für die SB26 ohne Frontplatte:
    http://www.diy-hifi-forum.eu/forum/p...ictureid=30333

    Die SB26 an die Schallführung montiert:
    http://www.diy-hifi-forum.eu/forum/p...ictureid=30335

    Ich habe ganz schnell eine Q&D Winkelmessung gemacht. Obacht: Die Messbedingungen waren alles andere als ideal (zu leise, weil recht spät; Winkel nur grob eingestellt; die Schallführung war ein ganzes Stück vor dem Drehpunkt montiert).

    Ebenfalls beachten: Die Schallführung wurde frei, d.h. ohne Gehäuse oder Frontplatte vermessen - bei einer runden Schallführung natürlich nicht ganz unproblematisch. Man sieht's ja auch an der Messung...

    Na denn, trotzdem, Winklemessungen von 0-90° in 10°-Schritten, Mic Entfernung 72cm:
    http://www.diy-hifi-forum.eu/forum/p...ictureid=30342

    Power Average aus diesen Messungen:
    http://www.diy-hifi-forum.eu/forum/p...ictureid=30343

    Die Messung ab 1000Hz mit der Simu (Schallführung mit rundem Gehäuse) als kleines Bild eingefügt:
    http://www.diy-hifi-forum.eu/forum/p...ictureid=30345

    Insgesamt nicht übel, finde ich. Sollte in einem Gehäuse montiert etwas besser aussehen. Sobald Zeit ist noch 'richtige Messungen, möglichst in einer Schallwand.

    Falls es gefällt, gehen die Schallführungen - die noch eine Oberflächenbearbeitung benötigen - an Michi...

    Gruß,
    Christoph
  • 01.04.2017, 01:29
    fosti
    Ich hatte es in #35 http://www.diy-hifi-forum.eu/forum/s...7&postcount=35 schon angedeutet: Die Kombination aus Seas Excel 8" W22 EX001 in Verbindung mit dem DXT hat in Kombination überzeugt:
    http://www.grimmaudio.com/site/asset...estbericht.pdf
    Aufbauanleitung:
    http://www.grimmaudio.com/site/asset...8/speakers.pdf
  • 01.04.2017, 12:42
    Oldie
    Thanx together,

    also mir gefällt's.:ok:

    Mal schauen wie das tut.

    Es geht um diesen Probanden

    Achsfrequenzgang:

    http://www.diy-hifi-forum.eu/forum/p...ictureid=30355

    und das Winkelgefüge unnormiert dazu:

    http://www.diy-hifi-forum.eu/forum/p...ictureid=30346



    Ziel ist es die Einschnürung um 1 kHz und die Aufweitung im Präsenzbereich zu verbessern.
    Vorgabe war das simulierte Abstrahlverhalten des Seas im Gehäuse 3.

    normalisiert 0 Grad

    http://www.diy-hifi-forum.eu/forum/p...ictureid=30198

    und normal

    http://www.diy-hifi-forum.eu/forum/p...ictureid=30184

    als Vergleich die Messungen

    normalisiert 0 Grad

    http://www.diy-hifi-forum.eu/forum/p...ictureid=30348

    und

    http://www.diy-hifi-forum.eu/forum/p...ictureid=30347


    und noch die anderen Kandidaten als Vergleich

    Visaton GF 200

    http://www.diy-hifi-forum.eu/forum/p...ictureid=30350

    http://www.diy-hifi-forum.eu/forum/p...ictureid=30349

    Scanspeak 22 W 8534

    http://www.diy-hifi-forum.eu/forum/p...ictureid=30352

    http://www.diy-hifi-forum.eu/forum/p...ictureid=30351

    Dayton RS 225

    http://www.diy-hifi-forum.eu/forum/p...ictureid=30354

    http://www.diy-hifi-forum.eu/forum/p...ictureid=30353

    schnürt ein wenig ein um 1,5 kHz laut normalisiertem Diagramm, denke aber genügend Futter zu haben um eine tiefe Trennung mit dem Waveguide zu realisieren.

    Probier'n ma's aus.

    Grüsse Michi
  • 01.04.2017, 13:22
    EMP
    Sehr cool was ihr hier treibt :ok:

    hab ich das richtig verstanden, dass ihr einen Tieftöner zu Gagas HT/WG sucht?
  • 01.04.2017, 14:55
    Gaga
    Hallo EMP,

    Zitat:

    Sehr cool was ihr hier treibt
    Vielen Dank!

    Zitat:

    hab ich das richtig verstanden, dass ihr einen Tieftöner zu Gagas HT/WG sucht?
    Na ja, sowohl als auch. Ich habe versucht, eine Schallführung zu basteln, die zu einem 8'-TMT passt, Michi wählt den für das Projekt passenden 8'-TMT aus. ;)

    Grüße,
    Christoph
  • 10.04.2017, 17:59
    Oldie
    Guggugg,

    ein wenig hat sich schon getan.

    Muss man nochmal hochhüpfen zu Thread 39

    Als Vergleich mal den Hochtöner SB 26 ADC im WG 300 mit Diffusor stumpf angeflanscht.

    Fange ich mit dem Poweraverage an.
    Es gab zwei Messverfahren. Einmal um die Front gedreht und einmal um die Lautsprecher Mittelachse. Das sind in der Distanz 15 cm, wurde natürlich beides auf einen Meter gemessen.
    Prinzipiell ging es um den Drehwinkel.

    Im Average schlägt das mit weniger Pegel (Graph rot) zu Buche, die Tendenz bleibt gleich.

    Im Sonogramm wirkt das um die Front gemessene Abstrahlsonogramm schroffer, die Stufe ist im um die LS Achse gemessenen Sonogramm schöner.

    Hiermal der Average vom SB 26 ADC in der erweiterten Schallwand (25 x 98) Einbauhöhe 87 cm.

    http://www.diy-hifi-forum.eu/forum/p...ictureid=30405

    und im Vergleich LeCleach Simu von Christoph


    http://www.diy-hifi-forum.eu/forum/p...ictureid=30280


    Messungen Winkel in 10 Grad Schritten + 15 und 45 Grad um auf diese Winkel normieren zu können.

    Einmal unnormiert Front

    http://www.diy-hifi-forum.eu/forum/p...ictureid=30401

    unnormiert um die Mittelachse gemessen

    http://www.diy-hifi-forum.eu/forum/p...ictureid=30398

    LeCleach Simu im Vergleich

    http://www.diy-hifi-forum.eu/forum/p...ictureid=30320


    Sonogramm unnormiert Front

    http://www.diy-hifi-forum.eu/forum/p...ictureid=30402

    Sonogramm unnormiert Mittelachse

    http://www.diy-hifi-forum.eu/forum/p...ictureid=30399

    LeCleach Simu

    http://www.diy-hifi-forum.eu/forum/p...ictureid=30319

    und nochmal normiert auf 0 Grad

    Front

    http://www.diy-hifi-forum.eu/forum/p...ictureid=30403

    Mittelachse

    http://www.diy-hifi-forum.eu/forum/p...ictureid=30400

    und die LeCleach Version

    http://www.diy-hifi-forum.eu/forum/p...ictureid=30281

    Ich bin schon gespannt was Christoph messen wird und was bei mir dann rauskommt.

    Danke nochmal an Andreas und Christoph, in freudiger Gelassenheit....

    Grüsse Michi
  • 10.04.2017, 18:25
    fosti
    ja das kann sich nur noch um Wochen handeln....habe im SchlaZi gerade die Fußleisten als letze Aktion in DEM Zimmer angedengelt :built:
  • 10.04.2017, 22:50
    Gaga
    Ahoi Michi,

    erst mal ein großer Dank an Deine Gelassenheit ;).

    Nachdem Du vorgelegt hast, will ich auch - wenigstens ein wenig - beitragen.

    Ich bin erstaunt, wie gut die SB26ADC mit Frontplatte und Diffusor (die Frontplatte ist ja nicht eben) an das WG-300 passt und funktioniert. :ok:

    Zurück zum 'kurzen LeCleach-WG'. Wie sieht das gemessene Sonogramm aus?

    So (SB26 vor der Drehachse, Mic Abstand 72cm, 0-90°, nicht normiert):
    http://www.diy-hifi-forum.eu/forum/p...ictureid=30416

    Wie weit vor der Drehachse?
    http://www.diy-hifi-forum.eu/forum/p...ictureid=30423

    So ungefähr.

    Das auf 0° normierte Sonogramm (WG ohne Gehäuse, Mic 72cm):
    http://www.diy-hifi-forum.eu/forum/p...ictureid=30420

    Jetz bietet sich der Vergleich mit der Simulation an... Obacht: Simu auf 1m, SB26 auf Drehachse, Messung 72cm und SB26 vor Drehachse. Trotzdem:
    http://www.diy-hifi-forum.eu/forum/p...ictureid=30421

    Jetzt müssen wir schauen, wie das im Übernahmebereich hinhaut.

    Hier die auf 0° normierten Messungen des Dayton RS 225 im Gehäuse von Michi und die Messung des kurzen LeCleach-WG ohne Gehäuse...
    http://www.diy-hifi-forum.eu/forum/p...ictureid=30424

    Schuamermal, oder?

    Ein Gedanke: Vielleicht lohnt es sich, um das vertikale Abstrahlverhalten nicht total zu versauen, die SB26 in der Schallführung näher an den RS 225 zu bringen, indem man den recht flachen, äußeren Teil der Schallführung einfräßt?

    Abschließend noch eine Q&D-Messung des 'kurzen LeCleach-WG' mit 15uF-Kondensator davor (Mic nur in 56cm Entfernung):
    http://www.diy-hifi-forum.eu/forum/p...ictureid=30422

    So, jetzt hab' ich ein wenig Zeit geschunden. ;)

    Sobald ich wieder messen kann, möchte ich Messungen des WG in einer Schallwand machen. Dann müssen wir uns einigen, wer für die Oberflächenbehandlung der Schallführung Hand anlegen möchte (bzw. jetzt Zeit dafür findet). :D

    Je nachdem, schicke ich Dir die Schallführungen dann gleich zu, oder versuche sie noch etwas 'schön' zu machen. Und sorry für die etwas langsamen Fortschritte auf meiner Seite.

    Bis denn, Grüße,
    Christoph
  • 11.04.2017, 00:08
    Oldie
    Hallo liebe Christophs,

    nee, nee nur keine Hektik.

    Zitat:

    Und sorry für die etwas langsamen Fortschritte auf meiner Seite.
    Eile mit Weile, denn ob schnell oder langsam der Weg bleibt stets der Gleiche.

    @Gaga

    schleifen und polieren kann ich das WG dann schon, wenn's dir zeitlich zu eng ist.
    Mit überlappen TT und WG hätte ich mal angefangen im kleinsten Gehäuse, das müssen die vier Tieftöner auch noch rein.
    Arbeit geht mir nicht aus :D.
    Der Übergang sieht gut aus, Tiefpass wird Butterworth dritter Ordnung bleiben. Hochpass kann man noch auf LR4 oder Butterworth fünfter Ordnung anpassen.
    Schaun mer mal, was der Klirr sagt.

    @Fosti

    Zitat:

    ja das kann sich nur noch um Wochen handeln....
    Wenn's dir nicht eilig ist, eine Kombi WG300 + SB26 kann ich schon entbehren.
    Schick mir doch mal deine Adresse per PN.

    Darfst dich gerne hier einklinken, auf den Seas Excel...
    find ich lecker schmecker.
    Wie gross war deine Schallwand nochmal ?
    Vielleicht eine Alternative für's mittlere Gehäuse, oder ist es näher an der Standbox ?

    Grüsse Michi
  • 11.04.2017, 03:26
    fosti
    Moin Michi,

    der Excel war in der Alliance in 254mm breiter Schallwand verbaut.....die ihm angedachten Gehäuse werden allerdings 500mm breit werden (340mm + jeweils 80mm Radius)...guckst Du hier: http://polyhymnia.com/studios-equipm...dio-amsterdam/

    Viele Grüße,
    Christoph

    EDIT: Um einen RiPol-Sub nach unten ergänzt (und damit nach oben entlastet) wid der wohl erstmal meine Lösung zu Hause sein.

    Beim HT könnte Deine WG Kombi gegen den eigentlich gesetzten DXT allerdings noch den Ritterschlag bekommen :D:D

    EDIT2: Die nach unten mögliche Trennfrequenz bei Deiner WG-Kombi ist einfach traumhaft!

    EDIT3: Der Excel ist zwar teuer aber ich kenne keinen anderen, der bei den Tieftoneigenschaften noch so hoch kann. Bei Deinem WG mit 1kHz Trennfrequenz käme für mich aber auch wieder der VISATON AL200 in Frage....
  • 12.04.2017, 09:51
    Oldie
    Hallo Christoph,

    Zitat:

    (340mm + jeweils 80mm Radius)
    Ein Grimmclone ohne Füsse, muss man obacht geben ;).
    "Hast du noch nicht genug"......

    Zum Abschluss der Messreihe kann man das Format nochmal aufgreifen.
    Von Infinity gab's meines Erachtens auch mal so was.
    Hatte aber so eine Art von "Kühlrippen" auf der Seite.

    AL200 ist natürlich auch noch verlockend.
    Der Herr Püttmann (Latenight) hat ja die Daytons durch die Visatöner ersetzt, aber der Nutzschallpegel ist im Heimkino etwas gehobener als im zahmen Heimgebrauch.
    Im Zusammenspiel mit der ATC Kalodde hat er dadurch mehr Headroom gewonnen.

    Falls es dir nicht zu viel Aufwand ist, könntest du die "Alliance " Gehäuse mit einem schnell zusammengespaxxten U-Ständer auf das Format des Vib Gehäuses bringen.
    Das Aufbrechen des Seas W22 Excel und die Wirkung des Phaseplugs täten mich brennendst interessieren tun. :D

    Ansonsten harre ich der Dinge und lassen wir uns überraschen, was WG 300 + SB 26 ADC bei dir veranstalten.

    :yahoo:

    Grüsse Michi
  • 23.07.2017, 18:44
    Oldie
    Neues aus der Anstalt
    Tach auch,

    Feder Masse Schwingeinheiten in Einklang zu bringen ist die Aufgabe.

    Die Schallleistungsabgabe und das daraus resultierende Schallfeld kann recht unterschiedlich ausfallen.

    Was dabei so rumkommen kann, kann man hier mal begutachten.

    O' g'fanga hat's mit der Vib 2000 GF.

    Mittenlos, wie oft beschrieben kam sie mir nicht vor, eher etwas zu laut im Hochton (Presenz-Brillianzbereich).

    Wenn man so einen Standlautsprecher dann noch in die Ecke pfercht wird's Klangbild mumpfig. Übertriebener Taunussound.

    Zum Vergleich mal drei Frequenzgänge auf Achse gemessen direkt übereinander.

    Die rote Kurve ist die Vib 2000 GF .

    Schwarz, der Ritter mit dem LeCleach WG und dem Dayton RS 225 geschlossen mit Güte 0,7 in ca. 45 L f3 50 Hz im Halbraum.

    Blau ist ein neues Konstrukt aus Visaton WG mit G25FFL und GF 200 in ca. 20 L geschlossen Güte 0,707, f3 65 Hz im Halbraum.

    http://www.diy-hifi-forum.eu/forum/p...ictureid=31074


    Auf die Bassabstimmung gehe ich später nochmal ein.

    Erst mal die Frage: Was ist denn jetzt so grossartig anders ?

    Die Schallwände der Vib und vom Ritter sind annähernd gleich.(B x H : 25 X 90/108)
    Der kleine Kämpfer hat das Aussenmaß ( B x H : 23,6 X 47,5 cm).

    Alle haben keine Schallwandverrundungen an den Kanten.
    Die Tendenz der Schallbeugung ist in den Messungen zu erahnen.
    Aber die tollen Waveguides sollen das ja verhindern.

    Als Referenz guggen wir mal die Tannoy DTM 8 an.

    Sonogramm unnormiert und geglättet.

    http://www.diy-hifi-forum.eu/forum/p...ictureid=31076

    Tendenziell keine Kantenbeugung zu erkennen.
    Klangbild Vollmundig warm mit etwas Brillianzschwäche (typisch englisch). Bass trocken, "knackig", dickt auch wandnah nicht auf. Räumlichkeit :thumbup::yahoo::ok:.
    Basisbreite 2,5 m, Hörentfernung 3m, eingewinkelt 30 Grad.

    Dann den Schwarzen Ritter als "Clone" .

    http://www.diy-hifi-forum.eu/forum/p...ictureid=31077

    WG funktioniert Prima.
    Klangbild manchmal etwas zu warm und dick im Grundton (350 Hz) 50 cm vor der Wand. Bass präzise mit Tiefgang, 30 Hz wandnah, 60 Hz vorgerückt.
    Basisbreite 2,5 m, Hörentfernung 2,5 m, eingewinkelt 30 Grad.
    Räumlichkeit etwas eingengter Sweetspot bei dem Hörabstand.
    Brillianzbereich :denk:, hängt immer von den Aufnahmen ab.


    Dann nochmal der "Vorgänger" Vib 2000 GF.

    http://www.diy-hifi-forum.eu/forum/p...ictureid=31086

    ohne WG

    Grundton zu vollmundig wandnah, Hochton war mir bei stark bedämpfter Umgebung und 2,5m Hörabstand zu present.

    Bass war gut, trocken präzise.

    Der kleine Abklatsch (Vib Mon) ohne Kantenbearbeitung.

    http://www.diy-hifi-forum.eu/forum/p...ictureid=31060

    und dann mal mit

    http://www.diy-hifi-forum.eu/forum/p...ictureid=31065

    Das Waveguide lädt bis 3 kHz, je nach Ausführung des G25 FFL.
    Version 1992 hat nicht funktioniert.
    Reso zu hoch und mit Ferro zugetränkt und eingedickt.
    Version 2002 ist besser mit unterschiedlichen Resonanzfrequenzen (1600 und 2000 Hz, ist nach Klirrvergewaltigung mit 11 Volt unbeschaltet auf 1800 Hz gesunken).
    Wärme hilft manchmal :cool::D;).
    Der G25FFL hat kein angekoppeltes Rückkammervolumen und nur begrenzte Hubfähigkeit 0,25mm.
    Bei 1600 Hz Trennfrequenz Vorsicht am Pegelrad oder der "Infrarot Macht".

    Mein bevorzugter Abhörschallpegel liegt bei raumverträglichen und Ohren schonenden 75 dB/C (65dB/A) bei 2,5- 3m Hörabstand. Zu späterer Stunde sinkt's dann schon auf 40-20 dB. Altbau und Nachbarn mit Kleinkind :p.

    Das Konstrukt dürfte aber mit dem KE25SC am Visaton WG und dem AL 200 Pegelfester werden.

    Mit der Sickenreso des TT wird man aber genauso zu kämpfen haben, wie bei jedem Achtzöller.

    Hier geht's dann weiter

    klick :bye:

    :joke:

    Grüsse Michi
  • 24.07.2017, 06:46
    fosti
    Moin Michi!

    Heute ist der letzte Urlaubstag auf der "gelobten Insel" (Fehmarn!) ....dann geht es ran an den Speck und auch Dein WG...es sei denn, Du brauchst es dringend zurück :prost:

    Viele Grüße,
    Christoph
  • 25.07.2017, 21:02
    Oldie
    Hi Christoph,

    Zitat:

    ....dann geht es ran an den Speck und auch Dein WG...es sei denn, Du brauchst es dringend zurück :prost:
    ja cool, mach' nur.

    Ein Waveguide habe ich ja auch noch , DT 300 auch .
    Werde erstmal 8 Zöller in 20 Liter quälen :D.

    Zwiebeltreten tu' ich auch noch.(Scanspeak 8 + 3 Zoll "Fast")

    Rainer macht was mit 'nem Wavecor 30 mm Ht.

    :joke::w00t::prost:

    Lass dir ruhig Zeit,......

    Grüsse Michi
  • 31.07.2017, 01:01
    Oldie
    Mal wieder simuliert
    Einen wunderschönen Guten Abend,

    Der Visaton GF 200, Schwingspule in Reihe geschaltet, wird mit einem EBP von 81.1 angegeben.

    Die Vorschläge waren

    http://www.diy-hifi-forum.eu/forum/p...ictureid=29156

    55 L 32 Hz Bassreflex, 35 L 30 Hz Bassreflex und 21 L geschlossen.

    Das geschlossene Gehäuse habe ich mal umgesetzt.

    http://www.diy-hifi-forum.eu/forum/p...ictureid=31240


    Die vorherigen Messungen und Simulationen sind alle mit einem aktuellen Modell entstanden.

    Hier mal ein Vergleich zwischen Messungen mit Pink Noise und gestuften Sinus

    http://www.diy-hifi-forum.eu/forum/p...ictureid=31244

    Die jetzt folgende Abhandlung entstand mit den "gut abgehangenen" Tieftönern aus dem Vib Gehäusen.
    Gut und gerne über fünfzehn Jahre auf dem Buckel.

    erste Messungen im gerauschten Zustand ergaben die TSP, welche im zweiten Bild in der grünen und türkisen Simulation zu sehen sind.

    Hier als Impedanzvergleich

    http://www.diy-hifi-forum.eu/forum/p...ictureid=31241

    Nach längerer Einspielzeit und mehreren Kontrollmessungen sind dann für die alten Testkandidaten, diese jenen ermittelt worden.

    Tröte 01

    http://www.diy-hifi-forum.eu/forum/p...ictureid=31247

    Tröte 02

    http://www.diy-hifi-forum.eu/forum/p...ictureid=31248

    hier nochmal der Unterschied der Darstellung der Resonanzfrequenz zwischen gerauschter und gesweepter Messung.

    TT01

    http://www.diy-hifi-forum.eu/forum/p...ictureid=31246

    TT 02

    http://www.diy-hifi-forum.eu/forum/p...ictureid=31245

    mit dem zweiten Kandidaten sind wohl auch die etwas höheren Daten zu erklären, wenn man Quick an Dirty mal schnell zum Einklopfen der Daten Messungen veranstaltet.

    Zumindest verleitete mich die hohe Güte zu der Überlegung auch mal mit GHP rumzuspielen.

    Erste Simulationen mit AJ Horn versprachen "erfolgreiches".

    Die schwarze Kurve stellt das unbeschaltete Chassis dar.
    Die grüne dann mit Weiche.
    Die blaue mit GHP.
    Die rote schlussendlich mit GHP im Halbraum.

    http://www.diy-hifi-forum.eu/forum/p...ictureid=31242

    dasselbe nochmal mit den aktuellen TSP's:

    http://www.diy-hifi-forum.eu/forum/p...ictureid=31243

    Dann mal Messungen im Nahfeld ohne Bafflekorrektur , noch unbeschaltet. Testgehäuse rechnerisch 21 L netto mit Schallwandgrösse 23,6cm X 47,5 cm, leicht gestopft in der oberen Kammer. Um die Rückwand noch etwas Polyesterwatte.

    TT 02 ohne GHP

    http://www.diy-hifi-forum.eu/forum/p...ictureid=31254


    TT 02 mit GHP

    http://www.diy-hifi-forum.eu/forum/p...ictureid=31256

    Was da elektrisch passiert, will ich euch auch nicht vorenthalten.

    Beide Kandidaten zusammen mit Pink Noise gemessen unbeschaltet.

    http://www.diy-hifi-forum.eu/forum/p...ictureid=31258


    und nochmal zum Vergleich mit stepped Sine

    http://www.diy-hifi-forum.eu/forum/p...ictureid=31259

    Die Resonanzfrequenz erscheint niedriger, wichtiger sind die Steilheit der Flanken und die Höhe der Spitze. Aus diesen Werten werden die TSP abgeleitet.

    Die sind eh für die Katz', weil man hängt, zumindest bei passiver Beflankung, Widerstände parallel und in Reihe.

    Zuerst eine Highend Weiche mit Selenium Kondensatoren und dicken Spulen. Vorwiderstand gesamt 0,4 Ohm im Tieftonzweig, dann Weiche abgespeckt und Widerstand erhöhte sich auf 0,64 Ohm. Kostet ein dB .

    TT 02 Halbraum grün und Freifeldscalierung blau.


    http://www.diy-hifi-forum.eu/forum/p...ictureid=31257

    Die kleine Schallwand kostet auch Pegel.

    Beide Freunde in gleich bedämpften Gehäusen als GHP.

    Braun ist TT01 Grün TT 02

    http://www.diy-hifi-forum.eu/forum/p...ictureid=31250

    Die Messungen nochmal ungeglättet im direkten Vergleich mit und ohne Freifeldentzerrung und ohne GHP.
    Braun und Dunkelgraublau TT 01
    Rot und Grün TT 02

    http://www.diy-hifi-forum.eu/forum/p...ictureid=31249

    Die Unterschiede belaufen sich auf ca. 1 dB , wer das hört bekommt von mir einen Orden .

    Hier nochmal Messungen mit ungefensterter Anzeige , Halbraum und Freifeld

    TT 01

    http://www.diy-hifi-forum.eu/forum/p...ictureid=31253

    TT 02

    http://www.diy-hifi-forum.eu/forum/p...ictureid=31252


    und in 50 cm Abstand

    http://www.diy-hifi-forum.eu/forum/p...ictureid=31251

    An sich funktioniert das.
    Momentan höre ich die Dinger mit 70 cm Abstand zur Wand in klassischem 2m Stereodreick. Mal mit mal ohne Subunterstützung.
    Frei am Messplatz aufgestellt und in irgendeiner Raummode sitzend gaukelt die Abstimmung sogar Tiefbass vor.

    Güte 0,707 in BG ist defenitiv Impulstreu. Mit einer f3 von 65 Hz im Halbraum aber kein Tiefbass Wunder.

    Trennung zum G25FFl im Waveguide wurde noch auf 2 kHz heraufgesetzt.

    http://www.diy-hifi-forum.eu/forum/p...ictureid=31274

    noch die Impedanz im beschalteten Zustand

    http://www.diy-hifi-forum.eu/forum/p...ictureid=31265
  • 31.07.2017, 01:10
    Oldie
    Abstrahlerei gibt's noch

    Kandidat Nummer eins, mit bei beiden Tönern weniger ausgeprägten Resonanzen

    http://www.diy-hifi-forum.eu/forum/p...ictureid=31267

    Kandidat Nummer zwei

    http://www.diy-hifi-forum.eu/forum/p...ictureid=31268

    und nochmal Marketingverträglich verschmiert

    http://www.diy-hifi-forum.eu/forum/p...ictureid=31269

    http://www.diy-hifi-forum.eu/forum/p...ictureid=31275

    fastkeine Unterschiede mehr zu sehen

    vertikal gleich hinterher

    http://www.diy-hifi-forum.eu/forum/p...ictureid=31271

    mal ohne Schleier

    http://www.diy-hifi-forum.eu/forum/p...ictureid=31272

    und normiert 0 Grad

    http://www.diy-hifi-forum.eu/forum/p...ictureid=31273

    Unten ist oben und oben ist unten in der Darstellung.

    Bei 3,5 kHz ist eine BBC Senke von Vorteil, da diese vertikal auch Energie rausnimmt, die sonst als Reflexionen wieder alles versauen. Ein db oder zwei mehr für den Hochtöner sind für die räumliche Darstellung wieder destruktiv. Bühnenbild wandert zu weit nach vorne.
    Im gleichseitigen Dreieck uneingewinkelt zur Seite und nach vorne wunderschönes ausgeglichenes Schallfeld.
    Mit Subunterstützung Vollbereichs und Grosssignal tauglich, bei mir werden sie wohl als Rears für's Wohnzimmerheimkino ihr Dasein fristen.

    GF 200 geht doch als Zweiweger und er kann Mitten.

    Grüsse Michi
  • 31.07.2017, 08:56
    Gaga
    Hi Michi,

    Hut ab - tres chic! Vielen Dank für die super-schönen Schritt-für-Schritt Messungeb und Erklärungen. :thumbup:

    Und auch mal schön dokumentiert das horizontale und vertikale Abstrahlverhalten angeschaut und dargestellt... :ok:

    Grüße,
    Chirstoph
  • 31.07.2017, 13:10
    Oldie
    Hi Christoph,

    :danke:
    Danke dir, das sind mal Resonanzen die man gerne hört, äh.... liest.

    :D

    Einen hab' ich noch:

    Kurvengewirr

    http://www.diy-hifi-forum.eu/forum/p...ictureid=31277

    Die Messungen sind stumpf im selben Gehäuse (BG 20 L) mit der gleichen Bedämpfung und Verkabelung im Nahfeld entstanden.
    Hatte sich angeboten, da alle Chassis mit sechs Befestigungslöchern und annähernd gleichen Innen- und Aussendurchmesser ausgestattet sind.

    Der Scanspeak ist breiter und flog aus dieser Messreihe raus.

    Schau'n wir uns mal den Dayton an.

    BG 42 L "Ritterabstimmung" dunkelblaugrau vs BG 20 L grün

    http://www.diy-hifi-forum.eu/forum/p...ictureid=31279

    und Impedanz dazu

    http://www.diy-hifi-forum.eu/forum/p...ictureid=31278


    BG 20 L der LPG PMT 205 (nahe am SPH 220 HQ)

    http://www.diy-hifi-forum.eu/forum/p...ictureid=31283

    und Impedanz dazu

    http://www.diy-hifi-forum.eu/forum/p...ictureid=31282

    BG 20 L der Seas L22RNX/P H1252 (W220AL)

    http://www.diy-hifi-forum.eu/forum/p...ictureid=31285

    und Impedanz dazu

    http://www.diy-hifi-forum.eu/forum/p...ictureid=31284

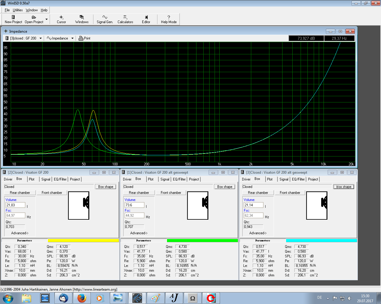
    Zum Abschluss der Visaton GF 200 im Vergleich alt(blau) vs neu(grün).

    http://www.diy-hifi-forum.eu/forum/p...ictureid=31281

    und Impedanz dazu

    http://www.diy-hifi-forum.eu/forum/p...ictureid=31280

    und nochmal alle zusammen im direkten Vergleich.

    http://www.diy-hifi-forum.eu/forum/p...ictureid=31276

    Insgesamt sind zwei dB Unterschied, die Flanke bis zur f3 Eckfrequenz kann man mit einer Güte von 0,7 angeben, der Rolloff danach ist eher dritter Ordnung (deswegen die Vergleichskurven in Bessel und Butterworth).

    Viel entscheidender wäre das Verschiebevolumen (Fläche mal Hub). Vorraussichtlich 0,1 bis 0,2 Liter, je nach maximaler linearer Hubfähigkeit.
    Kubikmeter verkneif ich mir mal.:p:D;)

    In kleinen Räumlichkeiten wird soviel eigentlich nicht gebraucht, wenn man mal überlegt wie wenig Pascal es braucht um Schallereignisse wahrzunehmen.

    Auswahlkriterien für Bassreflex wäre eher die Impedanzspitze.
    Hochohmig gut zum addieren mit dem vorgeschaltetem Hochpass, namens Helmholtzresonator.
    Aufpassen, bei zunehmender Bedämpfung sinkt die in den Keller.
    Volumen wieder grösser machen.
    Niedrige Qms, weniger Kennschalldruck, braucht mehr Volumen muss aber viel Hub wenn tief abgestimmt wird.
    Kurzschlussring ist eine gute Erfindung.

    Für Zweiwegtauglichkeit würde ich eine geringe Schwingspuleninduktivität bevorzugen. Mehr akustisches Futter zum beschalten.
    Sickenreso und Klirranteil darf man auch in Betracht ziehen.

    Hinbiegen kann man aber alles, passiv oder aktiv.

    Als nächstes kommt die sechzig Liter Fraktion ventiliert dran.

    Mal guggen:built:

    Grüsse Michi
Powered by vBadvanced CMPS v4.3.0