» über uns

RCA zu XLR und XLR auf RCA

Druckbare Version

  • 03.03.2021, 08:37
    Cleener
    So um das mal abzuschließen.

    Ich gehe vom AVC vom RCA Out auf RCA in beim Aurora für die Front, Center und LFE Kanäle.
    Die Jumper für diese Kanäle sind auf 1 gestellt.

    Die Front gehe ich mit XLR auf RCA in die Marantz PM7200 Stereo Endstufe.
    Das Kabel habe ich mit XLR 1 = Schirm und 2 = hot gefertigt und funktioniert ohne brummen oder sonst was.

    Der Sub und der Center sind über XLR zu XLR in die PA Endstufe verbunden.

    Danke für die Unterstützung, manchmal dauert es bei mir halt etwas.
  • 04.04.2021, 22:06
    Kleinhorn
    Liste der Anhänge anzeigen (Anzahl: 3)
    Hi...
    Um noch einen Tipp für den Einen oder Anderen los zu werden...
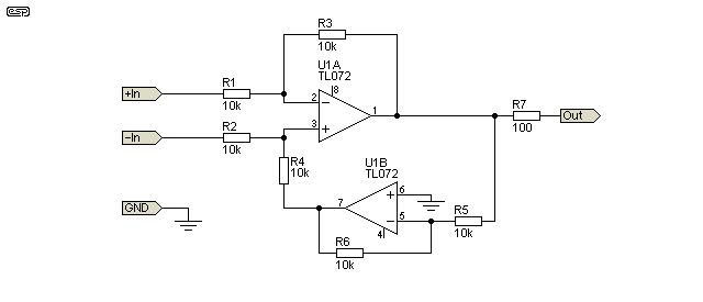
    Nach dieser Schaltung von sound-au.com Anhang 60108hab ich mir diese netten Teilchen zusammen gedengelt Anhang 60109
    Ich hab allerdings die TL074 ausprobiert. An +und - kamen nur noch X7R 100nf/50 Volt und zwei Pufferkondensatoren von 220 µF am Spannungseingang und ein Relais, später zeitgeseuert dazu. Mit KiCad komm ich noch nicht weiter und lohnt für diesen Fall eigentlich nicht.
    Hier mal umgezeichnet. Damit ist der Nachbau kein Problem Anhang 60110
    Ich habe LME49740 eingesetzt. Klingen nen Tick besser als die TL074, sind aber kaum noch erhältlich. Ich hab mal welche nachgeordert bei EBAY, Adeleparts...funktionieren wie alte LME auch.
    Die TL074 funktionieren auch schon sehr gut...
    Eingangsimpedanz 2x10K und Ausgang hier momentan 100 Ohm...wird sich später mal im Betrieb zeigen, ob ich damit zurecht komme. Ich möchte von XLR auf Cinch um die Endstufen anzuschließen, die bei mir so lagern...
    Ob das nun besser ist als ein Adapter...kA....
    Vorteil wäre gar keine XLR Buchsen einbauen zu müssen...

    Pedda
  • 04.04.2021, 23:10
    Micha_HK
    Zitat:

    Nach dieser Schaltung von...
    Die kommt mir bekannt vor... :D
Powered by vBadvanced CMPS v4.3.0