» über uns

  • 08.06.2020, 14:25
    Azrael
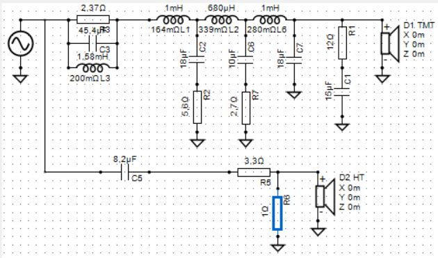
    Ich habe Frankys Tip, es für eine bessere Phasenanpassung der Treiber bei der Trennfrequenz mal mit unterschiedlichen Flankensteilheiten zu probieren, mal umgesetzt. Was dabei rausgekommen ist, sieht erstmal ziemlich extrem aus...:eek::

    https://www.diy-hifi-forum.eu/forum/...5&d=1591618103

    Lohn der Mühe ist allerdings, dass die Phasengänge von HT und TMT im Bereich der Trennfrequenz tatsächlich mal endlich über einen größeren FG-Bereich nahezu deckungsgleich verlaufen (Grafik oben rechts), so dass die FGs der Einzeltreiber nirgendwo mehr nennenswert über der Summe verlaufen:

    https://www.diy-hifi-forum.eu/forum/...4&d=1591618103

    Die Messkette war übrigens pegelkalibriert. Eigentlich wollte ich bei 2,83 Volt in einem Meter Entfernung messen. Weil mir aber insbesondere beim HT beinahe Blut aus den Ohren gelaufen wäre, habe ich in REW den Pegel um 6 dB reduziert. Die muss man sich hier dazu denken.

    Was die Weiche angeht: da sind jetzt ja keine riesen Bauteile im TMT-Zweig, es sind halt nur ganz schön viele. Auf die Gruppenlaufzeit der gesamten Konstruktion scheint der steile Filter auch keine negativen Auswirkungen zu haben.

    Das Gegenteil ist bzgl. der Anzahl der Bauteile im HT-Zweig der Fall. Man könnte sich Sorgen um den HT machen, allerdings setzt der HP 1. Ordnung ja schon sehr hoch in seiner Wirkung ein, zudem nimmt der Spannungsteiler jede Menge Pegel raus.

    Ich habe so eine Schaltung mit TP elektrisch 6. Ordnung und HP 1. Ordnung noch nie gesehen. Kann das funktionieren? Was meint ihr? Ich gebe schon zu, dass das irgendwie schon ziemlich irre aussieht.....:o

    Viele Grüße,
    Michael

    *edit*:
    Das RC-Glied aus R1 und C1 (war zur Impedanzlinearisierung gedacht) kann man womöglich auch weglassen, wenn man an den Werten der anderen Teile des TMT-Zweiges ein wenig herumschraubt.
  • 08.06.2020, 16:47
    Jesse
    Ui, das ist aber etwas extrem.

    Hast du auch schon 2. Ordn. für den TP + 1. Ordn. (alternativ 3. Ordn.) für den Hochpass ausprobiert?
  • 12.06.2020, 16:56
    Azrael
    Zitat:

    Zitat von Jesse Beitrag anzeigen
    Ui, das ist aber etwas extrem.

    Hast du auch schon 2. Ordn. für den TP + 1. Ordn. (alternativ 3. Ordn.) für den Hochpass ausprobiert?

    Ich habe jetzt mit wirklich vielen Filtertopologien rumgespielt, auch mit den oben vorgeschlagenen. Am Ende kam erstmal diese Weiche dabei raus....:

    https://www.diy-hifi-forum.eu/forum/...5&d=1591971423

    ....mit dem Ergebnis:

    https://www.diy-hifi-forum.eu/forum/...4&d=1591971423

    Jetzt ist der TP "nur" noch 4. Ordnung. Der Saugkreis im TMT-Zweig begradigt den TMT recht breitbandig. Der linke der drei Saugkreise im HT-Zweig unterstützt den Hochpass unterhalb der Trennfrequenz, der mittlere kümmert sich um eine Spitze bei so 2,7 kHz und der rechte etwas breitbandiger um eine Überhöhung, die besonders unter Winkel auffällt.

    Wenn ich die drei Sperrkreise im HT-Zweig weglasse, sieht das so aus:

    https://www.diy-hifi-forum.eu/forum/...6&d=1591972233

    Auch nicht ganz schlecht, kann man vielleicht noch ein bisschen optimieren, falls die Weiche einfacher gehalten sein soll. Im ersten Fall ist das ja schon ein ganz schönes Bauteilegrab. :o

    Ich finde, das PH-230 verhält sich unter Winkel etwas sonderbar, jedenfalls anders, als meine beiden Limmerhörner (021 und 022), etwas ungleichmäßiger, wie es scheint. Wenn man das berücksichtigen will, macht das die Weichenentwicklung nicht gerade einfacher.

    Ich versuche das noch ein bisschen zu vereinfachen und baue das dann wohl auch mal auf.

    Anmerkungen, Anregungen und Tips sind natürlich weiterhin herzlich willkommen. :)

    Viele Grüße,
    Michael

    *edit*:
    Ich habe noch eine andere Variante gefunden mit einem HP 2. Ordnung und zwei statt drei Saugkreisen um HT-Zweig: spart einen Kondensator und schützt den HT womöglich besser. :)

    *edit2*:
    Mir ist aufgefallen, dass ich Sperr- mit Saugkreisen verwechselt habe. Ist berichtigt und ich hoffe das stimmt jetzt....:o
  • 12.06.2020, 18:31
    Jesse
    Mit den drei Saugkreisen für den HT scheint mir insgesamt etwas wenig Energie im Frequenzbereich oberhalb 600 Hz vorhanden zu sein, könnte also etwas fett klingen. Muss man sich aber anhören.

    Zitat:

    Zitat von Azrael Beitrag anzeigen
    Ich habe noch eine andere Variante gefunden mit einem HP 2. Ordnung und zwei statt drei Sperrkreisen um HT-Zweig: spart einen Kondensator und schützt den HT womöglich besser. :)

    Sicherlich auch interessant. Es stellt sich allerdings die Frage welche der Schaltungen die bessere Phasenlage bei der Übernahmefrequenz bietet.
  • 12.06.2020, 20:49
    Franky
    Ich habe gerade auch einen ähnlichen Fall. Ist eine PA-Box mit 10" und 1" Horn. Alles mögliche durchprobiert aber irgendwie klappte es nicht mit der Phase. Nach etlichen Versuchen bin ich gelandet bei - Bass unbeschaltet und Hochpass an die abfallende Flanke angepasst. Spart ca. 5-6 Weichenbauteile die ich sonst mindestens gebraucht hätte. Das die Trennfrequenz dann bei 2500 Hz gelandet ist anstelle von geplanten 2000 Hz lässt sich dann auch verschmerzen.
  • 13.06.2020, 10:54
    Azrael
    Zitat:

    Zitat von Franky Beitrag anzeigen
    Bass unbeschaltet und Hochpass an die abfallende Flanke angepasst. Spart ca. 5-6 Weichenbauteile die ich sonst mindestens gebraucht hätte. Das die Trennfrequenz dann bei 2500 Hz gelandet ist anstelle von geplanten 2000 Hz lässt sich dann auch verschmerzen.

    Naja, wenn man den SP-10A/302PA durchlaufen lässt, sieht das in meinem Gehäuse erstmal so aus:

    https://www.diy-hifi-forum.eu/forum/...3&d=1592036815

    Ich habe mal versucht, das mit einigen Sperrkreisen zu begradigen, ohne den Treiber ansonsten zu filtern. Weil er obenrum aber ziemlich unruhig wird (sieht wie Membranresonanzen aus), gelingt das nicht wirklich gut. Den HT habe ich da dann auch nicht wirklich gut angebunden bekommen.

    Ich nehme an, dass dein 10''er obenrum deutlich gutmütiger ausläuft, der SP-10A/302A scheint für diese Methode aber nicht so geeignet zu sein. :dont_know:

    Zitat:

    Zitat von Jesse Beitrag anzeigen
    Sicherlich auch interessant. Es stellt sich allerdings die Frage welche der Schaltungen die bessere Phasenlage bei der Übernahmefrequenz bietet.

    Die verhalten sich, was das angeht, recht ähnlich. Im Moment mache ich mir eher ein bisschen Gedanken um das Verhalten unter Winkel, insbesondere um den Bereich, den ich hier mal markiert habe:

    https://www.diy-hifi-forum.eu/forum/...4&d=1592039044

    Ich habe mich gefragt, ob das ein Einfluss des Gehäuses sein könnte, weil das ja schon ein ziemlich winkelabhängiges Verhalten ist. Ich habe dann mal das Diffraction-Tool hergenommen und die Maße meines Gehäuses und die Position des Hochtöners angegeben, das virtuelle Mikro zeigt wie bei den Messungen auf den Hochtöner. Ich habe das für Winkel von 0 bis 90 Grad gemacht, die Frequenzgänge exportiert und in REW importiert:

    https://www.diy-hifi-forum.eu/forum/...2&d=1592036815

    Nun ist da ja auch ein Horn im Spiel, das vom Diffraction-Tool natürlich nicht berücksichtigt wird. Ich hätte gedacht, dass der HT die Kanten nicht "sieht", aber könnte es nicht doch sein, zumindest beim PH-230? Am unruhigsten sieht es ja tatsächlich in einem ähnlichen Bereich aus, wie der, in dem diese Unregelmäßigkeit im Abstrahlverhalten liegt. :denk:

    Wenn das der Fall wäre, läge es wohl nahe, das Gehäuse umzudesignen, auf welche Weise auch immer. Was sagt ihr dazu?

    Viele Grüße,
    Michael

    *edit*:
    Ich könnte mal ein Rohr von so 15 cm Durchmesser besorgen, es längs halbieren und die Hälften links und rechts anbringen. Virtuell sähe der Gehäuseeinfluss dann so aus:

    https://www.diy-hifi-forum.eu/forum/...5&d=1592042206
  • 13.06.2020, 11:57
    Slaughthammer
    Zitat:

    Zitat von Azrael Beitrag anzeigen
    Im Moment mache ich mir eher ein bisschen Gedanken um das Verhalten unter Winkel, insbesondere um den Bereich, den ich hier mal markiert habe:

    https://www.diy-hifi-forum.eu/forum/...4&d=1592039044
    [...]
    Wenn das der Fall wäre, läge es wohl nahe, das Gehäuse umzudesignen, auf welche Weise auch immer. Was sagt ihr dazu?

    Bei deinen Gehäusemaßen ist im fraglichen Frequenzbereich eigentlich nicht mit Problemen zu rechnen, was die Simulation j auch so bestätigt. Die Aufweitung die man in der Simulation um 2 kHz sieht, findet man bei vielen Lautsprechern, ist in deinem Fall aber nur sehr schwach und schmalbandig ausgeprägt. Da Hilft das Horn! Die darüber folgenden Unstetigkeiten sind wohl als Eigenheiten des Horns zu betrachten. Siehe auch:
    Zitat:

    Zitat von http://lsv-achenbach.de/horn_treiberkombis.htm
    Mit Vorsicht zu genießen sind das Monacor MRH-200 und PAudio PH230. Diese zeigen zwar mit vielen Treibern hervorragende Frequenzgänge und viel Pegel im oberen Bereich. Deren Nachteil ist aber, dass sie ein ungleichmäßiges Abstrahlverhalten haben.

    Evtl mal versuchen, das 90° zu drehen und hoffen, dass es in der Ebene besser aussieht? Ich könnte mir auch vorstellen, dass die vorstehenden Backen des Horns diese Probleme verursachen, da dort am Rand ja eine ziemlich harte Kante ist, von der es zur Schallwand zurückspringt. Man könnte ja mal versuchen die Kontur da etwas harmonischer wieder an die Schallwand heranzuführen. Ich würde das provisorisch aus Pappe basteln. Um zu sehen ob das im Fraglichen Frequenzbereich was ändert sollte das reichen.

    Gruß, Onno
  • 13.06.2020, 19:00
    Azrael
    Ok, ich habe ja noch ein bisschen Urlaub. Ich schaue mal, dass ich da ein paar Experimente hinkriege. :)

    Viele Grüße,
    Michael
  • 13.06.2020, 23:07
    Jesse
    Liste der Anhänge anzeigen (Anzahl: 1)
    Rein rechnerisch könnte man bei folgenden Frequenzen Störungen duch Kantenreflexionen erwarten (Maße geschätzt):

    Linke und rechte Gehäusekante: 2,4 kHz

    Obere Kante: 2,6 kHz

    Horizontale Hornkanten: 3 kHz

    Anhang 55387

    Den Verdacht, dass die Störungen durch die Gehäusekanten hervorgerufen werden finde ich naheliegend.
  • 15.06.2020, 19:29
    Azrael
    So, ich habe mal ein paar Untersuchungen gemacht. Dazu habe ich erstmal den HT nochmal unbeschaltet gemessen:

    https://www.diy-hifi-forum.eu/forum/...4&d=1592241418

    Dann habe ich der Box mit Bastelpappe und Klebeband ein paar Rundungen verpasst mit einem Radius von ca. 7,5 cm:

    https://www.diy-hifi-forum.eu/forum/...5&d=1592241418

    Das misst sich dann so:

    https://www.diy-hifi-forum.eu/forum/...6&d=1592241418

    Also ich sehe da keinen sonderlich großen Unterschied, offenbar "sieht" der HT die Gehäusekanten also kaum.

    Dann habe ich die Kanten des Horns mal gewissermaßen verstetigt, das sieht dann so aus.....:

    https://www.diy-hifi-forum.eu/forum/...7&d=1592241418

    .....und misst sich so:

    https://www.diy-hifi-forum.eu/forum/...8&d=1592241418

    Das ist schon eine sehr beachtliche Veränderung: offensichtlich lädt das Horn jetzt etwas tiefer (es ist ja gewissermaßen gewachsen), aber das Bündelungsverhalten scheint jetzt auch deutlich gleichmäßiger zu sein. Ich müsste mir nur überlegen, wie man das "in schön" hinbekommt. Vielleicht hat ja jemand einen Tip...? :)

    Ich bin jedenfalls beeindruckt. :dance:

    Was ich noch nicht gemessen habe, ist das Hornpimping ohne die Rundungen an den Boxenseiten (ich vermute, da ändert sich kaum was) und den HT mit um 90 Grad gedrehtem Horn. Ich schaue mal, dass ich das später mal nachhole.

    Bei letzterem hätte ich allerdings ein wenig Bedenken, weil sich dann ja so eine Kante genau über dem TMT befindet. Ob es in diesem Fall helfen würde, da Dämpfungsmaterial von unten draufzukleben? Ich weiß es noch nicht.

    Viele Grüße,
    Michael
  • 15.06.2020, 21:02
    Slaughthammer
    Zitat:

    Zitat von Azrael Beitrag anzeigen
    Dann habe ich die Kanten des Horns mal gewissermaßen verstetigt, das [...] misst sich so:
    https://www.diy-hifi-forum.eu/forum/...8&d=1592241418
    Das ist schon eine sehr beachtliche Veränderung: offensichtlich lädt das Horn jetzt etwas tiefer (es ist ja gewissermaßen gewachsen), aber das Bündelungsverhalten scheint jetzt auch deutlich gleichmäßiger zu sein.

    Also doch die Kante am Hornende. Freut mich dass mein Mutmaßen mal zu was führt! :prost:

    Zitat:

    Zitat von Azrael Beitrag anzeigen
    Ich müsste mir nur überlegen, wie man das "in schön" hinbekommt. Vielleicht hat ja jemand einen Tip...? :)

    Einen Tip nicht direkt, aber einen 3D-Drucker im Keller. :cool:
    Du müsstest du mal die Geometrie von den Seitenflächen vermessen, dann könnte ich da mal was machen.

    Gruß, Onno
  • 16.06.2020, 12:48
    Azrael
    Zitat:

    Zitat von Slaughthammer Beitrag anzeigen
    Also doch die Kante am Hornende. Freut mich dass mein Mutmaßen mal zu was führt! :prost:

    Yep, das war ein Volltreffer. :thumbup:


    Zitat:

    Zitat von Slaughthammer Beitrag anzeigen
    Einen Tip nicht direkt, aber einen 3D-Drucker im Keller. :cool:
    Du müsstest du mal die Geometrie von den Seitenflächen vermessen, dann könnte ich da mal was machen.

    Ich müsste mir mal Gedanken um die Form machen. Der Versuch oben würde ja in ein Konstrukt münden, das links und rechts wulstig über die Schallwand hinausragen würde. Das fände ich jetzt nicht so schön.

    Von den Seitenwänden der Box bis zu diesen Kanten des Horns sind es ca. 35 mm, so "dick" dürften die an die Seitenflächen des Horns angeflanschten Teile also maximal sein. Sie müssten innen die Steigung des Horns quasi aufnehmen und nach außen hin in eine Rundung übergehen. Ob das reicht....? :denk:

    Was das Abnehmen der Geometrien der Seitenflächen angeht, muss ich erstmal sehen, wie ich das am besten mache.

    Aber auf jeden Fall mal Danke für das Angebot. :prost:

    Viele Grüße,
    Michael

    *edit*:
    Mich würde ja mal interessieren, ob dieses Verhalten an den JBL-"Arschbacken"-Hörnern auch auftritt und wenn nicht, warum nicht.....:denk:
  • 16.06.2020, 17:16
    Azrael
    Ich habe das Horn mal freistehend vermessen. So sah der Aufbau aus, Messentfernung war wieder 1 Meter:

    https://www.diy-hifi-forum.eu/forum/...1&d=1592320284

    Zuerst habe ich horizontal von 0-90 Grad in 10-Grad-Schritten gemessen....:

    https://www.diy-hifi-forum.eu/forum/...2&d=1592320284

    ....und dann nochmal vertikal:

    https://www.diy-hifi-forum.eu/forum/...3&d=1592320284

    Irgendwas scheint das Gehäuse ja doch mehr beizutragen, als ich gedacht habe: das hier sieht nämlich schon wieder viel gleichmäßiger aus..... :denk:

    Viele Grüße,
    Michael
  • 16.06.2020, 18:10
    Slaughthammer
    Liste der Anhänge anzeigen (Anzahl: 1)
    Zitat:

    Zitat von Azrael Beitrag anzeigen
    Irgendwas scheint das Gehäuse ja doch mehr beizutragen, als ich gedacht habe: das hier sieht nämlich schon wieder viel gleichmäßiger aus..... :denk:

    Gehäuse, ja, Gehäusekanten wohl eher nicht. Meine Theorie: Diffraktion an den Kanten, dadurch trifft Schall auf das Gehäuse und wird da auch reflektiert, Interferenz zwischen direkt von der Kante abgestrahltem Schall und am Gehäuse reflektierten Schall. Man müsste das Horn also nur harmonisch bis auf Gehäusebreite verbreitern, dann sollte das besser werden. Könnte man auch mit Styropor o.Ä. schnell ausprobieren.

    Seitenflächen Vermessen sollte einfach sein, wenn man davon ausgeht, dass die Rundung ein Kreissegment ist. Dann brauche ich nur ein paar Maße:
    Anhang 55436

    Gruß, Onno
  • 17.06.2020, 14:57
    SimonSambuca
    Hallo Michael,

    hab bisher immer nur gespannt mitgelesen - find ich sehr interessant und spannend, als Laie kann man da auch immer viel lernen. Vielen Dank für den Thread.

    Zitat:

    Zitat von Azrael Beitrag anzeigen
    Mich würde ja mal interessieren, ob dieses Verhalten an den JBL-"Arschbacken"-Hörnern auch auftritt und wenn nicht, warum nicht.....:denk:

    Vielleicht sind die "Arschbacken" genau aus diesem Grund seitlich "offen"? :eek: :D
    Waren bzw. sind ja so viel schwerer zu produzieren - werden die wohl nicht aus Langeweile so gemacht haben?


    Gruß
    Simon
  • 17.06.2020, 16:19
    Azrael
    Naja, bei der JBL 4825 waren die Hohlräume innerhalb des verwendeten 2344 wohl Teil des BR-Ports. Dass die Hohlräume auch Reflexionen an der Schallwand verhindern sollten, kann ich mir kaum vorstellen, zumal die 4825 so schmal war, dass das Gehäuse fast bündig mit den Hornseiten abschloss.

    Sind denn alle JBL-"Arschbacken" an den Seiten offen? Ich konnte noch keins befingern.

    Viele Grüße,
    Michael
  • 17.06.2020, 17:08
    Kalle
    Zitat:

    Zitat von Azrael Beitrag anzeigen
    Sind denn alle JBL-"Arschbacken" an den Seiten offen?

    Hi Michael,
    ja, alle sind offen, "interne" Bassreflexkanäle gab es beim 2342 und beim 2344, bevorzugt hier bei der Variante mit der 12 Zoll Ausfräsung für PAs.
    Die JBL Leute selbst hatten appetitlichere Assoziationen, sie dachten eher an Dolly Buster.:)
    Zitat:

    Zitat von Azrael Beitrag anzeigen
    Ich konnte noch keins befingern.

    Na, na:o:D

    Hier mal zum Vergleich 2344 mit BMS 4550 im Freifeld draußen in cirka 1,3m Höhe wegen der Nachbarn und den Ohren nicht mit Normpegel in 1m Entfernung.
    https://abload.de/img/23444550horizontalyik15.jpg
    Jeweils 0°, 15°, 30°, 45°, 60° horizontal.

    Jrooß Kalle
  • 18.06.2020, 09:55
    Azrael
    Zitat:

    Zitat von Kalle Beitrag anzeigen
    https://abload.de/img/23444550horizontalyik15.jpg
    Jeweils 0°, 15°, 30°, 45°, 60° horizontal.

    Ist das also ein 2344 ohne Gehäuse, also quasi nackig? Dann wäre jetzt mal interessant, wie sich der Einbau in ein Gehäuse, das breiter als das Horn ist, auswirkt.

    Viele Grüße,
    Michael

    *edit*:
    Das sind aber keine gefensterte Messungen, oder?
  • 18.06.2020, 10:41
    Kalle
    Nein,
    nicht gefenstert.
    Jrooß
  • 18.06.2020, 13:59
    ArLo62
    Ich fand das PH-230 schon immer seltsam weil es mitten im Verlauf diesen plötzlichen Abriss am Rand hat. Irgendwas fehlt da, habe ich mir immer eingebildet.
    Wobei ich die Ergebnisse oben freistehend ziemlich beeindruckend finde. Finde die Vorgehensweise sehr konsequent.
    Gruß
    Arnim
Powered by vBadvanced CMPS v4.3.0