» über uns

  • 14.10.2016, 09:40
    funexpress
    Liste der Anhänge anzeigen (Anzahl: 1)
    Hallo Thortsen,

    jetzt wurde relativ breit über das Messsystem diskutiert.
    Mich würde interessieren, wie dir die Abstimmung klanglich gefällt.
    Ich muss gestehen, dass ich diese Kombination bereits vor gut 8-10 Jahren verbaut habe, vom Hocker hat mich die Box aber nicht gehauen.
    Klang etwas, als wären die Chassis bedämpft, was oftmals auf Phasenprobleme hinweist.
    Erst eine umfangreiche Weichenänderung hat da Abhilfe geschaffen.

    BG, Peter
  • 14.10.2016, 15:50
    TriplePower
    Hallo Peter,

    ich kann Dir dazu aktuell noch nix sagen da ich erst am Schleifen bin.
    Ich hatte bisher nur eine Box probehalber angeschlossen um kurz zu Hören (wurden dann 3 Tage draus:D) und eine Probemessung zu machen.

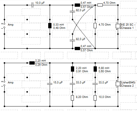
    Kannst Du mir deine Weiche mal schicken?

    Ich habe aufgrund der Reviews auf der Seite von Troels bereits vorab den ersten HT-Vorwiderstand um 1,5 Ohm reduziert.
    Ausserdem habe ich beide HT-Vorwiderstände mit 0,47yF Folien gebrückt.

    Was ich Mono gehört habe, gefiehl mir sehr gut. Sogar so gut, dass es mir einen richtigen Schub beim weiter Arbeiten gab. :-)
    Ich habe jedoch nur mit Abstand von 1-2m hören können, also noch nicht im richtigen Raum.


    Die Box ist schon linear abgestimmt und hat keine Kunstgriffe wie BBC Senke oder Ähnliches.
    Evtl. könnte sich dies in der Tendenz als das von Dir beschriebene Klangbild rausstellen? Ich weiß es noch nicht.

    Der Hochton löste beim Probehören schön auf und strengte auch bei hohen Lautstärken nicht an.
    Da war für meine Begriffe alles da bis ganz oben hin.
    Mittelton gefiehl mir super gut, schön griffig (z.B. Chris Jones, Rebeca Pidgeon u.s.w.).

    Es hörte sich zumindest Mono nicht zugehangen an, im Gegenteil ich war richtig zufrieden.


    Ich kenne den Hochtöner auch aus 2-Wege Lautsprechern die ihn bis 1800Hz runterprügeln bzw.
    Lautsprecher in denen Im Hochtonbereich bei bestimmten Frequenzen "Akzente" gesetzt wurden.

    Das ist dann am Anfang ein AHA Erlebnis aber auf Dauer nicht mehr so langzeittauglich.

    Vom bisherigen Mono-Eindruck bin ich bisher jedenfalls sehr zufrieden. :rolleyes:

    Gruß Torsten
  • 24.11.2016, 08:36
    TriplePower
    Probelauf
    Hallo,

    ein kurzer Bericht...

    der Gehäusebau ist abgeschlossen und die Gehäuse geschliffen und 1x mit Leinöl Firnis geölt.

    Aktuell Probelauf im Keller. Hier ein paar Bilder...

    https://abload.de/img/s_csm2losw2.jpg

    https://abload.de/img/s_csm3udsxe.jpg

    https://abload.de/img/s_csm4zysi6.jpg

    https://abload.de/img/s_csmnbsre.jpg

    https://abload.de/img/s_csm1n0siq.jpg

    Gruß Thorsten
  • 13.02.2021, 22:23
    TriplePower
    Als Ergänzung:

    Final: ich empfehle den Lautsprecher definitiv nicht nachzubauen!
    Der Klang des CMS Troels Gravesen passte ganz und gar nicht, enttäuschend, eindeutig.

    Gruß Thorsten
  • 13.02.2021, 23:07
    speed-of-sound
    Liste der Anhänge anzeigen (Anzahl: 5)
    Hallo,
    vor gut 10 Jahren hatte ich einen ähnlichen LS gebaut, ohne den von Troels Gravesen zu kennen.
    Als Chassis kamen als HT Visaton KE 25 SE und als TMT Usher 8945A (Nachbau vom Scan Speak W18 8545-K00, die Chassis sehen absolut gleich aus) zum Einsatz.
    Ich weiß natürlich nicht wie unterschiedlich der Usher und der Scan Speak klingen.

    Egal wo ich ihn vorgeführt hatte, er kam immer gut an.

    Daher hatte ich auch ein zweites Paar gebaut, damit jeder meiner Kinder ein Paar hat.
    Meine Kinder werden gerne auf die Lautsprecher angesprochen, wo man sie bekommt, weil sie so gut klingen.
    Man muss aber auch sagen, dass sie vom Materialaufwand auch kein Cheap Trick sind :)

    Gruß
    Jens


    Anhang 59113Anhang 59112Anhang 59109Anhang 59111Anhang 59110
  • 14.02.2021, 09:49
    ArLo62
    Moin Thorsten!
    Kannst Du denn mal beschreiben wo gefühlt das Problem liegt?
    Danke im Voraus und Gruß
    Arnim
  • 14.02.2021, 10:09
    Olaf_HH
    @Tripple Power,
    moin, was bemängelst Du denn im speziellen an dem LSP ?
  • 14.02.2021, 10:16
    Don Key
    @TriplePower - unabhängig von Deiner Enttäuschung, was den Klang angeht - bist Du sicher, dass Du die Phasen / Abrundungen auf der Frontseite am richtigen Ende gemacht hast ?
  • 14.02.2021, 11:08
    TriplePower
    Hallo,

    die unteren Phasen waren rein aus optischen Gründen angebracht. Im Bereich der Chassis waren die Gehäuseabmessungen dem Bauvorschlag entsprechend ausgeführt.

    Schwer zu beschreiben, der Klang war im Mitteltonbereich "unterbelichtet", Musik hörte sich tot an.
    Bass und Höhen waren für sich einzeln gesehen gut, aber da passte was an der Abstimmung einfach nicht.
    Frauenstimmen fehlte die "Strahlkraft/Energie" (z.B. Rebeca Pidgeon hörte sich einfach belanglos an)

    Ich habe natürlich mehrmals die Weichen, Verkabelung, Polung u.s.w. auf Fehler kontrolliert weil ich es nicht ganz glauben konnte.
    Ich hatte sogar nochmal geprüft dass auch wirklich die korrekten Tiefmitteltöner geliefert wurden, die gibts ja mit Aluschwingspulenträger und als "K" Variante mit Glasfaser.
    Alles korrekt.
    Dann hatte ich mit den Bauteilwerten gespielt aber es half nichts.

    Zum guten Schluss hatte ich aufgegeben, die Gehäuse entsorgt und die TMTs verkauft.

    Gruß Thorsten
Powered by vBadvanced CMPS v4.3.0